メカニカル部品技術窓口
ミスミ品のみ対象
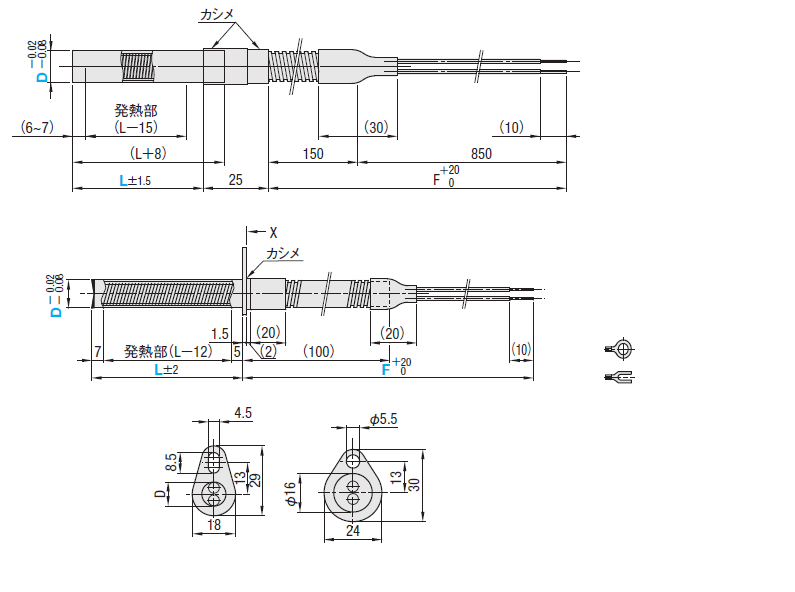
・フレキシブルホース部の最小曲げRは、内R25を目安にご使用ください。
MCHH(フランジ無し)[ ! ]D=9.42,12.6の場合、外径公差は+0.05~0になります。 MCHHA(フランジA形状)[ ! ]最高使用温度:600℃
[ ! ]最高使用温度はシース部の温度です。リード線の耐熱温度に注意し、リード線は必ず取付穴から出すようにしてください。
■フレキシブルホース均熱タイプ

MCHHCA・MCHHCB(フランジ無し)
[ ! ]D=9.42,12.6の場合、外径公差は+0.05~0になります。 MCHHACA・MCHHACB(フランジA形状)| ℓ1 | ℓ2 | ℓ3 | ||
| 長さ比率 | 1 | 1 | 1 | |
| 巻数比* | A | 1.1 | 1 | 1.1 |
| B | 1.3 | 1 | 1.3 | |
[ ! ]最高使用温度:600℃
[ ! ]最高使用温度はシース部の温度です。リード線の耐熱温度に注意し、リード線は必ず取付穴から出すようにしてください。
| 型式 | − | L | − | V | − | W | − | Fリード線 | 端子 | |||
| リード線種類 | 長さ | − | ||||||||||
| MCHH12 | − | 250 | − | V200 | − | W1200 | ||||||
| MCHHA10 | − | 200 | − | V100 | − | W500 | − | T | 1000 | − | M | |
| 型式 | − | L | − | V | − | W | − | Fリード線 | 端子 | |||
| リード線種類 | 長さ | − | ||||||||||
| MCHHACA10 | − | 200 | − | V100 | − | W500 | − | T | 1000 | − | M | |
| 型式 | L 指定1mm単位 | V(電圧) 選択 | W(電力) 指定10W単位 | F(リード線長) | 電力密度 (W/cm2) | ¥基準単価 | ||||||
| Type | D | L50〜100 | L101〜200 | L201〜300 | L301〜400 | L401〜500 | L501〜600 | |||||
| MCHH | 8 | 50〜400 | 100 | 50〜600 | 1000 | 2≦W/cm2≦15 [ ! ]W/cm2= W/{Dπ(L−15)/100} (全長ではなく、 発熱部の電力密度で 計算してください) | 9,880 | 10,770 | 12,370 | 13,940 | - | - |
| 110 | 50〜600 | |||||||||||
| 200 | 50〜1200 | |||||||||||
| 220 | 70〜1200 | |||||||||||
| 9.42 (3/8インチ) | 100 | 50〜600 | 10,110 | 11,570 | 12,920 | 14,400 | - | - | ||||
| 110 | 50〜600 | |||||||||||
| 200 | 50〜1200 | |||||||||||
| 220 | 70〜1200 | |||||||||||
| 10 | 50〜600 | 100 | 50〜600 | 10,020 | 10,840 | 12,780 | 14,050 | 14,840 | 15,860 | |||
| 110 | 50〜600 | |||||||||||
| 200 | 50〜1200 | |||||||||||
| 220 | 70〜1200 | |||||||||||
| 12 | 100 | 50〜800 | 10,250 | 10,860 | 13,320 | 14,120 | 15,150 | 16,160 | ||||
| 110 | 50〜800 | |||||||||||
| 200 | 50〜1600 | |||||||||||
| 220 | 70〜1600 | |||||||||||
| 12.6 (1/2インチ) | 100 | 50〜800 | 11,130 | 12,580 | 14,470 | 14,950 | 16,880 | 18,250 | ||||
| 110 | 50〜800 | |||||||||||
| 200 | 50〜1600 | |||||||||||
| 220 | 70〜1600 | |||||||||||
| 型式 | L 指定1mm単位 | V(電圧) 選択 | W(電力) 指定10W単位 | F(リード線) | 電力密度 (W/cm2) | ¥ヒ−タ本体価格 基準単価 | |||
| Type | 巻線比 | D | L150〜200 | L201〜300 | |||||
| MCHHC | A (1.1:1:1.1) B (1.3:1:1.3) | 8 | 150〜300 | 100 110 | 70〜500 | 250~1000 | 2≦W/cm2≦15 [ ! ]W/cm2= W/{Dπ(L−15)/100} (全長ではなく、 発熱部の電力密度で 計算してください) | 11,870 | 13,610 |
| 200 220 | 120〜600 | ||||||||
| 9.42 (3/8インチ) | 100 110 | 70〜600 | 12,730 | 14,210 | |||||
| 200 220 | 70〜1000 | ||||||||
| 10 | 100 110 | 70〜600 | 11,930 | 14,060 | |||||
| 200 220 | 70〜1000 | ||||||||
| 12 | 100 110 | 110〜600 | 11,950 | 14,660 | |||||
| 200 220 | 110〜1200 | ||||||||
| 12.6 (1/2インチ) | 100 110 | 110〜600 | 13,840 | 15,930 | |||||
| 200 220 | 110〜1200 | ||||||||
| 型式 | L 指定1mm単位 | V(電圧) 選択 | W(電力) 指定10W単位 | F(リード線) | 端子 選択 | 電力密度 (W/cm2) | ¥ヒ−タ本体価格 基準単価 | ¥リード線追加価格(本体+) | ¥端子追加価格 (本体+) | ||||||||||||
| リード線長さ100〜1000mm | リード線長さ2000mm以上/m単価 | ||||||||||||||||||||
| Type | D | リード線種類 | リード線長さ | L50〜100 | L101〜200 | L201〜300 | L301〜400 | S | T | R | S | T | R | N | M | Y | |||||
| MCHHA | 6 | 50〜400 | 100 110 | 50〜500 | S T R | 100〜1000 (指定10mm単位) 2000 3000 4000 5000 (固定寸) ※公差0~+50 | N M Y | 2≦W/cm2≦15 [ ! ]W/cm2= W/{Dπ(L−12)/100} (全長ではなく、 発熱部の電力密度で 計算してください) | 8,980 | 10,120 | 10,940 | 11,990 | 0 | 800 | 600 | 1,200 | 1,900 | 1,500 | 0 | 300 | 300 |
| 200 220 | 100〜600 | ||||||||||||||||||||
| 8 | 100 110 | 50〜500 | 9,190 | 10,330 | 11,150 | 12,200 | |||||||||||||||
| 200 220 | 50〜1100 | ||||||||||||||||||||
| 10 | 100 110 | 50〜600 | 9,600 | 10,580 | 11,320 | 12,270 | |||||||||||||||
| 200 220 | 50〜1600 | ||||||||||||||||||||
| 12 | 100 110 | 50〜900 | 9,860 | 11,240 | 11,730 | 12,520 | |||||||||||||||
| 200 220 | 50〜1800 | ||||||||||||||||||||
| 14 | 100 110 | 50〜900 | 10,140 | 11,730 | 12,770 | 14,060 | |||||||||||||||
| 200 220 | 50〜1800 | ||||||||||||||||||||
| MCHHC | 16 | 100 110 | 50〜1000 | 10,420 | 12,220 | 13,810 | 15,590 | ||||||||||||||
| 200 220 | 50〜2000 | ||||||||||||||||||||
| 型式 | L 指定1mm 単位 | V(電圧) 選択 | W(電力) 指定10W 単位 | F(リード線) | 端子 選択 | 電力密度 (W/cm2) | ¥ヒ−タ本体価格 基準単価 | ¥リード線追加価格(本体+) | ¥端子追加価格 (本体+) | |||||||||||
| リード線長さ100〜1000mm | リード線長さ2000mm以上/m単価 | |||||||||||||||||||
| Type | 巻線比 | D | リード線種類 | リード線長さ | L150〜200 | L201〜300 | S | T | R | S | T | R | N | M | Y | |||||
| MCHHAC | A (1.1:1:1.1) B (1.3:1:1.3) | 6 | 150〜250 | 100 110 | 70〜500 | S T R | 100〜1000 (指定10mm単位) 2000 3000 4000 5000 (固定寸) ※公差0~+50 | N M Y | 2≦W/c㎡≦15 [ ! ]W/c㎡=W/ {Dπ(L−12)/100} (全長ではなく、発熱部の電力密度で計算してください) | 11,640 | 12,590 | 0 | 800 | 600 | 1,200 | 1,900 | 1,500 | 0 | 300 | 300 |
| 200 220 | 120〜600 | |||||||||||||||||||
| 8 | 150〜300 | 100 110 | 70〜600 | 11,890 | 12,830 | |||||||||||||||
| 200 220 | 70〜1000 | |||||||||||||||||||
| 10 | 100 110 | 70〜600 | 12,180 | 13,020 | ||||||||||||||||
| 200 220 | 70〜1000 | |||||||||||||||||||
| 12 | 100 110 | 110〜600 | 12,930 | 13,490 | ||||||||||||||||
| 200 220 | 110〜1200 | |||||||||||||||||||
| 14 | 100 110 | 130〜800 | 13,490 | 14,690 | ||||||||||||||||
| 200 220 | 130〜1600 | |||||||||||||||||||
| MCHHCC | 16 | 100 110 | 130〜800 | 14,060 | 15,890 | |||||||||||||||
| 200 220 | 130〜1600 | |||||||||||||||||||
| 記号 | リード線種類 | 耐熱温度 | 特長 |
| S | ガラス編組+シリコンゴム+ニッケル線 | 180℃ | 一般用 |
| T | ふっ素樹脂+ニッケルメッキ軟銅線 | 260℃ | 耐薬品、耐水、耐候用 |
| R | ふっ素樹脂絶縁電線+ニッケルメッキ軟銅線 | 200℃ | 耐薬品、耐水、耐候用 |
| 記号 | 端子種類 | ねじ呼び |
| N | 圧着端子無し | − |
| M | 圧着端子 -丸型- | M4 |
| Y | 圧着端子 -Y型- | M4 |
| D | R |
| 8 | 27.5 |
| 9.42 | 37.5 |
| 10 | 37.5 |
| 12 | 37.5 |
| 12.6 | 37.5 |
| D | R |
| 6 | 23 |
| 8 | 25 |
| 10 | 25 |
| 12 | 27 |
| 14 | 27 |
| 16 | 27 |
| D | R |
| 8 | 25 |
| 9.42 | 25 |
| 10 | 25 |
| 12 | 27 |
| 12.6 | 27 |
| D | R |
| 6 | 23 |
| 8 | 25 |
| 10 | 25 |
| 12 | 27 |
| 14 | 27 |
| 16 | 27 |
※フレキシブルホースは耐水性ではありません。水がかからないようにご使用ください。
※カートリッジヒータを水中で使用することは出来ません。
・カートリッジヒータが取付穴から抜けないようにする際は、下記のように固定してください。
①ビスでシースを固定する(シース非発熱部の中心に設置することを推奨)
②アングル等にリード線を固定する

■定格電圧(V)以外での使用
定格電圧でのご使用を推奨致します。
定格電圧以上で使用した場合、異常加熱により出火、故障、破損等が起こるため絶対に避けてください。
定格電圧以下で使用した場合、出力が低下し性能の確保ができない為、非推奨となります。
■カードリッジヒータの寿命
使用環境によって寿命は変わるため明確な基準等はありません。
カートリッジヒータが使用不可となる理由は基本的に下記2点が挙げられます。
| 原因 | ①ニクロム線またはリード線が断線 | ②シース(保護管)がダメージを受け、穴・亀裂・浸水が発生 | ||||||
|---|---|---|---|---|---|---|---|---|
| 例 | ・リード線への繰り返しの曲げなどによる外力の影響。 | ・化学的・物理的に穴が開き、異常加熱で断線。 | ||||||
| ・定格電流値以上の電流を加えた場合。 | ・シース内部に水や結露などの電流を通す液体が浸入し漏電・感電が発生。 | |||||||
| ・使用温度上限で使用し、内部ニクロム線が細くなった場合。 | ||||||||
※ヒータ部分が断線した場合、修復はできません。 危険ですので再利用を試みるのはお避け下さい。
※またカートリッジヒータにとっての悪条件を避けられない場合は、お客様の環境での故障頻度を記録し、交換手順に追記いただき交換運用をせざるを得ないことがあります。
■リード線を曲げる場合
・極端に曲げての使用(折り曲げる等)でなければ可能です。
リード線やターミナルピンを何度も屈曲させると折れる可能性があります。
リード線を根本で曲げる場合は下記商品をご選定ください。
| 耐屈曲タイプ | L型タイプ |
|---|---|
■リード線を延長/短縮する場合
下記の通り対応可能です。
・延長する場合
リード線の延長は一般的なリード線で問題ありませんが、延長する電線は「同じ種類/同じ長さ」として下さい。
また、高温にさらされる環境では耐熱電線を推奨致します。
・短縮する場合
短縮する場合はお客様任意の位置でカット可能です。
スリーブ内に導線が格納されており、被膜を剥いで端子を取付けご使用ください。
■その他注意点
| 商品名 | 熱伝導用グリス | 焼付防止剤 | ホットプレート タップ付 | カートリッジヒータ取付ボルト |
|---|---|---|---|---|
| 画像 | ||||
| 特徴 | 金属プレートに効率良く熱を伝導 | すき間に充填し、焼付による固着を防止 | ヒータ挿入用の穴とセンサ穴が開いたプレート | カートリッジヒータの取り付けに最適な専用取付ボルト |
■ヒータの種類と特長
//jp.misumi-ec.com/tech-info/categories/technical_data/td06/x0122.html
■カートリッジヒータ 概要
//jp.misumi-ec.com/tech-info/categories/machine_design/md05/a0035.html
■規格外品サービスのご案内
・規格外品サービスより特注お見積り承ります。
【図面品、ミスミFAカタログ規格外品の特注見積もり】
https://meviy.misumi-ec.com/fa/2d/
※回答までに土日・祝日含まず2~7日営業日をいただいております。
製作可否からのお見積りになりますので、予めご了承いただければ幸いです。
| 型番 |
|---|
通常単価(税別)
(税込単価) | 通常出荷日 |
|---|
- ( - ) | 8日目 |
- ( - ) | 8日目 |
- ( - ) | 8日目 |
- ( - ) | 8日目 |
- ( - ) | 8日目 |
- ( - ) | 9日目 |
- ( - ) | 9日目 |
- ( - ) | 9日目 |
- ( - ) | 9日目 |
- ( - ) | 9日目 |
- ( - ) | 9日目 |
- ( - ) | 9日目 |
- ( - ) | 9日目 |
- ( - ) | 9日目 |
- ( - ) | 9日目 |
- ( - ) | 9日目 |
- ( - ) | 9日目 |
- ( - ) | 9日目 |
- ( - ) | 9日目 |
- ( - ) | 9日目 |
- ( - ) | 9日目 |
- ( - ) | 9日目 |
- ( - ) | 9日目 |
- ( - ) | 9日目 |
- ( - ) | 9日目 |
- ( - ) | 9日目 |
- ( - ) | 9日目 |
- ( - ) | 9日目 |
- ( - ) | 9日目 |
- ( - ) | 9日目 |
- ( - ) | 9日目 |
- ( - ) | 9日目 |
- ( - ) | 9日目 |
- ( - ) | 9日目 |
- ( - ) | 9日目 |
- ( - ) | 9日目 |
- ( - ) | 9日目 |
- ( - ) | 9日目 |
- ( - ) | 9日目 |
- ( - ) | 9日目 |
- ( - ) | 9日目 |
- ( - ) | 9日目 |
- ( - ) | 9日目 |
- ( - ) | 9日目 |
- ( - ) | 9日目 |
- ( - ) | 9日目 |
- ( - ) | 9日目 |
- ( - ) | 9日目 |
- ( - ) | 9日目 |
- ( - ) | 9日目 |
- ( - ) | 9日目 |
- ( - ) | 9日目 |
- ( - ) | 9日目 |
- ( - ) | 9日目 |
- ( - ) | 9日目 |
- ( - ) | 9日目 |
- ( - ) | 9日目 |
- ( - ) | 9日目 |
- ( - ) | 9日目 |
- ( - ) | 9日目 |
・フレキシブルホース部の最小曲げRは、内R25を目安にご使用ください。
| ◦MCHH | 数量区分 | 標準対応 | 個別対応 | ||
| 小口 | 大口 | ||||
| 数 量 | 1〜10 | 11〜15 | 16〜20 | 21~ | |
| 値引率 | 基準単価 | 10% | 20% | お見積り | |
| ◦MCHHA ◦MCHHC | 数量区分 | 標準対応 | 個別対応 | ||
| 小口 | 大口 | ||||
| 数 量 | 1〜10 | 11〜15 | 16〜20 | 21~ | |
| 値引率 | 基準単価 | 5% | 10% | お見積り | |
| ◦MCHHC | 数量区分 | 標準対応 | 個別対応 | ||
| 小口 | 大口 | ||||
| 数 量 | 1〜10 | 11〜15 | 16〜20 | 21~ | |
| 値引率 | 基準単価 | 10% | 20% | お見積り | |
| ◦MCHHAC ◦MCHHCC | 数量区分 | 標準対応 | 個別対応 | ||
| 小口 | 大口 | ||||
| 数 量 | 1〜10 | 11〜15 | 16〜20 | 21~ | |
| 値引率 | 基準単価 | 5% | 10% | お見積り | |



通常価格、通常出荷日が表示と異なる場合がございます
通常価格、通常出荷日が表示と異なる場合がございます

ミスミ
カートリッジヒータ 固定タイプ
3.9通常価格(税別):2,260円~

ミスミ
カートリッジヒータ-L寸・W数・フランジ選択-
4.2
ミスミ
カートリッジヒータ 高温インチタイプ/ミリタイプ
4.7通常価格(税別):4,850円~

ミスミ
カートリッジヒータ-L寸・W数・フランジ選択・リード線保護カバー付-
4.3
ミスミ
熱伝導用グリス
4通常価格(税別):3,280円

ミスミ
カートリッジヒータ L型タイプ(均熱、断線防止)Φ6~Φ16
4
ミスミ
カートリッジヒータ -出力指定タイプ-
4.7通常価格(税別):3,470円~

ミスミ
カートリッジヒータ 温度センサ一体型タイプ Φ8~15.77(ストレート/L型)
5
ミスミ
カートリッジヒータ -抜け止めフランジ付-
4.7通常価格(税別):4,790円~