メカニカル部品技術窓口
ミスミ品のみ対象
900℃の高温にも耐えられる堅牢設計かつ、シース長さ・電力など自由にご選定いただけます。

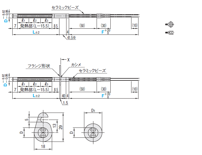
端子選択 N(圧着端子無し) M(丸型圧着端子付) Y(Y型圧着端子付) MCHLHCA・MCHLHCB(フランジ無し) MCHLHBCA・MCHLHBCB(フランジB形状)| D | C形状 |
| D1 | |
| 6 | 14 |
| 8 | |
| 10 | 16 |
| 12 | 18 |
| 14 |
| ℓ1 | ℓ2 | ℓ3 | ||
| 長さ比率 | 1 | 1 | 1 | |
| 巻数比* | A | 1.1 | 1 | 1.1 |
| B | 1.3 | 1 | 1.3 | |
*ニクロム線の巻数の比率
[ ! ]発熱部の長さが3の倍数にならない
場合、長さの比率は調整の上、
1:1:1に近似させて製作します。
| 型式 | − | L | − | V | − | W | − | Fリード線 | 端子 | |||
| リード線種類 | 長さ | − | ||||||||||
| MCHLHB8 | − | 150 | − | V200 | − | W250 | − | M | 1000 | − | M | |
| 型式 | L 指定1mm単位 | V(電圧) 選択 | W(電力) 指定10W単位 | F(リード線) | 端子 選択 | 電力密度 (W/cm2) | ||
| Type | D | リード線種類 | リード線長さ | |||||
| MCHLH MCHLHB MCHLHC | 6 | 50〜200 | 100 110 200 220 | 50〜500 | H M | 300〜1000 (指定10mm単位) 2000 3000 4000 5000 (固定寸) ※公差0~+50 | N M Y | 2≦W/cm2≦10 [ ! ]W/cm2=W/{D x π x (L-15.5)/100} (全長ではなく、発熱部の電力密度で計算してください) |
| 8 | 100 110 200 220 | 50〜500 | ||||||
| 10 | 100 110 200 220 | 50〜600 | ||||||
| 12 | 50〜300 | 100 110 | 50〜900 | |||||
| 200 220 | 50〜1100 | |||||||
| 14 | 100 110 | 50〜900 | ||||||
| 200 220 | 50〜1100 | |||||||
| 型式 | L 指定1mm単位 | V(電圧) 選択 | W(電力) 指定10W単位 | F(リード線) | 端子 選択 | 電力密度 (W/cm2) | |||
| Type | 巻数比 | D | リード線種類 | リード線長さ | |||||
| MCHLHC MCHLHBC MCHLHCC | A (1.1:1:1.1) B (1.3:1:1.3) | 6 | 150〜200 | 100 110 | 70〜500 | H M | 300〜1000 (指定10mm単位) 2000 3000 4000 5000 (固定寸) ※公差0~+50 | N M Y | 2≦W/cm2≦10 [ ! ]W/cm2=W/{D x π x (L-15.5)/100} (全長ではなく、発熱部の電力密度で計算してください) |
| 200 220 | 120〜500 | ||||||||
| 8 | 100 110 | 70〜500 | |||||||
| 200 220 | |||||||||
| 10 | 100 110 | 90〜600 | |||||||
| 200 220 | |||||||||
| 12 | 150〜300 | 100 110 | 110〜600 | ||||||
| 200 220 | 110〜1100 | ||||||||
| 14 | 100 110 | 130〜600 | |||||||
| 200 220 | 130〜1100 | ||||||||
| 記号 | リード線種類 | 耐熱温度 | 特長 |
| H | ニッケル導体ポリイミドテープ巻きガラス編組電線 | 180℃ | 耐薬品、耐水用 |
| M | マイカポリイミド 巻シリカニッケル覆銅線 | 400℃ | 高耐熱用 |
| 記号 | 端子種類 | ねじ呼び |
| N | 圧着端子無し | − |
| M | 圧着端子 -丸型- | M4 |
| Y | 圧着端子 -Y型- | M4 |
・カートリッジヒータが取付穴から抜けないようにする際は、下記のように固定してください。
①ビスでシースを固定する(シース非発熱部の中心に設置することを推奨)
②アングル等にリード線を固定する

・セラミックビーズ部は非常に割れやすいため、下記の曲げ寸法を必ず守ってください。
また、強い衝撃が加わらない様にしてください。

| D | R | A |
| 8 | 12 | 20 |
| 10 | ||
| 12 | 18 | 25 |
■定格電圧(V)以外での使用
定格電圧でのご使用を推奨致します。
定格電圧以上で使用した場合、異常加熱により出火、故障、破損等が起こるため絶対に避けてください。
定格電圧以下で使用した場合、出力が低下し性能の確保ができない為、非推奨となります。
■カードリッジヒータの寿命
使用環境によって寿命は変わるため明確な基準等はありません。
カートリッジヒータが使用不可となる理由は基本的に下記2点が挙げられます。
| 原因 | ①ニクロム線またはリード線が断線 | ②シース(保護管)がダメージを受け、穴・亀裂・浸水が発生 | ||||||
|---|---|---|---|---|---|---|---|---|
| 例 | ・リード線への繰り返しの曲げなどによる外力の影響。 | ・化学的・物理的に穴が開き、異常加熱で断線。 | ||||||
| ・定格電流値以上の電流を加えた場合。 | ・シース内部に水や結露などの電流を通す液体が浸入し漏電・感電が発生。 | |||||||
| ・使用温度上限で使用し、内部ニクロム線が細くなった場合。 | ||||||||
※ヒータ部分が断線した場合、修復はできません。 危険ですので再利用を試みるのはお避け下さい。
※またカートリッジヒータにとっての悪条件を避けられない場合は、お客様の環境での故障頻度を記録し、交換手順に追記いただき交換運用をせざるを得ないことがあります。
■リード線を延長/短縮する場合
下記の通り対応可能です。
・延長する場合
リード線の延長は一般的なリード線で問題ありませんが、延長する電線は「同じ種類/同じ長さ」として下さい。
また、高温にさらされる環境では耐熱電線を推奨致します。
・短縮する場合
短縮する場合はお客様任意の位置でカット可能です。
スリーブ内に導線が格納されており、被膜を剥いで端子を取り付けご使用ください。
■その他注意点
| 商品名 | 熱伝導用グリス | 焼付防止剤 | ホットプレート タップ付 | カートリッジヒータ取付ボルト |
|---|---|---|---|---|
| 画像 | ||||
| 特徴 | 金属プレートに効率良く熱を伝導 | すき間に充填し、焼付による固着を防止 | ヒータ挿入用の穴とセンサ穴が開いたプレート | カートリッジヒータの取り付けに最適な専用取付ボルト |
■ヒータの種類と特長
//jp.misumi-ec.com/tech-info/categories/technical_data/td06/x0122.html
■カートリッジヒータ 概要
//jp.misumi-ec.com/tech-info/categories/machine_design/md05/a0035.html
■規格外品サービスのご案内
・規格外品サービスより特注お見積り承ります。
【図面品、ミスミFAカタログ規格外品の特注見積もり】
https://meviy.misumi-ec.com/fa/2d/
※回答までに土日・祝日含まず2~7日営業日をいただいております。
製作可否からのお見積りになりますので、予めご了承いただければ幸いです。
| 型番 |
|---|
通常単価(税別)
(税込単価) | 通常出荷日 |
|---|
- ( - ) | 9日目 |
- ( - ) | 9日目 |
- ( - ) | 9日目 |
- ( - ) | 9日目 |
- ( - ) | 9日目 |
- ( - ) | 9日目 |
- ( - ) | 9日目 |
- ( - ) | 9日目 |
- ( - ) | 9日目 |
- ( - ) | 9日目 |
- ( - ) | 9日目 |
- ( - ) | 9日目 |
- ( - ) | 9日目 |
- ( - ) | 9日目 |
- ( - ) | 9日目 |
- ( - ) | 9日目 |
- ( - ) | 9日目 |
- ( - ) | 9日目 |
- ( - ) | 9日目 |
- ( - ) | 9日目 |
- ( - ) | 9日目 |
- ( - ) | 9日目 |
- ( - ) | 9日目 |
- ( - ) | 9日目 |
- ( - ) | 9日目 |
- ( - ) | 9日目 |
- ( - ) | 9日目 |
- ( - ) | 9日目 |
- ( - ) | 9日目 |
- ( - ) | 9日目 |
- ( - ) | 9日目 |
- ( - ) | 9日目 |
- ( - ) | 9日目 |
- ( - ) | 9日目 |
- ( - ) | 9日目 |
- ( - ) | 9日目 |
- ( - ) | 9日目 |
- ( - ) | 9日目 |
- ( - ) | 9日目 |
- ( - ) | 9日目 |
- ( - ) | 9日目 |
- ( - ) | 9日目 |
- ( - ) | 9日目 |
- ( - ) | 9日目 |
- ( - ) | 9日目 |
- ( - ) | 9日目 |
- ( - ) | 9日目 |
- ( - ) | 9日目 |
- ( - ) | 9日目 |
- ( - ) | 9日目 |
- ( - ) | 9日目 |
- ( - ) | 9日目 |
- ( - ) | 9日目 |
- ( - ) | 9日目 |
- ( - ) | 9日目 |
- ( - ) | 9日目 |
- ( - ) | 9日目 |
- ( - ) | 9日目 |
- ( - ) | 9日目 |
- ( - ) | 9日目 |
900℃の高温にも耐えられる堅牢設計かつ、シース長さ・電力など自由にご選定いただけます。
| D | ¥ヒータ本体価格 基準単価 | ¥リード線追加価格(本体+) | ¥リード線追加価格(本体+) | ¥端子追加価格(本体+) | |||||||||
| リード線長さ100〜1000mm | リード線長さ2000mm以上/m単価 | ||||||||||||
| MCHLH | MCHLHB・MCHLHC | H | M | H | M | N | M | Y | |||||
| L50〜100 | L101〜200 | L201〜300 | L50〜100 | L101〜200 | L201〜300 | ||||||||
| 6 | 11,850 | 13,950 | - | 12,530 | 14,630 | - | 0 | 1,300 | 1,500 | 2,200 | 0 | 300 | 300 |
| 8 | 11,850 | 13,950 | - | 12,530 | 14,630 | - | |||||||
| 10 | 12,600 | 14,400 | - | 13,270 | 15,080 | - | |||||||
| 12 | 13,050 | 14,790 | 20,700 | 13,720 | 15,470 | 20,780 | |||||||
| 14 | 13,050 | 14,790 | 20,700 | 13,720 | 15,470 | 20,780 | |||||||
| D | ¥ヒータ本体価格 基準単価 | ¥リード線追加価格(本体+) | ¥リード線追加価格(本体+) | ¥端子追加価格(本体+) | |||||||
| リード線長さ100〜1000mm | リード線長さ2000mm以上/m単価 | ||||||||||
| MCHLHC | MCHLHBC・MCHLHCC | H | M | H | M | N | M | Y | |||
| L150〜200 | L201〜300 | L150〜200 | L201〜300 | ||||||||
| 6 | 15,360 | - | 16,140 | - | 0 | 1,300 | 1,500 | 2,200 | 0 | 300 | 300 |
| 8 | 16,050 | - | 16,820 | - | |||||||
| 10 | 16,560 | - | 17,350 | - | |||||||
| 12 | 17,020 | 23,800 | 17,790 | 23,900 | |||||||
| 14 | 18,730 | 26,220 | 19,500 | 26,250 | |||||||
| 数量区分 | 標準対応 | 個別対応 | |
| 小口 | 大口 | ||
| 数 量 | 1〜4 | 5〜10 | 11~ |
| 値引率 | 基準単価 | 5% | お見積り |

| D | R | A |
| 6 | 12 | 20 |
| 8 | ||
| 10 | ||
| 12 | 18 | 25 |
| 14 |
通常価格、通常出荷日が表示と異なる場合がございます

ミスミ
カートリッジヒータ 固定タイプ
3.9通常価格(税別):2,260円~

ミスミ
カートリッジヒータ 高温インチタイプ/ミリタイプ
4.7通常価格(税別):4,850円~

ミスミ
カートリッジヒータ-L寸・W数・フランジ選択-
4.2
ミスミ
カートリッジヒータ-L寸・W数・フランジ選択・リード線保護カバー付-
4.3
ミスミ
カートリッジヒータ 耐屈曲固定寸タイプ/指定寸タイプ Φ8~Φ18.95
4.3通常価格(税別):3,880円~

ミスミ
カートリッジヒータ L型タイプ(均熱、断線防止)Φ6~Φ16
4
ミスミ
カートリッジヒータ根元強化タイプ -L寸・W数・フランジ選択-
3
ミスミ
カートリッジヒータ 指定・リード線選択タイプ
5
ミスミ
カートリッジヒータL型タイプ -L寸・W数・フランジ選択-
4.5