メカニカル部品技術窓口
ミスミ品のみ対象
高精度・高剛性で低価格を実現。送りねじ仕様でさらにお安くご購入いただけます。<手動ステージ総合情報ペー...
詳細を確認| ■マイクロメータヘッド XYSG(25≦A≦100) XYSGB(25≦A≦80:低温黒色クロムメッキ) | ■送りねじ(リード0.5) XYSCG(25≦A≦100) XYSCGB(25≦A≦80:低温黒色クロムメッキ) | |
![]() | ![]() |


| Type | 本体 | ボール | バネ | マイクロメータヘッドブラケット | 先端受け部品 | マイクロメーターヘッド | 送りねじ | 使用温度 | |||||
| [ M ]材質 | [ S ]表面処理 | [ M ]材質 | [ H ]硬度 | [ M ]材質 | [ M ]材質 | [ S ]表面処理 | [ M ]材質 | [ S ]表面処理 | |||||
| XYSG | (マイクロ) | SUS440C | 無電解 ニッケルメッキ | SUS440C | 58HRC〜 | SUS304WPB | A5052 | 白アルマイト | SUS303 | − | スピンドル:SKS 取手:SUM ナット・ねじ:低カドミ真鍮 | − | 10~50℃ |
| XYSCG | (送りねじ) | − | ねじ:SUS303 ナット:低カドミ真鍮 | ||||||||||
| XYSGB | (マイクロ 低温黒色クロムメッキ) | 低温黒色 クロムメッキ | 黒アルマイト | 低温黒色 クロムメッキ | スピンドル:SKS 取手:SUM ナット・ねじ:低カドミ真鍮 | − | |||||||
| XYSCGB | (送りねじ 低温黒色クロムメッキ) | − | ねじ:SUS303 ナット:低カドミ真鍮 | ||||||||||
| 型式 |
| XYSG40 XYSCGB60 |
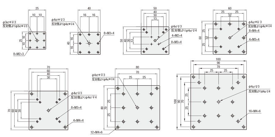
| 型式 | 上面図 | 正面図 | 側面図 | 付属品(4本) | |||||||||||||||||
| Type | A | (B) | 移動量 (mm) | E | F | J | K | D | G | R | T | T1 | P | Q | L | X | d1 | d2 | ℓ | Type M−L | |
| マイクロメータ | 送りねじ | ||||||||||||||||||||
| XYSG XYSCG XYSGB (*のみ)XYSCGB (*のみ) | 25* | 25 | 11 | ±3.2 | 7 | 9 | 6.8 | 15 | 9.3 | 7 | 20.5 | 24 | 3.7 | 6 | 8.5 | 19 | 20 | 2.5 | 4.2 | 2.5 | SCB2−4 |
| 40* | 23.5 | 20 | ±6.5 | 12 | 18.5 | 11.3 | 26 | 13 | 8.9 | 26.5 | 32 | 4.5 | 10 | 10.5 | 24.9 | 32 | 3.5 | 6 | 3.5 | SCB3−6 | |
| 50 | 18.5 | 15 | 31 | 40 | 6 | 3.5 | SCB3−6 | ||||||||||||||
| 60* | 14 | 10.3 | 36 | 5 | 50 | 4.5 | 8 | 4 | SCB4−6 | ||||||||||||
| 70 | 14.5 | 10.8 | 46.5 | 10 | 29.5 | 36 | 6 | 11.5 | 28 | 60 | 8 | 4.5 | SCB4−6 | ||||||||
| 80* | 43.5 | 10 | ±12.5*2 | 17 | 22*3 | 55 | 18 | 10.8 | 34.5 | 40 | 6.5 | 14.5 | 30.8 | 70 | 8 | 5.3 | SCB4−6 | ||||
| 100 | 28.5 | −5*1 | 67.5 | 90 | 8 | 5.3 | SCB4−6 | ||||||||||||||
| 型式 | ステージ面 (mm) | 水平耐荷重(N)* | 移動精度 | 許容モーメント荷重(N・m) | モーメント剛性(″/N・cm) | 平行度 | 自重 (kg) | ¥基準単価 | |||||||||||
| Type | A | 真直度 | 運動の平行度 | ピッチング | ヨーイング | ピッチング | ヨーイング | ローリング | ピッチング | ヨーイング | ローリング | XYSG | XYSCG | XYSGB | XYSCGB | ||||
| XYSG XYSCG XYSGB (*のみ) XYSCGB (*のみ) | 25* | 25×25 | 38.2(49) | 3μm | 10μm | 30″ | 25″ | 2.0 | 2.0 | 2.0 | 3.00 | 2.20 | 3.00 | 30μm | 0.14 | 32,540 | 28,600 | 38,720 | 34,500 |
| 40* | 40×40 | 95.1(196) | 1μm *4 | 12μm | 25″ | 15″ | 5.0 | 5.0 | 5.0 | 0.63 | 0.70 | 0.63 | 0.46 | 33,600 | 30,800 | 41,800 | 36,800 | ||
| 50 | 50×50 | 144.1(269.5) | 6.0 | 6.8 | 6.0 | 0.24 | 0.28 | 0.24 | 0.56 | 34,640 | 33,000 | − | − | ||||||
| 60* | 60×60 | 192.1(343) | 9.0 | 10.0 | 9.0 | 0.13 | 0.16 | 0.13 | 0.80 | 35,700 | 33,000 | 44,000 | 39,100 | ||||||
| 70 | 70×70 | 219.5(416.5) | 12.9 | 13.8 | 12.9 | 0.09 | 0.10 | 0.09 | 1.16 | 39,900 | 39,140 | − | − | ||||||
| 80* | 80×80 | 255.8(490) | 3μm | 15μm | 17.7 | 18.2 | 17.7 | 0.06 | 0.08 | 0.06 | 40μm | 1.80 | 44,100 | 42,000 | 55,000 | 50,600 | |||
| 100 | 100×100 | 329.6(588) | 30.7 | 31.8 | 30.7 | 0.03 | 0.04 | 0.03 | 2.66 | 51,440 | 50,400 | − | − | ||||||
| 型式 | 移動量 (㎜) | |
| Type | A | |
| XYSG XYSCG XYSGB (*のみ) XYSCGB (*のみ) | 25* | ±3.2 |
| 40* | ±6.5 | |
| 50 | ||
| 60* | ||
| 70 | ||
| 80* | ±12.5 | |
| 100 | ||

| 型式 | 水平耐荷重(N) | |
| Type | A | |
| XYSG XYSCG XYSGB (*のみ) XYSCGB (*のみ) | 25* | 38.2(49) |
| 40* | 95.1(196) | |
| 50 | 144.1(269.5) | |
| 60* | 192.1(343) | |
| 70 | 219.5(416.5) | |
| 80* | 255.8(490) | |
| 100 | 329.6(588) | |
| 型式 | 移動精度 | 平行度 | ||||
| Type | A | 真直度 | 運動の平行度 | ピッチング | ヨーイング | |
| XYSG XYSCG XYSGB (*のみ) XYSCGB (*のみ) | 25* | 3μm | 10μm | 30″ | 25″ | 30μm |
| 40* | 1μm [!] | 12μm | 25″ | 15″ | ||
| 50 | ||||||
| 60* | ||||||
| 70 | ||||||
| 80* | 3μm | 15μm | 40μm | |||
| 100 | ||||||



| 型式 | 許容モーメント荷重(N・m) | モーメント剛性(″/N・cm) | |||||
| Type | A | ピッチング | ヨーイング | ローリング | ピッチング | ヨーイング | ローリング |
| XYSG XYSCG XYSGB (*のみ) XYSCGB (*のみ) | 25* | 2.0 | 2.0 | 2.0 | 3.00 | 2.20 | 3.00 |
| 40* | 5.0 | 5.0 | 5.0 | 0.63 | 0.70 | 0.63 | |
| 50 | 6.0 | 6.8 | 6.0 | 0.24 | 0.28 | 0.24 | |
| 60* | 9.0 | 10.0 | 9.0 | 0.13 | 0.16 | 0.13 | |
| 70 | 12.9 | 13.8 | 12.9 | 0.09 | 0.10 | 0.09 | |
| 80* | 17.7 | 18.2 | 17.7 | 0.06 | 0.08 | 0.06 | |
| 100 | 30.7 | 31.8 | 30.7 | 0.03 | 0.04 | 0.03 | |

| ピッチング | 左右を軸にした回転(上下に傾く) |
| ヨーイング | 上下を軸にした回転(水平面内での回転) |
| ローリング | 前後を軸にした回転 |
| 型式 | − | (CR・A・H・P・MN) |
| XYSCG40 | − | A |
| 5 | 日目出荷 |
| Alterations | マイクロメータヘッド・送りねじ位置変更 | クランプ強化 | マイクロメータヘッド無 | |||||||||||||||||||||||
| Spec. | サイド左右勝手違い ![]() | センター ![]() | ディスククランプ
[ NG ]追加工Aとの併用不可。 ディスクを挟み込むことで、ステージ面に 負荷をかけないクランプ方式です。標準 クランプと比べ固定時の位置ずれを抑え ることが可能です。 | 対向クランプ
![]() [ ! ]XYSGのみ適用。 [ ! ]A=25のときは*の寸法です。 | マイクロメータヘッド無
[ ! ]マイクロメータヘッドとブラケットを外 [ ! ]バネが入っている為クランプをしめ込 | |||||||||||||||||||||
| Code | CR | A | H | P | MN | |||||||||||||||||||||
| ¥/1Code | 無料 | 無料 | 14,000 | 6,000 | −8,000 | |||||||||||||||||||||
| 商品名 | φ13用ハンドルカバー | ステージ用アクセサリ マイクロメータヘッド延長ハンドル |
| 写真 | ![]() | ![]() |
| 型番 |
|---|
通常単価(税別)
(税込単価) | 通常出荷日 |
価格が安い代替相当品
|
|---|
31,530円 ( 34,683円 ) | 19日目 |
- |
33,960円 ( 37,356円 ) | 19日目 |
- |
36,380円 ( 40,018円 ) | 19日目 |
- |
36,380円 ( 40,018円 ) | 19日目 |
- |
43,150円 ( 47,465円 ) | 19日目 |
- |
46,300円 ( 50,930円 ) | 19日目 |
- |
55,560円 ( 61,116円 ) | 19日目 |
- |
38,040円 ( 41,844円 ) | 19日目 |
- |
40,570円 ( 44,627円 ) | 19日目 |
- |
43,110円 ( 47,421円 ) | 19日目 |
- |
55,780円 ( 61,358円 ) | 19日目 |
- |
35,880円 ( 39,468円 ) | 在庫品1日目当日出荷可能 |
|
35,880円 ( 39,468円 ) | 19日目 |
|
35,880円 ( 39,468円 ) | 19日目 |
|
41,480円 ( 45,628円 ) | 19日目 |
|
26,620円 ( 29,282円 ) | 19日目 |
|
42,060円 ( 46,266円 ) | 19日目 |
|
37,040円 ( 40,744円 ) | 在庫品1日目当日出荷可能 |
|
37,040円 ( 40,744円 ) | 19日目 |
|
37,040円 ( 40,744円 ) | 19日目 |
|
52,040円 ( 57,244円 ) | 19日目 |
|
42,640円 ( 46,904円 ) | 19日目 |
|
53,050円 ( 58,355円 ) | 19日目 |
|
27,790円 ( 30,569円 ) | 19日目 |
|
42,640円 ( 46,904円 ) | 19日目 |
|
38,180円 ( 41,998円 ) | 在庫品1日目当日出荷可能 |
- |
38,180円 ( 41,998円 ) | 19日目 |
- |
38,180円 ( 41,998円 ) | 19日目 |
- |
53,180円 ( 58,498円 ) | 19日目 |
- |
43,790円 ( 48,169円 ) | 19日目 |
- |
54,190円 ( 59,609円 ) | 19日目 |
- |
28,930円 ( 31,823円 ) | 19日目 |
- |
43,790円 ( 48,169円 ) | 19日目 |
- |
39,360円 ( 43,296円 ) | 在庫品1日目当日出荷可能 |
|
39,360円 ( 43,296円 ) | 19日目 |
|
39,360円 ( 43,296円 ) | 19日目 |
|
54,360円 ( 59,796円 ) | 19日目 |
|
44,960円 ( 49,456円 ) | 19日目 |
|
55,370円 ( 60,907円 ) | 19日目 |
|
30,110円 ( 33,121円 ) | 19日目 |
|
44,960円 ( 49,456円 ) | 19日目 |
|
43,980円 ( 48,378円 ) | 在庫品1日目当日出荷可能 |
- |
43,980円 ( 48,378円 ) | 19日目 |
- |
43,980円 ( 48,378円 ) | 19日目 |
- |
58,980円 ( 64,878円 ) | 19日目 |
- |
49,590円 ( 54,549円 ) | 19日目 |
- |
75,430円 ( 82,973円 ) | 19日目 |
- |
34,730円 ( 38,203円 ) | 19日目 |
- |
49,590円 ( 54,549円 ) | 19日目 |
- |
48,620円 ( 53,482円 ) | 在庫品1日目当日出荷可能 |
|
48,620円 ( 53,482円 ) | 19日目 |
|
48,620円 ( 53,482円 ) | 19日目 |
|
64,630円 ( 71,093円 ) | 19日目 |
|
64,630円 ( 71,093円 ) | 19日目 |
|
38,790円 ( 42,669円 ) | 19日目 |
|
56,710円 ( 62,381円 ) | 19日目 |
|
42,690円 ( 46,959円 ) | 19日目 |
- |
46,090円 ( 50,699円 ) | 19日目 |
- |
48,510円 ( 53,361円 ) | 19日目 |
- |
60,630円 ( 66,693円 ) | 19日目 |
- |
高精度・高剛性で低価格を実現。送りねじ仕様でさらにお安くご購入いただけます。
<手動ステージ総合情報ページ>
手動ステージの専用ページをご用意しました。よくあるご質問も含めカタログに載せきれない情報なども多数掲載しています。
選定の際に気になることがございましたらこちらも併せてご確認ください。
https://jp.misumi-ec.com/special/xy_stages/New!!! FAカメラ位置調整 特設ページリリースのお知らせ『実験用』から『量産機』まで、幅広い用途で役立つ商品や事例をご紹介しています。
ダウンロード可能な3D CADや部品表を使って、設計時間の短縮にお役立てください。
| 型式 | ステージ面 (mm) | 水平耐荷重(N)* | 移動精度 | 許容モーメント荷重(N・m) | モーメント剛性(″/N・cm) | 平行度 | 自重 (kg) | ¥基準単価 | |||||||||||
| Type | A | 真直度 | 運動の平行度 | ピッチング | ヨーイング | ピッチング | ヨーイング | ローリング | ピッチング | ヨーイング | ローリング | XYSG | XYSCG | XYSGB | XYSCGB | ||||
| XYSG XYSCG XYSGB (*のみ)XYSCGB (*のみ) | 25* | 25×25 | 38.2(49) | 3μm | 10μm | 30″ | 25″ | 2.0 | 2.0 | 2.0 | 3.00 | 2.20 | 3.00 | 30μm | 0.14 | 32,540 | 28,600 | 38,720 | 34,500 |
| 40* | 40×40 | 95.1(196) | 1μm*4 | 12μm | 25″ | 15″ | 5.0 | 5.0 | 5.0 | 0.63 | 0.70 | 0.63 | 0.46 | 33,600 | 30,800 | 41,800 | 36,800 | ||
| 50 | 50×50 | 144.1(269.5) | 6.0 | 6.8 | 6.0 | 0.24 | 0.28 | 0.24 | 0.56 | 34,640 | 33,000 | − | − | ||||||
| 60* | 60×60 | 192.1(343) | 9.0 | 10.0 | 9.0 | 0.13 | 0.16 | 0.13 | 0.80 | 35,700 | 33,000 | 44,000 | 39,100 | ||||||
| 70 | 70×70 | 219.5(416.5) | 12.9 | 13.8 | 12.9 | 0.09 | 0.10 | 0.09 | 1.16 | 39,900 | 39,140 | − | − | ||||||
| 80* | 80×80 | 255.8(490) | 3μm | 15μm | 17.7 | 18.2 | 17.7 | 0.06 | 0.08 | 0.06 | 40μm | 1.80 | 44,100 | 42,000 | 55,000 | 50,600 | |||
| 100 | 100×100 | 329.6(588) | 30.7 | 31.8 | 30.7 | 0.03 | 0.04 | 0.03 | 2.66 | 51,440 | 50,400 | − | − | ||||||
| 数量 区分 | 標準対応 | 個別対応 | |
| 小口 | 大口 | ||
| 数 量 | 1~4 | 5~10 | 11~ |
| 値引率 | 基準単価 | 5% | 10% |
| 出荷日 | 通常 | お見積り | |



通常価格、通常出荷日が表示と異なる場合がございます
通常価格、通常出荷日が表示と異なる場合がございます

ミスミ
【エコノミーシリーズ】 RoHS対応 XY軸 アリ溝 正方形
4通常価格(税別):13,660円~

ミスミ
【高精度】XY軸 リニアボール マイクロメータヘッド/送りねじ
3通常価格(税別):26,620円~

ミスミ
【エコノミーシリーズ】 RoHS対応 XY軸 クロスローラ 薄型
4.3通常価格(税別):26,030円~

ミスミ
【エコノミーシリーズ】 RoHS対応 XY軸 クロスローラ
3通常価格(税別):20,790円~

中央精機
XY軸フィックスステージ(手動ステージ)
5通常価格(税別):24,884円~

ミスミ
【高精度】XY軸 リニアボール 薄型
4通常価格(税別):35,160円~

ミスミ
【高精度】XY軸 アリ溝 送りねじ式 正方形
4通常価格(税別):22,960円~

ミスミ
【高精度】XY軸 アリ溝 ラック&ピニオン式 長方形
0通常価格(税別):27,620円~

ミスミ
【高精度】XY軸 アリ溝 送りねじ式 正方形 強化クランプ
0通常価格(税別):34,420円~