メカニカル部品技術窓口
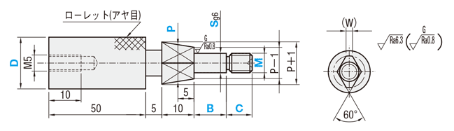
おねじ部でクランプし、テーパ部でワークを位置決めする際にご利用下さい。
[ ! ]1
[ ! ]2

| [ M ]材質 | [ H ]硬度 | Type |
| S45C相当 | − | KJPKDT |
| 45HRC〜 | KJPKDTH |
| 型式(TYPE・D) | − | P | − | S | − | M | − | B | − | C | ||||
| KJPKDT16 | − | P10.00 | − | S8 | − | M5 | − | B15 | − | C10 |
| P | (W) |
| 6.00〜 7.99 | 3.0 |
| 8.00〜 9.99 | 4.0 |
| 10.00〜14.99 | 4.5 |
| 15.00〜19.99 | 7.0 |
| 20.00〜23.00 | 9.5 |
| 型式 | P 指定0.01mm単位 | S(P−1≧S) 指定1mm単位 | M(並目) S≧M選択 | B 指定1mm単位 | C 指定1mm単位 | ¥基準単価 1〜19コ | |||||
| TYPE | D | KJPKDT | KJPKDTH | ||||||||
| (S45C相当) KJPKDT (S45C相当 焼入) KJPKDTH | 10 | 6.00〜10.00 | 5〜9 | 5〜40 | 5〜36 (C≦M×3) | 4,220 | 4,540 | ||||
| 12 | 6.00〜12.00 | 5〜11 | 3 | 4 | 5 | 4,490 | 4,810 | ||||
| 16 | 6.00〜14.00 | 5〜13 | 4,810 | 5,120 | |||||||
| 6 | 8 | 10 | 12 | ||||||||
| 20 | 7.00〜18.00 | 6〜17 | 5,230 | 5,540 | |||||||
| 25 | 7.00〜23.00 | 6〜22 | 5,540 | 5,860 | |||||||
| 型式 | − | P | − | S | − | M | − | B | − | C | − | (CH・KH・ZC…etc.) |
| KJPKDT16 KJPKDTH20 | − − | P10.00 P16.50 | − − | S8 S10 | − − | M5 M6 | − − | B15 B30 | − − | C10 C15 | − − | KH ZC30 |
| 5 | 日目出荷 |
| Alterations | Code | Spec. | ¥/1 Code | ||||||||||||||||
| 表面処理追加 (無電解ニッケルメッキ) | MN | 無電解ニッケルメッキを追加します。 [ ! ]材質S45C相当のみ適用 [ NG ]STCとの併用不可 | 300 | ||||||||||||||||
| 表面処理追加 (四三酸化鉄皮膜) | STC | 四三酸化鉄皮膜を追加します。 [ ! ]材質S45C相当のみ適用 [ NG ]MNとの併用不可 | 200 | ||||||||||||||||
指定文字刻印![]() | KF | アルファベットまたは数字を刻印します。 指定方法 KF−MISUMI0034 印字種類:アルファベット ・数字 ・ .(ピリオド) [ ! ]刻印にハイフン(ー)等、上 記以外の記号は刻印できません。 [ ! ]刻印の文字に対してピンの向きは任意になります。 [ NG ]持ち手長さ10は適用不可[ ! ]KH併用時には、裏側に刻印します。 [ ! ]数字は連続最大8文字まで適用 |
| 800 | |||||||||||||||
P寸法刻印![]() | KH | ローレット部に平取りをしてP寸法を刻印します。(文字の向きは任意となります。) [ NG ]持ち手長さ10は適用不可 [ ! ]KF併用時には裏側に刻印します。 | 300 | ||||||||||||||||
| Alterations | Code | Spec. | ¥/1 Code |
S寸公差変更![]() | SKC | S寸公差をg6に変更します。 [ ! ]角度K選択タイプ・X寸選択タイプのみ適用 | 200 |
持ち手長さ変更![]() | ZC | 持ち手長さ50を10,20,30,40に変更します。 [ ! ]回転ダイヤは、持ち手長さ30,40のみ適用。 [ ! ]持ち手長さ10、20は、P≧5かつピン全長(10+L+B)≦30の場合のみ適用。 [ ! ]大頭型は持ち手長さ30, 40のみ適用。[ NG ]持ち手長さ10のとき、KHとの併用不可。 | 200 |
チェーン追加工![]() | CH | 紛失防止用のチェーン(長さ600mm)をゲージ本体にセットします。 [ ! ]チェーン単体のみはこちらをご利用ください。 | 500 |
ニゲ溝なし追加工![]() | NMN | ローレットとストレート部の間にあるニゲ溝をなしにします。 [ NG ]大頭型は適用不可 | 300 |
| 型番 |
|---|
通常単価(税別)
(税込単価) | 通常出荷日 |
|---|
- ( - ) | 5日目 |
- ( - ) | 5日目 |
- ( - ) | 5日目 |
- ( - ) | 5日目 |
- ( - ) | 5日目 |
- ( - ) | 5日目 |
- ( - ) | 5日目 |
- ( - ) | 5日目 |
- ( - ) | 5日目 |
- ( - ) | 5日目 |
おねじ部でクランプし、テーパ部でワークを位置決めする際にご利用下さい。
| 型式 | P 指定0.01mm単位 | S(P−1≧S) 指定1mm単位 | M(並目) S≧M選択 | B 指定1mm単位 | C 指定1mm単位 | ¥基準単価 1〜19コ | |||||
| TYPE | D | KJPKDT | KJPKDTH | ||||||||
| (S45C相当) KJPKDT (S45C相当 焼入) KJPKDTH | 10 | 6.00〜10.00 | 5〜9 | 5〜40 | 5〜36 (C≦M×3) | 4,220 | 4,540 | ||||
| 12 | 6.00〜12.00 | 5〜11 | 3 | 4 | 5 | 4,490 | 4,810 | ||||
| 16 | 6.00〜14.00 | 5〜13 | 4,810 | 5,120 | |||||||
| 6 | 8 | 10 | 12 | ||||||||
| 20 | 7.00〜18.00 | 6〜17 | 5,230 | 5,540 | |||||||
| 25 | 7.00〜23.00 | 6〜22 | 5,540 | 5,860 | |||||||


通常価格、通常出荷日が表示と異なる場合がございます
通常価格、通常出荷日が表示と異なる場合がございます

ミスミ
検査治具用差し込みピン 段付ストレート 持ち手長さ固定タイプ
4.5
ミスミ
検査治具用差し込みピン ストレート 持ち手長さ固定タイプ
4.6
ミスミ
検査治具用差し込みピン ストレート 持ち手長さ選択タイプ
4.4
ミスミ
検査治具用差し込みピン 長円ストレート
4.3
ミスミ
検査治具用差し込みピン 段付ダイヤストレート ダイヤ形状指定タイプ
4
ミスミ
検査冶具用差し込みピン 段付きおねじストレート
4.8
ミスミ
検査治具用差し込みピン テーパ・テーパ段差なし
5
ミスミ
検査治具用差し込みピン 段付ストレート 持ち手長さ選択タイプ
4.8
ミスミ
検査治具用差し込みピン おねじテーパタイプ
4.8