メカニカル部品技術窓口



| Type | [ M ]材質 | [ S ]表面処理 | |
| 六角穴(無し) | 六角穴(有り) | ||
| FXMA | FXMAR | S45C相当 | 四三酸化鉄皮膜 |
| PFXMA | PFXMAR | 無電解ニッケルメッキ | |
| SFXMA | SFXMAR | SUS304 | − |
| 型式 | − | Y | − | F | − | T |
| FXMA20 SFXMA12 FXMAR6 | − − − | 20 10 7 | − − − | F70 F100 F10 | − − − | T5 T2 T1 |
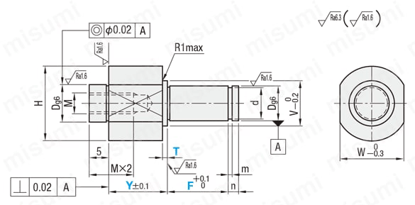
| 型式 | Dg6 | 指定1mm単位 | 選択 | M 並目 | V | H | W | d | m | n | ¥基準単価 | ||||||
| Type | No. | Y | F | T | 基準寸法 | 許容差 | FXMA | PFXMA | SFXMA | ||||||||
| FXMA PFXMA SFXMA | 6 | 6 | −0.004 −0.012 | 4〜60 | 5〜75 | 1 3 5 | M3 | 8 | 14 | 12 | 5 | + 0.075 0 | 0.7 | 2 | 1,070 | 1,340 | 1,750 |
| 8 | 8 | −0.005 −0.014 | M4 | 10 | 17 | 14 | 7 | + 0.090 0 | 0.9 | 3 | 1,210 | 1,500 | 1,910 | ||||
| 10 | 10 | 2 5 8 | M6 | 13 | 21 | 18 | 9.6 | 0 − 0.090 | 1.15 | 1,420 | 1,710 | 2,210 | |||||
| 12 | 12 | −0.006 −0.017 | 10〜100 | M8 | 15 | 24 | 21 | 11.5 | 0 − 0.110 | 4 | 1,690 | 2,050 | 2,890 | ||||
| 15 | 15 | 18 | 28 | 25 | 14.3 | 1,920 | 2,320 | 3,280 | |||||||||
| 17 | 17 | 20 | 32 | 28 | 16.2 | 2,090 | 2,550 | 3,440 | |||||||||
| 20 | 20 | −0.007 −0.020 | 4〜75 | 24 | 36 | 32 | 19 | 0 − 0.120 | 1.35 | 5 | 2,540 | 3,080 | 4,100 | ||||
| 25 | 25 | 29 | 43 | 38 | 23.9 | 3,160 | 3,790 | 4,760 | |||||||||
| 30 | 30 | 34 | 50 | 44 | 28.6 | 1.65 | 3,790 | 4,570 | 5,710 | ||||||||
型式 | Dg6 | 指定1mm単位 | 選択 | M | V | H | W | d | m | n | B₁ | ℓ₁ | ¥基準単価 | ||||||
Type | No. | Y | F | T | 並目 | 基準寸法 | 許容差 | FXMAR | PFXMAR | SFXMAR | |||||||||
| FXMAR PFXMAR SFXMAR | 6 | 6 | −0.004 −0.012 | 4~25 | 5~30 | 1 3 5 | M3 | 8 | 14 | 12 | 5 | +0.075 0 | 0.7 | 2 | 3 | 3 | 1,770 | 2,040 | 2,450 |
8 | 8 | −0.005 −0.014 | 5~35 | M4 | 10 | 17 | 14 | 7 | +0.090 0 | 0.9 | 3 | 4 | 4 | 1,910 | 2,200 | 2,610 | |||
10 | 10 | 5~40 | 2 5 8 | M6 | 13 | 21 | 18 | 9.6 | 0 −0.090 | 1.15 | 5 | 5 | 2,120 | 2,410 | 2,910 | ||||
12 | 12 | −0.006 −0.017 | 4~35 | 5~50 | M8 | 15 | 24 | 21 | 11.5 | 0 −0.110 | 4 | 6 | 5.5 | 2,390 | 2,750 | 3,590 | |||
15 | 15 | 5~60 | 18 | 28 | 25 | 14.3 | 8 | 6 | 2,620 | 3,020 | 3,980 | ||||||||
17 | 17 | 20 | 32 | 28 | 16.2 | 10 | 8 | 2,790 | 3,250 | 4,140 | |||||||||
20 | 20 | −0.007 −0.020 | 24 | 36 | 32 | 19 | 0 −0.120 | 1.35 | 5 | 3,240 | 3,780 | 4,800 | |||||||
25 | 25 | 4~45 | 29 | 43 | 38 | 23.9 | 3,860 | 4,490 | 5,460 | ||||||||||
30 | 30 | 34 | 50 | 44 | 28.6 | 1.65 | 4,490 | 5,270 | 6,410 | ||||||||||
| 型式 | − | Y | − | F | − | T | − | (SET・SC) |
| PFXMA15 | − | 20 | − | F60 | − | T8 | − | SET − SC |
| Alterations | 止め輪セット | ガイド用二面幅追加 | |||||||||||||
![]() | |||||||||||||||
| Code | SET | SC | |||||||||||||
| Spec. | 軸径に適用する止め輪を付属します。 指定方法 SET 止め輪形状 No.=6・8:E型止め輪 No.10〜30:C型止め輪 止め輪材質
| 長穴ガイド用二面幅を追加工します。 指定方法 SC [ ! ]D(二面幅)公差は、+0.2/0になります。 [ ! ]Y−T≧6 | |||||||||||||
| ¥/1Code | 250 | 400 | |||||||||||||
| 型番 |
|---|
通常単価(税別)
(税込単価) | 通常出荷日 |
クリーン洗浄・梱包済みでお届けします
|
|---|
- ( - ) | 2日目 |
- |
- ( - ) | 2日目 |
- |
- ( - ) | 2日目 |
- |
- ( - ) | 2日目 |
- |
- ( - ) | 2日目 |
- |
- ( - ) | 2日目 |
- |
- ( - ) | 2日目 |
- |
- ( - ) | 2日目 |
- |
- ( - ) | 2日目 |
- |
- ( - ) | 2日目 |
- |
- ( - ) | 2日目 |
- |
- ( - ) | 2日目 |
- |
- ( - ) | 2日目 |
- |
- ( - ) | 2日目 |
- |
- ( - ) | 2日目 |
- |
- ( - ) | 2日目 |
- |
- ( - ) | 2日目 |
- |
- ( - ) | 2日目 |
- |
- ( - ) | 2日目 |
|
- ( - ) | 2日目 |
|
- ( - ) | 2日目 |
|
- ( - ) | 2日目 |
|
- ( - ) | 2日目 |
|
- ( - ) | 2日目 |
|
- ( - ) | 2日目 |
|
- ( - ) | 2日目 |
|
- ( - ) | 2日目 |
|
- ( - ) | 2日目 |
- |
- ( - ) | 2日目 |
- |
- ( - ) | 2日目 |
- |
- ( - ) | 2日目 |
- |
- ( - ) | 2日目 |
- |
- ( - ) | 2日目 |
- |
- ( - ) | 2日目 |
- |
- ( - ) | 2日目 |
- |
- ( - ) | 2日目 |
- |
- ( - ) | 2日目 |
|
- ( - ) | 2日目 |
|
- ( - ) | 2日目 |
|
- ( - ) | 2日目 |
|
- ( - ) | 2日目 |
|
- ( - ) | 2日目 |
|
- ( - ) | 2日目 |
|
- ( - ) | 2日目 |
|
- ( - ) | 2日目 |
|
- ( - ) | 2日目 |
- |
- ( - ) | 2日目 |
- |
- ( - ) | 2日目 |
- |
- ( - ) | 2日目 |
- |
- ( - ) | 2日目 |
- |
- ( - ) | 2日目 |
- |
- ( - ) | 2日目 |
- |
- ( - ) | 2日目 |
- |
- ( - ) | 2日目 |
- |
【新商品】取付易い六角穴付タイプを追加しました。
【特徴】受け座面が大きめ、高荷重でも倒れにくい片持ちピンです!
| 数量区分 | 標準対応 | 個別対応 | |||||
| 小口 | 大口 | 大口 | |||||
| 数 量 | 1〜4 | 5〜12 | 13〜19 | 20〜49 | 50〜100 | 101〜200 | 201以上 |
| 値引率 | 基準単価 | 5% | 10% | 18% | 20% | 30% | お見積り |
| 出荷日 | 通常 | +6日 | +14日 | ||||




通常価格、通常出荷日が表示と異なる場合がございます
通常価格、通常出荷日が表示と異なる場合がございます

ミスミ
片持ちピン おねじ取付 止め輪溝タイプ・標準タイプ・六角穴付タイプ
4.4
ミスミ
片持ちピン ボルトマウント・止め輪溝タイプ・標準タイプ・六角穴付タイプ
4
ミスミ
片持ちピン おねじ取付 止め輪溝タイプ・六角タイプ・六角穴付タイプ
4.7
ミスミ
片持ちピン おねじ取付・めねじタイプ・段付タイプ標準タイプ
4.4
ミスミ
六角片持ちピン -テンションアイドラー用-止め輪タイプ・六角穴付タイプ
4.5
ミスミ
片持ちピン インローおねじ取付・止め輪溝タイプ・標準タイプ・六角付タイプ
5
ミスミ
片持ちピン ボルトマウント・止め輪溝タイプ・六角タイプ・六角穴付タイプ
5
ミスミ
片持ちピン フランジ・止め輪タイプ/薄型フランジ・止め輪タイプ
4.8
ミスミ
片持ちピン フランジ・ボルト止めタイプ/薄型フランジ・ボルト止めタイプ
3.5