メカニカル部品技術窓口
ミスミ品のみ対象


| Type | [ M ]材質 | [ S ]表面処理 | |
| 六角穴(無し) | 六角穴(有り) | ||
| LXHA | LXHAR | S45C相当 | 四三酸化鉄皮膜 |
| PLXHA | PLXHAR | 無電解ニッケルメッキ | |
| SLXHA | SLXHAR | SUS304 | − |
| 型式 | − | Y | − | F |
| LXHA12 PLXHA10 LXHAR10 | − − − | 5 20 7 | − − − | F15 F35 F10 |
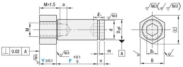
| 型式 | Dg6 | 指定1mm単位 | M (並目) | a | B | (C) | d | m | n | ¥基準単価 | ||||||
| Type | No. | Y | F | 基準寸法 | 許容差 | LXHA | PLXHA | SLXHA | ||||||||
| LXHA PLXHA SLXHA | 6 | 6 | − 0.004 − 0.012 | 2〜60 | 5〜100 | M 3 | 5 | 8 | 9.2 | 5 | + 0.075 0 | 0.7 | 2 | 900 | 1,080 | 1,350 |
| 8 | 8 | − 0.005 − 0.014 | M 4 | 10 | 11.5 | 7 | + 0.090 0 | 0.9 | 3 | 970 | 1,160 | 1,460 | ||||
| 10 | 10 | M 6 | 13 | 15.0 | 9.6 | 0 − 0.090 | 1.15 | 1,030 | 1,240 | 1,530 | ||||||
| 12 | 12 | − 0.006 − 0.017 | 10〜150 | M 8 | 14 | 16.2 | 11.5 | 0 − 0.110 | 4 | 1,160 | 1,390 | 1,720 | ||||
| 13 | 13 | 17 | 19.6 | 12.4 | 1,290 | 1,550 | 1,930 | |||||||||
| 15 | 15 | M10 | 14.3 | 1,340 | 1,620 | 2,020 | ||||||||||
| 16 | 16 | 19 | 21.9 | 15.2 | 1,540 | 1,890 | 2,360 | |||||||||
| 17 | 17 | 16.2 | 1,630 | 2,000 | 2,500 | |||||||||||
| 18 | 18 | 24 | 27.7 | 17 | 1.35 | 1,700 | 2,070 | 2,570 | ||||||||
| 20 | 20 | − 0.007 − 0.020 | 4〜75 | M12 | 7 | 19 | 0 − 0.210 | 1,720 | 2,100 | 2,590 | ||||||
| 22 | 22 | 21 | 5 | 1,880 | 2,270 | 2,820 | ||||||||||
| 25 | 25 | M16 | 27 | 31.2 | 23.9 | 2,060 | 2,460 | 3,080 | ||||||||
| 25A | M12 | 2,060 | 2,460 | 3,080 | ||||||||||||
| 30 | 30 | M20 | 32 | 36.9 | 28.6 | 1.65 | 2,440 | 2,920 | 3,650 | |||||||
| 30A | M16 | 2,440 | 2,920 | 3,650 | ||||||||||||
| 型式 | Dg6 | 指定1mm単位 | M | a | B | (C) | d | m | n | B1 | ℓ1 | ¥基準単価 | ||||||
| Type | No. | Y | F | (並目) | 基準寸法 | 許容差 | LXHAR | PLXHAR | SLXHAR | |||||||||
LXHAR PLXHAR SLXHAR | 6 | 6 | − 0.004 | 2〜25 | 5〜40 | M 3 | 5 | 8 | 9.2 | 5 | + 0.075 0 | 0.7 | 2 | 3 | 3 | 1,600 | 1,780 | 2,050 |
| − 0.012 | ||||||||||||||||||
| 8 | 8 | − 0.005 − 0.014 | M 4 | 10 | 11.5 | 7 | + 0.090 0 | 0.9 | 3 | 4 | 4 | 1,670 | 1,860 | 2,160 | ||||
| 10 | 10 | M 6 | 13 | 15 | 9.6 | 0 −0.090 | 1.15 | 5 | 5 | 1,730 | 1,940 | 2,230 | ||||||
| 12 | 12 | −0.006 −0.017 | 5〜60 | M 8 | 14 | 16.2 | 11.5 | 0 − 0.110 | 4 | 6 | 5.5 | 1,860 | 2,090 | 2,420 | ||||
| 15 | 15 | M10 | 17 | 19.6 | 14.3 | 8 | 6 | 2,040 | 2,320 | 2,720 | ||||||||
| 17 | 17 | 19 | 21.9 | 16.2 | 10 | 8 | 2,330 | 2,700 | 3,200 | |||||||||
| 20 | 20 | −0.007 −0.020 | 4〜45 | M12 | 7 | 24 | 27.7 | 19 | 0 −0.210 | 1.35 | 2,420 | 2,800 | 3,290 | |||||
| 25 | 25 | M16 | 27 | 31.2 | 23.9 | 5 | 2,760 | 3,160 | 3,780 | |||||||||
| 25A | M12 | 2,760 | 3,160 | 3,780 | ||||||||||||||
| 30 | 30 | M20 | 32 | 36.9 | 28.6 | 1.65 | 3,140 | 3,620 | 4,350 | |||||||||
| 30A | M16 | 3,140 | 3,620 | 4,350 | ||||||||||||||
| 型式 | - | Y | - | F | - | (YKC・WSC・APC・SET) |
| FXHA15 | - | 20 | - | F22 | - | APC |
| Alterations | Y寸法公差変更 | スパナ掛け四面変更 | インロー追加 | 二面幅寸法変更 | すり割り溝追加 | Y寸変更追加工 | 止め輪セット | |||||||||||||||||||||||||||||||||||||||||||||||||||||||||||||||||||||||
![]() | ![]() | ![]() | ![]() | ![]() | ![]() | |||||||||||||||||||||||||||||||||||||||||||||||||||||||||||||||||||||||||
| Code | YKC | WSC | APC | FW | MM | YC | SET | |||||||||||||||||||||||||||||||||||||||||||||||||||||||||||||||||||||||
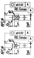
| Spec. | Y寸法公差を±0.05へ 変更します。 [ ! ] すべてのタイプに適用 指定方法 YKC | スパナ掛け二面幅を四面 カットに追加工します。 [ ! ] 標準・段付タイプに適用指定方法 WSC | 座面部分にインローを 追加します。 [ ! ]すべてのタイプに適用 [ ! ]8A・12Aの場合はインロー部深さ2mmとなります。 指定方法 APC
| 二面幅寸法変更追加工します。 指定1mm単位 指定方法 FW3 [ ! ]0≦FW≦15 [ ! ]FW=0の場合は二面幅なし。 [ ! ]標準・段付タイプに適用 | D寸部にすり割り追加工します。 指定方法 MM [ ! ]二面幅と同一面になりません。
[ ! ](M×1.5)+a<Y+Fの場合に適用 | Y寸の厚み指定追加します。 指定0.1mm単位 指定方法 YC10.8 | 軸径に適用する止め輪を付属します。 指定方法 SET [ ! ]すべてのタイプに適用 No.10〜30A:C型止め輪 止め輪材質
| |||||||||||||||||||||||||||||||||||||||||||||||||||||||||||||||||||||||
| ¥/1Code | 400 | 400 | 600 | 400 | 400 | 300 | 250 | |||||||||||||||||||||||||||||||||||||||||||||||||||||||||||||||||||||||
| 型番 |
|---|
通常単価(税別)
(税込単価) | 通常出荷日 |
クリーン洗浄・梱包済みでお届けします
|
|---|
- ( - ) | 2日目 |
- |
- ( - ) | 2日目 |
- |
- ( - ) | 2日目 |
- |
- ( - ) | 2日目 |
- |
- ( - ) | 2日目 |
- |
- ( - ) | 2日目 |
- |
- ( - ) | 2日目 |
- |
- ( - ) | 2日目 |
- |
- ( - ) | 2日目 |
- |
- ( - ) | 2日目 |
- |
- ( - ) | 2日目 |
- |
- ( - ) | 2日目 |
- |
- ( - ) | 2日目 |
- |
- ( - ) | 2日目 |
- |
- ( - ) | 2日目 |
- |
- ( - ) | 2日目 |
- |
- ( - ) | 2日目 |
- |
- ( - ) | 2日目 |
- |
- ( - ) | 2日目 |
- |
- ( - ) | 2日目 |
- |
- ( - ) | 2日目 |
- |
- ( - ) | 2日目 |
- |
- ( - ) | 2日目 |
- |
- ( - ) | 2日目 |
- |
- ( - ) | 2日目 |
- |
- ( - ) | 2日目 |
- |
- ( - ) | 2日目 |
- |
- ( - ) | 2日目 |
- |
- ( - ) | 2日目 |
- |
- ( - ) | 2日目 |
- |
- ( - ) | 2日目 |
- |
- ( - ) | 2日目 |
- |
- ( - ) | 2日目 |
- |
- ( - ) | 2日目 |
- |
- ( - ) | 2日目 |
- |
- ( - ) | 2日目 |
- |
- ( - ) | 2日目 |
- |
- ( - ) | 2日目 |
- |
- ( - ) | 2日目 |
- |
- ( - ) | 2日目 |
- |
- ( - ) | 2日目 |
- |
- ( - ) | 2日目 |
- |
- ( - ) | 2日目 |
- |
- ( - ) | 2日目 |
- |
- ( - ) | 2日目 |
- |
- ( - ) | 2日目 |
- |
- ( - ) | 2日目 |
- |
- ( - ) | 2日目 |
- |
- ( - ) | 2日目 |
- |
- ( - ) | 2日目 |
- |
- ( - ) | 2日目 |
- |
- ( - ) | 2日目 |
- |
- ( - ) | 2日目 |
|
- ( - ) | 2日目 |
|
- ( - ) | 2日目 |
|
- ( - ) | 2日目 |
|
- ( - ) | 2日目 |
|
- ( - ) | 2日目 |
|
- ( - ) | 2日目 |
|
- ( - ) | 2日目 |
【新商品】取付易い六角穴付タイプを追加しました。
【特徴】軸部g6公差のため回転分の支点としてお使いいただける片持ちピンです。本体取付はねじでしっかり固定が可能です。
| 数量区分 | 標準対応 | 個別対応 | |||||
| 小口 | 大口 | 大口 | |||||
| 数 量 | 1〜4 | 5〜12 | 13〜19 | 20〜49 | 50〜100 | 101〜200 | 201以上 |
| 値引率 | 基準単価 | 5% | 10% | 18% | 20% | 20% | お見積り |
| 出荷日 | 通常 | +1日 | +6日 | +12日 | |||
| 2 | 日目出荷 |
| ご注文締切 | |||||
| 急 | ストークA早割 | 翌日出荷 | 300円/1明細行 | PM 3:00迄 | >>こちら |
ストークA | 翌日出荷 | 800円/1本 | PM 6:00迄 |



