メカニカル部品技術窓口
ミスミ品のみ対象

| Type | [ M ]材質 | [ S ]表面処理 |
| FXHB | S45C相当 | 四三酸化鉄皮膜 |
| PFXHB | 無電解ニッケルメッキ | |
| SFXHB | SUS304 | − |
| PHFXHB | SCM435相当 硬度35〜40HRC | 無電解ニッケルメッキ |
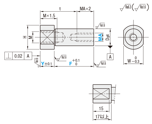
| 型式 | − | Y | − | F | − | MA |
| FXHB20 FXJB12 SF−PFXJB17 | − − − | 17 24 30 | − − − | F25 F18 F50 | − − − | MA10 MA6 MA8 |
| 型式 | Dg6 | 指定1mm単位 | MA(並目) 選択 | M (並目) | H | W | ¥基準単価 | ||||||||||||||
| Type | No. | Y | F | FXHB | PFXHB | SFXHB | PHFXHB | ||||||||||||||
| FXHB PFXHB SFXHB PHFXHB | 6 | 6 | − 0.004 − 0.012 | 2〜60 | 5〜100 | 3 | M 3 | 10 | 8 | 1,020 | 1,230 | 1,530 | 1,640 | ||||||||
| 6A | 14 | 12 | 1,110 | 1,610 | 2,110 | 2,060 | |||||||||||||||
| 8 | 8 | − 0.005 − 0.014 | 4 | M 4 | 12 | 10 | 1,090 | 1,310 | 1,650 | 1,750 | |||||||||||
| 8A | 16 | 14 | 1,260 | 1,750 | 2,310 | 2,250 | |||||||||||||||
| 10 | 10 | 4 | 5 | 6 | M 6 | 15 | 13 | 1,180 | 1,400 | 1,750 | 1,870 | ||||||||||
| 10A | 20 | 17 | 1,480 | 1,860 | 2,490 | 2,380 | |||||||||||||||
| 12 | 12 | − 0.006 − 0.017 | 10〜150 | 5 | 6 | 8 | M 8 | 17 | 14 | 1,310 | 1,560 | 1,960 | 2,090 | ||||||||
| 13 | 13 | 18 | 15 | 1,470 | 1,760 | 2,210 | 2,340 | ||||||||||||||
| 15 | 15 | 6 | 8 | 10 | M10 | 20 | 17 | 1,530 | 1,840 | 2,300 | 2,450 | ||||||||||
| 16 | 16 | 21 | 18 | 1,790 | 2,150 | 2,700 | 2,880 | ||||||||||||||
| 17 | 17 | 23 | 20 | 1,890 | 2,280 | 2,870 | 3,060 | ||||||||||||||
| 18 | 18 | 1,960 | 2,350 | 2,940 | 3,130 | ||||||||||||||||
| 20 | 20 | − 0.007 − 0.020 | 4〜75 | 6 | 8 | 10 | 12 | M12 | 26 | 24 | 1,980 | 2,370 | 2,960 | 3,160 | |||||||
| 20A | M 8 | 1,980 | 2,370 | 2,960 | 3,160 | ||||||||||||||||
| 22 | 22 | M16 | 28 | 26 | 2,140 | 2,580 | 3,220 | 3,430 | |||||||||||||
| 22A | M12 | 2,140 | 2,580 | 3,220 | 3,430 | ||||||||||||||||
| 25 | 25 | 8 | 10 | 12 | 16 | M16 | 31 | 27 | 2,320 | 2,800 | 3,500 | 3,740 | |||||||||
| 25A | M12 | 2,320 | 2,800 | 3,500 | 3,740 | ||||||||||||||||
| 30 | 30 | 8 | 10 | 12 | 16 | 20 | M20 | 36 | 32 | 2,770 | 3,320 | 4,150 | 4,420 | ||||||||
| 30A | M16 | 2,770 | 3,320 | 4,150 | 4,420 | ||||||||||||||||
| D | M | t |
| 6 | M 3 | 11 |
| 8 | M 4 | 12.5 |
| 10 | M 6 | 14 |
| 12・13 | M 8 | 17 |
| 15 | M10 | 20 |
| 16 | ||
| 17 | ||
| 18 | ||
| 20 | M12 | 25 |
| 22 | M16 | |
| 25 | 31 | |
| 30 | M20 | 37 |
| 型式 | − | Y | − | F | − | MA | − | (YKC・WSC・APC) |
| FXHB25 | − | 50 | − | F32 | − | MA10 | − | YKC − APC |
| Alterations | Y寸法公差変更 | スパナ掛け四面変更 | インロー追加 | ||||||||||||||||||||||||||||||||||||||||||||
![]() | ![]() | ![]() | |||||||||||||||||||||||||||||||||||||||||||||
| Code | YKC | WSC | APC | ||||||||||||||||||||||||||||||||||||||||||||
| Spec. | Y寸法公差を±0.05へ変更します。 [ ! ]すべてのタイプに適用 指定方法 YKC | スパナ掛け二面幅を四面カットに追加工します。 [ ! ]標準・段付タイプに適用 指定方法 WSC | 座面部分にインローを追加します。 [ ! ]すべてのタイプに適用 指定方法 APC
| ||||||||||||||||||||||||||||||||||||||||||||
| ¥/1Code | 400 | 400 | 600 |
| 型番 |
|---|
通常単価(税別)
(税込単価) | 通常出荷日 |
クリーン洗浄・梱包済みでお届けします
|
|---|
- ( - ) | 2日目 |
- |
- ( - ) | 2日目 |
- |
- ( - ) | 2日目 |
- |
- ( - ) | 2日目 |
- |
- ( - ) | 2日目 |
- |
- ( - ) | 2日目 |
- |
- ( - ) | 2日目 |
- |
- ( - ) | 2日目 |
- |
- ( - ) | 2日目 |
- |
- ( - ) | 2日目 |
- |
- ( - ) | 2日目 |
- |
- ( - ) | 2日目 |
- |
- ( - ) | 2日目 |
- |
- ( - ) | 2日目 |
- |
- ( - ) | 2日目 |
- |
- ( - ) | 2日目 |
- |
- ( - ) | 2日目 |
- |
- ( - ) | 2日目 |
- |
- ( - ) | 2日目 |
- |
- ( - ) | 2日目 |
- |
- ( - ) | 3日目 |
|
- ( - ) | 3日目 |
|
- ( - ) | 3日目 |
|
- ( - ) | 3日目 |
|
- ( - ) | 3日目 |
|
- ( - ) | 3日目 |
|
- ( - ) | 3日目 |
|
- ( - ) | 3日目 |
|
- ( - ) | 3日目 |
|
- ( - ) | 3日目 |
|
- ( - ) | 3日目 |
|
- ( - ) | 3日目 |
|
- ( - ) | 3日目 |
|
- ( - ) | 3日目 |
|
- ( - ) | 3日目 |
|
- ( - ) | 3日目 |
|
- ( - ) | 3日目 |
|
- ( - ) | 3日目 |
|
- ( - ) | 3日目 |
|
- ( - ) | 3日目 |
|
- ( - ) | 7日目 |
|
- ( - ) | 7日目 |
|
- ( - ) | 7日目 |
|
- ( - ) | 7日目 |
|
- ( - ) | 7日目 |
|
- ( - ) | 7日目 |
|
- ( - ) | 7日目 |
|
- ( - ) | 7日目 |
|
- ( - ) | 7日目 |
|
- ( - ) | 7日目 |
|
- ( - ) | 7日目 |
|
- ( - ) | 7日目 |
|
- ( - ) | 7日目 |
|
- ( - ) | 7日目 |
|
- ( - ) | 7日目 |
|
- ( - ) | 7日目 |
|
- ( - ) | 7日目 |
|
- ( - ) | 7日目 |
|
- ( - ) | 7日目 |
|
- ( - ) | 7日目 |
【特徴】軸部g6公差のため回転分の支点としてお使いいただける片持ちピンです。本体取付はねじでしっかり固定が可能です。
| 数量区分 | 標準対応 | 個別対応 | |||||
| 小口 | 大口 | 大口 | |||||
| 数 量 | 1〜4 | 5〜12 | 13〜19 | 20〜49 | 50〜100 | 101〜200 | 201以上 |
| 値引率 | 基準単価 | 5% | 10% | 18% | 20% | 20% | お見積り |
| 出荷日 | 通常 | +1日 | +6日 | +12日 | |||
| 数量区分 | 標準対応 | 個別対応 | |||||
| 小口 | 大口 | 大口 | |||||
| 数 量 | 1〜4 | 5〜12 | 13〜19 | 20〜49 | 50〜100 | 101〜200 | 201以上 |
| 値引率 | 基準単価 | 5% | 10% | 18% | 20% | 20% | お見積り |
| 出荷日 | 通常 | +5日 | +11日 | ||||




通常価格、通常出荷日が表示と異なる場合がございます
通常価格、通常出荷日が表示と異なる場合がございます

ミスミ
片持ちピン おねじ取付 止め輪溝タイプ・標準タイプ・六角穴付タイプ
4.4
ミスミ
片持ちピン おねじ取付 止め輪溝タイプ・六角タイプ・六角穴付タイプ
4.7
ミスミ
片持ちピン おねじ取付・めねじタイプ・段付タイプ標準タイプ
4.4
ミスミ
六角片持ちピン -テンションアイドラー用-止め輪タイプ・六角穴付タイプ
4.5
ミスミ
片持ちピン ボルトマウント・止め輪溝タイプ・標準タイプ・六角穴付タイプ
4
ミスミ
片持ちピン フランジ・止め輪タイプ/薄型フランジ・止め輪タイプ
4.8
ミスミ
片持ちピン おねじ取付・おねじタイプ・六角タイプ
4
ミスミ
片持ちピン ボルトマウント・止め輪溝タイプ・六角タイプ・六角穴付タイプ
5
ミスミ
片持ちピン インローおねじ取付・止め輪溝タイプ・標準タイプ・六角付タイプ
5