メカニカル部品技術窓口
ミスミ品のみ対象

| Type | [ M ]材質 | [ S ]表面処理 |
| FXDC | S45C相当 | 四三酸化鉄皮膜 |
| PFXDC | 無電解ニッケルメッキ | |
| SFXDC | SUS304 | − |
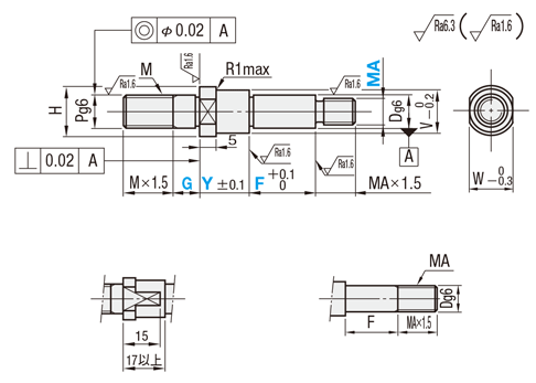
| 型式 | − | Y | − | F | − | G | − | N | − | MA |
| FXCC8 | − | 15 | − | F25 | − | G5 | − | MA5 | ||
| FXNCC10 | − | 27 | − | F10 | − | G5 | − | N10 | − | MA6 |
| SF−SFXDC17 | − | 30 | − | F50 | − | G10 | − | MSC15 |

| 並目ねじ | 細目ねじ | ||||||
| ねじ径 (M・MA) | g | r | f | ねじ径 (MSC) | g | r | f |
| 3 | 1.2~1.5 | 0.2~0.3 | 2.1~ 2.4 | 3 | 1.2~1.5 | 0.2~0.3 | 2.1~2.4 |
| 4 | 2.9~ 3.2 | 4 | 2.9~3.2 | ||||
| 5 | 3.9~ 4.1 | 5 | 3.9~4.1 | ||||
| 6 | 1.5~2.5 | 0.2~0.6 | 4.3~ 4.9 | 6 | 1.5~2.5 | 0.2~0.6 | 4.3~4.9 |
| 8 | 6.3~ 6.6 | 8 | 6.3~6.6 | ||||
| 10 | 8.1~ 8.3 | 10 | 8.3~8.6 | ||||
| 12 | 1.5~3.0 | 0.2~1.0 | 9.8~10.1 | 12 | 1.5~3.0 | 0.2~1.0 | 9.8~10.7 |
| 16 | 13.6~13.8 | 15 | 13.6~13.8 | ||||
| 20 | 1.5~4.0 | 17.0~17.2 | 20 | 1.5~4.0 | 17.2~18.8 | ||
| 24 | 2.5~5.0 | 0.2~1.5 | 20.2~20.7 | 25 | 2.5~5.0 | 0.2~1.5 | 20.2~23.2 |
| 30 | 26.0~26.2 | 30 | 26.2~28.2 | ||||
| 型式 | Dg6 | 指定1mm単位 | MA(並目) 選択 | Pg6 | M (並目) | V | H | W | ¥基準単価 | ||||||||||||||||||
| Type | No. | Y | F | G | FXDC | PFXDC | SFXDC | ||||||||||||||||||||
| FXDC PFXDC SFXDC | 3 | 3 | − 0.002 − 0.008 | 7〜30 | 3〜50 | 3〜 8 | 3 | 3 | M 3 | 5 | 7 | 5 | 990 | 1,180 | 1,470 | ||||||||||||
| 3A | 9 | 11 | 9 | 1,350 | 1,430 | 1,680 | |||||||||||||||||||||
| 4 | 4 | − 0.004 − 0.012 | 3 | 4 | 4 | M 4 | 6 | 8 | 6 | 1,080 | 1,290 | 1,630 | |||||||||||||||
| 4A | 10 | 12 | 10 | 1,430 | 1,800 | 2,290 | |||||||||||||||||||||
| 5 | 5 | 3 | 4 | 5 | 5 | M 5 | 7 | 9 | 7 | 1,420 | 1,700 | 2,130 | |||||||||||||||
| 5A | 11 | 13 | 11 | 1,550 | 1,960 | 2,500 | |||||||||||||||||||||
| 6 | 6 | 7〜60 | 5〜75 | 5〜10 | 4 | 5 | 6 | 6 | M 6 | 8 | 10 | 8 | 1,550 | 1,860 | 2,320 | ||||||||||||
| 6A | 12 | 14 | 12 | 1,690 | 2,240 | 2,900 | |||||||||||||||||||||
| 8 | 8 | − 0.005 − 0.014 | 5 | 6 | 8 | 8 | M 8 | 10 | 12 | 10 | 1,670 | 2,010 | 2,510 | ||||||||||||||
| 8A | 14 | 16 | 14 | 1,910 | 2,460 | 3,170 | |||||||||||||||||||||
| 10 | 10 | 6 | 8 | 10 | 10 | M10 | 13 | 15 | 13 | 1,760 | 2,130 | 2,650 | |||||||||||||||
| 10A | 18 | 20 | 17 | 2,250 | 2,590 | 3,380 | |||||||||||||||||||||
| 12 | 12 | − 0.006 − 0.017 | 10〜75 | 5〜15 | 6 | 8 | 10 | 12 | 12 | M12 | 15 | 17 | 14 | 2,010 | 2,420 | 3,010 | |||||||||||
| 13 | 13 | 16 | 18 | 15 | 2,230 | 2,680 | 3,350 | ||||||||||||||||||||
| 15 | 15 | 8 | 10 | 12 | (15) | 18 | 20 | 17 | 2,330 | 2,800 | 3,510 | ||||||||||||||||
| 16 | 16 | 19 | 21 | 18 | 2,730 | 3,290 | 4,130 | ||||||||||||||||||||
| 17 | 17 | 5〜20 | 10 | 12 | (15) | 16 | 20 | 23 | 20 | 2,910 | 3,510 | 4,400 | |||||||||||||||
| 18 | 18 | 21 | 2,970 | 3,570 | 4,460 | ||||||||||||||||||||||
| 20 | 20 | − 0.007 − 0.020 | 7〜60 | 10 | 12 | (15) | 16 | 20 | 20 | M20 | 24 | 26 | 24 | 3,000 | 3,600 | 4,490 | |||||||||||
| 20A | 16 | M16 | 3,000 | 3,600 | 4,490 | ||||||||||||||||||||||
| 22 | 22 | 20 | M20 | 26 | 28 | 25 | 3,380 | 4,050 | 5,060 | ||||||||||||||||||
| 22A | 16 | M16 | 3,380 | 4,050 | 5,060 | ||||||||||||||||||||||
| 25 | 25 | 10 | 12 | (15) | 16 | 20 | 24 | (25) | 20 | M20 | 29 | 31 | 27 | 3,550 | 4,250 | 5,310 | |||||||||||
| 25A | 16 | M16 | 3,550 | 4,250 | 5,310 | ||||||||||||||||||||||
| 30 | 30 | 12 | (15) | 16 | 20 | 24 | (25) | 30 | 20 | M20 | 34 | 36 | 32 | 4,210 | 5,040 | 6,300 | |||||||||||
| 30A | 16 | M16 | 4,210 | 5,040 | 6,300 | ||||||||||||||||||||||
| 型式 | − | Y | − | F | − | G | − | N | − | MA(MSC) | − | (YKC・WSC) |
| FXCC15 | − | 10 | − | F21 | G7 | − | MSC15 | − | WSC |
| Alterations | Y寸法公差変更 | スパナ掛け四面変更 | おねじ部細目ねじ変更 | |||||||||||||||||||||
![]() | ![]() | ![]() | ||||||||||||||||||||||
| Code | YKC | WSC | MSC | |||||||||||||||||||||
| Spec. | Y寸法公差を±0.05へ変更します。 [ ! ]すべてのタイプに適用 指定方法 YKC | スパナ掛け二面幅を四面カットに追加工します。 [ ! ]標準・段付タイプに適用 指定方法 WSC | おねじ部MAを下表細目ねじに変更します。 [ ! ]すべてのタイプに適用 [ ! ]MAをMSCに変えてご指定ください。 指定方法 MSC12
| |||||||||||||||||||||
| ¥/1Code | 400 | 400 | 無料 |
| 型番 |
|---|
通常単価(税別)
(税込単価) | 通常出荷日 |
クリーン洗浄・梱包済みでお届けします
|
|---|
- ( - ) | 2日目 |
- |
- ( - ) | 2日目 |
- |
- ( - ) | 2日目 |
- |
- ( - ) | 2日目 |
- |
- ( - ) | 2日目 |
- |
- ( - ) | 2日目 |
- |
- ( - ) | 2日目 |
- |
- ( - ) | 2日目 |
- |
- ( - ) | 2日目 |
- |
- ( - ) | 2日目 |
- |
- ( - ) | 2日目 |
- |
- ( - ) | 2日目 |
- |
- ( - ) | 2日目 |
- |
- ( - ) | 2日目 |
- |
- ( - ) | 2日目 |
- |
- ( - ) | 2日目 |
- |
- ( - ) | 2日目 |
- |
- ( - ) | 2日目 |
- |
- ( - ) | 2日目 |
- |
- ( - ) | 2日目 |
- |
- ( - ) | 2日目 |
- |
- ( - ) | 2日目 |
- |
- ( - ) | 2日目 |
- |
- ( - ) | 2日目 |
- |
- ( - ) | 2日目 |
- |
- ( - ) | 2日目 |
- |
- ( - ) | 2日目 |
- |
- ( - ) | 2日目 |
- |
- ( - ) | 2日目 |
- |
- ( - ) | 2日目 |
- |
- ( - ) | 2日目 |
- |
- ( - ) | 2日目 |
- |
- ( - ) | 2日目 |
- |
- ( - ) | 2日目 |
- |
- ( - ) | 2日目 |
- |
- ( - ) | 2日目 |
- |
- ( - ) | 2日目 |
- |
- ( - ) | 2日目 |
- |
- ( - ) | 2日目 |
- |
- ( - ) | 2日目 |
- |
- ( - ) | 2日目 |
- |
- ( - ) | 2日目 |
- |
- ( - ) | 2日目 |
- |
- ( - ) | 2日目 |
- |
- ( - ) | 2日目 |
- |
- ( - ) | 2日目 |
- |
- ( - ) | 2日目 |
- |
- ( - ) | 2日目 |
- |
- ( - ) | 2日目 |
- |
- ( - ) | 2日目 |
- |
- ( - ) | 2日目 |
- |
- ( - ) | 2日目 |
- |
- ( - ) | 2日目 |
|
- ( - ) | 2日目 |
|
- ( - ) | 2日目 |
|
- ( - ) | 2日目 |
|
- ( - ) | 2日目 |
|
- ( - ) | 2日目 |
|
- ( - ) | 2日目 |
|
- ( - ) | 2日目 |
【特徴】インローが入っているため、位置決め可能な片持ちピンです。【取付方法】本体、回転軸部の固定方法はナット止めとなります。
| 数量区分 | 標準対応 | 個別対応 | |||||
| 小口 | 大口 | 大口 | |||||
| 数 量 | 1〜4 | 5〜12 | 13〜19 | 20〜49 | 50〜100 | 101〜200 | 201以上 |
| 値引率 | 基準単価 | 5% | 10% | 18% | 20% | 20% | お見積り |
| 出荷日 | 通常 | +1日 | +6日 | +12日 | |||

通常価格、通常出荷日が表示と異なる場合がございます
通常価格、通常出荷日が表示と異なる場合がございます

ミスミ
片持ちピン おねじ取付 止め輪溝タイプ・標準タイプ・六角穴付タイプ
4.4
ミスミ
片持ちピン おねじ取付 止め輪溝タイプ・六角タイプ・六角穴付タイプ
4.7
ミスミ
片持ちピン ボルトマウント・止め輪溝タイプ・六角タイプ・六角穴付タイプ
5
ミスミ
六角片持ちピン -テンションアイドラー用-止め輪タイプ・六角穴付タイプ
4.5
ミスミ
片持ちピン ボルトマウント・止め輪溝タイプ・標準タイプ・六角穴付タイプ
4
ミスミ
片持ちピン おねじ取付・めねじタイプ・段付タイプ標準タイプ
4.4
ミスミ
片持ちピン フランジ・止め輪タイプ/薄型フランジ・止め輪タイプ
4.8
ミスミ
片持ちピン おねじ取付・おねじタイプ・六角タイプ
4
ミスミ
片持ちピン インローおねじ取付・止め輪溝タイプ・標準タイプ・六角付タイプ
5