メカニカル部品技術窓口
ミスミ品のみ対象

| Type | [ M ]材質 | [ S ]表面処理 |
| FXBC | S45C相当 | 四三酸化鉄皮膜 |
| PFXBC | 無電解ニッケルメッキ | |
| SFXBC | SUS304 | − |
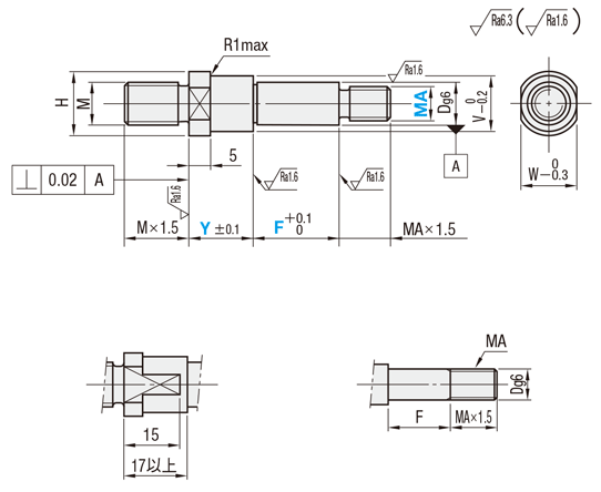
| 型式 | − | Y | − | F | − | N | − | MA |
| FXAC12 LXNAC10 | − − | 25 30 | − − | F22 F50 | − | N10 | − − | MA8 MA6 |

| 並目ねじ | 細目ねじ | ||||||
| ねじ径 (M・MA) | g | r | f | ねじ径 (MSC) | g | r | f |
| 3 | 1.2~1.5 | 0.2~0.3 | 2.1~2.4 | 3 | 1.2~1.5 | 0.2~0.3 | 2.1~2.4 |
| 4 | 2.9~3.2 | 4 | 2.9~3.2 | ||||
| 5 | 3.9~4.1 | 5 | 3.9~4.1 | ||||
| 6 | 1.5~2.5 | 0.2~0.6 | 4.3~4.9 | 6 | 1.5~2.5 | 0.2~0.6 | 4.3~4.9 |
| 8 | 6.3~6.6 | 8 | 6.3~6.6 | ||||
| 10 | 8.1~8.3 | 10 | 8.3~8.6 | ||||
| 12 | 1.5~3.0 | 0.2~1.0 | 9.8~10.1 | 12 | 1.5~3.0 | 0.2~1.0 | 9.8~10.7 |
| 16 | 13.6~13.8 | 15 | 13.6~13.8 | ||||
| 20 | 1.5~4.0 | 17.0~17.2 | 20 | 1.5~4.0 | 17.2~18.8 | ||
| 24 | 2.5~5.0 | 0.2~1.5 | 20.2~20.7 | 25 | 2.5~5.0 | 0.2~1.5 | 20.2~23.2 |
| 30 | 26.0~26.2 | 30 | 26.2~28.2 | ||||
| 型式 | Dg6 | 指定1mm単位 | MA(並目) 選択 | V | H | W | M (並目) | ¥基準単価 | |||||||||||||||||
| Type | No. | Y | F | FXBC | PFXBC | SFXBC | |||||||||||||||||||
| FXBC PFXBC SFXBC | 3 | 3 | −0.002 −0.008 | 7〜30 | 3〜 50 | 3 | 5 | 7 | 5 | M 3 | 780 | 920 | 1,170 | ||||||||||||
| 3A | 9 | 11 | 9 | 1,070 | 1,290 | 1,630 | |||||||||||||||||||
| 4 | 4 | −0.004 −0.012 | 3 | 4 | 6 | 8 | 6 | M 4 | 850 | 1,020 | 1,280 | ||||||||||||||
| 4A | 10 | 12 | 10 | 1,140 | 1,380 | 1,740 | |||||||||||||||||||
| 5 | 5 | 3 | 4 | 5 | 7 | 9 | 7 | M 5 | 1,110 | 1,340 | 1,670 | ||||||||||||||
| 5A | 11 | 13 | 11 | 1,240 | 1,490 | 1,880 | |||||||||||||||||||
| 6 | 6 | 7〜60 | 5〜100 | 4 | 5 | 6 | 8 | 10 | 8 | M 6 | 1,190 | 1,430 | 1,790 | ||||||||||||
| 6A | 12 | 14 | 12 | 1,310 | 1,590 | 2,000 | |||||||||||||||||||
| 8 | 8 | −0.005 −0.014 | 5 | 6 | 8 | 10 | 12 | 10 | M 8 | 1,280 | 1,540 | 1,930 | |||||||||||||
| 8A | 14 | 16 | 14 | 1,480 | 1,790 | 2,250 | |||||||||||||||||||
| 10 | 10 | 6 | 8 | 10 | 13 | 15 | 13 | M10 | 1,370 | 1,640 | 2,040 | ||||||||||||||
| 10A | 18 | 20 | 17 | 1,750 | 2,110 | 2,650 | |||||||||||||||||||
| 12 | 12 | −0.006 −0.017 | 10〜100 | 6 | 8 | 10 | 12 | 15 | 17 | 14 | M12 | 1,530 | 1,840 | 2,300 | |||||||||||
| 13 | 13 | 16 | 18 | 15 | 1,710 | 2,060 | 2,570 | ||||||||||||||||||
| 15 | 15 | 8 | 10 | 12 | (15) | 18 | 20 | 17 | 1,800 | 2,150 | 2,700 | ||||||||||||||
| 16 | 16 | 19 | 21 | 18 | 2,090 | 2,520 | 3,160 | ||||||||||||||||||
| 17 | 17 | 20 | 22 | 19 | 2,220 | 2,680 | 3,360 | ||||||||||||||||||
| 18 | 18 | 21 | 23 | 20 | 2,280 | 2,740 | 3,420 | ||||||||||||||||||
| 20 | 20 | −0.007 −0.020 | 10 | 12 | (15) | 16 | 20 | 24 | 26 | 24 | M20 | 2,310 | 2,770 | 3,450 | |||||||||||
| 20A | M16 | 2,310 | 2,770 | 3,450 | |||||||||||||||||||||
| 22 | 22 | 26 | 28 | M20 | 2,590 | 3,110 | 3,900 | ||||||||||||||||||
| 22A | M16 | 2,590 | 3,110 | 3,900 | |||||||||||||||||||||
| 25 | 25 | 10 | 12 | (15) | 16 | 20 | 24 | (25) | 29 | 31 | 27 | M20 | 2,720 | 3,270 | 4,080 | ||||||||||
| 25A | M16 | 2,720 | 3,270 | 4,080 | |||||||||||||||||||||
| 30 | 30 | 12 | (15) | 16 | 20 | 24 | (25) | 30 | 34 | 36 | 32 | M20 | 3,230 | 3,870 | 4,850 | ||||||||||
| 30A | M16 | 3,230 | 3,870 | 4,850 | |||||||||||||||||||||
| 型式 | − | Y | − | F | − | N | − | MA(MSC) | − | (YKC・WSC) |
| FXAC10 | − | 53 | − | F30 | − | MSC10 | − | WSC |
| Alterations | Y寸法公差変更 | スパナ掛け四面変更 | おねじ部細目ねじ変更 | |||||||||||||||||||||
![]() | ![]() | ![]() | ||||||||||||||||||||||
| Code | YKC | WSC | MSC | |||||||||||||||||||||
| Spec. | Y寸法公差を±0.05へ変更します。 [ ! ]すべてのタイプに適用 指定方法 YKC | スパナ掛け二面幅を四面カットに追加工します。 [ ! ]標準・段付タイプに適用 指定方法 WSC | おねじ部MAを下表細目ねじに変更します。 [ ! ]すべてのタイプに適用 [ ! ]MAをMSCに変えてご指定ください。 指定方法 MSC8
| |||||||||||||||||||||
| ¥/1Code | 400 | 400 | 無料 |
| 型番 |
|---|
通常単価(税別)
(税込単価) | 通常出荷日 |
クリーン洗浄・梱包済みでお届けします
|
|---|
- ( - ) | 2日目 |
- |
- ( - ) | 2日目 |
- |
- ( - ) | 2日目 |
- |
- ( - ) | 2日目 |
- |
- ( - ) | 2日目 |
- |
- ( - ) | 2日目 |
- |
- ( - ) | 2日目 |
- |
- ( - ) | 2日目 |
- |
- ( - ) | 2日目 |
- |
- ( - ) | 2日目 |
- |
- ( - ) | 2日目 |
- |
- ( - ) | 2日目 |
- |
- ( - ) | 2日目 |
- |
- ( - ) | 2日目 |
- |
- ( - ) | 2日目 |
- |
- ( - ) | 2日目 |
- |
- ( - ) | 2日目 |
- |
- ( - ) | 2日目 |
- |
- ( - ) | 2日目 |
- |
- ( - ) | 2日目 |
- |
- ( - ) | 2日目 |
- |
- ( - ) | 2日目 |
- |
- ( - ) | 2日目 |
- |
- ( - ) | 2日目 |
- |
- ( - ) | 2日目 |
- |
- ( - ) | 2日目 |
- |
- ( - ) | 2日目 |
- |
- ( - ) | 2日目 |
- |
- ( - ) | 2日目 |
- |
- ( - ) | 2日目 |
- |
- ( - ) | 2日目 |
- |
- ( - ) | 2日目 |
- |
- ( - ) | 2日目 |
- |
- ( - ) | 2日目 |
- |
- ( - ) | 2日目 |
- |
- ( - ) | 2日目 |
- |
- ( - ) | 2日目 |
- |
- ( - ) | 2日目 |
- |
- ( - ) | 2日目 |
- |
- ( - ) | 2日目 |
- |
- ( - ) | 2日目 |
- |
- ( - ) | 2日目 |
- |
- ( - ) | 2日目 |
- |
- ( - ) | 2日目 |
- |
- ( - ) | 2日目 |
- |
- ( - ) | 2日目 |
- |
- ( - ) | 2日目 |
- |
- ( - ) | 2日目 |
- |
- ( - ) | 2日目 |
- |
- ( - ) | 2日目 |
|
- ( - ) | 2日目 |
|
- ( - ) | 2日目 |
|
- ( - ) | 2日目 |
|
- ( - ) | 2日目 |
|
- ( - ) | 2日目 |
|
- ( - ) | 2日目 |
|
- ( - ) | 2日目 |
|
- ( - ) | 2日目 |
|
- ( - ) | 2日目 |
|
- ( - ) | 2日目 |
【特徴】軸部g6公差のため回転分の支点としてお使いいただける片持ちピンです。【取付方法】本体、回転軸部jの固定方法はナット止めとなります。
| 数量区分 | 標準対応 | 個別対応 | |||||
| 小口 | 大口 | 大口 | |||||
| 数 量 | 1〜4 | 5〜12 | 13〜19 | 20〜49 | 50〜100 | 101〜200 | 201以上 |
| 値引率 | 基準単価 | 5% | 10% | 18% | 20% | 20% | お見積り |
| 出荷日 | 通常 | +1日 | +6日 | +12日 | |||
| 数量区分 | 標準対応 | 個別対応 | |||||
| 小口 | 大口 | 大口 | |||||
| 数 量 | 1〜4 | 5〜12 | 13〜19 | 20〜49 | 50〜100 | 101〜200 | 201以上 |
| 値引率 | 基準単価 | 5% | 10% | 18% | 20% | 20% | お見積り |
| 出荷日 | 通常 | +5日 | +11日 | ||||




通常価格、通常出荷日が表示と異なる場合がございます

ミスミ
片持ちピン おねじ取付 止め輪溝タイプ・標準タイプ・六角穴付タイプ
4.4
ミスミ
片持ちピン おねじ取付 止め輪溝タイプ・六角タイプ・六角穴付タイプ
4.7
ミスミ
片持ちピン おねじ取付・めねじタイプ・段付タイプ標準タイプ
4.4
ミスミ
片持ちピン ボルトマウント・止め輪溝タイプ・六角タイプ・六角穴付タイプ
5
ミスミ
片持ちピン ボルトマウント・止め輪溝タイプ・標準タイプ・六角穴付タイプ
4
ミスミ
片持ちピン フランジ・止め輪タイプ/薄型フランジ・止め輪タイプ
4.8
ミスミ
六角片持ちピン -テンションアイドラー用-止め輪タイプ・六角穴付タイプ
4.5
ミスミ
片持ちピン おねじ取付・おねじタイプ・六角タイプ
4
ミスミ
片持ちピン フランジ・ボルト止めタイプ/薄型フランジ・ボルト止めタイプ
3.5