メカニカル部品技術窓口
ミスミ品のみ対象
硬度に加え耐食性を備えた新材質:高硬度ステンレスが加わりました。引張強さ・耐食性を要する箇所にご使用く...
詳細を確認
| D公差(g6) | |
| 6 | ー0.004 ー0.012 |
| 8・10 | ー0.005 ー0.014 |
| 12〜18 | ー0.006 ー0.017 |
| 20〜30 | ー0.007 ー0.020 |
| 35〜50 | ー0.009 ー0.025 |
| Type | [ M ]材質 | [ S ]表面処理 |
| NSFRB | S45C相当 | − |
| SFRB | 四三酸化鉄皮膜 | |
| PSFRB | 無電解ニッケルメッキ | |
| AHFRB | 高硬度ステンレス 硬度35HRC~ | − |
| 型式 | − | L | − | F | − | P | − | M | − | T | − | S | − | Q |
| SFRB20 SF−PSFRB20 | − − | 400 400 | − − | F25 F25 | − − | P16 P16 | − − | M10 M10 | − − | T20 T20 | − − | S15 S15 | − − | Q10 Q10 |
| 型式 | 指定0.1mm単位 | 指定1mm単位 | M(並目) 選択 | Q(並目) 選択 | (Y) max. | |||||||||||||||||||||||||
| Type | D | L | F | T | P | S | ||||||||||||||||||||||||
| NSFRB SFRB PSFRB AHFRB (*印のサイズのみ) | * 6 | 15.0〜493.0 | 2≦F≦P×5 AHFRBのみ 2≦F≦P×4 | 5≦T≦Q×7 | 5 | S=0またはQ≦6のとき S≦Q×3 & S≦T−2 Q8・10のとき S≦Q×3 & S≦T−3 Q≧12のとき S≦Q×3 & S≦T−5 | 2.6 | 3 | 3 | 4 | 5 | 500 | ||||||||||||||||||
| * 8 | 15.0〜495.0 | M3〜M8のとき M+2≦P<D M10〜M16のとき M+3≦P<D M20,M24のとき M+4≦P<D M30のとき M+5≦P<D | 2.6 | 3 | 4 | 5 | 3 | 4 | 5 | 6 | 500 | |||||||||||||||||||
| *10 | 15.0〜793.0 | 3 | 4 | 5 | 6 | 3 | 4 | 5 | 6 | 8 | 800 | |||||||||||||||||||
| *12 | 15.0〜893.0 | 3 | 4 | 5 | 6 | 8 | 3 | 4 | 5 | 6 | 8 | 10 | 900 | |||||||||||||||||
| 13 | 15.0〜893.0 | 3 | 4 | 5 | 6 | 8 | 10 | 4 | 5 | 6 | 8 | 10 | ||||||||||||||||||
| *15 | 15.0〜993.0 | 3 | 4 | 5 | 6 | 8 | 10 | 4 | 5 | 6 | 8 | 10 | 12 | 1000 | ||||||||||||||||
| *16 | 15.0〜993.0 | 4 | 5 | 6 | 8 | 10 | 12 | 4 | 5 | 6 | 8 | 10 | 12 | |||||||||||||||||
| 17 | 24.0〜993.0 | 4 | 5 | 6 | 8 | 10 | 12 | 5 | 6 | 8 | 10 | 12 | ||||||||||||||||||
| 18 | 24.0〜993.0 | 4 | 5 | 6 | 8 | 10 | 12 | 5 | 6 | 8 | 10 | 12 | 16 | |||||||||||||||||
| *20 | 24.0〜993.0 | 4 | 5 | 6 | 8 | 10 | 12 | 16 | 5 | 6 | 8 | 10 | 12 | 16 | 1000 | |||||||||||||||
| 22 | 24.0〜993.0 | 4 | 5 | 6 | 8 | 10 | 12 | 16 | 5 | 6 | 8 | 10 | 12 | 16 | 20 | |||||||||||||||
| *25 | 24.0〜993.0 | 4 | 5 | 6 | 8 | 10 | 12 | 16 | 5 | 6 | 8 | 10 | 12 | 16 | 20 | |||||||||||||||
| 30 | 24.0〜993.0 | 5 | 6 | 8 | 10 | 12 | 16 | 20 | 8 | 10 | 12 | 16 | 20 | 24 | ||||||||||||||||
| 35 | 40.0〜996.0 | 6 | 8 | 10 | 12 | 16 | 20 | 24 | 10 | 12 | 16 | 20 | 24 | 30 | ||||||||||||||||
| 40 | 40.0〜996.0 | 10 | 12 | 16 | 20 | 24 | 30 | 12 | 16 | 20 | 24 | 30 | ||||||||||||||||||
| 50 | 40.0〜996.0 | 12 | 16 | 20 | 24 | 30 | 16 | 20 | 24 | 30 | ||||||||||||||||||||
| 並目ねじ寸法 | |
| M | pitch |
| 3 | 0.5 |
| 4 | 0.7 |
| 5 | 0.8 |
| 6 | 1.0 |
| 8 | 1.25 |
| 10 | 1.5 |
| 12 | 1.75 |
| 16 | 2.0 |
| 20 | 2.5 |
| 24 | 3.0 |
| 30 | 3.5 |
| 追加工 コード | 追加工内容 | 適用条件 | 指定例 | \/1Code | ||||||||||
| KC | キー溝1ヶ所追加![]() | KC・A=0.1mm単位指定 [ ! ]キー溝加工位置が端面から1mm未満の場合、 [ NG ]φ5以下は不可 | SFRB30-300-F25-P20-M10-T25-S20-Q10-KC20-A10 | 200 | ||||||||||
| WKC | キー溝2ヶ所追加![]() | WKC・C・K・E=0.1mm単位指定 [ ! ]キー溝加工位置が端面から1mm未満の場合、 [ NG ]φ5以下は不可 | SFRB30-300-F25-P20-M10-T25-S20-Q10-WKC5-C20-K5-E10 | 400 | ||||||||||
| KZ | キー溝1ヶ所(4ヵ所目用)追加![]() | KZ・Z=0.1mm単位指定 [ ! ]キー溝加工位置が端面から1mm未満の場合、 [ ! ]KC・WKCと併用時のみ指定可 | SFRB30-300-F25-P20-M10-T25-S20-Q10-KC5-A10-WKC20-C10-K60-E10-KZ100-Z10 | 200 | ||||||||||
| PKC・QKC | 段部Pキー溝(端面0地点)追加![]() | PKC・QKC=0.1mm単位指定 [ ! ]キー溝長さ≦70 [ NG ]P5以下は不可 | SFRB30-300-F25-P20-M10-T25-S20-Q10-PKC20.0 | 300 | ||||||||||
| PP・QQ | 段部Pキー溝(位置指定)追加![]() | PP・PK=0.1mm単位指定 QQ・QK=0.1mm単位指定 [ ! ]キー溝長さ≦70 [ NG ]P5以下は不可 | SFRB30-300-F25-P20-M10-T25-S20-Q10-PP10-PK10 | 300 | ||||||||||
| PV・QV | 段部Pキー溝複数ヶ所追加![]() | PV・PW=0.1mm単位指定 QV・QW=0.1mm単位指定 [ ! ]キー溝長さ≦70 [ NG ]P5以下は不可 [ ! ]PP(QQ)と併用時のみ指定可 | SFRB30-300-F30-P20-M10-T25-S20-Q10-PP3-PK5-PV12-PW5 | 300 | ||||||||||
| TL・TR | D部に止め輪溝追加工![]() | TL・TR=0.1mm単位指定 ※m寸はこちらを参照
| SFRB30-300-F25-P20-M10-T25-S20-Q10-TL5-TR5 | 200 | ||||||||||
| TF・TT | 段部に止め輪溝追加工![]() | TF・TT=0.1mm単位指定 ※m寸はこちらを参照
| SFRB30-300-F25-P20-M10-T25-S20-Q10-TF5 | 300 | ||||||||||
| FC | 平面取り1ヶ所追加![]() | FC・G=1mm単位指定 [ ! ]G≦70 ※Hはこちらを参照 | SFRB30-300-F25-P20-M10-T25-S20-Q10-FC10-G3 | 200 | ||||||||||
| WFC | 平面取り2ヶ所追加![]() | WFC・J・W・V=1mm単位指定 [ ! ]J・V≦70 ※Hはこちらを参照 | SFRB30-300-F25-P20-M10-T25-S20-Q10-WFC10-J15-W10-V20 | 300 | ||||||||||
| SFC | 平面取り、角度指定2面取り追加![]() | SFC・SG=1mm単位指定 AG=15度単位指定 [ ! ]SG≦70 ※Hはこちらを参照 | SFRB30-300-F25-P20-M10-T25-S20-Q10-SFC10-SG3-AG120 | 500 | ||||||||||
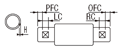
| PFC・QFC | 段部に平面取り追加![]() | PFC・LC=1mm単位指定 QFC・RC=1mm単位指定 [ ! ]LC・RC≦70 ※Hはこちらを参照 | SFRB30-300-F25-P20-M10-T25-S20-Q10-PFC5-LC10 | 200 | ||||||||||
| QLM | ねじを左ねじに変更![]() | Q側の右ねじを左ねじに変更します。 [ NG ]QLMとQMCとの併用は不可 | SFRB30-300-F25-P20-M10-T25-S20-Q10-QLM | 800 | ||||||||||
| QMC | 細目ねじに変更![]() | Q側の並目ねじを細目ねじに変更します。 PをPMC、QをQMCに変えて指定 [ NG ]QMCとQLMとの併用は不可 | SFRB30-300-F25-P20-M10-T25-S20-QMC10 | 300 | ||||||||||
| QC | 逃げ寸法加工を追加![]() | Q寸法部に逃げ加工を追加します。 ※逃げ加工寸法はこちらを参照 | SFRB30-300-F25-P20-M10-T25-S20-Q10-QC | 無料 | ||||||||||
| UC | スリットカム用溝の追加![]() | UC=1mm単位指定 [ NG ]φ2・2.5、D13以上は不可 [ NG ]AHFRBは不可 ※d・ℓ1はこちらを参照 | SFRB10-300-F25-P8-M5-T25-S20-Q8-UC10 | 200 | ||||||||||
| LKC | L寸法公差変更![]() | L<500・・・L±0.05 L≧500・・・L±0.1 [ NG ]L800以上は不可 | SFRB30-300-F25-P20-M10-T25-S20-Q10-LKC | 400 | ||||||||||
| SC | スパナ溝の追加![]() | SC=1mm単位指定 ※W・ℓ2はこちらを参照 | SFRB30-300-F25-P20-M10-T25-S20-Q10-SC10 | 400 | ||||||||||
| CKC | 同軸度変更![]() | 同軸度を0.02に変更します。 [ NG ]D部h9は不可 [ NG ]AHFRBは不可 [ ! ]Lmaxは右表参照
| SFRB30-300-F25-P20-M10-T25-S20-Q10-CKC | 800 |
| D | 中央硬度(HRC) |
| 3 | 35以上 |
| 4 | 35以上 |
| 5 | 35以上 |
| 6 | 35以上 |
| 8 | 35以上 |
| 10 | 30以上 |
| 12 | 30以上 |
| 15 | 30以上 |
| 16 | 30以上 |
| 20 | 25以上 |
| 25 | 25以上 |
| 材質 | 引張強さ (MPa) | 降伏点 (0.2%耐力) (MPa) | 縦弾性係数 (GPa) | 横弾性係数 (GPa) | ポアソン比 |
| S45C | 570以上 | 345以上 | 200以上 | 77以上 | 0.3 |
| SUS304 | 520以上 | 210以上 | 193以上 | 74以上 | 0.3 |
| SCM435 | 930以上 | 785以上 | 206以上 | 79以上 | 0.3 |
| 高硬度ステンレス | 1102 | 715 | 199 | 77 | 0.3 |
| C | Si | Mn | P | S | Ni | Cr |
| 0.15-0.25 | ≦0.50 | 7.5-9.5 | ≦0.05 | ≧0.12 | 1.5-3.0 | 13-15 |

| Oリング材質 | 硬度 | 色 | 種類 |
| ウレタンゴム | 94 | 乳白 | アイアンラバーOリング Pシリーズ (NOK) |
| ニトリルゴム | 70 | 黒 | JIS B 2401 Pシリーズ (NOK) |
| ニトリルゴム | 90 | 黒 | |
| フッ素ゴム | 70 | 黒 |
| 型番 |
|---|
通常単価(税別)
(税込単価) | 通常出荷日 |
クリーン洗浄・梱包済みでお届けします
|
|---|
- ( - ) | 2日目 |
- |
- ( - ) | 2日目 |
- |
- ( - ) | 2日目 |
- |
- ( - ) | 2日目 |
- |
- ( - ) | 2日目 |
- |
- ( - ) | 2日目 |
- |
- ( - ) | 2日目 |
- |
- ( - ) | 2日目 |
- |
- ( - ) | 2日目 |
- |
- ( - ) | 2日目 |
- |
- ( - ) | 2日目 |
- |
- ( - ) | 2日目 |
- |
- ( - ) | 2日目 |
- |
- ( - ) | 2日目 |
- |
- ( - ) | 2日目 |
- |
- ( - ) | 2日目 |
- |
- ( - ) | 2日目 |
- |
- ( - ) | 2日目 |
- |
- ( - ) | 2日目 |
- |
- ( - ) | 2日目 |
- |
- ( - ) | 2日目 |
- |
- ( - ) | 2日目 |
- |
- ( - ) | 2日目 |
- |
- ( - ) | 2日目 |
- |
- ( - ) | 2日目 |
- |
- ( - ) | 2日目 |
- |
- ( - ) | 2日目 |
- |
- ( - ) | 2日目 |
- |
- ( - ) | 2日目 |
- |
- ( - ) | 2日目 |
- |
- ( - ) | 2日目 |
- |
- ( - ) | 2日目 |
- |
- ( - ) | 2日目 |
- |
- ( - ) | 2日目 |
- |
- ( - ) | 2日目 |
- |
- ( - ) | 2日目 |
- |
- ( - ) | 2日目 |
- |
- ( - ) | 2日目 |
- |
- ( - ) | 2日目 |
- |
- ( - ) | 2日目 |
- |
- ( - ) | 2日目 |
- |
- ( - ) | 2日目 |
- |
- ( - ) | 2日目 |
- |
- ( - ) | 2日目 |
- |
- ( - ) | 2日目 |
- |
- ( - ) | 2日目 |
- |
- ( - ) | 2日目 |
- |
- ( - ) | 2日目 |
- |
- ( - ) | 2日目 |
|
- ( - ) | 2日目 |
|
- ( - ) | 2日目 |
|
- ( - ) | 2日目 |
|
- ( - ) | 2日目 |
|
- ( - ) | 2日目 |
|
- ( - ) | 2日目 |
|
- ( - ) | 2日目 |
|
- ( - ) | 2日目 |
|
- ( - ) | 2日目 |
|
- ( - ) | 2日目 |
|
- ( - ) | 2日目 |
硬度に加え耐食性を備えた新材質:高硬度ステンレスが加わりました。引張強さ・耐食性を要する箇所にご使用ください。
全長最大1000mmまでに拡大!追加工で段付部へのキー溝・平面取り・止め輪加工も可能!
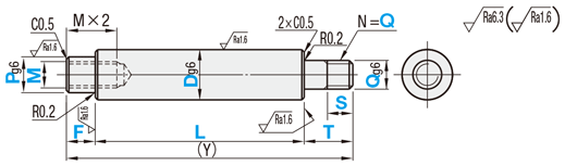
【基本形状】両端一段
【軸端形状(左)】めねじ
【軸端形状(右)】おねじ
【材質】S45C相当、高硬度ステンレス
【硬度】焼入なし
【追加工対応】キー溝、止め輪溝、平面取り、おねじ、逃げ寸法、スリットカム用溝、L寸法公差変更、スパナ溝、同軸度変更
【D公差】g6(研磨棒)
| D | 最短L | L50.1 | L100.1 | L150.1 | L200.1 | L300.1 | L400.1 | L600.1 | L800.1 |
| ~ | ~ | ~ | ~ | ~ | ~ | ~ | ~ | ~ | |
| 50.0 | 100.0 | 150.0 | 200.0 | 300.0 | 400.0 | 600.0 | 800.0 | 996.0 | |
| 6 | 580 | 630 | 750 | 830 | 1,220 | 1,400 | 1,680 | - | - |
| 8 | 580 | 630 | 750 | 830 | 1,220 | 1,400 | 1,680 | - | - |
| 10 | 580 | 630 | 750 | 830 | 1,220 | 1,470 | 1,680 | 2,180 | - |
| 12 | 650 | 760 | 830 | 880 | 1,270 | 1,520 | 2,100 | 2,460 | 2,870 |
| 13 | 690 | 810 | 890 | 930 | 1,350 | 1,640 | 2,250 | 2,610 | 3,030 |
| 15 | 700 | 820 | 900 | 960 | 1,380 | 1,660 | 2,270 | 2,660 | 3,110 |
| 16 | 770 | 990 | 1,040 | 1,140 | 1,590 | 1,810 | 2,440 | 2,880 | 3,400 |
| 17 | 780 | 1,000 | 1,050 | 1,230 | 1,610 | 1,820 | 2,470 | 2,910 | 3,430 |
| 18 | 780 | 1,000 | 1,050 | 1,230 | 1,610 | 1,980 | 2,680 | 3,210 | 3,850 |
| 20 | 810 | 1,090 | 1,140 | 1,950 | 2,720 | 3,020 | 4,080 | 4,860 | 5,790 |
| 22 | 1,030 | 1,290 | 1,460 | 2,460 | 3,050 | 3,740 | 5,040 | 5,960 | 7,070 |
| 25 | 1,390 | 1,650 | 1,880 | 2,590 | 3,160 | 3,900 | 5,160 | 6,070 | 7,130 |
| 30 | 1,920 | 2,090 | 2,240 | 2,860 | 3,430 | 4,060 | 5,750 | 6,630 | 7,620 |
| 35 | 2,590 | 3,140 | 3,270 | 3,620 | 4,150 | 4,730 | 6,960 | 9,090 | 11,890 |
| 40 | 3,130 | 3,780 | 3,930 | 4,350 | 4,980 | 5,690 | 8,350 | 10,900 | 14,240 |
| 50 | 4,390 | 5,310 | 5,510 | 6,100 | 6,980 | 7,960 | 11,700 | 15,280 | 19,960 |
| D | 最短L | L50.1 | L100.1 | L150.1 | L200.1 | L300.1 | L400.1 | L600.1 | L800.1 |
| ~ | ~ | ~ | ~ | ~ | ~ | ~ | ~ | ~ | |
| 50.0 | 100.0 | 150.0 | 200.0 | 300.0 | 400.0 | 600.0 | 800.0 | 996.0 | |
| 6 | 600 | 650 | 770 | 850 | 1,250 | 1,430 | 1,720 | - | - |
| 8 | 600 | 650 | 770 | 850 | 1,250 | 1,430 | 1,720 | - | - |
| 10 | 600 | 650 | 770 | 850 | 1,250 | 1,500 | 1,720 | 2,240 | - |
| 12 | 680 | 790 | 870 | 920 | 1,330 | 1,600 | 2,190 | 2,560 | 2,980 |
| 13 | 720 | 850 | 930 | 980 | 1,420 | 1,710 | 2,340 | 2,730 | 3,180 |
| 15 | 740 | 860 | 950 | 1,000 | 1,440 | 1,730 | 2,370 | 2,770 | 3,230 |
| 16 | 820 | 1,060 | 1,110 | 1,230 | 1,690 | 1,920 | 2,590 | 3,070 | 3,620 |
| 17 | 830 | 1,070 | 1,120 | 1,310 | 1,710 | 1,940 | 2,630 | 3,100 | 3,650 |
| 18 | 830 | 1,070 | 1,120 | 1,310 | 1,710 | 2,120 | 2,860 | 3,420 | 4,110 |
| 20 | 860 | 1,170 | 1,220 | 2,080 | 2,900 | 3,220 | 4,350 | 5,180 | 6,160 |
| 22 | 1,100 | 1,380 | 1,550 | 2,610 | 3,240 | 3,980 | 5,370 | 6,350 | 7,520 |
| 25 | 1,480 | 1,760 | 2,010 | 2,760 | 3,370 | 4,150 | 5,490 | 6,460 | 7,590 |
| 30 | 2,090 | 2,280 | 2,440 | 3,110 | 3,740 | 4,420 | 6,260 | 7,200 | 8,300 |
| 35 | 2,820 | 3,420 | 3,560 | 3,940 | 4,520 | 5,150 | 7,570 | 9,890 | 12,930 |
| 40 | 3,400 | 4,120 | 4,270 | 4,730 | 5,420 | 6,200 | 9,080 | 11,850 | 15,480 |
| 50 | 4,780 | 5,780 | 6,000 | 6,640 | 7,590 | 8,650 | 12,720 | 16,610 | 21,700 |
| D | 最短L | L50.1 | L100.1 | L150.1 | L200.1 | L300.1 | L400.1 | L600.1 | L800.1 |
| ~ | ~ | ~ | ~ | ~ | ~ | ~ | ~ | ~ | |
| 50.0 | 100.0 | 150.0 | 200.0 | 300.0 | 400.0 | 600.0 | 800.0 | 996.0 | |
| 6 | 650 | 760 | 880 | 960 | 1,340 | 1,590 | 1,800 | - | - |
| 8 | 650 | 760 | 880 | 960 | 1,340 | 1,590 | 1,800 | - | - |
| 10 | 650 | 760 | 880 | 960 | 1,340 | 1,590 | 1,800 | 2,290 | - |
| 12 | 750 | 870 | 930 | 1,040 | 1,430 | 1,670 | 2,370 | 2,990 | 3,680 |
| 13 | 790 | 950 | 1,000 | 1,100 | 1,580 | 1,880 | 2,670 | 3,330 | 4,060 |
| 15 | 800 | 960 | 1,010 | 1,120 | 1,600 | 1,900 | 2,700 | 3,370 | 4,120 |
| 16 | 970 | 1,200 | 1,320 | 1,390 | 1,910 | 2,180 | 2,970 | 3,750 | 4,310 |
| 17 | 980 | 1,210 | 1,330 | 1,410 | 1,930 | 2,210 | 3,000 | 3,790 | 4,350 |
| 18 | 1,110 | 1,390 | 1,470 | 1,620 | 2,210 | 2,500 | 3,280 | 4,190 | 4,870 |
| 20 | 1,820 | 2,000 | 2,210 | 2,630 | 3,130 | 3,530 | 4,740 | 7,630 | 8,620 |
| 22 | 1,900 | 2,370 | 2,630 | 2,920 | 3,810 | 4,340 | 5,680 | 9,210 | 10,370 |
| 25 | 2,370 | 2,730 | 3,010 | 3,370 | 3,950 | 5,270 | 7,930 | 11,480 | 12,610 |
| 30 | 3,490 | 4,170 | 4,470 | 4,860 | 5,960 | 6,950 | 9,980 | 13,800 | 14,890 |
| 35 | 5,420 | 6,080 | 6,710 | 7,380 | 8,390 | 10,100 | 14,750 | 21,030 | 24,070 |
| 40 | 6,500 | 7,300 | 8,040 | 8,860 | 10,070 | 12,100 | 17,700 | 25,220 | 28,840 |
| 50 | 8,430 | 9,490 | 10,440 | 11,540 | 13,080 | 15,760 | 23,030 | 31,910 | 37,000 |
| D | 最短L | L50.1 | L100.1 | L150.1 | L200.1 | L300.1 | L400.1 | L600.1 |
| ~ | ~ | ~ | ~ | ~ | ~ | ~ | ~ | |
| 50 | 100 | 150 | 200 | 300 | 400 | 600 | 800 | |
| 6 | 800 | 910 | 1,060 | 1,200 | 1,840 | 2,060 | 2,290 | - |
| 8 | 800 | 910 | 1,060 | 1,200 | 1,840 | 2,060 | 2,290 | - |
| 10 | 830 | 950 | 1,110 | 1,250 | 1,920 | 2,150 | 2,380 | 2,900 |
| 12 | 1,010 | 1,230 | 1,310 | 1,480 | 2,130 | 2,440 | 3,090 | 3,920 |
| 15 | 1,350 | 1,570 | 1,630 | 1,800 | 2,600 | 2,880 | 3,640 | 4,610 |
| 16 | 1,440 | 1,750 | 1,800 | 1,970 | 2,850 | 3,270 | 4,420 | 5,220 |
| 20 | 2,660 | 2,850 | 3,030 | 3,660 | 4,500 | 5,660 | 8,490 | 11,030 |
| 25 | 3,630 | 5,580 | 7,530 | 9,480 | 13,380 | 17,290 | 25,090 | 29,000 |
| 数量区分 | 標準対応 | 個別対応 | |||||
| 小口 | 大口 | 大口 | |||||
| 数量 | 1~9 | 10~14 | 15~19 | 20~49 | 50~300 | 301~400 | 401~ |
| 値引率 | 基準単価 | 5% | 10% | 20% | 25% | 35% | お見積り |
| 出荷日 | 通常 | +1日 | +2日 | +3日 | |||




通常価格、通常出荷日が表示と異なる場合がございます
通常価格、通常出荷日が表示と異なる場合がございます

ミスミ
回転軸 ストレートタイプ
4.6
ミスミ
回転軸 両端めねじタイプ
4.7
ミスミ
回転軸 片端めねじタイプ/片端めねじスパナ溝付タイプ
4.7
ミスミ
回転軸 止め輪溝タイプ
4.6
ミスミ
回転軸 両端段付タイプ
4.5
ミスミ
回転軸 ストレート キー溝付きタイプ
4.6
ミスミ
回転軸 片端段付タイプ
4.7
ミスミ
回転軸 片端段付 片端おねじ 片端めねじタイプ/片端段付 片端おねじ 片端めねじスパナ溝付タイプ
4.4
ミスミ
回転軸 片端段付 片端おねじタイプ/片端段付 片端おねじスパナ溝付タイプ
4.4