メカニカル部品技術窓口
ミスミ品のみ対象

、h7(研磨棒)・g6(研磨棒)は
になります。| D・P | h9(みがき棒) | h7(研磨棒) | g6(研磨棒) |
| 3.1〜6 | 0 − 0.030 | 0 − 0.012 | − 0.004 |
| − 0.012 | |||
| 6.1〜10 | 0 − 0.036 | 0 − 0.015 | − 0.005 |
| − 0.014 | |||
| 10.1〜18 | 0 − 0.043 | 0 − 0.018 | − 0.006 |
| − 0.017 | |||
| 18.1〜30 | 0 − 0.052 | 0 − 0.021 | − 0.007 |
| − 0.020 | |||
| 30.1〜50 | 0 − 0.062 | 0 − 0.025 | − 0.009 |
| − 0.025 |
| 寸法 | 寸法 公差 | |
| を超え | 以下 | |
| 2 | 6 | ±0.1 |
| 6 | 30 | ±0.2 |
| 30 | 120 | ±0.3 |
| 120 | 400 | ±0.5 |
| 400 | 1000 | ±0.8 |
| D | 真円度 M | |
| を超え | 以下 | |
| 5 | 13 | 0.004 |
| 13 | 20 | 0.005 |
| 20 | 40 | 0.006 |
| 40 | 50 | 0.007 |

[ ! ]h9(みがき棒)は、D部真円度、真直度、同軸度、直角度は適応外となります。
| Type | 公差 | [ M ]材質 | [ S ]表面処理 | |||
| 標準タイプ | スパナ溝付タイプ | D | P | |||
| ① | NSFRMHA | NSFRMHAS | h9 (みがき棒) | h7 | S45C相当 | − |
| SFRMHA | SFRMHAS | 四三酸化鉄皮膜 | ||||
| PSFRMHA | PSFRMHAS | 無電解ニッケルメッキ | ||||
| SSFRMHA | SSFRMHAS | SUS304 | − | |||
| ② | NSFRMGA | NSFRMGAS | g6 | S45C相当 | − | |
| SFRMGA | SFRMGAS | 四三酸化鉄皮膜 | ||||
| PSFRMGA | PSFRMGAS | 無電解ニッケルメッキ | ||||
| SSFRMGA | SSFRMGAS | SUS304 | − | |||
| ③ | NSFRHA | NSFRHAS | h7 (研磨棒) | h7 | S45C相当 | − |
| SFRHA | SFRHAS | 四三酸化鉄皮膜 | ||||
| PSFRHA | PSFRHAS | 無電解ニッケルメッキ | ||||
| SSFRHA | SSFRHAS | SUS304 | − | |||
| ④ | NSFRA | NSFRAS | g6 (研磨棒) | g6 | S45C相当 | − |
| SFRA | SFRAS | 四三酸化鉄皮膜 | ||||
| PSFRA | PSFRAS | 無電解ニッケルメッキ | ||||
| SSFRA | SSFRAS | SUS304 | − | |||
| AHFRA | AHFRAS | 高硬度ステンレス [ H ]硬度35HRC~ | − | |||
| 型式 | − | L | − | F | − | P | − | M | − | N | − | SC | |
| ①D部h9/P部h7 ③h7(研磨棒)スパナ溝付 ④g6(研磨棒) | SFRMHA30 SFRMHAS25 SSFRA20 | − − − | 250 200 200 | − − − | F30 F40 F20 | − − − | P16 P20 P18 | − − − | M10 M10 M12 | − − | N10 N10 | − | SC30 |
| 型式 | 指定0.1mm単位 | 指定1mm単位 | M(並目) 選択 | N(並目) 選択 | 指定1mm単位 | W | ℓ2 | (Y) max. | |||||||||||||||||||||||
| Type | D | L | F | P | SC スパナ溝付タイプのみ | ||||||||||||||||||||||||||
| 標準タイプ | スパナ溝付タイプ | ||||||||||||||||||||||||||||||
| ①D部h9・P部h7 NSFRMHA SFRMHA PSFRMHA SSFRMHA (SSFRMHAは D13・17・18・22 選択不可) ②D部h9・P部g6 NSFRMGA SFRMGA PSFRMGA SSFRMGA (SSFRMGAは D13・17・18・22 選択不可) | ①D部h9・P部h7 NSFRMHAS SFRMHAS PSFRMHAS SSFRMHAS (SSFRMHASは D13・17・18・22 選択不可) ②D部h9・P部g6 NSFRMGAS SFRMGAS PSFRMGAS SSFRMGAS (SSFRMGAは D13・17・18・22 選択不可) | 6 | 15.0〜498.0 | 2≦F≦P×5 | 5 | 2.6 | 3 | 2.6 | 3 | 4 | SC+ℓ2≦L SC=0またはSC≧1 [ ! ]SC≦M×3−F または L−SC≦N×3の場合 W−M(N)≧2 | 5 | 8 | 500 | |||||||||||||||||
| 8 | 15.0〜498.0 | M3〜M8のとき M+2≦P<D M10〜M16のとき M+3≦P<D M20,M24のとき M+4≦P<D | 2.6 | 3 | 4 | 5 | 2.6 | 3 | 4 | 5 | 6 | 7 | 500 | ||||||||||||||||||
| 10 | 15.0〜798.0 | 3 | 4 | 5 | 6 | 3 | 4 | 5 | 6 | 8 | 800 | ||||||||||||||||||||
| 12 | 15.0〜898.0 | 3 | 4 | 5 | 6 | 8 | 3 | 4 | 5 | 6 | 8 | 10 | 10 | 900 | |||||||||||||||||
| 13 | 15.0〜898.0 | 3 | 4 | 5 | 6 | 8 | 10 | 3 | 4 | 5 | 6 | 8 | 10 | 11 | |||||||||||||||||
| 15 | 15.0〜998.0 | 3 | 4 | 5 | 6 | 8 | 10 | 3 | 4 | 5 | 6 | 8 | 10 | 13 | 1000 | ||||||||||||||||
| 16 | 15.0〜998.0 | 4 | 5 | 6 | 8 | 10 | 12 | 4 | 5 | 6 | 8 | 10 | 12 | 14 | |||||||||||||||||
| 17 | 24.0〜998.0 | 4 | 5 | 6 | 8 | 10 | 12 | 4 | 5 | 6 | 8 | 10 | 12 | ||||||||||||||||||
| 18 | 24.0〜998.0 | 4 | 5 | 6 | 8 | 10 | 12 | 4 | 5 | 6 | 8 | 10 | 12 | 16 | 15 | ||||||||||||||||
| 20 | 24.0〜998.0 | 4 | 5 | 6 | 8 | 10 | 12 | 16 | 4 | 5 | 6 | 8 | 10 | 12 | 16 | 17 | |||||||||||||||
| 22 | 24.0〜998.0 | 4 | 5 | 6 | 8 | 10 | 12 | 16 | 4 | 5 | 6 | 8 | 10 | 12 | 16 | 19 | |||||||||||||||
| 25 | 24.0〜998.0 | 4 | 5 | 6 | 8 | 10 | 12 | 16 | 20 | 4 | 5 | 6 | 8 | 10 | 12 | 16 | 22 | ||||||||||||||
| 30 | 24.0〜998.0 | 5 | 6 | 8 | 10 | 12 | 16 | 20 | 5 | 6 | 8 | 10 | 12 | 16 | 20 | 27 | 15 | ||||||||||||||
| 35 | 70.0〜998.0 | 6 | 8 | 10 | 12 | 16 | 20 | 24 | 6 | 8 | 10 | 12 | 16 | 20 | 24 | 30 | |||||||||||||||
| 型式 | 指定0.1mm単位 | 指定1mm単位 | M(並目) 選択 | N(並目) 選択 | 指定1mm単位 | W | ℓ2 | (Y) max. | |||||||||||||||||||||||||
| Type | D | L | F | P | SC スパナ溝付タイプのみ | ||||||||||||||||||||||||||||
| 標準タイプ | スパナ溝付タイプ | ||||||||||||||||||||||||||||||||
| NSFRHA SFRHA PSFRHA SSFRHA | NSFRHAS SFRHAS PSFRHAS SSFRHAS | 6 | 15.0〜498.0 | 2≦F≦P×5 | 5 | 2.6 | 3 | 2.6 | 3 | 4 | SC+ℓ2≦L SC=0またはSC≧1 [ ! ]SC≦M×3−F または L−SC≦N×3の場合 W−M(N)≧2 | 5 | 8 | 500 | |||||||||||||||||||
| 8 | 15.0〜498.0 | M3〜M8のとき M+2≦P<D M10〜M16のとき M+3≦P<D M20,M24のとき M+4≦P<D M30のとき M+5≦P<D | 2.6 | 3 | 4 | 5 | 2.6 | 3 | 4 | 5 | 6 | 7 | 500 | ||||||||||||||||||||
| 10 | 15.0〜798.0 | 3 | 4 | 5 | 6 | 3 | 4 | 5 | 6 | 8 | 800 | ||||||||||||||||||||||
| 12 | 15.0〜898.0 | 3 | 4 | 5 | 6 | 8 | 3 | 4 | 5 | 6 | 8 | 10 | 10 | 900 | |||||||||||||||||||
| 15 | 15.0〜998.0 | 3 | 4 | 5 | 6 | 8 | 10 | 3 | 4 | 5 | 6 | 8 | 10 | 13 | 1000 | ||||||||||||||||||
| 17 | 24.0〜998.0 | 4 | 5 | 6 | 8 | 10 | 12 | 4 | 5 | 6 | 8 | 10 | 12 | 14 | |||||||||||||||||||
| 20 | 24.0〜998.0 | 4 | 5 | 6 | 8 | 10 | 12 | 16 | 4 | 5 | 6 | 8 | 10 | 12 | 16 | 17 | 1000 | ||||||||||||||||
| 25 | 24.0〜998.0 | 4 | 5 | 6 | 8 | 10 | 12 | 16 | 20 | 4 | 5 | 6 | 8 | 10 | 12 | 16 | 22 | ||||||||||||||||
| 30 | 24.0〜998.0 | 5 | 6 | 8 | 10 | 12 | 16 | 20 | 5 | 6 | 8 | 10 | 12 | 16 | 20 | 27 | 15 | ||||||||||||||||
| 35 | 70.0〜998.0 | 6 | 8 | 10 | 12 | 16 | 20 | 24 | 6 | 8 | 10 | 12 | 16 | 20 | 24 | 30 | |||||||||||||||||
| 40 | 80.0〜998.0 | 10 | 12 | 16 | 20 | 24 | 30 | 10 | 12 | 16 | 20 | 24 | 30 | 36 | 20 | ||||||||||||||||||
| 50 | 100.0〜998.0 | 12 | 16 | 20 | 24 | 30 | 12 | 16 | 20 | 24 | 30 | 41 | |||||||||||||||||||||
| 型式 | 指定0.1mm単位 | 指定1mm単位 | M(並目) 選択 | N(並目) 選択 | 指定1mm単位 | W | ℓ2 | (Y) max. | |||||||||||||||||||||||||
| Type | D | L | F | P | SC スパナ溝付タイプのみ | ||||||||||||||||||||||||||||
| 標準タイプ | スパナ溝付タイプ | ||||||||||||||||||||||||||||||||
NSFRA SFRA PSFRA SSFRA AHFRA (*印のサイズのみ) | NSFRAS SFRAS PSFRAS SSFRAS AHFRAS (*印のサイズのみ) | * 6 | 15.0〜498.0 | 2≦F≦P×5 AHFRA・AHFASのみ 2≦F≦P×4 | 5 | 2.6 | 3 | 2.6 | 3 | 4 | SC+ℓ2≦L SC=0またはSC≧1 [ ! ]SC≦M×3−Fまたは L−SC≦N×3の場合 W−M(N)≧2 | 5 | 8 | 500 | |||||||||||||||||||
* 8 | 15.0〜498.0 | M3〜M8のとき M+2≦P<D M10〜M16のとき M+3≦P<D M20,M24のとき M+4≦P<D M30のとき M+5≦P<D | 2.6 | 3 | 4 | 5 | 2.6 | 3 | 4 | 5 | 6 | 7 | 500 | ||||||||||||||||||||
*10 | 15.0〜798.0 | 3 | 4 | 5 | 6 | 3 | 4 | 5 | 6 | 8 | 800 | ||||||||||||||||||||||
*12 | 15.0〜898.0 | 3 | 4 | 5 | 6 | 8 | 3 | 4 | 5 | 6 | 8 | 10 | 10 | 900 | |||||||||||||||||||
13 | 15.0〜898.0 | 3 | 4 | 5 | 6 | 8 | 10 | 3 | 4 | 5 | 6 | 8 | 10 | 11 | |||||||||||||||||||
*15 | 15.0〜998.0 | 3 | 4 | 5 | 6 | 8 | 10 | 3 | 4 | 5 | 6 | 8 | 10 | 13 | 1000 | ||||||||||||||||||
*16 | 15.0〜998.0 | 4 | 5 | 6 | 8 | 10 | 12 | 4 | 5 | 6 | 8 | 10 | 12 | 14 | |||||||||||||||||||
17 | 24.0〜998.0 | 4 | 5 | 6 | 8 | 10 | 12 | 4 | 5 | 6 | 8 | 10 | 12 | ||||||||||||||||||||
18 | 24.0〜998.0 | 4 | 5 | 6 | 8 | 10 | 12 | 4 | 5 | 6 | 8 | 10 | 12 | 16 | 15 | ||||||||||||||||||
*20 | 24.0〜998.0 | 4 | 5 | 6 | 8 | 10 | 12 | 16 | 4 | 5 | 6 | 8 | 10 | 12 | 16 | 17 | 1000 | ||||||||||||||||
22 | 24.0〜998.0 | 4 | 5 | 6 | 8 | 10 | 12 | 16 | 4 | 5 | 6 | 8 | 10 | 12 | 16 | 19 | |||||||||||||||||
*25 | 24.0〜998.0 | 4 | 5 | 6 | 8 | 10 | 12 | 16 | 20 | 4 | 5 | 6 | 8 | 10 | 12 | 16 | 22 | ||||||||||||||||
30 | 24.0〜998.0 | 5 | 6 | 8 | 10 | 12 | 16 | 20 | 5 | 6 | 8 | 10 | 12 | 16 | 20 | 27 | 15 | ||||||||||||||||
35 | 70.0〜998.0 | 6 | 8 | 10 | 12 | 16 | 20 | 24 | 6 | 8 | 10 | 12 | 16 | 20 | 24 | 30 | |||||||||||||||||
40 | 80.0〜998.0 | 10 | 12 | 16 | 20 | 24 | 30 | 10 | 12 | 16 | 20 | 24 | 30 | 36 | 20 | ||||||||||||||||||
50 | 100.0〜998.0 | 12 | 16 | 20 | 24 | 30 | 12 | 16 | 20 | 24 | 30 | 41 | |||||||||||||||||||||
| 追加工 コード | 追加工内容 | 適用条件 | 指定例 | \/1Code | ||||||||||
| KC | キー溝1ヶ所追加![]() | KC・A=0.1mm単位指定 [ ! ]キー溝加工位置が端面から1mm未満の場合、 [ NG ]φ5以下は不可 | SSFRMHA30-250-F30-P20-M10-N10-KC20-A10 | 200 | ||||||||||
| WKC | キー溝2ヶ所追加![]() | WKC・C・K・E=0.1mm単位指定 [ ! ]キー溝加工位置が端面から1mm未満の場合、 [ NG ]φ5以下は不可 | SSFRMHA30-250-F30-P20-M10-N10-WKC5-C20-K5-E10 | 400 | ||||||||||
| KZ | キー溝1ヶ所(4ヵ所目用)追加![]() | KZ・Z=0.1mm単位指定 [ ! ]キー溝加工位置が端面から1mm未満の場合、 [ ! ]KC・WKCと併用時のみ指定可 | SSFRMHA30-250-F30-P20-M10-N10-KC5-A10-WKC20-C10-K60-E10-KZ100-Z10 | 200 | ||||||||||
| PKC | 段部Pキー溝(端面0地点)追加![]() | PKC=0.1mm単位指定 [ ! ]キー溝長さ≦70 [ NG ]P5以下は不可 | SSFRMHA30-250-F30-P20-M10-N10-PKC20.0 | 300 | ||||||||||
| PP | 段部Pキー溝(位置指定)追加![]() | PP・PK=0.1mm単位指定 [ ! ]キー溝長さ≦70 [ NG ]P5以下は不可 | SSFRMHA30-250-F30-P20-M10-N10-PP10-PK10 | 300 | ||||||||||
| PV | 段部Pキー溝複数ヶ所追加![]() | PV・PW=0.1mm単位指定 [ ! ]キー溝長さ≦70 [ NG ]P5以下は不可 [ ! ]PPと併用時のみ指定可 | SSFRMHA30-250-F30-P20-M10-N10-PP5-PK5-PV15-PW10 | 300 | ||||||||||
| FC | 平面取り1ヶ所追加![]() | FC・G=1mm単位指定 [ ! ]G≦70 ※Hはこちらを参照 | SSFRMHA30-250-F30-P20-M10-N10-FC10-G6 | 200 | ||||||||||
| WFC | 平面取り2ヶ所追加![]() | WFC・J・W・V=1mm単位指定 [ ! ]J・V≦70 ※Hはこちらを参照 | SSFRMHA30-250-F30-P20-M10-N10-WFC10-J15-W10-V20 | 300 | ||||||||||
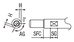
| SFC | 平面取り、角度指定2面取り追加![]() | SFC・SG=1mm単位指定 AG=15度単位指定 [ ! ]SG≦70 ※Hはこちらを参照 | SSFRMHA30-250-F30-P20-M10-N10-SFC10-SG6-AG120 | 500 | ||||||||||
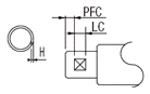
| PFC | 段部に平面取り追加![]() | PFC・LC=1mm単位指定 [ ! ]LC≦70 ※Hはこちらを参照 | SSFRMHA30-250-F30-P20-M10-N10-PFC10-LC10 | 200 | ||||||||||
| TL・TR | D部に止め輪溝追加工![]() | TL・TR=0.1mm単位指定 止め輪溝には適用止め輪が付属します。 E型止め輪タイプ>>こちらにて対応 C型止め輪タイプ>>こちらにて対応 溝幅公差について下部「軸径に対する止め輪溝部詳細寸法表」を ご確認ください
| SSFRMHA30-250-F30-P20-M10-N10-TL5-TR5 | 300 | ||||||||||
| TF | 段部に止め輪溝追加工![]() | TF=0.1mm単位指定 止め輪溝には適用止め輪が付属します。 E型止め輪タイプ>>こちらにて対応 C型止め輪タイプ>>こちらにて対応 溝幅公差について下部「軸径に対する止め輪溝部詳細寸法表」を ご確認ください
| SSFRMHA30-250-F30-P20-M10-N10-TF5 | 300 | ||||||||||
| UC | スリットカム用溝の追加![]() | UC=1mm単位指定 [ NG ]φ2・2.5、D13以上は不可 [ NG ]AHFRA・AHFRASは不可 ※d・ℓ1はこちらを参照 | SSFRMHA10-250-F30-P8-M5-N8-UC10 | 200 | ||||||||||
| LKC | L寸法公差変更![]() | L<500・・・L±0.05 L≧500・・・L±0.1 [ NG ]L800以上は不可 | SSFRMHA30-250-F30-P20-M10-N10-LKC | 400 | ||||||||||
| CKC | 同軸度変更![]() | 同軸度を0.02に変更します。 [ NG ]D部h9は不可 [ NG ]AHFRA・AHFRASは不可 [ ! ]Lmaxは右表参照
| SSFRMHA30-250-F30-P20-M10-N10-CKC | 800 | ||||||||||
| MD・ND | めねじ深さ変更![]() | MをMD、NをNDにかえて指定 [ NG ]M(N)2・M(N)2.6・M(N)24・M(N)30は不可 | SSFRMHA30-250-F30-P20-MD10-ND10 | 200 |
キー溝寸法
| ![]() | ||||||||||||||||||||||||||||||||||||||||||||||


回転軸 軸径に対する止め輪溝部詳細寸法
| 軸径 | d許容差 | 溝幅(m)許容差 | 適用止め輪 | 材質 | ||
| 2 | 1.2 | +0.06 0 | 0.4 | +0.05 0 | JIS E型1.2 | SUS304 >>こちら |
| 2.5 | 1.5 | 0.5 | JIS E型1.5 | |||
| 3 | 2 | JIS E型2 | ||||
| 4 | 3 | 0.7 | +0.1 0 | JIS E型3 | ||
| 5 | 4 | +0.075 0 | JIS E型4 | |||
| 6 | 5 | JIS E型5 | ||||
| 7 | 6 | 0.9 | JIS E型6 | |||
| 8 | 7 | +0.09 0 | JIS E型7 | |||
| 9 | 8 | JIS E型8 | ||||
| 10 | 9.6 | 0/-0.09 | 1.15 | +0.14 0 | JIS C型10 | SUS304 >>こちら |
| 11 | 10.5 | 0 -0.11 | JIS C型11 | |||
| 12 | 11.5 | JIS C型12 | ||||
| 13 | 12.4 | JIS C型13 | ||||
| 14 | 13.4 | JIS C型14 | ||||
| 15 | 14.3 | JIS C型15 | ||||
| 16 | 15.2 | JIS C型16 | ||||
| 17 | 16.2 | JIS C型17 | ||||
| 18 | 17 | 1.35 | JIS C型18 | |||
| 19 | 18 | JIS C型19 | ||||
| 軸径 | d許容差 | 溝幅(m)許容差 | 適用止め輪 | 材質 | ||
| 20 | 19 | 0 -0.21 | 1.35 | +0.14 0 | JIS C型20 | SUS304 >>こちら |
| 21 | 20 | JIS C型21 | ||||
| 22 | 21 | JIS C型22 | ||||
| 23 | 22 | JIS C型23 | ||||
| 24 | 22.9 | JIS C型24 | ||||
| 25 | 23.9 | JIS C型25 | ||||
| 26 | 24.9 | JIS C型26 | ||||
| 28 | 26.6 | 1.65 | JIS C型28 | |||
| 29 | 27.6 | JIS C型29 | ||||
| 30 | 28.6 | JIS C型30 | ||||
| 32 | 30.3 | 0 -0.25 | JIS C型32 | |||
| 35 | 33 | JIS C型35 | ||||
| 40 | 38 | 1.9 | JIS C型40 | |||
| 45 | 42.5 | JIS C型45 | ||||
| 50 | 47 | 2.2 | JIS C型50 | |||

[ ! ]止め輪溝には適用止め輪が付属します。
[ ! ]溝幅(m)について旧JIS規格【JIS B2805(1978)】となっております。ご注意ください。
■高硬度ステンレスについて
高硬度ステンレスとは、ミスミ独自のオリジナル材質で、JIS規格のSUS番号(SUS304、SUS440Cなど)には該当しない高硬度・高強度・耐食性を兼ね備えたステンレス系材料です。
| D | 中央硬度(HRC) |
| 3 | 35以上 |
| 4 | 35以上 |
| 5 | 35以上 |
| 6 | 35以上 |
| 8 | 35以上 |
| 10 | 30以上 |
| 12 | 30以上 |
| 15 | 30以上 |
| 16 | 30以上 |
| 20 | 25以上 |
| 25 | 25以上 |
| 材質 | 引張強さ (MPa) | 降伏点 (0.2%耐力) (MPa) | 縦弾性係数 (GPa) | 横弾性係数 (GPa) | ポアソン比 |
| S45C | 570以上 | 345以上 | 200以上 | 77以上 | 0.3 |
| SUS304 | 520以上 | 210以上 | 193以上 | 74以上 | 0.3 |
| SCM435 | 930以上 | 785以上 | 206以上 | 79以上 | 0.3 |
| 高硬度ステンレス | 1102 | 715 | 199 | 77 | 0.3 |
| C | Si | Mn | P | S | Ni | Cr |
| 0.15-0.25 | ≦0.50 | 7.5-9.5 | ≦0.05 | ≧0.12 | 1.5-3.0 | 13-15 |
■リニアシャフトとの違い(基本仕様)
| D | 真円度 M | |||
| を超え | 以下 | 回転軸 (g6, h7焼き入れなし) | シャフト (g6, h5焼き入れ) | シャフト (f8焼き入れなし) |
| 2 | 2.5 | 0.006 | 0.004 | ー |
| 3 | 13 | 0.004 | 0.004 | D5-9, 0.011 |
| 13 | 20 | 0.005 | 0.005 | D10-17, 0.014 |
| 20 | 40 | 0.006 | 0.006 | D18-29, 0.017 |
| 40 | 50 | 0.007 | 0.007 | D30-49, 0.020 |
| 真直度 K | ||||
| D | L | 回転軸 (g6, h7焼き入れなし) | シャフト (g6, h5焼き入れ) | シャフト (f8焼き入れなし) |
| 2・ 2.5 | 条件なし | 0.1 | ー | ー |
| 3・4 | 条件なし | 0.03 | (L/100)×0.05以下 | ー |
| 5 | 条件なし | 0.02 | (L/100)×0.03以下 | ー |
| 6~50 | 100以下 | 0.01 | 0.01以下 | D条件なし 0.025以下 |
| 100を超え | (L/100)×0.01以下 | D条件なし (L/100)×0.025以下 | ||
| 同軸度(おねじ・段付タイプ) | |
| 回転軸 (g6, h7焼き入れなし) | シャフト (g6, h5焼き入れ) |
| 0.06 | 0.1 |
| 直角度 | |
| 回転軸 (g6, h7焼き入れなし) | シャフト (g6, h5焼き入れ) |
| 0.05 | 0.2 |
・回転軸と併用できる「搬送用ローラー」を新発売いたしました。搬送や、封入袋等の引張用途でご使用いただけます。

| Oリング材質 | 硬度 | 色 | 種類 |
| ウレタンゴム | 94 | 乳白 | アイアンラバーOリング Pシリーズ (NOK) |
| ニトリルゴム | 70 | 黒 | JIS B 2401 Pシリーズ (NOK) |
| ニトリルゴム | 90 | 黒 | |
| フッ素ゴム | 70 | 黒 |
| 型番 |
|---|
通常単価(税別)
(税込単価) | 通常出荷日 |
|---|
- ( - ) | 2日目 |
- ( - ) | 2日目 |
- ( - ) | 2日目 |
- ( - ) | 2日目 |
- ( - ) | 2日目 |
- ( - ) | 2日目 |
- ( - ) | 2日目 |
- ( - ) | 2日目 |
- ( - ) | 2日目 |
- ( - ) | 2日目 |
- ( - ) | 2日目 |
- ( - ) | 2日目 |
- ( - ) | 2日目 |
- ( - ) | 2日目 |
- ( - ) | 2日目 |
- ( - ) | 2日目 |
- ( - ) | 2日目 |
- ( - ) | 2日目 |
- ( - ) | 2日目 |
- ( - ) | 2日目 |
- ( - ) | 2日目 |
- ( - ) | 2日目 |
- ( - ) | 2日目 |
- ( - ) | 2日目 |
- ( - ) | 2日目 |
- ( - ) | 2日目 |
- ( - ) | 2日目 |
- ( - ) | 2日目 |
- ( - ) | 2日目 |
- ( - ) | 2日目 |
- ( - ) | 2日目 |
- ( - ) | 2日目 |
- ( - ) | 2日目 |
- ( - ) | 2日目 |
- ( - ) | 2日目 |
- ( - ) | 2日目 |
- ( - ) | 2日目 |
- ( - ) | 2日目 |
- ( - ) | 2日目 |
- ( - ) | 2日目 |
- ( - ) | 2日目 |
- ( - ) | 2日目 |
- ( - ) | 2日目 |
- ( - ) | 2日目 |
- ( - ) | 2日目 |
- ( - ) | 2日目 |
- ( - ) | 2日目 |
- ( - ) | 2日目 |
- ( - ) | 2日目 |
- ( - ) | 2日目 |
- ( - ) | 2日目 |
- ( - ) | 2日目 |
- ( - ) | 2日目 |
- ( - ) | 2日目 |
- ( - ) | 2日目 |
- ( - ) | 2日目 |
- ( - ) | 2日目 |
- ( - ) | 2日目 |
- ( - ) | 2日目 |
- ( - ) | 2日目 |
硬度に加え耐食性を備えた新材質:高硬度ステンレスが加わりました。引張強さ・耐食性を要する箇所にご使用ください。
追加工最大37%の大幅値下げ!全長最大1000mmまでに拡大!
追加工で段付部へのキー溝・平面取り・止め輪加工も可能!
【基本形状】片端一段
【軸端形状(左)】段付きめねじ
【軸端形状(右)】めねじ
【材質】S45C相当、SUS304、高硬度ステンレス
【追加工対応】キー溝、止め輪溝、平面取り、スリットカム用溝、L寸法公差変更、同軸度変更、めねじ深さ変更
| D | 最短L | L50.1 | L100.1 | L150.1 | L200.1 | L300.1 | L400.1 | L600.1 | L800.1 |
| ~ | ~ | ~ | ~ | ~ | ~ | ~ | ~ | ~ | |
| 50.0 | 100.0 | 150.0 | 200.0 | 300.0 | 400.0 | 600.0 | 800.0 | 998.0 | |
| 6 | 540 | 600 | 670 | 810 | 1,120 | 1,280 | 1,550 | - | - |
| 8 | 540 | 600 | 670 | 810 | 1,120 | 1,280 | 1,550 | - | - |
| 10 | 540 | 600 | 670 | 810 | 1,120 | 1,280 | 1,550 | 2,020 | - |
| 12 | 590 | 700 | 750 | 860 | 1,190 | 1,340 | 1,930 | 2,250 | 2,610 |
| 13 | 640 | 750 | 790 | 910 | 1,250 | 1,430 | 2,040 | 2,370 | 2,760 |
| 15 | 660 | 760 | 810 | 930 | 1,270 | 1,460 | 2,090 | 2,440 | 2,840 |
| 16 | 690 | 810 | 850 | 980 | 1,330 | 1,520 | 2,150 | 2,520 | 2,950 |
| 17 | 760 | 910 | 960 | 1,080 | 1,490 | 1,680 | 2,310 | 2,730 | 3,230 |
| 18 | 800 | 990 | 1,030 | 1,140 | 1,600 | 1,790 | 2,420 | 2,880 | 3,430 |
| 20 | 820 | 1,030 | 1,070 | 1,190 | 1,660 | 1,850 | 2,480 | 2,960 | 3,550 |
| 22 | 1,010 | 1,250 | 1,390 | 1,530 | 1,950 | 2,420 | 3,240 | 3,890 | 4,640 |
| 25 | 1,080 | 1,340 | 1,510 | 1,680 | 2,080 | 2,550 | 3,430 | 4,110 | 4,900 |
| 30 | 1,480 | 1,550 | 1,770 | 1,960 | 2,560 | 3,010 | 3,980 | 5,060 | 6,430 |
| 35 | - | 2,320 | 2,570 | 2,860 | 3,820 | 4,360 | 5,820 | 7,380 | 9,380 |
| D | 最短L | L50.1 | L100.1 | L150.1 | L200.1 | L300.1 | L400.1 | L600.1 | L800.1 |
| ~ | ~ | ~ | ~ | ~ | ~ | ~ | ~ | ~ | |
| 50.0 | 100.0 | 150.0 | 200.0 | 300.0 | 400.0 | 600.0 | 800.0 | 998.0 | |
| 6 | 560 | 620 | 690 | 830 | 1,160 | 1,310 | 1,600 | - | - |
| 8 | 560 | 620 | 690 | 830 | 1,160 | 1,310 | 1,600 | - | - |
| 10 | 560 | 620 | 690 | 830 | 1,160 | 1,310 | 1,600 | 2,080 | - |
| 12 | 620 | 740 | 780 | 900 | 1,240 | 1,410 | 2,020 | 2,340 | 2,720 |
| 13 | 670 | 780 | 830 | 960 | 1,300 | 1,490 | 2,130 | 2,480 | 2,880 |
| 15 | 690 | 790 | 850 | 980 | 1,330 | 1,520 | 2,180 | 2,540 | 2,950 |
| 16 | 720 | 840 | 900 | 1,030 | 1,410 | 1,600 | 2,260 | 2,650 | 3,090 |
| 17 | 800 | 970 | 1,020 | 1,140 | 1,590 | 1,770 | 2,450 | 2,890 | 3,410 |
| 18 | 850 | 1,050 | 1,100 | 1,230 | 1,700 | 1,900 | 2,570 | 3,060 | 3,640 |
| 20 | 880 | 1,100 | 1,140 | 1,270 | 1,770 | 1,970 | 2,650 | 3,160 | 3,780 |
| 22 | 1,080 | 1,340 | 1,480 | 1,640 | 2,090 | 2,570 | 3,450 | 4,130 | 4,940 |
| 25 | 1,160 | 1,440 | 1,620 | 1,800 | 2,220 | 2,720 | 3,650 | 4,370 | 5,220 |
| 30 | 1,460 | 1,690 | 1,930 | 2,140 | 2,790 | 3,280 | 4,330 | 5,500 | 6,990 |
| 35 | - | 2,530 | 2,800 | 3,110 | 4,160 | 4,750 | 6,330 | 8,030 | 10,200 |
| D | 最短L | L50.1 | L100.1 | L150.1 | L200.1 | L300.1 | L400.1 | L600.1 | L800.1 |
| ~ | ~ | ~ | ~ | ~ | ~ | ~ | ~ | ~ | |
| 50.0 | 100.0 | 150.0 | 200.0 | 300.0 | 400.0 | 600.0 | 800.0 | 998.0 | |
| 6 | 620 | 720 | 820 | 920 | 1,280 | 1,540 | 1,660 | - | - |
| 8 | 620 | 720 | 820 | 920 | 1,280 | 1,540 | 1,660 | - | - |
| 10 | 620 | 720 | 820 | 920 | 1,280 | 1,470 | 1,660 | 2,080 | - |
| 12 | 690 | 840 | 860 | 1,010 | 1,350 | 1,540 | 2,180 | 2,460 | 2,780 |
| 13 | 760 | 900 | 910 | 1,060 | 1,440 | 1,690 | 2,380 | 2,690 | 3,050 |
| 15 | 780 | 920 | 930 | 1,080 | 1,470 | 1,750 | 2,480 | 2,790 | 3,170 |
| 16 | 840 | 1,010 | 1,050 | 1,210 | 1,630 | 1,930 | 2,710 | 3,210 | 3,620 |
| 17 | 1,000 | 1,230 | 1,330 | 1,530 | 2,030 | 2,390 | 3,310 | 4,290 | 4,810 |
| 18 | 1,100 | 1,380 | 1,530 | 1,760 | 2,300 | 2,710 | 3,720 | 5,050 | 5,630 |
| 20 | 1,170 | 1,460 | 1,650 | 1,900 | 2,470 | 2,910 | 3,970 | 5,520 | 6,140 |
| 22 | 1,390 | 1,820 | 2,020 | 2,270 | 3,070 | 4,130 | 6,080 | 8,150 | 8,960 |
| 25 | 1,480 | 1,960 | 2,170 | 2,430 | 3,320 | 4,430 | 6,600 | 8,800 | 9,650 |
| 30 | 1,830 | 2,680 | 2,990 | 3,400 | 4,410 | 5,850 | 8,450 | 11,260 | 12,750 |
| 35 | - | 3,890 | 4,280 | 4,970 | 6,390 | 8,530 | 12,340 | 16,410 | 18,570 |
| D | 最短L | L50.1 | L100.1 | L150.1 | L200.1 | L300.1 | L400.1 | L600.1 | L800.1 |
| ~ | ~ | ~ | ~ | ~ | ~ | ~ | ~ | ~ | |
| 50.0 | 100.0 | 150.0 | 200.0 | 300.0 | 400.0 | 600.0 | 800.0 | 998.0 | |
| 6 | 690 | 770 | 890 | 1,000 | 1,550 | 1,730 | 1,910 | - | - |
| 8 | 690 | 770 | 890 | 1,000 | 1,550 | 1,730 | 1,910 | - | - |
| 10 | 690 | 770 | 890 | 1,000 | 1,510 | 1,730 | 1,910 | 2,350 | - |
| 12 | 810 | 950 | 1,020 | 1,140 | 1,640 | 1,890 | 2,380 | 3,030 | 3,750 |
| 15 | 1,000 | 1,170 | 1,220 | 1,540 | 2,240 | 2,480 | 3,120 | 3,970 | 4,900 |
| 16 | 1,070 | 1,280 | 1,350 | 1,680 | 2,350 | 2,770 | 3,720 | 4,830 | 5,670 |
| 20 | 1,250 | 1,550 | 1,690 | 2,010 | 2,660 | 3,530 | 5,290 | 7,070 | 7,690 |
| 25 | 1,700 | 2,030 | 2,270 | 2,610 | 3,440 | 4,600 | 6,890 | 9,160 | 10,010 |
| 30 | 2,190 | 2,870 | 3,180 | 3,620 | 4,680 | 6,230 | 8,940 | 11,960 | 13,450 |
| 35 | - | 4,310 | 4,860 | 5,240 | 6,800 | 9,080 | 13,130 | 17,420 | 19,580 |
| D | 最短L | L50.1 | L100.1 | L150.1 | L200.1 | L300.1 | L400.1 | L600.1 | L800.1 |
| ~ | ~ | ~ | ~ | ~ | ~ | ~ | ~ | ~ | |
| 50.0 | 100.0 | 150.0 | 200.0 | 300.0 | 400.0 | 600.0 | 800.0 | 998.0 | |
| 6 | 610 | 670 | 760 | 910 | 1,280 | 1,460 | 1,760 | - | - |
| 8 | 610 | 670 | 760 | 910 | 1,280 | 1,460 | 1,760 | - | - |
| 10 | 610 | 670 | 760 | 910 | 1,280 | 1,460 | 1,760 | 2,290 | - |
| 12 | 670 | 790 | 830 | 980 | 1,330 | 1,520 | 2,190 | 2,550 | 2,960 |
| 13 | 740 | 840 | 900 | 1,030 | 1,430 | 1,630 | 2,340 | 2,740 | 3,200 |
| 15 | 750 | 850 | 910 | 1,050 | 1,450 | 1,650 | 2,370 | 2,770 | 3,230 |
| 16 | 810 | 920 | 990 | 1,130 | 1,650 | 1,880 | 2,550 | 3,010 | 3,570 |
| 17 | 820 | 930 | 990 | 1,140 | 1,670 | 1,900 | 2,580 | 3,050 | 3,590 |
| 18 | 820 | 1,020 | 1,060 | 1,290 | 1,880 | 2,100 | 2,810 | 3,360 | 4,010 |
| 20 | 930 | 1,170 | 1,210 | 1,340 | 1,880 | 2,100 | 2,810 | 3,360 | 4,010 |
| 22 | 1,100 | 1,370 | 1,540 | 1,710 | 2,110 | 2,600 | 3,500 | 4,150 | 4,920 |
| 25 | 1,230 | 1,520 | 1,720 | 1,910 | 2,350 | 2,900 | 3,900 | 4,650 | 5,570 |
| 30 | 1,550 | 1,750 | 2,010 | 2,230 | 2,910 | 3,410 | 4,520 | 5,740 | 7,300 |
| 35 | - | 2,640 | 2,920 | 3,240 | 4,350 | 4,950 | 6,620 | 8,390 | 10,640 |
| 40 | - | 3,160 | 3,500 | 3,900 | 5,220 | 5,930 | 7,940 | 10,070 | 12,780 |
| 50 | - | 4,120 | 4,570 | 5,070 | 6,800 | 7,730 | 10,340 | 13,090 | 16,580 |
| D | 最短L | L50.1 | L100.1 | L150.1 | L200.1 | L300.1 | L400.1 | L600.1 | L800.1 |
| ~ | ~ | ~ | ~ | ~ | ~ | ~ | ~ | ~ | |
| 50.0 | 100.0 | 150.0 | 200.0 | 300.0 | 400.0 | 600.0 | 800.0 | 998.0 | |
| 6 | 630 | 690 | 780 | 930 | 1,310 | 1,490 | 1,810 | - | - |
| 8 | 630 | 690 | 780 | 930 | 1,310 | 1,490 | 1,810 | - | - |
| 10 | 630 | 690 | 780 | 930 | 1,310 | 1,490 | 1,810 | 2,550 | - |
| 12 | 700 | 830 | 870 | 1,020 | 1,400 | 1,600 | 2,290 | 2,670 | 3,110 |
| 13 | 770 | 880 | 950 | 1,080 | 1,490 | 1,700 | 2,450 | 2,860 | 3,330 |
| 15 | 780 | 890 | 960 | 1,100 | 1,510 | 1,720 | 2,480 | 2,890 | 3,360 |
| 16 | 860 | 990 | 1,050 | 1,210 | 1,760 | 2,010 | 2,720 | 3,210 | 3,800 |
| 17 | 870 | 1,000 | 1,060 | 1,230 | 1,790 | 2,030 | 2,750 | 3,240 | 3,820 |
| 18 | 870 | 1,090 | 1,130 | 1,380 | 2,010 | 2,240 | 3,000 | 3,580 | 4,270 |
| 20 | 1,000 | 1,250 | 1,290 | 1,440 | 2,010 | 2,240 | 3,000 | 3,580 | 4,270 |
| 22 | 1,180 | 1,460 | 1,650 | 1,830 | 2,250 | 2,770 | 3,730 | 4,420 | 5,240 |
| 25 | 1,310 | 1,630 | 1,840 | 2,040 | 2,510 | 3,090 | 4,150 | 4,960 | 5,920 |
| 30 | 1,660 | 1,910 | 2,180 | 2,430 | 3,170 | 3,720 | 4,910 | 6,250 | 7,940 |
| 35 | - | 2,870 | 3,180 | 3,530 | 4,730 | 5,390 | 7,190 | 9,120 | 11,570 |
| 40 | - | 3,440 | 3,810 | 4,240 | 5,680 | 6,460 | 8,630 | 10,950 | 13,890 |
| 50 | - | 4,480 | 4,970 | 5,520 | 7,400 | 8,410 | 11,250 | 14,240 | 18,030 |
| D | 最短L | L50.1 | L100.1 | L150.1 | L200.1 | L300.1 | L400.1 | L600.1 | L800.1 |
| ~ | ~ | ~ | ~ | ~ | ~ | ~ | ~ | ~ | |
| 50.0 | 100.0 | 150.0 | 200.0 | 300.0 | 400.0 | 600.0 | 800.0 | 998.0 | |
| 6 | 690 | 820 | 920 | 1,050 | 1,450 | 1,650 | 1,880 | - | - |
| 8 | 690 | 820 | 920 | 1,050 | 1,450 | 1,650 | 1,880 | - | - |
| 10 | 690 | 820 | 920 | 1,050 | 1,450 | 1,660 | 1,880 | 2,350 | - |
| 12 | 780 | 950 | 980 | 1,140 | 1,530 | 1,750 | 2,480 | 2,790 | 3,170 |
| 13 | 840 | 1,020 | 1,050 | 1,210 | 1,650 | 1,960 | 2,780 | 3,140 | 3,560 |
| 15 | 870 | 1,050 | 1,060 | 1,230 | 1,670 | 1,980 | 2,810 | 3,170 | 3,600 |
| 16 | 950 | 1,190 | 1,220 | 1,400 | 1,900 | 2,290 | 3,100 | 4,160 | 4,750 |
| 17 | 960 | 1,200 | 1,230 | 1,420 | 1,920 | 2,310 | 3,130 | 4,190 | 4,770 |
| 18 | 1,060 | 1,340 | 1,400 | 1,710 | 2,320 | 2,640 | 3,450 | 5,220 | 5,910 |
| 20 | 1,320 | 1,650 | 1,870 | 2,150 | 2,800 | 3,300 | 4,500 | 6,270 | 6,960 |
| 22 | 1,560 | 1,940 | 2,150 | 2,390 | 3,140 | 3,570 | 4,670 | 6,530 | 7,340 |
| 25 | 1,680 | 2,230 | 2,470 | 2,750 | 3,770 | 5,030 | 7,500 | 10,000 | 10,960 |
| 30 | 2,080 | 3,030 | 3,390 | 3,860 | 5,010 | 6,640 | 9,600 | 12,790 | 14,480 |
| 35 | - | 4,410 | 4,860 | 5,640 | 7,270 | 9,680 | 14,020 | 18,650 | 21,090 |
| 40 | - | 4,860 | 5,340 | 6,210 | 7,990 | 10,670 | 15,420 | 20,510 | 23,450 |
| 50 | - | 5,340 | 5,900 | 6,810 | 8,800 | 11,740 | 22,120 | 28,420 | 32,210 |
| D | 最短L | L50.1 | L100.1 | L150.1 | L200.1 | L300.1 | L400.1 | L600.1 | L800.1 |
| ~ | ~ | ~ | ~ | ~ | ~ | ~ | ~ | ~ | |
| 50.0 | 100.0 | 150.0 | 200.0 | 300.0 | 400.0 | 600.0 | 800.0 | 998.0 | |
| 6 | 770 | 850 | 990 | 1,100 | 1,720 | 1,920 | 2,120 | - | - |
| 8 | 770 | 850 | 990 | 1,100 | 1,720 | 1,920 | 2,120 | - | - |
| 10 | 770 | 850 | 990 | 1,100 | 1,720 | 1,920 | 2,120 | 2,570 | - |
| 12 | 890 | 1,050 | 1,120 | 1,270 | 1,820 | 2,100 | 2,650 | 3,360 | 4,150 |
| *13 | 1,040 | 1,220 | 1,270 | 1,560 | 2,260 | 2,530 | 3,190 | 4,050 | 4,700 |
| 15 | 1,100 | 1,290 | 1,340 | 1,710 | 2,480 | 2,750 | 3,470 | 4,400 | 4,980 |
| *16 | 1,140 | 1,400 | 1,440 | 1,770 | 2,540 | 2,800 | 3,790 | 4,470 | 5,050 |
| 17 | 1,160 | 1,440 | 1,480 | 1,800 | 2,560 | 2,820 | 3,950 | 4,500 | 5,080 |
| *18 | 1,310 | 1,630 | 1,740 | 2,090 | 2,820 | 3,710 | 5,490 | 7,180 | 7,850 |
| 20 | 1,390 | 1,720 | 1,870 | 2,230 | 2,950 | 3,920 | 5,870 | 7,840 | 8,540 |
| *22 | 1,720 | 2,070 | 2,300 | 2,680 | 3,530 | 4,870 | 7,300 | 9,700 | 10,620 |
| 25 | 1,890 | 2,250 | 2,520 | 2,900 | 3,820 | 5,100 | 7,640 | 10,160 | 11,130 |
| 30 | 2,440 | 3,180 | 3,530 | 4,020 | 5,200 | 6,910 | 9,920 | 13,280 | 14,970 |
| 35 | - | 4,780 | 5,400 | 5,820 | 7,560 | 10,090 | 14,570 | 19,350 | 21,800 |
| 40 | - | 5,440 | 5,940 | 6,410 | 8,330 | 11,110 | 16,040 | 21,290 | 24,230 |
| 50 | - | 6,020 | 6,540 | 7,070 | 9,160 | 12,220 | 22,770 | 28,860 | 32,660 |
| D | 最短L | L50.1 | L100.1 | L150.1 | L200.1 | L300.1 | L400.1 | L600.1 |
| ~ | ~ | ~ | ~ | ~ | ~ | ~ | ~ | |
| 50 | 100 | 150 | 200 | 300 | 400 | 600 | 800 | |
| 6 | 920 | 1,020 | 1,180 | 1,320 | 2,060 | 2,300 | 2,540 | - |
| 8 | 920 | 1,020 | 1,180 | 1,320 | 2,060 | 2,300 | 2,540 | - |
| 10 | 960 | 1,060 | 1,230 | 1,370 | 2,150 | 2,400 | 2,650 | 3,210 |
| 12 | 1,150 | 1,360 | 1,450 | 1,650 | 2,360 | 2,730 | 3,440 | 4,360 |
| 15 | 1,480 | 1,740 | 1,800 | 2,300 | 3,340 | 3,710 | 4,680 | 5,940 |
| 16 | 1,590 | 1,960 | 2,010 | 2,470 | 3,550 | 3,920 | 5,300 | 6,250 |
| 20 | 2,010 | 2,490 | 2,710 | 3,230 | 4,270 | 5,680 | 8,510 | 11,360 |
| 25 | 3,020 | 4,730 | 6,450 | 8,160 | 11,590 | 15,030 | 21,890 | 25,320 |
| 数量区分 | 標準対応 | 個別対応 | |||||
| 小口 | 大口 | 大口 | |||||
| 数量 | 1~9 | 10~14 | 15~19 | 20~49 | 50~300 | 301~400 | 401~ |
| 値引率 | 基準単価 | 5% | 10% | 20% | 25% | 45% | お見積り |
| 出荷日 | 通常 | +1日 | +2日 | +3日 | |||




通常価格、通常出荷日が表示と異なる場合がございます
通常価格、通常出荷日が表示と異なる場合がございます

ミスミ
回転軸 ストレートタイプ
4.6
ミスミ
回転軸 両端めねじタイプ
4.7
ミスミ
回転軸 止め輪溝タイプ
4.6
ミスミ
回転軸 片端めねじタイプ/片端めねじスパナ溝付タイプ
4.7
ミスミ
回転軸 両端段付タイプ
4.5
ミスミ
回転軸 ストレート キー溝付きタイプ
4.6
ミスミ
回転軸 片端段付タイプ
4.7
ミスミ
回転軸 片端段付 片端おねじタイプ/片端段付 片端おねじスパナ溝付タイプ
4.4
ミスミ
回転軸 片端段付 片端おねじ 片端めねじタイプ/片端段付 片端おねじ 片端めねじスパナ溝付タイプ
4.4