メカニカル部品技術窓口
![]() | RGPFN両端段付タイプ |
![]() | |
| RGPFT両端段付めねじタイプ | |
![]() | |
| RGPFF片端めねじ・片端フランジタイプ | |
![]() |
| Type | シャフト・ブッシュ | リテーナ | ニードルローラ | 使用雰囲気温度 | ||
| 材質 | 硬度 | 材質 | 材質 | 硬度 | ||
| RGPFN (両端段付) RGPFT (両端段付めねじ) RGPFF (片端めねじ・片端フランジ) | SUJ2 | 58HRC~ | ポリアセタール | SUJ2 | 58HRC~ | 0~80℃ |
| 型式 | − | L |
| RGPFN10 | − | 60 |
| 型式 | L 指定10mm単位 | 有効 ストローク (往復) | シャフト | ||||||||||
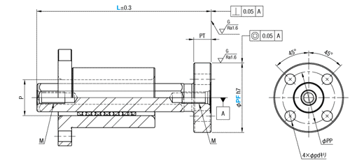
| Type | 呼び | B | M | Dg6 | F | PF h7 | PT | PP | pd | ||||
| (RGPFN・RGPFT) | (RGPFF) | ||||||||||||
| RGPFN (両端段付) RGPFT (両端段付めねじ) RGPFF (片端めねじ・片端フランジ) | 6 | 50~70 | 20 | 7.8 | M3×6 | 6 | -0.004 -0.012 | 8 | 22.8 | 0 -0.021 | 5 | 15.3 | 3.4 |
| 10 | 60~80 | 30.0 | 11.0 | M5×10 | 10 | -0.005 -0.014 | 8 | 30 | 7 | 22 | 4.5 | ||
| 12 | 90~120 | 40 | 14.6 | M6×12 | 12 | -0.006 -0.017 | 10 | 36 | 0 -0.025 | 9 | 27 | 5.5 | |
| 16 | 100~130 | 50 | 18.9 | M8×16 | 16 | 10 | 41 | 9 | 31.5 | 5.5 | |||
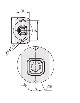
| 型式 | ブッシュ | リテーナ | |||||||||||
| Type | 呼び | D1 | L1 | T | H | W | P | d | A | R | d2 | L2 (長さ) | ニードル 本数 |
| RGPFN (両端段付) RGPFT (両端段付めねじ) RGPFF (片端めねじ・片端フランジ) | 6 | 16 | 25 | 5 | 32 | 17 | 10.8 | 3.4 | 24 | 15 | 1.5 | 4.8 | 14 |
| 10 | 24 | 36 | 7 | 43 | 25 | 15 | 4.5 | 33 | 19 | 2 | 4.8 | 20 | |
| 12 | 31 | 50 | 7 | 50 | 32 | 18.6 | 5.5 | 40 | 30 | 2 | 6.8 | 24 | |
| 16 | 32 | 60 | 7 | 55 | 33 | 22.9 | 6.6 | 43 | 33 | 2 | 6.8 | 24 | |
| 呼び | 基本定格トルク | 基本定格荷重 | 静的許容モーメント | ||
| CT 動(N・m) | CoT 静(N・m) | C 動(kN) | Co 静(kN) | Mo(N・m) | |
| 6 | 12.3 | 21 | 3.4 | 5 | 10.6 |
| 10 | 48.7 | 84.4 | 6.8 | 10 | 23 |
| 12 | 91.3 | 162.9 | 11.9 | 17.4 | 76.4 |
| 16 | 115.7 | 212 | 11.9 | 17.4 | 83.6 |
| 呼び | たわみ量 (L寸max時) |
| 6 | 6μm |
| 10 | 2μm |
| 12 | 2μm |
| 16 | 1μm |
| 型番 |
|---|
通常単価(税別)
(税込単価) | 通常出荷日 |
|---|
- ( - ) | 7日目 |
- ( - ) | 7日目 |
- ( - ) | 7日目 |
- ( - ) | 7日目 |
- ( - ) | 7日目 |
- ( - ) | 7日目 |
- ( - ) | 7日目 |
- ( - ) | 7日目 |
- ( - ) | 7日目 |
- ( - ) | 7日目 |
- ( - ) | 7日目 |
- ( - ) | 7日目 |
四角形シャフトとブッシュの間に高精度のニードルローラを配置し、シャフトとブッシュとの間でニードルローラへ1~6μmの与圧が作用する構造です。
高精度・高負荷・トルク伝達を実現する規格です。
型式 | L 指定10mm単位 | ¥基準単価 | ¥スライド単価 | |
Type | 呼び | 1~10コ | 11コ~ | |
RGPFN | 6 | 50~70 | 29,210 | 27,750 |
10 | 60~80 | 29,410 | 27,940 | |
12 | 90~120 | 30,400 | 28,880 | |
16 | 100~130 | 31,070 | 29,830 | |
RGPFT | 6 | 50~70 | 29,860 | 28,370 |
10 | 60~80 | 30,070 | 28,560 | |
12 | 90~120 | 31,050 | 29,810 | |
16 | 100~130 | 31,720 | 30,130 | |
RGPFF | 6 | 50~70 | 32,980 | 31,330 |
10 | 60~80 | 33,240 | 31,580 | |
12 | 90~120 | 35,820 | 34,030 | |
16 | 100~130 | 36,850 | 35,010 | |
基本定格荷重 荷重点 1Kg 変位測定点




通常価格、通常出荷日が表示と異なる場合がございます
通常価格、通常出荷日が表示と異なる場合がございます

ミスミ
ボールスプライン 片端段付タイプ
0
ミスミ
ボールスプライン スタンダードタイプ
3.7
ミスミ
ボールスプライン 両端段付めねじタイプ
4
ミスミ
ボールスプライン 両端段付タイプ
0
THK
スプラインナット
3.8通常価格(税別):2,420円~

ミスミ
ボールスプライン 両端めねじタイプ
4.3
ミスミ
ボールスプライン 片端めねじタイプ
5
ミスミ
ボールスプライン 片端段付おねじ片端めねじタイプ
3
ミスミ
【エコノミーシリーズ】 ボールスプライン 中空軸 丸フランジナット 両端めねじタイプ
0