メカニカル部品技術窓口
ミスミ品のみ対象
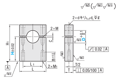
【特長】・メンテナンスが容易なシャフトホルダです。・シャフトの締結方法は、セパレートです。

| Type | [ M ]材質 | [ S ]表面処理 | [ A ]付属品 |
| SHSPB | S45C相当 | 四三酸化鉄皮膜 | 六角穴付ボルト2本 |
| SHSPM | 無電解ニッケルメッキ | 六角穴付ボルト2本 (SUS) | |
| SHSPS | SUS304 | − | |
| SHSPA | A6063 | 白アルマイト | |
| SHSPK | 黒アルマイト | 六角穴付ボルト2本 |
| 型式 | − | H |
| SHSPB10 SHSPA16 [oil]SF−SHSPS20 | − − − | 25 30 40 |
| 型式 | H 選択 | L | H1 | T | L1 | 締付ボルト M | M1 | d | d1 | ℓ | C | ¥基準単価 | |||||||||
| Type | D | SHSPB | SHSPM | SHSPS | SHSPA | SHSPK | |||||||||||||||
| SHSPB SHSPM SHSPS SHSPA SHSPK | 8 | 25 | 30 | 26 | H+10 | 12 | 16 | M4深8 | 4 | 4.5 | 8 | 4.5 | 2 | 2,030 | 2,100 | 3,920 | 1,940 | 2,000 | |||
| 10 | 25 | 30 | 32 | 20 | 2,210 | 2,260 | 3,940 | 2,100 | 2,170 | ||||||||||||
| 12 | 25 | 30 | 2,310 | 2,380 | 4,780 | 2,230 | 2,290 | ||||||||||||||
| 13 | 25 | 30 | 21 | 2,450 | 2,500 | 4,860 | 2,360 | 2,420 | |||||||||||||
| 15 | 25 | 30 | 40 | 34 | H+12 | 23 | 2,680 | 2,730 | 5,570 | 2,570 | 2,650 | ||||||||||
| 16 | 25 | 30 | 40 | ||||||||||||||||||
| 18 | 30 | 40 | 50 | 44 | H+17 | 16 (15) | 28 | M6深12 | 6 | 6.6 | 11 | 6.5 | 3,500 | 3,600 | 7,460 | 3,440 | 3,470 | ||||
| 20 | 30 | 40 | 50 | 50 | 34 | ||||||||||||||||
| 25 | 30 | 40 | 50 | H+20 | 36 | 3,620 | 3,810 | 7,610 | 3,560 | 3,590 | |||||||||||
| 30 | 40 | 50 | 60 | 70 | H+30 | 22 (20) | 48 | M8深16 | 8 | 9 | 14 | 9 | 3 | 4,830 | 4,940 | 9,190 | 4,750 | 4,800 | |||
| 35 | 40 | 50 | 60 | 5,180 | 5,410 | 9,660 | 5,070 | 5,150 | |||||||||||||
| 40 | 40 | 50 | 60 | 76 | 56 | 5,780 | 5,930 | 10,820 | 5,570 | 5,720 | |||||||||||
| 50 | 50 | 60 | 97 | H+38 | 25 | 72 | M12深24 | 14 | 20 | 13 | 6,890 | 7,070 | 12,890 | 6,640 | − | ||||||
| 型式 | − | HC |
| SHSPB25 SHSPS16 | − − | HC31.5 HC35.6 |
| 5 | 日目出荷 |
[ NG ]肉厚タイプは追加工適用不可
[ NG ]ストーク不可
| Alteration | Code | Spec. | ¥/1Code |
取付高さ変更 ![]() | HC | 取付高さHを変更します。 高さHをHCに変えて指定します。 [ ! ]HC=指定0.1mm単位 [ ! ]指定範囲 | 800 |
| 型番 |
|---|
通常単価(税別)
(税込単価) | 通常出荷日 |
クリーン洗浄・梱包済みでお届けします
|
|---|
- ( - ) | 7日目 |
|
- ( - ) | 7日目 |
|
- ( - ) | 10日目 |
|
- ( - ) | 10日目 |
|
- ( - ) | 10日目 |
|
- ( - ) | 10日目 |
|
- ( - ) | 10日目 |
|
- ( - ) | 10日目 |
|
- ( - ) | 10日目 |
|
- ( - ) | 10日目 |
|
- ( - ) | 10日目 |
|
- ( - ) | 10日目 |
|
- ( - ) | 10日目 |
|
- ( - ) | 10日目 |
|
- ( - ) | 10日目 |
|
- ( - ) | 10日目 |
|
- ( - ) | 10日目 |
|
- ( - ) | 10日目 |
|
- ( - ) | 10日目 |
|
- ( - ) | 10日目 |
|
- ( - ) | 10日目 |
|
- ( - ) | 10日目 |
|
- ( - ) | 10日目 |
|
- ( - ) | 10日目 |
|
- ( - ) | 9日目 |
- |
- ( - ) | 9日目 |
- |
- ( - ) | 10日目 |
- |
- ( - ) | 10日目 |
- |
- ( - ) | 10日目 |
- |
- ( - ) | 10日目 |
- |
- ( - ) | 10日目 |
- |
- ( - ) | 10日目 |
- |
- ( - ) | 10日目 |
- |
- ( - ) | 10日目 |
- |
- ( - ) | 10日目 |
- |
- ( - ) | 10日目 |
- |
- ( - ) | 10日目 |
- |
- ( - ) | 10日目 |
- |
- ( - ) | 10日目 |
- |
- ( - ) | 10日目 |
- |
- ( - ) | 10日目 |
- |
- ( - ) | 10日目 |
- |
- ( - ) | 10日目 |
- |
- ( - ) | 10日目 |
- |
- ( - ) | 10日目 |
- |
- ( - ) | 10日目 |
- |
- ( - ) | 10日目 |
- |
- ( - ) | 10日目 |
- |
- ( - ) | 10日目 |
- |
- ( - ) | 10日目 |
- |
- ( - ) | 9日目 |
- |
- ( - ) | 9日目 |
- |
- ( - ) | 7日目 |
|
- ( - ) | 7日目 |
|
- ( - ) | 7日目 |
|
- ( - ) | 7日目 |
|
- ( - ) | 7日目 |
|
- ( - ) | 7日目 |
|
- ( - ) | 7日目 |
|
- ( - ) | 7日目 |


ミスミ
シャフトホルダ -T型(鋳造品) スリット・スタンダードタイプ-
ノック穴付きタイプは、組み立て時の位置決めが容易となります。メンテナンス時の取外しの際、位置決めの再現性があります。精度を必要とする使用の場合は機械加工品をおすすめします。

通常価格、通常出荷日が表示と異なる場合がございます
通常価格、通常出荷日が表示と異なる場合がございます

ミスミ
シャフトホルダ -フランジ型(鋳造品) スリット・スタンダードタイプ-
4.5通常価格(税別):900円~

ミスミ
シャフトホルダ -ブラケット型スタンダードタイプ- -取付穴キリ穴/取付穴タップ穴-
4.6通常価格(税別):860円~

ミスミ
シャフトホルダ -T型(鋳造品) スリット・スタンダードタイプ-
4.3通常価格(税別):760円~

ミスミ
シャフトホルダ -ブラケット型スリットタイプ- -スタンダードタイプ-
4.5通常価格(税別):1,650円~

ミスミ
シャフトホルダ -フランジ型(鋳造品) スリット・ガイドロングタイプ-
4.8通常価格(税別):1,630円~

ミスミ
シャフトホルダ -ブラケット型スリットタイプ- -ガイドロングタイプ-
4.4通常価格(税別):2,220円~

ミスミ
【エコノミーシリーズ】 RoHS対応 シャフトホルダ T型スリット・薄型
5通常価格(税別):600円~

ミスミ
シャフトホルダ -T型(鋳造品) スリット・肉厚タイプ-
4.5通常価格(税別):1,850円~

ミスミ
シャフトホルダ -ブラケット型ガイドロングタイプ- -ガイドロングタイプ-
4.6通常価格(税別):1,440円~