メカニカル部品技術窓口
ミスミ品のみ対象
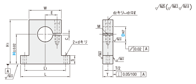
シャフトを傷つけずに締結可能です。全てのボルトを上から固定することができます。

| 高さH選択 | 高さH指定 | [ M ]材質 | [ S ]表面処理 | [ A ]付属品 |
| SHWTB | SHWTBH | S45C相当 | 四三酸化鉄皮膜 | 六角穴付ボルト1本 |
| SHWTM | SHWTMH | 無電解ニッケルメッキ | 六角穴付ボルト1本 (SUS) | |
| SHWTS | SHWTSH | SUS304 | − | |
| SHWTA | SHWTAH | A6063 | 白アルマイト |
| 型式 | − | H | |
| [oil] | SHWTM8 SHWTMH8 SF−SHWTS30 | − − − | 25 25.6 40 |
| 型式 | H | L | H1 | T | S | W | L1 | d | E | 締付 ボルト M | d2 | d1 | ℓ | C | ¥基準単価 | ||||||||||||||
| Type | D | 高さH選択タイプ | 高さH指定タイプ 0.1mm単位 | 高さH選択タイプ | 高さH指定タイプ | ||||||||||||||||||||||||
| SHWTB | SHWTM | SHWTS | SHWTA | SHWTBH | SHWTMH | SHWTSH | SHWTAH | ||||||||||||||||||||||
| 高さH選択 SHWTB SHWTM SHWTS SHWTA 高さH指定 SHWTBH SHWTMH SHWTSH SHWTAH | 8 | 10 | 15 | 20 | 25 | 30 | 40 | 10.0〜50.0 | 44 | H+7 | 12 | 6 | 28 | 36 | 4.5 | 9 | M4深8 | 4.5 | 8 | 4.5 | 2 | 1,230 | 1,290 | 3,530 | 1,090 | 2,180 | 2,790 | 6,660 | 2,230 |
| 10 | 10 | 15 | 20 | 25 | 30 | 50 | H+9 | 32 | 41 | 11 | 1,280 | 1,340 | 3,530 | 1,130 | 2,210 | 2,890 | 6,660 | 2,270 | |||||||||||
| 12 | H+10 | 1,300 | 1,340 | 3,940 | 1,190 | 2,170 | 2,890 | 7,460 | 2,440 | ||||||||||||||||||||
| 13 | 15 | 20 | 25 | 30 | 15.0〜50.0 | H+11 | 1,320 | 1,390 | 3,940 | 1,230 | 2,100 | 2,970 | 7,460 | 2,520 | |||||||||||||||
| 15 | 15 | 20 | 25 | 30 | 40 | H+12 | 1,590 | 1,620 | 4,320 | 1,420 | 2,580 | 3,490 | 8,000 | 2,940 | |||||||||||||||
| 16 | H+12 | 1,590 | 1,620 | 4,230 | 1,420 | 2,580 | 3,490 | 8,000 | 2,940 | ||||||||||||||||||||
| 20 | 20 | 25 | 30 | 40 | 50 | 60 | 20.0〜60.0 | 75 | H+15 | 16 | 8 | 49 | 62 | 6.5 | 17 | M6深12 | 6.6 | 11 | 6.5 | 2,170 | 2,240 | 5,860 | 1,960 | 3,970 | 4,820 | 11,070 | 4,110 | ||
| 25 | 20 | 25 | 30 | 40 | 50 | 60 | H+18 | 18 | 2,320 | 2,420 | 6,030 | 2,080 | 4,290 | 5,210 | 11,390 | 4,220 | |||||||||||||
| 30 | 25 | 30 | 40 | 50 | 60 | 25.0〜60.0 | 94 | H+21 | 20 | 10 | 62 | 78 | 9 | 22 | M8深16 | 9 | 14 | 9 | 3 | 2,860 | 2,960 | 6,860 | 2,690 | 4,750 | 6,360 | 12,950 | 5,510 | ||
| 35 | 98 | H+24 | 66 | 82 | 24 | 3,080 | 3,180 | 7,530 | 2,880 | 4,610 | 6,840 | 14,240 | 5,900 | ||||||||||||||||
| 40 | 30 | 40 | 50 | 60 | 80 | 30.0〜80.0 | 103 | H+27 | 71 | 87 | 27 | 4,230 | 4,340 | 9,520 | 3,900 | 6,130 | 9,330 | 18,000 | 7,980 | ||||||||||
| 50 | 40 | 50 | 60 | 80 | 40.0〜80.0 | 112 | H+30 | 80 | 96 | 32 | 5,390 | 5,520 | 12,110 | 4,970 | 7,800 | 11,870 | 22,900 | 10,150 | |||||||||||
| 型番 |
|---|
通常単価(税別)
(税込単価) | 通常出荷日 |
クリーン洗浄・梱包済みでお届けします
|
|---|
- ( - ) | 10日目 |
|
- ( - ) | 10日目 |
|
- ( - ) | 10日目 |
|
- ( - ) | 10日目 |
|
- ( - ) | 7日目 |
- |
- ( - ) | 10日目 |
|
- ( - ) | 10日目 |
|
- ( - ) | 10日目 |
|
- ( - ) | 10日目 |
|
- ( - ) | 10日目 |
|
- ( - ) | 10日目 |
|
- ( - ) | 9日目 |
- |
- ( - ) | 10日目 |
|
- ( - ) | 10日目 |
|
- ( - ) | 10日目 |
|
- ( - ) | 10日目 |
|
- ( - ) | 7日目 |
- |
- ( - ) | 10日目 |
|
- ( - ) | 10日目 |
|
- ( - ) | 10日目 |
|
- ( - ) | 10日目 |
|
- ( - ) | 10日目 |
|
- ( - ) | 10日目 |
|
- ( - ) | 9日目 |
- |
- ( - ) | 10日目 |
- |
- ( - ) | 10日目 |
- |
- ( - ) | 10日目 |
- |
- ( - ) | 10日目 |
- |
- ( - ) | 7日目 |
- |
- ( - ) | 10日目 |
- |
- ( - ) | 10日目 |
- |
- ( - ) | 10日目 |
- |
- ( - ) | 10日目 |
- |
- ( - ) | 10日目 |
- |
- ( - ) | 10日目 |
- |
- ( - ) | 9日目 |
- |
- ( - ) | 10日目 |
- |
- ( - ) | 10日目 |
- |
- ( - ) | 10日目 |
- |
- ( - ) | 10日目 |
- |
- ( - ) | 7日目 |
- |
- ( - ) | 10日目 |
- |
- ( - ) | 10日目 |
- |
- ( - ) | 10日目 |
- |
- ( - ) | 10日目 |
- |
- ( - ) | 10日目 |
- |
- ( - ) | 10日目 |
- |
- ( - ) | 9日目 |
- |
- ( - ) | 10日目 |
|
- ( - ) | 10日目 |
|
- ( - ) | 10日目 |
|
- ( - ) | 10日目 |
|
- ( - ) | 7日目 |
|
- ( - ) | 10日目 |
|
- ( - ) | 10日目 |
|
- ( - ) | 10日目 |
|
- ( - ) | 10日目 |
|
- ( - ) | 10日目 |
|
- ( - ) | 10日目 |
|
- ( - ) | 9日目 |


ミスミ
シャフトホルダ -T型(鋳造品) スリット・スタンダードタイプ-
ノック穴付きタイプは、組み立て時の位置決めが容易となります。メンテナンス時の取外しの際、位置決めの再現性があります。精度を必要とする使用の場合は機械加工品をおすすめします。

通常価格、通常出荷日が表示と異なる場合がございます
通常価格、通常出荷日が表示と異なる場合がございます

ミスミ
シャフトホルダ -フランジ型(鋳造品) スリット・スタンダードタイプ-
4.5通常価格(税別):900円~

ミスミ
シャフトホルダ -ブラケット型スタンダードタイプ- -取付穴キリ穴/取付穴タップ穴-
4.6通常価格(税別):860円~

ミスミ
シャフトホルダ -T型(鋳造品) スリット・スタンダードタイプ-
4.3通常価格(税別):760円~

ミスミ
シャフトホルダ -フランジ型(鋳造品) スリット・ガイドロングタイプ-
4.8通常価格(税別):1,630円~

ミスミ
シャフトホルダ -ブラケット型スリットタイプ- -スタンダードタイプ-
4.5通常価格(税別):1,650円~

ミスミ
シャフトホルダ -ブラケット型スリットタイプ- -ガイドロングタイプ-
4.4通常価格(税別):2,220円~

ミスミ
【エコノミーシリーズ】 RoHS対応 シャフトホルダ T型スリット・薄型
5通常価格(税別):600円~

ミスミ
シャフトホルダ -T型(鋳造品) スリット・肉厚タイプ-
4.5通常価格(税別):1,850円~

ミスミ
【エコノミーシリーズ】 RoHS対応 シャフトホルダ フランジ型スリット・肉厚
5通常価格(税別):720円~