メカニカル部品技術窓口
ミスミ品のみ対象
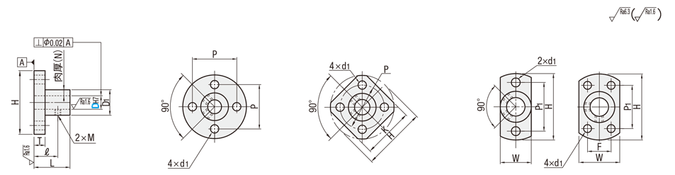
ホールド部が肉厚の為、スタンダードタイプと比較して保持力があります。
■丸フランジ
■角フランジ
■二面フランジ
D8・10
D12~50

| タイプ | 丸フランジ | 角フランジ | 二面フランジ | [ M ]材質 | [ S ]表面処理 |
| スタンダード | STHRBN | STHSBN | STHCBN | 一般構造用 鋼 | 四三酸化鉄皮膜 |
| STHRN | STHSN | STHCN | 無電解ニッケルメッキ | ||
| SSTHRN | SSTHSN | SSTHCN | SUS304 | − | |
| STHRNA | STHSNA | STHCNA | アルミ合金 | 白アルマイト |
| 型式 |
| STHRBN10 |
| 型式 | ホールド部 肉厚(N) | L | D1 | H | T | ℓ | M (並目) | P | K | W | P1 | F | d1 | ||||||
| Type | DH7 | ||||||||||||||||||
| 丸フランジ STHRBN STHRN SSTHRN STHRNA | 角フランジ STHSBN STHSN SSTHSN STHSNA | 二面フランジ STHCBN STHCN SSTHCN STHCNA | 8* | +0.015 0 | 3.5 | 16 | 15 | 32 | 5 | 10 | M3 | 25 | 25 | 15 | 25 | − | 3.5 | ||
| 10 | * | 5 | 20 | 20 | 38 | 12 | M3 | 30 | 30 | 20 | 30 | 4.5 | |||||||
| 12 | * | +0.018 0 | 24 | 22 | 40 | 6 | 15 | M4 | 32 | 32 | 25 | 28 | 16 | ||||||
| 13 | 5.5 | 26 | 24 | 42 | 16 | 34 | 34 | 27 | 18 | ||||||||||
| 15 | 30 | 26 | 48 | 18 | 38 | 38 | 29 | 32 | 5.5 | ||||||||||
| 16 | * | 6 | 32 | 28 | 50 | 19 | 40 | 39 | 32 | 33 | 22 | ||||||||
| 20 | * | +0.021 0 | 7.5 | 35 | 63 | 8 | 20 | M5 | 50 | 48 | 40 | 42 | 25 | 6.6 | |||||
| 25 | * | 38 | 40 | 68 | 23 | 55 | 53 | 45 | 45 | 30 | |||||||||
| 30 | * | 45 | 73 | 10 | 24 | M6 | 60 | 58 | 50 | 48 | 35 | ||||||||
| 35 | +0.025 0 | 10 | 50 | 55 | 89 | 30 | 72 | 70 | 61 | 58 | 42 | 9 | |||||||
| 40 | 15 | 70 | 104 | 12 | M8 | 87 | 80 | 76 | 68 | 54 | |||||||||
| 50 | 80 | 114 | 97 | 90 | 86 | 73 | 64 | ||||||||||||
| 型式 | − | (MB) |
| STHRBN8 | − | MB |
| STHCN20 | − | MB |
| 3 | 日目出荷 |
| 3 | 日目出荷 |
| ご注文締切 | |||||
| 急 | ストークA | 翌日出荷 | 200円/1本 | PM 6:00迄 | >>こちら |
| Alterations | 六角穴付止めねじ付属 | ||||||||||||
| Code | MB | ||||||||||||
| Spec. | 六角穴付止めねじを付属します。 外筒(D1)よりねじが飛び出す可能性があります。 [ ! ]四三酸化鉄皮膜品の付属ボルトはSCM435品(四三酸化鉄皮膜) [ ! ]上記以外はSUS品 [ ! ]付属止めねじは2本となります。
| ||||||||||||
| ¥/1Code | 無料 |
| 型番 |
|---|
通常単価(税別)
(税込単価) | 通常出荷日 |
クリーン洗浄・梱包済みでお届けします
|
|---|
1,880円 ( 2,068円 ) | 在庫品1日目当日出荷可能 |
|
1,880円 ( 2,068円 ) | 4日目 |
|
1,940円 ( 2,134円 ) | 在庫品1日目当日出荷可能 |
|
1,940円 ( 2,134円 ) | 4日目 |
|
2,320円 ( 2,552円 ) | 在庫品1日目当日出荷可能 |
|
2,320円 ( 2,552円 ) | 4日目 |
|
2,510円 ( 2,761円 ) | 在庫品1日目当日出荷可能 |
|
2,510円 ( 2,761円 ) | 15日目 |
|
3,070円 ( 3,377円 ) | 在庫品1日目当日出荷可能 |
|
3,070円 ( 3,377円 ) | 4日目 |
|
3,270円 ( 3,597円 ) | 在庫品1日目当日出荷可能 |
|
3,270円 ( 3,597円 ) | 4日目 |
|
4,460円 ( 4,906円 ) | 在庫品1日目当日出荷可能 |
|
4,460円 ( 4,906円 ) | 4日目 |
|
5,340円 ( 5,874円 ) | 在庫品1日目当日出荷可能 |
|
5,340円 ( 5,874円 ) | 4日目 |
|
5,940円 ( 6,534円 ) | 在庫品1日目当日出荷可能 |
|
5,940円 ( 6,534円 ) | 4日目 |
|
7,850円 ( 8,635円 ) | 在庫品1日目当日出荷可能 |
|
7,850円 ( 8,635円 ) | 15日目 |
|
11,800円 ( 12,980円 ) | 在庫品1日目当日出荷可能 |
|
11,800円 ( 12,980円 ) | 在庫品1日目当日出荷可能 |
|
1,580円 ( 1,738円 ) | 在庫品1日目当日出荷可能 |
|
1,580円 ( 1,738円 ) | 4日目 |
|
1,660円 ( 1,826円 ) | 在庫品1日目当日出荷可能 |
|
1,660円 ( 1,826円 ) | 4日目 |
|
2,030円 ( 2,233円 ) | 在庫品1日目当日出荷可能 |
|
2,030円 ( 2,233円 ) | 4日目 |
|
2,190円 ( 2,409円 ) | 在庫品1日目当日出荷可能 |
|
2,190円 ( 2,409円 ) | 4日目 |
|
2,650円 ( 2,915円 ) | 在庫品1日目当日出荷可能 |
|
2,650円 ( 2,915円 ) | 4日目 |
|
2,820円 ( 3,102円 ) | 在庫品1日目当日出荷可能 |
|
2,820円 ( 3,102円 ) | 4日目 |
|
4,150円 ( 4,565円 ) | 在庫品1日目当日出荷可能 |
|
4,150円 ( 4,565円 ) | 4日目 |
|
4,740円 ( 5,214円 ) | 在庫品1日目当日出荷可能 |
|
4,740円 ( 5,214円 ) | 4日目 |
|
5,210円 ( 5,731円 ) | 在庫品1日目当日出荷可能 |
|
5,210円 ( 5,731円 ) | 4日目 |
|
6,750円 ( 7,425円 ) | 在庫品1日目当日出荷可能 |
|
6,750円 ( 7,425円 ) | 15日目 |
|
8,790円 ( 9,669円 ) | 在庫品1日目当日出荷可能 |
|
8,790円 ( 9,669円 ) | 15日目 |
|
10,480円 ( 11,528円 ) | 在庫品1日目当日出荷可能 |
|
10,480円 ( 11,528円 ) | 15日目 |
|
2,510円 ( 2,761円 ) | 4日目 |
|
2,510円 ( 2,761円 ) | 4日目 |
|
2,590円 ( 2,849円 ) | 4日目 |
|
2,590円 ( 2,849円 ) | 4日目 |
|
2,640円 ( 2,904円 ) | 4日目 |
|
2,640円 ( 2,904円 ) | 4日目 |
|
2,860円 ( 3,146円 ) | 4日目 |
|
2,860円 ( 3,146円 ) | 4日目 |
|
3,210円 ( 3,531円 ) | 4日目 |
|
3,210円 ( 3,531円 ) | 4日目 |
|
3,420円 ( 3,762円 ) | 4日目 |
|
3,420円 ( 3,762円 ) | 4日目 |
|
4,740円 ( 5,214円 ) | 4日目 |
|
4,740円 ( 5,214円 ) | 4日目 |
ホールド部が肉厚の為、スタンダードタイプと比較して保持力があります。
| D | ¥基準単価 | |||||||||||
| 丸フランジ | 角フランジ | 二面フランジ | ||||||||||
| STHRBN | STHRN | SSTHRN | STHRNA | STHSBN | STHSN | SSTHSN | STHSNA | STHCBN | STHCN | SSTHCN | STHCNA | |
| 8 | 1,270 | 1,410 | 1,580 | 1,390 | 1,460 | 1,630 | 2,510 | 2,070 | 1,440 | 1,600 | 1,880 | 1,640 |
| 10 | 1,410 | 1,600 | 1,660 | 1,510 | 1,630 | 1,800 | 2,590 | 2,200 | 1,600 | 1,760 | 1,940 | 1,830 |
| 12 | 1,520 | 1,690 | 2,030 | 1,810 | 1,720 | 1,910 | 2,640 | 2,280 | 1,690 | 1,860 | 2,320 | 2,050 |
| 13 | 1,650 | 1,830 | 2,190 | - | 1,870 | 2,070 | 2,860 | - | 1,830 | 2,020 | 2,510 | - |
| 15 | 1,710 | 1,900 | 2,650 | 2,280 | 2,070 | 2,290 | 3,210 | 2,750 | 2,000 | 2,230 | 3,070 | 2,650 |
| 16 | 1,830 | 2,030 | 2,820 | 2,080 | 2,210 | 2,440 | 3,420 | 2,930 | 2,130 | 2,370 | 3,270 | 2,610 |
| 20 | 2,070 | 2,290 | 4,150 | 2,910 | 2,400 | 2,660 | 4,740 | 3,700 | 2,330 | 2,510 | 4,460 | 2,940 |
| 25 | 2,220 | 2,460 | 4,740 | 3,000 | 2,570 | 2,850 | 5,730 | 4,290 | 2,540 | 2,810 | 5,340 | 3,000 |
| 30 | 2,510 | 2,770 | 5,210 | 3,130 | 2,990 | 3,320 | 6,210 | 4,770 | 2,910 | 3,230 | 5,940 | 3,190 |
| 35 | 2,920 | 3,420 | 6,750 | 5,090 | 3,700 | 4,260 | 8,030 | 6,150 | 3,630 | 4,140 | 7,850 | 6,000 |
| 40 | 3,420 | 3,860 | 8,790 | 6,330 | 4,580 | 5,120 | 10,160 | 7,640 | 4,490 | 5,010 | - | 7,490 |
| 50 | 4,060 | 4,710 | 10,480 | 7,600 | 5,240 | 5,930 | 11,990 | 8,960 | 5,130 | 5,820 | 11,800 | 8,810 |
| 数量区分 | 標準対応 | 個別対応 | |
| 小口 | 大口 | ||
| 数 量 | 1〜19 | 20〜24 | 25〜 |
| 値引率 | 基準単価 | 5% | お見積り |
| 出荷日 | 通常 | ||
| 数量区分 | 標準対応 | 個別対応 | |||
| 小口 | 大口 | ||||
| 数 量 | 1〜19 | 20〜24 | 25〜29 | 30〜50 | 51〜 |
| 値引率 | 基準単価 | 5% | 10% | 23% | お見積り |
| 出荷日 | 通常 | ||||


ミスミ
シャフトホルダ -T型(鋳造品) スリット・スタンダードタイプ-
ノック穴付きタイプは、組み立て時の位置決めが容易となります。メンテナンス時の取外しの際、位置決めの再現性があります。精度を必要とする使用の場合は機械加工品をおすすめします。

通常価格、通常出荷日が表示と異なる場合がございます
通常価格、通常出荷日が表示と異なる場合がございます

ミスミ
シャフトホルダ -フランジ型(鋳造品) スリット・スタンダードタイプ-
4.5通常価格(税別):900円~

ミスミ
シャフトホルダ -ブラケット型スタンダードタイプ- -取付穴キリ穴/取付穴タップ穴-
4.6通常価格(税別):860円~

ミスミ
シャフトホルダ -T型(鋳造品) スリット・スタンダードタイプ-
4.3通常価格(税別):760円~

ミスミ
シャフトホルダ -フランジ型(鋳造品) スリット・ガイドロングタイプ-
4.8通常価格(税別):1,630円~

ミスミ
シャフトホルダ -ブラケット型スリットタイプ- -スタンダードタイプ-
4.5通常価格(税別):1,650円~

ミスミ
シャフトホルダ -ブラケット型スリットタイプ- -ガイドロングタイプ-
4.4通常価格(税別):2,220円~

ミスミ
シャフトホルダ ブラケット型 コンパクト スタンダード/ガイドロングタイプ
4.6通常価格(税別):1,430円~

ミスミ
シャフトホルダ -ブラケット型ホールド部肉厚タイプ- -スタンダードタイプ-
4.5通常価格(税別):1,270円~

ミスミ
【エコノミーシリーズ】 RoHS対応 シャフトホルダ T型スリット・薄型
5通常価格(税別):600円~