メカニカル部品技術窓口
ミスミオリジナル品。スタンダードタイプに比べてガイド部が長く、倒れ強さが向上します。

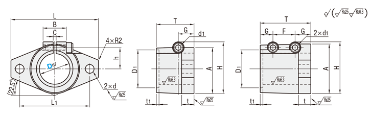
D8・10
D12~50
| Type | [ M ]材質 | [ S ]表面処理 | [ A ]付属品 |
| SHFTL | S45C相当 | 四三酸化鉄皮膜 | 六角穴付ボルト2本 |
| SHFML | 無電解ニッケルメッキ | 六角穴付ボルト2本 (SUS) | |
| SHFSSL | SUS304相当 | − | |
| SHFL | AC7A | 白アルマイト | |
| SHFDL | 黒アルマイト | 六角穴付ボルト2本 |
| 型式 | |
[oil] | SHFTL16 SF−SHFSSL20 |
| 型式 | L | T | t | H | A | L1 | d | d1 | D1 | t1 | B | C | h | G | F | 締付ボルト M | 質量 g | ¥基準単価 | |||||
| Type | D | SHFTL | SHFML | SHFSSL | SHFL | SHFDL | |||||||||||||||||
| D8〜50 SHFTL SHFML SHFSSL SHFL D8〜13・16〜30 SHFDL | 8 | 43 | 20 | 5 | 25.5 | 20 | 32 | 5.5 | 10 | 10 | 1.5 | 18 | 2 | 10.5 | 10 | − | M5 | 51(18) | 1,630 | 2,210 | 2,190 | 1,700 | 1,880 |
| 10 | 12 | 47(17) | 1,630 | 2,210 | 2,190 | 1,700 | 1,880 | ||||||||||||||||
| 12 | 47 | 28 | 7 | 28 | 25 | 36 | 9 | 14 | 2.5 | 11 | 7 | 14 | M4 | 91(32) | 1,680 | 2,210 | 2,530 | 1,900 | 2,100 | ||||
| 13 | 16 | 87(30) | 1,680 | 2,210 | 2,530 | 1,900 | 2,100 | ||||||||||||||||
| 15 | 50 | 32 | 8 | 31 | 28 | 40 | 20 | 2 | 12.5 | 8 | 16 | 114(41) | 1,970 | 2,440 | 2,860 | 2,150 | - | ||||||
| 16 | 112(39) | 1,970 | 2,440 | 2,860 | 2,150 | 2,370 | |||||||||||||||||
| 20 | 60 | 40 | 37 | 34 | 48 | 7 | 10 | 24 | 22 | 15 | 10 | 20 | M5 | 191(66) | 2,120 | 2,660 | 3,050 | 2,390 | 2,640 | ||||
| 25 | 70 | 50 | 10 | 42 | 40 | 56 | 30 | 17 | 12.5 | 25 | 300(104) | 2,760 | 3,300 | 3,480 | 2,990 | 3,300 | |||||||
| 30 | 80 | 60 | 12 | 50 | 46 | 64 | 9 | 12 | 35 | 21 | 15 | 30 | M6 | 450(156) | 2,990 | 3,630 | 3,820 | 3,620 | 3,990 | ||||
| 35 | 92 | 70 | 14 | 58 | 50 | 72 | 12 | 15 | 40 | 3 | 22 | 2.5 | 25.5 | 17.5 | 35 | M8 | 592(205) | 4,220 | 5,030 | 6,750 | 5,020 | - | |
| 40 | 102 | 80 | 16 | 67 | 56 | 80 | 18 | 45 | 30 | 20 | 40 | M10 | 831(288) | 5,670 | 6,780 | 9,480 | 6,770 | - | |||||
| 50 | 122 | 90 | 19 | 83 | 70 | 96 | 14 | 20 | 55 | 38 | 22.5 | 45 | M12 | 1446(410) | 8,440 | 10,070 | 14,460 | 10,060 | - | ||||
| 型番 |
|---|
通常単価(税別)
(税込単価) | 通常出荷日 |
クリーン洗浄・梱包済みでお届けします
|
|---|
1,880円 ( 2,068円 ) | 在庫品1日目当日出荷可能 |
- |
1,880円 ( 2,068円 ) | 在庫品1日目当日出荷可能 |
- |
2,100円 ( 2,310円 ) | 在庫品1日目当日出荷可能 |
- |
2,100円 ( 2,310円 ) | 在庫品1日目当日出荷可能 |
- |
2,370円 ( 2,607円 ) | 在庫品1日目当日出荷可能 |
- |
2,640円 ( 2,904円 ) | 在庫品1日目当日出荷可能 |
- |
3,300円 ( 3,630円 ) | 在庫品1日目当日出荷可能 |
- |
3,990円 ( 4,389円 ) | 在庫品1日目当日出荷可能 |
- |
1,700円 ( 1,870円 ) | 在庫品1日目当日出荷可能 |
- |
1,700円 ( 1,870円 ) | 在庫品1日目当日出荷可能 |
- |
1,900円 ( 2,090円 ) | 在庫品1日目当日出荷可能 |
- |
1,900円 ( 2,090円 ) | 在庫品1日目当日出荷可能 |
- |
2,150円 ( 2,365円 ) | 在庫品1日目当日出荷可能 |
- |
2,150円 ( 2,365円 ) | 在庫品1日目当日出荷可能 |
- |
2,390円 ( 2,629円 ) | 在庫品1日目当日出荷可能 |
- |
2,990円 ( 3,289円 ) | 在庫品1日目当日出荷可能 |
- |
3,620円 ( 3,982円 ) | 在庫品1日目当日出荷可能 |
- |
5,020円 ( 5,522円 ) | 在庫品1日目当日出荷可能 |
- |
6,770円 ( 7,447円 ) | 在庫品1日目当日出荷可能 |
- |
10,060円 ( 11,066円 ) | 在庫品1日目当日出荷可能 |
- |
2,210円 ( 2,431円 ) | 在庫品1日目当日出荷可能 |
|
2,210円 ( 2,431円 ) | 在庫品1日目当日出荷可能 |
|
2,210円 ( 2,431円 ) | 在庫品1日目当日出荷可能 |
|
2,210円 ( 2,431円 ) | 在庫品1日目当日出荷可能 |
|
2,440円 ( 2,684円 ) | 在庫品1日目当日出荷可能 |
|
2,440円 ( 2,684円 ) | 在庫品1日目当日出荷可能 |
|
2,660円 ( 2,926円 ) | 在庫品1日目当日出荷可能 |
|
3,300円 ( 3,630円 ) | 在庫品1日目当日出荷可能 |
|
3,630円 ( 3,993円 ) | 在庫品1日目当日出荷可能 |
|
5,030円 ( 5,533円 ) | 在庫品1日目当日出荷可能 |
|
6,780円 ( 7,458円 ) | 在庫品1日目当日出荷可能 |
|
10,070円 ( 11,077円 ) | 在庫品1日目当日出荷可能 |
|
2,190円 ( 2,409円 ) | 在庫品1日目当日出荷可能 |
|
2,190円 ( 2,409円 ) | 在庫品1日目当日出荷可能 |
|
2,530円 ( 2,783円 ) | 在庫品1日目当日出荷可能 |
|
2,530円 ( 2,783円 ) | 在庫品1日目当日出荷可能 |
|
2,860円 ( 3,146円 ) | 在庫品1日目当日出荷可能 |
|
2,860円 ( 3,146円 ) | 在庫品1日目当日出荷可能 |
|
3,050円 ( 3,355円 ) | 在庫品1日目当日出荷可能 |
|
3,480円 ( 3,828円 ) | 在庫品1日目当日出荷可能 |
|
3,820円 ( 4,202円 ) | 在庫品1日目当日出荷可能 |
|
6,750円 ( 7,425円 ) | 在庫品1日目当日出荷可能 |
|
9,480円 ( 10,428円 ) | 在庫品1日目当日出荷可能 |
|
14,460円 ( 15,906円 ) | 在庫品1日目当日出荷可能 |
|
1,630円 ( 1,793円 ) | 在庫品1日目当日出荷可能 |
- |
1,630円 ( 1,793円 ) | 在庫品1日目当日出荷可能 |
- |
1,680円 ( 1,848円 ) | 在庫品1日目当日出荷可能 |
- |
1,680円 ( 1,848円 ) | 在庫品1日目当日出荷可能 |
- |
1,970円 ( 2,167円 ) | 在庫品1日目当日出荷可能 |
- |
1,970円 ( 2,167円 ) | 在庫品1日目当日出荷可能 |
- |
2,120円 ( 2,332円 ) | 在庫品1日目当日出荷可能 |
- |
2,760円 ( 3,036円 ) | 在庫品1日目当日出荷可能 |
- |
2,990円 ( 3,289円 ) | 在庫品1日目当日出荷可能 |
- |
4,220円 ( 4,642円 ) | 在庫品1日目当日出荷可能 |
- |
5,670円 ( 6,237円 ) | 在庫品1日目当日出荷可能 |
- |
8,440円 ( 9,284円 ) | 在庫品1日目当日出荷可能 |
- |
ミスミオリジナル品。スタンダードタイプに比べてガイド部が長く、倒れ強さが向上します。
| 数量区分 | 標準対応 | 個別対応 | |||
| 小口 | 大口 | ||||
| 数 量 | 1~19 | 20~24 | 25~29 | 30~50 | 51以上 |
| 値引率 | 基準単価 | 5% | 10% | 18% | お見積り |
| 出荷日 | 通常 | ||||
| 数量区分 | 標準対応 | 個別対応 | |||
| 小口 | 大口 | ||||
| 数 量 | 1~20 | 21~24 | 25~29 | 30~50 | 51以上 |
| 値引率 | 基準単価 | 5% | 10% | 18% | お見積り |
| 出荷日 | 通常 | お見積り | |||
| 数量区分 | 標準対応 | 個別対応 | |||
| 小口 | 大口 | ||||
| 数 量 | 1~19 | 20~24 | 25~29 | 30~50 | 51以上 |
| 値引率 | 基準単価 | 5% | 10% | 18% | お見積り |
| 出荷日 | 通常 | お見積り | |||


ミスミ
シャフトホルダ -T型(鋳造品) スリット・スタンダードタイプ-
ノック穴付きタイプは、組み立て時の位置決めが容易となります。メンテナンス時の取外しの際、位置決めの再現性があります。精度を必要とする使用の場合は機械加工品をおすすめします。

通常価格、通常出荷日が表示と異なる場合がございます
通常価格、通常出荷日が表示と異なる場合がございます

ミスミ
シャフトホルダ -フランジ型(鋳造品) スリット・スタンダードタイプ-
4.5通常価格(税別):900円~

ミスミ
シャフトホルダ -T型(鋳造品) スリット・スタンダードタイプ-
4.3通常価格(税別):760円~

ミスミ
シャフトホルダ -ブラケット型スタンダードタイプ- -取付穴キリ穴/取付穴タップ穴-
4.6通常価格(税別):860円~

ミスミ
シャフトホルダ -フランジ型(鋳造品) スリット・ガイドロングタイプ-
4.8通常価格(税別):1,630円~

ミスミ
シャフトホルダ -ブラケット型スリットタイプ- -ガイドロングタイプ-
4.4通常価格(税別):2,220円~

ミスミ
シャフトホルダ -ブラケット型スリットタイプ- -スタンダードタイプ-
4.5通常価格(税別):1,650円~

ミスミ
シャフトホルダ -T型(機械加工品) スリットタイプ-
4.6通常価格(税別):1,190円~

ミスミ
シャフトホルダ -ブラケット型ホールド部肉厚タイプ- -スタンダードタイプ-
4.5通常価格(税別):1,270円~

ミスミ
シャフトホルダ -ブラケット型ガイドロングタイプ- -ガイドロングタイプ-
4.6通常価格(税別):1,440円~