プラ型用部品技術窓口
ミスミ品のみ対象
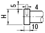
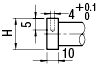
A部拡大図 B部拡大図| P | d |
| 4.00~ 7.99 | P-0.6 |
| 8.00~11.99 | P-1.2 |
| 12.00~19.90 | P-1.8 |
| 型 式 | ツバ厚 |
| GV-DESF | 10mm (T10) |
[ H ] 硬度 表面:900HV〜
母材:40〜45HRC
| 型番 |
|---|
通常単価(税別)
(税込単価) | 通常出荷日 |
|---|
- ( - ) | 5日目 |
- ( - ) | 5日目 |
- ( - ) | 5日目 |
- ( - ) | 5日目 |
- ( - ) | 5日目 |
- ( - ) | 5日目 |
- ( - ) | 5日目 |
- ( - ) | 5日目 |
- ( - ) | 5日目 |
- ( - ) | 5日目 |
- ( - ) | 5日目 |
- ( - ) | 5日目 |
- ( - ) | 5日目 |
- ( - ) | 5日目 |
- ( - ) | 5日目 |
- ( - ) | 5日目 |
ダイス鋼SKD61+窒化処理・ツバ厚10mm・鉢巻・先端径/全長指定タイプのガス抜き段付エジェクタピンです。
| H | 型式 | 指定0.01mm単位 | 指定1mm単位 | NV 指定0.1mm単位 | |||
| Type | D | L | P | N | SV | ||
| 9 | GV-DESF | 5 | 120.00~600.0 | 4.00~4.90 | N≧30 and 90≦(L-N)≦300 | 2~50 (L-N)-(SV+NV+2)≧15 | 0.5~8.0 |
| 10 | 6 | 120.00~700.0 | 4.00~5.90 | ||||
| 11 | 7 | 4.90~6.90 | |||||
| 13 | 8 | 5.90~7.90 | |||||
| 15 | 10 | 7.90~9.90 | |||||
| 17 | 12 | 8.90~11.90 | |||||
| 20 | 15 | 10.90~14.90 | |||||
| 25 | 20 | 15.90~19.90 | |||||
| [ ! ]L≦500→指定0.01mm単位、L>500→指定0.1mm単位 | |||||||
| 型 式 | - | L | - | P | - | N | - | SV | - | NV |
| GV-DESF5 | - | 200.01 | - | P4.0 | - | N100 | - | SV15 | - | NV2.0 |
| 5 | 日目出荷 |
| ストークB |
| 型 式 | - | L | - | P | - | N | - | SV | - | NV | - | (KC・WKC…etc.) |
| GV-DESF5 | - | 200.01 | - | P4.0 | - | N100 | - | SV15 | - | NV2.0 | - | PCC2.97 |
| 追加工 | 記号 | 詳細 |
![]() | KC | 1面ツバカット KC=指定0.1mm単位 [ ! ]D/2≦KC<H/2 |
![]() | WKC | 2面ツバカット WKC=指定0.1mm単位 [ ! ]D/2≦WKC<H/2 |
![]() | KAC KBC | 寸法違いツバカット KAC, KBC=指定0.1mm単位 [ ! ]D/2≦KAC<KBC<H/2 |
![]() | RKC | 2面(直角)ツバカット RKC=指定0.1mm単位 [ ! ]D/2≦RKC<H/2 |
![]() | DKC | 3面ツバカット DKC=指定0.1mm単位 [ ! ]D/2≦DKC<H/2 |
![]() | SKC | 4面ツバカット SKC=指定0.1mm単位 [ ! ]D/2≦SKC<H/2 |
![]() | KGC | 2面ツバカット(直角) KGC=指定0.1mm単位 AG=指定1°単位 [ ! ]D/2≦KGC<H/2,0<AG<360 |
![]() | KTC | 3面ツバカット 120°振り分け KTC=指定0.1mm単位 [ ! ]D/2≦KTC<H/2 |
追加工詳細>>こちら
| 追加工 | 記号 | 詳細 | ||||||||||
![]() | HC | ツバ径変更 HC=指定0.1mm単位 [ ! ]D+1≦HC<H | ||||||||||
![]() | TC | ツバ厚変更 TC=指定0.1mm単位 [ ! ]5.0≦TC<10 (L, N寸は指定寸法通り) [ ! ]10−TC≦Lmax.−L | ||||||||||
![]() | NC | ノック穴加工 [ NG ]NHC・NHN以外の併用不可 | ||||||||||
![]() | NCW | ノック穴+スプリングピン打込加工 [ NG ]NHC・NHN以外の併用不可 | ||||||||||
![]() | NHC | ツバ裏部ナンバリング 指定範囲・指定方法は>>こちら [ NG ]SKC併用不可 | ||||||||||
![]() | NHN | ツバ裏部ナンバリング(自動連番) 指定範囲・指定方法は>>こちら [ NG ]SKC併用不可 | ||||||||||
![]() | MC | ツバ裏抜きタップ加工 [ ! ]D≧8に適用 [ NG ]他追加工との併用不可
| ||||||||||
![]() | PCC | 先端軸径変更 [ ! ]P-0.08≦PCC<P-0.02 PCC=指定0.01mm |
通常価格、通常出荷日が表示と異なる場合がございます
通常価格、通常出荷日が表示と異なる場合がございます

ミスミ
ガス抜き段付エジェクタピン -ハイス鋼SKH51/先端径・全長指定タイプ-
4
ミスミ
ガス抜き段付エジェクタピン -ハイス鋼SKH51/全長指定タイプ-
4
ミスミ
ガス抜き段付エジェクタピン -ダイス鋼SKD61+窒化処理/面カット/全長,先端径・全長指定タイプ-
0
ミスミ
ガス抜き段付エジェクタピン -ダイス鋼SKD61+窒化処理/鉢巻/先端径・全長指定タイプ-
0
ミスミ
段付エジェクタピン -ハイス鋼SKH51/先端径・全長指定タイプ-
4.4
ミスミ
段付エジェクタピン -ダイス鋼SKD61+窒化処理/全長指定タイプ,先端径・全長指定タイプ-
4.2
ミスミ
段付エジェクタピン -ハイス鋼SKH51/全長指定タイプ-
4.3
ミスミ
先端加工段付エジェクタピン -ハイス鋼SKH51/先端径・全長指定タイプ-
4.8
ミスミ
段付エジェクタピン -ダイス鋼SKD61/ツバ厚4mm/全長指定タイプ,先端径・全長指定タイプ-
4.3