プラ型用部品技術窓口

ツバ厚4mm・ハイス鋼SKH51・全長指定タイプの先端加工用ガス抜きフィルター付エジェクタピンです。

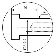
フィルター端面詳細
通気溝部詳細
| 部品 | [ M ]材質 | [ H ]硬度 |
| ピン本体 | SKH51 | 58~60HRC |
| フィルター | SUS303相当 | - |

[ ! ]一部サイズでは逃げ穴がツバ側まで
貫通しません(右表参照)
| P | N | ||||||
| L≦150 | 150<L | 175<L | 200<L | 225<L | 250<L | 275<L | |
| 3.5 | 25* | 125 | 150 | 175 | 200 | 225 | 250 |
| 4 | 25* | 125 | 150 | 175 | 200 | 225 | 250 |
| 5 | 25* | 200 | |||||
| 6 | 25* | ||||||
| フィルター部 | H | C | A (参考値) | G (参考値) | 型式 | L 指定0.01mm単位 | ||
| 外径 | リング数 | Type | P | |||||
| 2 | 1 | 7 | 1.0 | 1 | 0.03 | GVFEA (中流量タイプ) | 3.5 | 40.00~300.00 |
| 4 | ||||||||
| 3 | 2 | 8 | 2.5 | 5 | ||||
| 4 | 3 | 9 | 3.5 | 2 | 6 | |||
| 2 | 1 | 7 | 1.0 | 1 | 0.06 | GVFEAM (大流量タイプ) | 3.5 | 40.00~300.00 |
| 4 | ||||||||
| 3 | 2 | 8 | 2.5 | 5 | ||||
| 4 | 3 | 9 | 3.5 | 2 | 6 | |||
| 5 | 日目出荷 |
| ご注文締切 | ||||
| 急 | ストークB | 3日目出荷 | PM 8:00迄 |
| 型番 |
|---|
通常単価(税別)
(税込単価) | 通常出荷日 |
|---|
- ( - ) | 5日目 |
- ( - ) | 5日目 |
- ( - ) | 5日目 |
- ( - ) | 5日目 |
- ( - ) | 5日目 |
- ( - ) | 5日目 |
- ( - ) | 5日目 |
- ( - ) | 5日目 |
ツバ厚4mm・ハイス鋼SKH51・全長指定タイプの先端加工用ガス抜きフィルター付エジェクタピンです。
| 追加工 | 記号 | 詳細 |
![]() | KC | 1面ツバカット P/2≦KC<H/2 指定単位 0.1mm |
![]() | WKC | 2面ツバカット P/2≦WKC<H/2 指定単位 0.1mm |
![]() | KAC KBC | 寸法違いツバカット P/2≦KAC<H/2 KAC<KBC<H/2 指定単位 0.1mm |
![]() | RKC | 2面(直角)ツバカット P/2≦RKC<H/2 指定単位 0.1mm |
![]() | DKC | 3面ツバカット P/2≦DKC<H/2 指定単位 0.1mm |
![]() | SKC | 4面ツバカット P/2≦SKC<H/2 指定単位 0.1mm |
![]() | KGC | 2面ツバカット(角度) P/2≦KGC<H/2 AG=指定1°単位 0<AG<360 指定単位 0.1mm |
![]() | KTC | 3面ツバカット 120°振分け P/2≦KTC<H/2 指定単位 0.1mm |
| 追加工 | 記号 | 詳細 |
![]() | HC | HC=指定0.1mm単位 [ ! ]P≦HC<H |
![]() | TC | TC=指定0.1mm単位 [ ! ]2≦TC<4 (L寸法は指定寸法通り) [ ! ]4-TC≦Lmax-L |
![]() | TK | 軸端面揃え 軸端面のフィルター突出部をワイヤーカット加工で 除去します (L寸法は指定寸法通り) [ ! ]外観の変化は>>こちら参照 |


GASEXIT
【GASEXIT PIN】微細貫通多孔質材エジェクターピン
GASEXIT PINは、コールドスラッグ部に設置することでガス抜き効果をアップさせる、先端に多孔質素材を用いたエジェクタピンです。


通常価格、通常出荷日が表示と異なる場合がございます
通常価格、通常出荷日が表示と異なる場合がございます

ミスミ
ガス抜きストレートエジェクタピン -ハイス鋼SKH51/全長,軸径・全長指定タイプ-
4
ミスミ
ガス抜きストレートエジェクタピン -ハイス鋼SKH51/先端径指定/全長,軸径・全長指定タイプ-
4
ミスミ
ガス抜きフィルター付エジェクタピン -ツバ厚4mm/ハイス鋼SKH51/全長指定タイプ-
4
ミスミ
ガス抜きストレートエジェクタピン -ハイス鋼SKH51/面カット/全長,軸径・全長指定タイプ-
3
ミスミ
ガス抜きストレートエジェクタピン -ダイス鋼SKD61+窒化処理/鉢巻/全長,軸径・全長指定タイプ-
4
ミスミ
ガス抜きフィルター付エジェクタピン 先端加工用 -ツバ厚4mm/ハイス鋼SKH51/全長指定タイプ-
0
ミスミ
ストレートエジェクタピン -ダイス鋼SKD61+窒化処理/全長指定タイプ-
4.4
ミスミ
ストレートエジェクタピン -ハイス鋼SKH51/ツバ厚4mm/全長指定タイプ-
4.5
ミスミ
ストレートエジェクタピン -ダイス鋼SKD61+窒化処理/定尺タイプ-
4.3通常価格(税別):180円~