プラ型用部品技術窓口
ミスミ品のみ対象
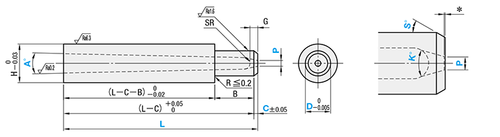
SKH51・内径SR・B寸固定タイプのピンポイントゲートブッシュです。
先端拡大図
(SR部は放電仕上げ
となります)
DとPの偏芯0.05以下
DとVの偏芯0.05以下

| Type | P寸公差 |
|---|---|
| PGHB | ±0.01 |
| PGHBZ | ±0.02 |
先端拡大図
(SR部は放電仕上げ
となります)
DとPの偏芯0.05以下

| Type | P寸公差 |
|---|---|
| PGHB | ±0.01 |
| PGHBZ | ±0.02 |
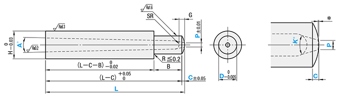
先端拡大図
(SR部は放電仕上げ
となります)
DとPの偏芯0.05以下

| Type | P寸公差 |
|---|---|
| PGHB | ±0.01 |
| PGHBZ | ±0.02 |
先端拡大図
(SR部は放電仕上げ
となります)
DとPの偏芯0.05以下

先端拡大図
(SR部は放電仕上げ
となります)
[ ! ]
[ ! ]
DとPの偏芯0.05以下
※ P寸先端部には、0~0.2のストレート部がつきます。
先端拡大図
(SR部は放電仕上げ
となります)
DとPの偏芯0.05以下

※ P寸先端部には、0~0.2のストレート部がつきます。

●入口径*の計算方法
[ ! ]上記計算によって得られる寸法は理論(参考)値です。
| 型式 | [ M ]材質 | [ H ]硬度 |
|---|---|---|
| PGHB□A PGHBZ□A | SKH51 | 59~61HRC |
| H | G | B | SR | 型 式 | L 0.01mm指定 | P | A° | K° | 2A形状不要 C0.1mm単位 | 1A形状のみ V0.1mm単位 | 3A形状のみ S°1°単位 | 4A形状のみ [ ! ]R0.1mm単位 | ||
|---|---|---|---|---|---|---|---|---|---|---|---|---|---|---|
| Type | Shape | D | ||||||||||||
| 3 | 0.7 | 3 | 0.60 | PGHB (ノーマルタイプ) PGHBZ (先端鋭角タイプ)
| 1A 2A 3A (4A) (※4) (5A) (※4) | 2 | 6.00~20.00 | 0.3 0.4 0.5(※1) | 1 2 3 | 20 30 | 0.2~0.4 | 1.3~1.9 | 1~45 | 0.4~0.8 |
| 4 | 1.0 | 4 | 0.75 | 2.5 | 8.00~25.00 | 0.3 0.4 0.5 0.6(※1) | 0.2~0.5 | 1.5~2.4 | 0.6~1.0 | |||||
| 5 | 1.2 | 6 | 1.00 | 3 | 10.00~40.00 | 0.5 0.6 0.7 0.8 0.9(※2) | 0.3~0.8 | 2.0~2.9 | 0.8~1.5 | |||||
| 6 | 1.00 | 4 | 0.6 0.7 | 2.5~3.9 | ||||||||||
| 1.25 | 0.8 0.9 1.0 1.1 1.2 | |||||||||||||
| 8 | 1.5 | 10 | 1.25 | 5 | 15.00~60.00
| 0.8 0.9 1.0 | 0.5~1.5 | 3.5~4.9 | 1.0~2.0 | |||||
| 1.50 | 1.2 1.3 1.4 1.5(※3) | |||||||||||||
| 9 | 1.25 | 6 | 1.0 | 4.0~5.9 | 1~50 | 1.5~3.0 | ||||||||
| 1.50 | 1.2 1.3 1.4 1.5(※3)1.6(※3) | |||||||||||||
| 11 | 1.50 | 8 | 1.2 1.3 1.4 | 4.5~7.9 | 1~60 | 2.0~4.0 | ||||||||
| 2.00 | 1.5 1.6 | |||||||||||||
[ ! ]4A形状の場合、 ![]() (※1) P0.5(D2)・P0.6(D2.5)はK20°のみ選択可。 (※2) P0.9(D3)でK30°の時、Gは1.0です。 | (※3) P1.5・P1.6(D5・D6)でK30°の時、 Gは1.2です。 (※4) Shapeの( )形状はPGHBのみです。 | |||||||||||||
| 型 式 | - | L | - | P | - | A | - | K | - | C V S R |
| PGHB1A4 | - | 20.01 | - | P0.8 | - | A2 | - | K30 | - | C0.5-V3.0 |
| PGHBZ2A4 | - | 20.01 | - | P0.8 | - | A2 | - | K30 | ||
| PGHBZ3A4 | - | 20.01 | - | P0.8 | - | A2 | - | K30 | - | C0.5-S30 |
| PGHB4A4 | - | 20.01 | - | P0.8 | - | A2 | - | K30 | - | C0.5-R1.0 |
| PGHB5A4 | - | 20.01 | - | P0.8 | - | A2 | - | K30 | - | C0.5 |
●PGHB
| 3 | 日目出荷 |
| 急 | ストークA |
●PGHBZ
| 3 | 日目出荷 |
| 型 式 | - | L | - | P | - | A | - | K | - | C V S R | - | (CC・CVC…etc.) |
| PGHB1A4 | - | 20.01 | - | P0.8 | - | A2 | - | K20 | - | C0.5-V3.0 | - | CVC0.3 |
| 追加工 | 記号 | 詳細 |
![]() | PKC | P寸公差を変更します。 P±0.02 → P±0.01 [ ! ]PGHBZのみ適用。 |
![]() | CC | インロー用逃し(C面)加工をします。 D2・2.5 → C0.2 D3・4 → C0.3 D5~8 → C0.5 |
![]() | CVC | インロー用逃し(C面)加工をします。 CVC=指定0.1mm単位 0.2≦CVC< (H−D) 2 -0.1 |

<先端拡大写真>
<先端拡大写真>
先端鋭角タイプ
先端鋭角タイプ
ノーマルタイプ
ノーマルタイプ
• 先端に0~0.2mmのストレート部がつきます。
• P寸公差が±0.01です。
先端鋭角タイプ
• 先端に0~0.05mmのストレート部がつきます。
• P寸公差が±0.02です。
• ノーマルタイプよりストレート部が少ないため、ゲート残りを抑制できますが、耐久性が劣る場合があります。

<先端鋭角タイプ>
<ノーマルタイプ>
| 型番 |
|---|
通常単価(税別)
(税込単価) | 通常出荷日 |
|---|
- ( - ) | 3日目 |
- ( - ) | 3日目 |
- ( - ) | 3日目 |
- ( - ) | 3日目 |
- ( - ) | 3日目 |
- ( - ) | 3日目 |
- ( - ) | 3日目 |
- ( - ) | 3日目 |
- ( - ) | 3日目 |
- ( - ) | 3日目 |
- ( - ) | 3日目 |
- ( - ) | 3日目 |
- ( - ) | 3日目 |
- ( - ) | 3日目 |
- ( - ) | 3日目 |
- ( - ) | 3日目 |
- ( - ) | 3日目 |
- ( - ) | 3日目 |
- ( - ) | 3日目 |
- ( - ) | 3日目 |
- ( - ) | 3日目 |
- ( - ) | 3日目 |
- ( - ) | 3日目 |
- ( - ) | 3日目 |
- ( - ) | 3日目 |
- ( - ) | 3日目 |
- ( - ) | 3日目 |
- ( - ) | 3日目 |
- ( - ) | 3日目 |
- ( - ) | 3日目 |
- ( - ) | 3日目 |
- ( - ) | 3日目 |
- ( - ) | 3日目 |
- ( - ) | 3日目 |
- ( - ) | 3日目 |
- ( - ) | 3日目 |
- ( - ) | 3日目 |
- ( - ) | 3日目 |
- ( - ) | 3日目 |
- ( - ) | 3日目 |
- ( - ) | 3日目 |
- ( - ) | 3日目 |
- ( - ) | 3日目 |
- ( - ) | 3日目 |
- ( - ) | 3日目 |
- ( - ) | 3日目 |
- ( - ) | 3日目 |
- ( - ) | 3日目 |
- ( - ) | 3日目 |
- ( - ) | 3日目 |
- ( - ) | 3日目 |
- ( - ) | 3日目 |
- ( - ) | 3日目 |
- ( - ) | 3日目 |
- ( - ) | 3日目 |
- ( - ) | 3日目 |


通常価格、通常出荷日が表示と異なる場合がございます
通常価格、通常出荷日が表示と異なる場合がございます

ミスミ
ピンポイントゲートブシュ -SKH51/内径SR/B寸指定タイプ-
4.1
ミスミ
ピンポイントゲートブシュ -SKH51/内径SR/B寸固定タイプ-
4.4
ミスミ
ピンポイントゲートブシュ -SKH51/内径テーパ /B寸指定タイプ-
4.8
ミスミ
ツバ付きピンポイントゲートブシュ -SKH51/内径SR/B寸固定タイプ-
4
ミスミ
ピンポイントゲートブシュ -SKH51/内径テーパ/B寸固定タイプ-
4
ミスミ
ツバ付きピンポイントゲートブシュ -SKH51/内径テーパ/B寸固定タイプ-
5
ミスミ
ピンポイントゲートブシュ -SKH51/内径SR/D寸指定タイプ-
4.3
ミスミ
ツバ付きピンポイントゲートブシュ -SKH51/内径SR/下穴付タイプ-
4.7
ミスミ
ピンポイントゲートブシュ -SKH51/内径SR/小径タイプ-
0