プラ型用部品技術窓口
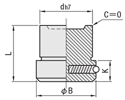
矢印マーク形状・標準・浅めタイプのプレート側交換用インサイドアローです。

[ ! ]本ページのインサイドアローは P.526・ 528・ 530のアウトサイドリングとの組み合わせに適合します。
| No. | dh7 | B | L | K | |
|---|---|---|---|---|---|
| 3 | 1.4 | 0 -0.01 | 2 | 8 | 3 |
| 4 | 1.9 | 2.8 | |||
| 5 | 2.3 | 3.4 | 4 | ||
| 6 | 2.8 | 4 | |||
| 8 | 4 | 0 -0.012 | 5.6 | 10 | |
| 10 | 5 | 6.5 | 12 | 6 | |
| 16 | 10 | 0 -0.018 | 12 | 14 | |
| 20 | 12 | 0 -0.015 | 14 | 16 | |
| No. | 矢印マーク形状深さ(mm) | |
|---|---|---|
| 標準 | 浅め [ ! ] | |
| 4 | 0.22 | 0.12 |
| 5 | 0.25 | 0.14 |
| 6 | 0.40 | 0.18 |
| 8 | 0.40 | 0.20 |
| 10~20 | 0.50 | 0.22 |
[ ! ]矢印浅めタイプは標準タイプに比べインサイドアローが廻しづらいので、ドライバーの刃先で矢印部を削らないようにご注意ください。削られてしまうと、インサイドアローを取り外せなくなる可能性があります。
[ M ]材質 SUS420
[ H ]硬度 50~53HRC
■年タイプ
| 表示マーク | 型 式 | 年 | ||
|---|---|---|---|---|
| Type | No. | |||
| 年 |
| DYY DYYU (矢印浅め) | 3 | 25 2025年用 ※ 2025年11月以降は生産調整の為、5日目出荷となります。 2026年4月に販売終了予定です。 26 2026年用(2025年9月から指定可) ※ 2026年11月以降は生産調整の為、5日目出荷となります。 2027年4月に販売終了予定です。 27 2027年用(2026年9月から指定可) ※ 2027年11月以降は生産調整の為、5日目出荷となります。 2028年4月に販売終了予定です。 |
| 4 | ||||
| 5 | ||||
| 6 | ||||
| 8 | ||||
| 10 | ||||
| 16 | ||||
| 20 | ||||
■無印タイプ
| 表示マーク | 型 式 | ||
|---|---|---|---|
| Type | No. | ||
| 無印 |
| DN DNU (矢印浅め) | 3 |
| 4 | |||
| 5 | |||
| 6 | |||
| 8 | |||
| 10 | |||
| 16 | |||
| 20 | |||
| 型 式 | - | 年 |
| (年)DYY6 (無印)DN10 | - | 21 |
| 在庫品 |

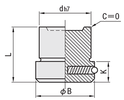
[ ! ]本ページのインサイドアローは P.526・ 528・ 530のアウトサイドリングとの組み合わせに適合します。
| No. | dh7 | B | L | K | |
|---|---|---|---|---|---|
| 3 | 1.4 | 0 -0.01 | 2 | 8 | 3 |
| 4 | 1.9 | 2.8 | |||
| 5 | 2.3 | 3.4 | 4 | ||
| 6 | 2.8 | 4 | |||
| 8 | 4 | 0 -0.012 | 5.6 | 10 | |
| 10 | 5 | 6.5 | 12 | 6 | |
| 16 | 10 | 0 -0.018 | 12 | 14 | |
| 20 | 12 | 0 -0.015 | 14 | 16 | |
| No. | 矢印マーク形状深さ (mm) |
|---|---|
| 標準 | |
| 4 | 0.22 |
| 5 | 0.25 |
| 6 | 0.40 |
| 8 | 0.40 |
| 10~20 | 0.50 |
[ M ]材質 SUS420
[ H ]硬度 50~53HRC
■インサイドアロー文字指定タイプ/連番指定タイプ
| 表示マーク | 型 式 | 刻印文字 (2文字指定・表示マークの青文字部) | ||
|---|---|---|---|---|
| Type | No. | |||
| 2 文字 |
| DYM SN-DYM (連番指定タイプ) | 4 |
|
| 5 | ||||
| 6 | ||||
| 8 | ||||
| 10 | ||||
| 16 | ||||
| 20 | ||||
[ ! ]インサイドアロー部分に2文字の指定ができます。
[ ! ]/(スラッシュ)は/で、-(マイナス)は#で、
(スペース)は%でご指定ください。
[ ! ]インサイドアローは全長アジャスタブルタイプと共通です。
■インサイドアロー文字連番指定タイプご注文時の注意点
SN-DYMは連番指定タイプです。同サイズのインサイドアローを2個以上まとめて製作する場合に、刻印を連番で製作します。
一桁の文字を連番にし、一桁目「9」「Z」の次は二桁を繰り上げ、「0」「A」から連番します。
| (例) | • SN-DYM4-01を5個ご注文の場合 |
| • SN-DYM8-9Aを4個ご注文の場合 |
| ||
| • SN-DYM4-99を4個ご注文の場合 |
| • SN-DYM5-1Xを6個ご注文の場合 |
| |||
| • SN-DYM6-A8を3個ご注文の場合 |
|
| 型 式 | - | 刻印文字 |
| DYM10 SN-DYM16 | - - | AB 99 |
| 5 | 日目出荷 |
| 型番 |
|---|
通常単価(税別)
(税込単価) | 通常出荷日 |
|---|
3,000円 ( 3,300円 ) | 在庫品1日目当日出荷可能 |
2,340円 ( 2,574円 ) | 在庫品1日目当日出荷可能 |
2,220円 ( 2,442円 ) | 在庫品1日目当日出荷可能 |
2,180円 ( 2,398円 ) | 在庫品1日目当日出荷可能 |
2,220円 ( 2,442円 ) | 在庫品1日目当日出荷可能 |
2,340円 ( 2,574円 ) | 在庫品1日目当日出荷可能 |
2,520円 ( 2,772円 ) | 在庫品1日目当日出荷可能 |
2,910円 ( 3,201円 ) | 在庫品1日目当日出荷可能 |
2,780円 ( 3,058円 ) | 在庫品1日目当日出荷可能 |
2,660円 ( 2,926円 ) | 在庫品1日目当日出荷可能 |
2,600円 ( 2,860円 ) | 在庫品1日目当日出荷可能 |
2,660円 ( 2,926円 ) | 在庫品1日目当日出荷可能 |
2,780円 ( 3,058円 ) | 在庫品1日目当日出荷可能 |
3,070円 ( 3,377円 ) | 在庫品1日目当日出荷可能 |
3,300円 ( 3,630円 ) | 在庫品1日目当日出荷可能 |
- ( - ) | 5日目 |
- ( - ) | 5日目 |
- ( - ) | 5日目 |
- ( - ) | 5日目 |
- ( - ) | 5日目 |
- ( - ) | 5日目 |
- ( - ) | 5日目 |
3,400円 ( 3,740円 ) | 在庫品1日目当日出荷可能 |
2,630円 ( 2,893円 ) | 在庫品1日目当日出荷可能 |
2,590円 ( 2,849円 ) | 在庫品1日目当日出荷可能 |
2,560円 ( 2,816円 ) | 在庫品1日目当日出荷可能 |
2,590円 ( 2,849円 ) | 在庫品1日目当日出荷可能 |
2,630円 ( 2,893円 ) | 在庫品1日目当日出荷可能 |
2,890円 ( 3,179円 ) | 在庫品1日目当日出荷可能 |
3,190円 ( 3,509円 ) | 在庫品1日目当日出荷可能 |
3,160円 ( 3,476円 ) | 在庫品1日目当日出荷可能 |
3,120円 ( 3,432円 ) | 在庫品1日目当日出荷可能 |
3,060円 ( 3,366円 ) | 在庫品1日目当日出荷可能 |
3,120円 ( 3,432円 ) | 在庫品1日目当日出荷可能 |
3,160円 ( 3,476円 ) | 在庫品1日目当日出荷可能 |
3,300円 ( 3,630円 ) | 在庫品1日目当日出荷可能 |
3,550円 ( 3,905円 ) | 在庫品1日目当日出荷可能 |
- ( - ) | 5日目 |
- ( - ) | 5日目 |
- ( - ) | 5日目 |
- ( - ) | 5日目 |
- ( - ) | 5日目 |
- ( - ) | 5日目 |
- ( - ) | 5日目 |



通常価格、通常出荷日が表示と異なる場合がございます
通常価格、通常出荷日が表示と異なる場合がございます

ミスミ
金型デートマークセット(プレート側交換タイプ)
4.6通常価格(税別):4,740円~

ミスミ
プレート側交換用インサイドアロー
5通常価格(税別):2,180円~

ミスミ
プレート側交換タイプ用アウトサイドリング
4.3通常価格(税別):2,560円~

ミスミ
凸文字タイプ金型デートマークセット(プレート側交換タイプ)
0通常価格(税別):3,200円~

ミスミ
金型デートマークセット(PL面交換タイプ)
4.4通常価格(税別):7,380円~

ミスミ
PL面交換タイプ用インサイドアロー
4.3通常価格(税別):2,970円~

ミスミ
金型デートマークセット(ダブルリングタイプ)
4.3通常価格(税別):16,000円~

ミスミ
耐熱・抜きタップ付きタイプ
4.2通常価格(税別):8,860円~

ミスミ
PL面交換タイプ用アウトサイドリング
4.2通常価格(税別):4,410円~