プレス金型部品技術窓口
ミスミ品のみ対象


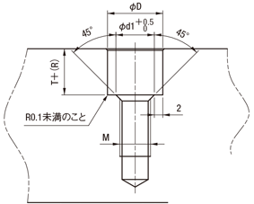
[ ! ]( S)≒1.6×Pとなります。
[ M ]材質 SKD11相当
[ H ]硬度 60HRC ~
表面3000HV
| M×P | F | 型式 | P 指定0.01mm単位 | B 指定1mm単位 | T 選択 | |
|---|---|---|---|---|---|---|
| Type | D | |||||
| 8×1.25 | 12 | SLPSHG | 14 | 6.00~10.00 | 7~40 | 3 5 10 15 |
| 10×1.5 | 15 | 16 | 8.00~12.00 | |||
| 18 | 10.00~14.00 | |||||
| 12×1.75 | 18 | 20 | 12.00~16.00 | |||
| 16×2.0 | 25 | 24 | 16.00~20.00 | |||
| 型式 | - | P | - | B | - | T | |
| SLPSHG14 | - | P6.05 | - | B35 | - | T5 |
| 3 | 日目出荷 |
| 型式 | - | P | - | B | - | T(TC) | - | (SC·LAN) |
| SLPSHG20 | - | P15.99 | - | B35 | - | TC13 | - | SC |
| 追加工 | 記号 | 詳細 |
![]() | SC | 先端テーパ長さ変更 8<SC<S 指定1mm単位 |
![]() | TC | T寸法変更 3≦TC<15 指定1mm単位 |
![]() | LAN | レンチ穴をなくします。 |
■特長
ハイテン材や厚板鋼板による折損や耐摩耗性を図るため、逃がし溝をRに変更し、コーティングもお選びいただけます。また、ネジ径最小をM8にしました。

| φD | M×P | φd1 |
|---|---|---|
| 14 | 8×1.25 | φ10 |
| 16 | 10×1.5 | φ12 |
| 18 | φ14 | |
| 20 | 12×1.75 | φ16 |
| 24 | 16×2.0 | φ20 |

| 型番 |
|---|
通常単価(税別)
(税込単価) | 通常出荷日 |
|---|
- ( - ) | 3日目 |
- ( - ) | 3日目 |
- ( - ) | 3日目 |
- ( - ) | 3日目 |
- ( - ) | 3日目 |
インローオネジタイプの超ハイテン材用位置決めパイロットピンです。材質はダイス鋼です。ハイテン材や厚板鋼板による折損や耐摩耗性を図るため、逃がし溝をRに変更し大きくする改良をいたしました。ネジ径最小をM8にしました。
■プレス金型用標準部品の新商品紹介はこちら。
通常価格、通常出荷日が表示と異なる場合がございます
通常価格、通常出荷日が表示と異なる場合がございます

ミスミ
位置決めパイロットピン 先端溝無・タップ無タイプ
4
ミスミ
位置決めパイロットピン 圧入タイプ
4.4
ミスミ
位置決めパイロットピン オネジタイプ
4.5
ミスミ
位置決めパイロットピン 先端溝有・タップ付タイプ
4.3
ミスミ
位置決めパイロットピン インローオネジタイプ
4.5
ミスミ
位置決めパイロットピン インローメネジ止めタイプ
4.3
ミスミ
位置決めパイロットピン メネジタイプ
4.5
ミスミ
超ハイテン材用位置決めパイロットピン 小頭片付タイプ TiCNコーティング
0
ミスミ
超ハイテン材用位置決めパイロットピン 小頭片付タイプ ノーマル
0