プレス金型部品技術窓口
ミスミ品のみ対象


| 項目 | 従来品 | 新規格 | ||
| 1 | 全長公差 | +0.1 | +0.01 | LC、LKC不要 |
| 2 | P寸公差 | +0.002 | ±0.001 | 公差変更 |
| 3 | D寸公差 | +0.002 | -0.002 | 公差変更 |
| 4 | B寸(max) | 13 | 24 | 刃先長さ重視 |
| [ M ]材質 [ H ]硬度 | 型式 Type | 形状 |
| KG7 88 ~ 89HRA | VXWPHAL | ![]() |
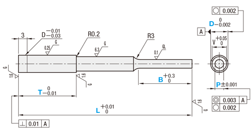
| 型式 | 指定0.1mm単位 min. L max. | 指定0.001mm単位 min. P max. | T | 指定1mm単位 B | V | ||
| Type | D | 公差 | |||||
| VXWPHAL | 4 | 0 -0.002 | 40.0 ~ 60.0 | 0.400 ~ 1.499 | 15 16 20 | 3 ~ 10 | 2 |
| 5 | 1.500 ~ 1.999 | 10 ~ 24 [ ! ]L≦50の場合指定範囲は 10 ~ 20 となります。 | 3 | ||||
| 1.000 ~ 2.999 | |||||||
| 6 | 40.0 ~ 70.0 | 1.500 ~ 3.999 | 4 | ||||
| 8 | 2.000 ~ 4.999 | 5 | |||||
| 型式 | - | L | - | P | - | T | - | B |
| VXWPHAL8 | - | 54.5 | - | P4.801 | - | T16 | - | B24 |
| 16 | 日目出荷 |
| 型式 | - | L | - | P | - | T (TC) | - | B |
| VXWPHAL6 | - | 51 | - | P2.600 | - | TC19.8 | - | B13 |
| 追加工 | 記号 | 詳細 |
| ツバ部追加工 | TC | T寸変更 指定0.1mm単位 15 < TC < 20 [ ! ]全長Lは変わりません。 |
![]() |


| 型番 |
|---|
通常単価(税別)
(税込単価) | 通常出荷日 |
|---|
- ( - ) | 16日目 |
- ( - ) | 16日目 |
- ( - ) | 16日目 |
- ( - ) | 16日目 |
- ( - ) | 16日目 |
- ( - ) | 16日目 |
- ( - ) | 16日目 |
- ( - ) | 16日目 |
2μレンジの精密級超硬ツバ止めパンチです。材質は超微粒子超硬です。VXPHALを上回る高精度・超精密金型用の標準品(規格品)精密級超硬パンチ(丸形状)を新開発。【特長】・Rohs10対応。・刃先公差±0.001の公差レンジ2ミクロン・P寸指定0.001mmまで指定可能・追加工無しで全長公差指定、刃先最大値拡大
通常価格、通常出荷日が表示と異なる場合がございます
通常価格、通常出荷日が表示と異なる場合がございます

ミスミ
精密級超硬ショルダーパンチ ノーマル・ラップ仕上げ
5
ミスミ
精密級超硬ショルダー小径パンチ ノーマル・ラップ仕上げ
5
ミスミ
精密級アンギュラボタンダイ ツバ付タイプ - オールテーパタイプ -
0
ミスミ
精密級超硬アンギュラボタンダイ ツバ付タイプ
0
ミスミ
精密級超硬アンギュラボタンダイ ストレートタイプ
0
ミスミ
精密級カス上がり対策超硬アンギュラボタンダイ ツバ付タイプ
0
ミスミ
精密級カス詰まり対策超硬アンギュラボタンダイ ツバ付タイプ
0
ミスミ
ショルダーパンチ
4.8
ミスミ
ジェクタパンチ
4.6