プレス金型部品技術窓口
ミスミ品のみ対象
関連ページ
HWコーティング >>P.1726
より選択
[ ! ]刃先先端エッジ部に微小Rがつきます。
| シャンク径 D[ T ]公差 | [ M ]材質 [ H ]硬度 | 型式 | |||
|---|---|---|---|---|---|
| Type | 刃先形状 | B 刃先長さ | ノック穴付 | ||
| Dm5 | SKD11相当 60~63HRC 表面3000HV | HW-SP |
|
X>L>S | -C |
[ ! ]P≧W

| 型式 | L | 指定0.01mm単位 | B | H | |||||||||||||||||||
|---|---|---|---|---|---|---|---|---|---|---|---|---|---|---|---|---|---|---|---|---|---|---|---|
| Type | 刃先形状 | B 刃先長さ | ノック穴付 | D |
|
|
| ||||||||||||||||
| min. P max. | P・Kmax. | P・Wmin. | R | ||||||||||||||||||||
| HW-SP |
|
| -C | 10 | (40) | 50 | 60 | 70 | 80 | 90 | 100 | 110 | 120 | 130 | 140 | 150 | 3.00~9.99 | 9.97 | 2.50 | 0.15〜W2未満 のみ | 13 | 13 | |
| 13 | (40) | 50 | 60 | 70 | 80 | 90 | 100 | 110 | 120 | 130 | 140 | 150 | 6.00~12.99 | 12.97 | 3.00 | 16 | |||||||
| 16 | (40) | 50 | 60 | 70 | 80 | 90 | 100 | 110 | 120 | 130 | 140 | 150 | 10.00~15.99 | 15.97 | 4.00 | 19 | 19 | ||||||
| 20 | (40) | 50 | 60 | 70 | 80 | 90 | 100 | 110 | 120 | 130 | 140 | 150 | 13.00~19.99 | 19.97 | 5.00 | 23 | |||||||
| 25 | (40) | 50 | 60 | 70 | 80 | 90 | 100 | 110 | 120 | 130 | 140 | 150 | 18.00~24.99 | 24.97 | 6.00 | 28 | |||||||
| 32 | (40) | (50) | 60 | 70 | 80 | 90 | 100 | 110 | 120 | 130 | 140 | 150 | 20.00~31.99 | 31.97 | 7.00 | 35 | |||||||
| 38 | (40) | (50) | 60 | 70 | 80 | 90 | 100 | 110 | 120 | 130 | 140 | 150 | 28.00~37.99 | 37.97 | 8.00 | 41 | |||||||
| 45 | (40) | (50) | 60 | 70 | 80 | 90 | 100 | 110 | 120 | 130 | 140 | 150 | 35.00~44.99 | 44.97 | 9.00 | 48 | |||||||
| 10 | 50 | 60 | 70 | 80 | 90 | 100 | 110 | 120 | 130 | 140 | 150 | 3.00~9.99 | 9.97 | 2.50 | 19 | 13 | ||||||
| 13 | 50 | 60 | 70 | 80 | 90 | 100 | 110 | 120 | 130 | 140 | 150 | 6.00~12.99 | 12.97 | 3.00 | 16 | ||||||||
| 16 | 60 | 70 | 80 | 90 | 100 | 110 | 120 | 130 | 140 | 150 | 10.00~15.99 | 15.97 | 4.00 | 25 | 19 | ||||||||
| 20 | 60 | 70 | 80 | 90 | 100 | 110 | 120 | 130 | 140 | 150 | 13.00~19.99 | 19.97 | 5.00 | 23 | |||||||||
| 25 | 60 | 70 | 80 | 90 | 100 | 110 | 120 | 130 | 140 | 150 | 18.00~24.99 | 24.97 | 6.00 | 28 | |||||||||
| 32 | 60 | 70 | 80 | 90 | 100 | 110 | 120 | 130 | 140 | 150 | 20.00~31.99 | 31.97 | 7.00 | 35 | |||||||||
| 38 | 60 | 70 | 80 | 90 | 100 | 110 | 120 | 130 | 140 | 150 | 28.00~37.99 | 37.97 | 8.00 | 41 | |||||||||
| 45 | 60 | 70 | 80 | 90 | 100 | 110 | 120 | 130 | 140 | 150 | 35.00~44.99 | 44.97 | 9.00 | 48 | |||||||||
| 10 | 70 | 80 | 90 | 100 | 110 | 120 | 130 | 140 | 150 | 6.00~9.99 | 9.97 | 5.00 | 30 | 13 | ||||||||
| 13 | 70 | 80 | 90 | 100 | 110 | 120 | 130 | 140 | 150 | 6.00~12.99 | 12.97 | 5.00 | 16 | ||||||||||
| 16 | 80 | 90 | 100 | 110 | 120 | 130 | 140 | 150 | 10.00~15.99 | - | - | 40 | 19 | ||||||||||
| 20 | 80 | 90 | 100 | 110 | 120 | 130 | 140 | 150 | 13.00~19.99 | 23 | |||||||||||||
| 25 | 80 | 90 | 100 | 110 | 120 | 130 | 140 | 150 | 18.00~24.99 | 28 | |||||||||||||
| 32 | 80 | 90 | 100 | 110 | 120 | 130 | 140 | 150 | 20.00~31.99 | 35 | |||||||||||||
| 38 | 80 | 90 | 100 | 110 | 120 | 130 | 140 | 150 | 28.00~37.99 | 41 | |||||||||||||
| 45 | 80 | 90 | 100 | 110 | 120 | 130 | 140 | 150 | 35.00~44.99 | 48 | |||||||||||||
[ ! ] :P>D-0.03→ℓ=0 | 刃先形状 でP>D-0.03の場合、D -0.01/-0.03(導入部)はつきません。 |
[ ! ] :P・K>D-0.05→ℓ=0 | 刃先形状 でP・K>D-0.05の場合、D -0.01/-0.03(導入部)はつきません。 |
| [ ! ]L(40):D10 ~ 25→B=8 全長が(40)でD寸が10 ~ 25の場合、刃先長さは一律8mmになります。 | |
| D32 ~ 45→B=6 全長が(40)でD寸が32 ~ 45の場合、刃先長さは一律6mmになります。 | |
| [ ! ]L(50)→B=13 全長が(50)の場合、刃先長さは一律13mmになります。 | |
| 型式 | - | L | - | P | - | W | - | R( のみ) |
| HW-SPAS-C 25 | - | 100 | - | P19.91 |
| •φD10 ~ 25 | ![]() |
| |||||
| [ ! ]追加工1F ~ 7Fをご指定の場合は3日目出荷(ストーク適用不可) [ ! ]18:00以降のご注文は3日目出荷となります。 [ ! ]ストークA1回のご注文における同一型式でのご注文本数は9本まで | |||||||
| •φD10 ~ 25 | ![]() |
| |||||
| •φD32 ~ 45 |
| ||||||
| 型式 | - | L(LC) | - | P(PC) | - | W(WC) | - | R | - | (BC・HC・TC…etc.) |
| HW-SPAS-C 20 | - | LC95 | - | PC12.61 | - | BC30-LKC |
| 追加工 | 記号 | 刃先形状 | |||||||||||||
![]() | ![]() | ||||||||||||||
| 刃先 | ![]() | PC WC | 刃先寸法変更
(PKC併用の場合 0.001mm単位指定可) | 刃先寸法変更
[ NG ]刃先X適用不可 | |||||||||||
|
| ||||||||||||||
![]() | BC | 刃先長変更 2≦BC≦Bmax 指定0.1mm単位 [ ! ]全長Lは刃先長さBC+ [ ! ]PC・WC追加工の記載内の | 刃先長変更 2≦BC≦Bmax 指定0.1mm単位 [ ! ]全長Lは刃先長さBC+ [ ! ]PC・WC追加工の記載内の | ||||||||||||
![]() | PRC | 刃先側端面R加工 0.1≦PRC≦1指定0.1mm単位 [ ! ]PRC≦(P-0.2)/2 [ NG ]PCC併用不可 [ NG ]ストークA適用不可 | - | ||||||||||||
![]() | PCC | 刃先側端面C面取り加工 0.1≦PCC≦1指定0.1mm単位 [ ! ]PCC≦(P-0.2)/2 [ NG ]PRC併用不可 [ NG ]ストークA適用不可 | - | ||||||||||||
![]() | PKC | 刃先公差変更 P+0.01 0 ⇒ +0.005 0 (P寸法0.001mm単位指定可) | 刃先公差変更 P・W±0.01 ⇒ +0.01 0 | ||||||||||||
| [ NG ]D>13適用不可 | |||||||||||||||
| 全長 | ![]() | LC | 全長変更 25+B(BC)≦LC<L 指定0.1mm単位 [ ! ]全長-刃先長さが | 全長変更 30+B(BC)≦LC<L 指定0.1mm単位 [ ! ]全長-刃先長さが | |||||||||||
| (LKC併用の場合0.01mm単位指定可) | |||||||||||||||
![]() | LKC | 全長公差 変 更 | L +0.30 ⇒ +0.050 | ||||||||||||
| (LC併用の場合、L寸法0.01mm単位指定可) | |||||||||||||||
| ツバ部 | ![]() | KC | ![]() | ツバ部廻り止め 一面加工 | ![]() | 廻り止め 位置変更 指定1゜単位 | |||||||||
![]() | WKC | ![]() | 廻り止め平行 加工(2面) | ![]() | 廻り止め平行 加工(2面) KC併用可 | ||||||||||
![]() | KFC | ![]() | 廻り止め0゜と 角度指定 加工(2面) 指定1°単位 | ![]() | 廻り止め0゜と 角度指定 加工(2面) 指定1°単位 | ||||||||||
| [ NG ]KC・WKC併用不可 [ NG ]ストークA適用不可 | [ NG ]KC・WKC併用不可 | ||||||||||||||
![]() | NKC | - | 廻り止め無し [ NG ]リテーナセット | ||||||||||||
| 追加工 | 記号 | 刃先形状 | ||||||||||||
![]() | ![]() | |||||||||||||
| ツバ部 | ![]() | HC | ツバ径変更 D≦HC<H 指定0.1mm単位 [ NG ]リテーナセット納入品適用不可 | |||||||||||
![]() | TC | ツバ厚変更 2≦TC<5 指定0.1mm単位 [ ! ]全長Lは(5-TC)分短くなります。 | ||||||||||||
![]() | TCC | ツバ部C面加工 パンチ頭部の強度UPになります。 指定0.1mm単位 0.5≦TCC≦(H-D)/2 | ||||||||||||
| シャンク部 | ![]() | UC | ウレタンストリッパ(USN)取付加工 | |||||||||||
| ||||||||||||||
| [ ! ]P・Kmax=D-1.1 [ ! ]詳細>>こちら [ ! ]L≧80、L≧90に適用 [ ! ]D10~32に適用 [ NG ]ストークA適用不可 | ||||||||||||||
![]() | TPC | ノックピン変更 付属するMS6-25をMSTP6-25 (タップ付タイプ)に変更します。 [ NG ]D38・45適用不可 | ||||||||||||
![]() | NDC | 導入部 無 し | ℓ≧3 ⇒ ℓ=0 | |||||||||||
| [ NG ]リテーナセット納入品適用不可 | ||||||||||||||
| 刃先シャー角 | ![]() | 1F | - | [ NG ]LKC併用不可 [ NG ] 形状のQ寸法指定不可 | ||||||||||
![]() | 2F | [ NG ]LKC併用不可 [ NG ]PRC・PCC併用不可 [ NG ]KC・WKC・KFC併用不可 | [ NG ]LKC併用不可 | |||||||||||
![]() | 3F | [ NG ]LKC併用不可 [ NG ]PRC・PCC併用不可 [ NG ]KC・WKC・KFC併用不可 | [ NG ]LKC併用不可 | |||||||||||
![]() | 4F | [ NG ]LKC併用不可 [ NG ]PRC・PCC併用不可 [ NG ]KC・WKC・KFC併用不可 | [ NG ]LKC併用不可 | |||||||||||
![]() | 5F | [ ! ]全長公差L±0.3 [ ! ]球面加工ではありません [ NG ]LKC併用不可 [ NG ]PRC・PCC併用不可 [ NG ]KC・WKC・KFC併用不可 [ NG ]PKC併用不可 | [ ! ]全長公差L±0.3 [ ! ]球面加工ではありません [ NG ]LKC併用不可 [ NG ]PKC併用不可 | |||||||||||
![]() | 6F | [ NG ]LKC併用不可 [ NG ]PRC・PCC併用不可 [ NG ]KC・WKC・KFC併用不可 | [ NG ]LKC併用不可 | |||||||||||
![]() | 7F | [ NG ]LKC併用不可 [ NG ]PRC・PCC併用不可 [ NG ]KC・WKC・KFC併用不可 | - | |||||||||||
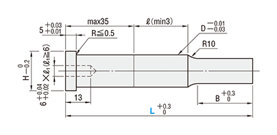
■位置決めノック穴付パンチの特長
主に自動車のボディ等の金型に、パンチを保持するリテーナとセットで使用します。リテーナのノック穴による間接位置決めと異なり、パンチと同軸上に加工されたノック穴により直接位置決めができるため、金型精度が向上します。NC加工機による金型加工の場合にご使用になりますと効果的です。また、このパンチは家電製品の外板用の金型等にも、リテーナとセットで使用したり、一般順送型のパンチプレートに取り付けて使用することもできます。

| 型番 |
|---|
通常単価(税別)
(税込単価) | 通常出荷日 |
|---|
- ( - ) | 2日目 |
- ( - ) | 2日目 |
- ( - ) | 2日目 |
- ( - ) | 2日目 |
- ( - ) | 2日目 |
- ( - ) | 2日目 |
- ( - ) | 2日目 |
- ( - ) | 2日目 |
- ( - ) | 2日目 |
- ( - ) | 2日目 |
- ( - ) | 2日目 |
- ( - ) | 2日目 |
- ( - ) | 2日目 |
- ( - ) | 2日目 |
- ( - ) | 2日目 |
- ( - ) | 2日目 |
- ( - ) | 2日目 |
- ( - ) | 2日目 |
- ( - ) | 2日目 |
- ( - ) | 2日目 |
- ( - ) | 3日目 |
- ( - ) | 3日目 |
- ( - ) | 3日目 |
- ( - ) | 3日目 |
- ( - ) | 3日目 |
- ( - ) | 3日目 |
- ( - ) | 3日目 |
- ( - ) | 3日目 |
- ( - ) | 3日目 |
- ( - ) | 3日目 |
- ( - ) | 3日目 |
- ( - ) | 3日目 |
- ( - ) | 2日目 |
- ( - ) | 2日目 |
- ( - ) | 2日目 |
- ( - ) | 2日目 |
- ( - ) | 2日目 |
- ( - ) | 2日目 |
- ( - ) | 2日目 |
- ( - ) | 2日目 |
- ( - ) | 2日目 |
- ( - ) | 2日目 |
- ( - ) | 2日目 |
- ( - ) | 2日目 |
- ( - ) | 2日目 |
- ( - ) | 2日目 |
- ( - ) | 2日目 |
- ( - ) | 2日目 |
- ( - ) | 2日目 |
- ( - ) | 2日目 |
- ( - ) | 2日目 |
- ( - ) | 2日目 |
- ( - ) | 3日目 |
- ( - ) | 3日目 |
- ( - ) | 3日目 |
- ( - ) | 3日目 |
- ( - ) | 3日目 |
- ( - ) | 3日目 |
- ( - ) | 3日目 |
- ( - ) | 3日目 |
・パンチ軸上にノック穴を設け、直接パンチの位置決めを可能にしたパンチです。パンチの金型組み付け時にパンチリテーナなどを
用いる場合に便利です。
・コーティングパンチの対応サイズをD32~45まで拡大しました!
【HWコーティングとは】
TiCNコーティングの下地にWPC処理を施して、TiCN膜の密着性を改善したコーティングです。
コーティング膜が剥がれにくくなることで、従来のTiCNよりパンチの寿命アップが期待できます。
(詳細は「製品データ WPC処理・HWコーティングパンチ」をご参照ください)
通常価格、通常出荷日が表示と異なる場合がございます
通常価格、通常出荷日が表示と異なる場合がございます

ミスミ
位置決めノック穴付ジェクタパンチ
4.4
ミスミ
位置決めノック穴付パンチ
4.3
ミスミ
位置決めノック穴付ジェクタパンチ-HWコーティング(TiCNコーティング+WPC®処理)-
0
ミスミ
位置決めノック穴付ジェクタパンチ -TiCNコーティング-
4.6
ミスミ
位置決めノック穴付ジェクタパンチ -ディコート処理-
4
ミスミ
位置決めノック穴付パンチ -ディコート処理-
0
ミスミ
位置決めノック穴付パンチ -TiCNコーティング-
5
ミスミ
位置決めノック穴付パンチ-HWコーティング(TiCNコーティング+WPC®処理)-
0
ミスミ
ショルダーパンチ
4.8