プレス金型部品技術窓口
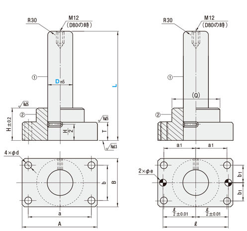
ガイドポストセットです。ガイドポストの材質は機械構造用炭素鋼です。

[ ! ]( )寸法は参考値です。
| (1) | [ M ]材質 S45C |
| [ H ]硬度 55HRC~(高周波焼入) | |
| (2) | [ M ]材質 FC250 |
[ ! ]ガイドホルダ下面とガイドポストの直角度:100mmに対し0.02mm以下(>> P.1132をご参照ください)
[ ! ]重量物運搬安全基準によりD80のポスト先端にM12のタップがついており、アイボルト(>> P.1655)による吊り上げ運搬が可能です。
[ ! ]ボス外径に鋳物肌が残る場合がありますが、機能上問題ありません。
[ ! ]MTO(受注製作品)にMWご指定の場合はMTO(受注製作品)の納期にて出荷(MGPHP・MGOHP)いたします。
[ ! ]ガイドポストの止めネジは一度緩めると再締付時軸力が低下するため、基本的に緩めないでご使用ください。
止めネジを緩めて再度締結する場合はロックタイトの塗布を推奨します。
| Dn5 | D | A | B | a | b | d | H | T | (Q) | E | F | G | ℓ | a1 | b1 | eH7 | (3)付属ボルト | (4)付属ノックピン | ||
|---|---|---|---|---|---|---|---|---|---|---|---|---|---|---|---|---|---|---|---|---|
| 20 | +0.024 +0.015 | 20 | 74 | 44 | 56 | 30 | 6.6 | 30 | 15 | 42 | − | − | − | 56 | 28 | 15 | 6 | +0.012 0 | CB6-30 | MSTM6-20 |
| 25 | 25 | 84 | 48 | 66 | 9 | 20 | 46 | 13 | 13 | 3 | 66 | 33 | 8 | +0.015 0 | CB8-35 | MSTM8-30 | ||||
| 32 | +0.028 +0.017 | 32 | 100 | 58 | 76 | 36 | 11 | 40 | 56 | 15 | 15 | 76 | 38 | 18 | CB10-40 | |||||
| 38 | 38 | 130 | 75 | 100 | 44 | 50 | 25 | 73 | 18 | 18 | 100 | 50 | 22 | 10 | CB10-45 | MSTM10-40 | ||||
| 50 | 50 | 155 | 90 | 125 | 60 | 14 | 65 | 87 | 25 | 20 | 5 | 125 | 62.5 | 30 | CB12-50 | |||||
| 60 | +0.033 +0.020 | 60 | 190 | 120 | 150 | 80 | 18 | 75 | 30 | 116 | 150 | 75 | 40 | 13 | +0.018 0 | CB16-60 | MSTM13-50 | |||
| 80 | 80 | 230 | 150 | 180 | 110 | 22 | 100 | 35 | 145 | 30 | 25 | 190 | 90 | 55 | 16 | CB20-75 | MSTM16-60 | |||
| 型式 | L | |||||||||||||||||||
|---|---|---|---|---|---|---|---|---|---|---|---|---|---|---|---|---|---|---|---|---|
| Type | D | |||||||||||||||||||
| MGPH MGPHP | (20) | 80 | 90 | 100 | 110 | 120 | 130 | 140 | 150 | 160 | ||||||||||
| 25 | 80 | 90 | 100 | 110 | 120 | 130 | 140 | 150 | 160 | 170 | 180 | 200 | ||||||||
| 32 | (90) | 100 | 110 | 120 | 130 | 140 | 150 | 160 | 170 | 180 | 200 | 220 | 250 | |||||||
| 38 | (110) | 120 | 130 | 140 | 150 | 160 | 170 | 180 | 200 | 220 | 250 | 280 | 300 | |||||||
| 50 | 160 | 170 | 180 | 200 | 220 | 250 | 280 | 300 | 350 | |||||||||||
| 60 | 180 | 200 | 220 | 250 | 280 | 300 | 350 | 400 | ||||||||||||
| 80 | 250 | 280 | 300 | 350 | 400 | 450 | ||||||||||||||
[ ! ]( )寸法はMGPH・MGPHPのみとなります。
[ ! ]型式の最後にMWをご指定いただいた場合、ノックピン落下防止用ワッシャ(>> P.1145)を付属し出荷いたします(MGPHP・MGOHPのMTO(受注製作品)に適用)。
MWご指定による出荷日の変更はございません。該当するMWは追加工欄をご参照ください。
| 型式 | - | L | - | (MW) |
| MGPHP20 | - | 150 |
| 3 | 日目出荷 |
| 3 | 日目出荷 |
| 急 | ストークT |
| ストークA |
| 型式 | - | L(LC) | - | (LC・M・H・HKC・C) |
| MGPH 50 | - | LC260 | - | HKC |
| 3 | 日目出荷 |
| 急 | ストークT |
| 急 | ストークA |
| 追加工 | 記号 | 詳細 |
![]() | LC | ポスト長さ変更します。 指定1mm単位 LCmin≦LC<Lmax 追加工詳細>>こちら [ ! ]MGPH,MGPHPに適用 |
![]() | ホルダ M | ストロークエンドブロック取り付け用の タップ加工をします。 追加工詳細>>こちら [ NG ]D20適用不可 |
| ホルダ側 ホルダ底面 ![]() | ホルダ H | ツバ面を加工します。 逆タイプで使用すると型高さを低くできます。 [ ! ]ポスト長はホルダ底面からとなります。 追加工詳細>>こちら |
| 追加工 | 記号 | 詳細 | |||||||||||||||
![]() | HKC | ホルダ側H寸法公差変更します。 H±0.2 ⇒ ±0.1 [ NG ]D20適用不可 | |||||||||||||||
![]() | C | ポストのセンターに位置決め用のノック穴を 1ケ所加工します。 [ ! ]ノックピンは付属しません。 | |||||||||||||||
![]() | MW | ノックピン落下防止用ワッシャ MW(>>こちら)を付属します。 [ ! ]数量1につき、1対(2枚組)が |
| ||||||||||||||
>> P.1131
| 型番 |
|---|
通常単価(税別)
(税込単価) | 通常出荷日 |
|---|
- ( - ) | 3日目 |
- ( - ) | 3日目 |
- ( - ) | 3日目 |
- ( - ) | 3日目 |
- ( - ) | 3日目 |
- ( - ) | 3日目 |
- ( - ) | 3日目 |
- ( - ) | 3日目 |
- ( - ) | 3日目 |
- ( - ) | 3日目 |
- ( - ) | 3日目 |
- ( - ) | 3日目 |
- ( - ) | 3日目 |
- ( - ) | 3日目 |
- ( - ) | 3日目 |
- ( - ) | 3日目 |
- ( - ) | 3日目 |
- ( - ) | 3日目 |
- ( - ) | 3日目 |
- ( - ) | 3日目 |
- ( - ) | 3日目 |
- ( - ) | 3日目 |
- ( - ) | 3日目 |
- ( - ) | 3日目 |
- ( - ) | 3日目 |
- ( - ) | 3日目 |
- ( - ) | 3日目 |
- ( - ) | 3日目 |
通常価格、通常出荷日が表示と異なる場合がございます
通常価格、通常出荷日が表示と異なる場合がございます

ミスミ
ガイドポストセット
0
ミスミ
油溝付ガイドポストセット
0
ミスミ
無給油ガイドポストセット -圧入タイプ-
0通常価格(税別):3,473円~

ミスミ
ボールガイドポストセット-可動ストッパ・樹脂製ボールリテーナ- スタンダードタイプ
4.7通常価格(税別):3,402円~

ミスミ
プレーンガイドポストセット-無給油タイプ-
4.6通常価格(税別):2,741円~

ミスミ
ボールガイドポストセット-可動ストッパ・アルミ製ボールリテーナ- スタンダードタイプ
4.4通常価格(税別):3,119円~

ミスミ
ストロークエンドブロック-フラットタイプ-
4.4
ミスミ
ホルダーガイドポストセット ブシュ用スペーサ-鋳物タイプ-
4.4通常価格(税別):1,444円~

ミスミ
ボールガイドポストセット-固定ストッパ・アルミ製ボールリテーナ- スタンダードタイプ
4.6通常価格(税別):3,885円~