プレス金型部品技術窓口
RGM
RGM-R
RGM-L

| [ M ] 材 質 | (1)S45C(ミガキ棒) |
| (2)SS400 |
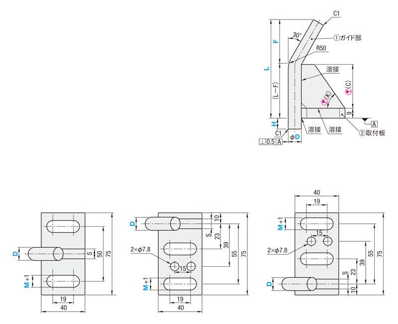
| [ ! ]FはR50の加工前寸法です。 | ||
| [ ! ]直角度の公差は焼入なしの値です。 | ||
| [ ! ]( C)(K): | 134≦ | (L-F) →C=100, K=74° |
| 74≦ | (L-F)<134 →C=75, K=74° | |
| (L-F)< 74 →C=40, K=55° | ||
■取付ボルト・付属品
| M | [ A ]付属品 |
|---|---|
| M10 | CB10-30(2本)M10用スプリングワッシャ(2本) |
| M12 | CB12-30(2本)M12用スプリングワッシャ(2本) |
| S | 型式 | 指定5mm単位 | 取付ボルト穴 M | |||
|---|---|---|---|---|---|---|
| Type | D | L | F | H | ||
| 6 | RGM RGM-R RGM-L | 8 | 60~300 | 10~50 F≦L-50 | 0~80 | M10 M12 |
| 10 | ||||||
| 9 | 12 | |||||
| 16 | ||||||
| 16 | 20 | |||||
| 型式 | - | L | - | F | - | H | - | M |
| RGM 20 | - | 200 | - | 40 | - | 40 | - | M12 |
| 3 | 日目出荷 |
| 型式 | - | L | - | F | - | H | - | M | - | (SN・HTC・WSS) |
| RGM-L20 | - | 200 | - | 40 | - | 40 | - | M12 | - | SN50 |
| 追加工 | 記号 | 詳細 |
![]() | SN | ①ガイド部を突き出します。 指定5㎜単位 0≦SN≦150 |
![]() | HTC | ①ガイド部分に焼入処理を行います。 ~45HRC |
![]() | WSS | 付属品のスプリングワッシャを長穴用ワッシャWSS(2ヶ)に交換します。 |
■特長
取付板をネストガイド取付板のピッチに統一しました。
長穴用ワッシャ(WSS)も使用できます。
| 型番 |
|---|
通常単価(税別)
(税込単価) | 通常出荷日 |
|---|
- ( - ) | 3日目 |
- ( - ) | 3日目 |
- ( - ) | 3日目 |
- ( - ) | 3日目 |
- ( - ) | 3日目 |
- ( - ) | 3日目 |
- ( - ) | 3日目 |
- ( - ) | 3日目 |
- ( - ) | 3日目 |
- ( - ) | 3日目 |
- ( - ) | 3日目 |
- ( - ) | 3日目 |
- ( - ) | 3日目 |
- ( - ) | 3日目 |
- ( - ) | 3日目 |
通常価格、通常出荷日が表示と異なる場合がございます
通常価格、通常出荷日が表示と異なる場合がございます

ミスミ
ラフガイド
5
ミスミ
ラフガイド-ネスト台座仕様-
5
ミスミ
ネストガイド-強化タイプ・ベーシックタイプ-
5
ミスミ
ネストガイド-ガイド形状指定タイプ-
5
ミスミ
ネストガイド-上型ニガシタイプ-
3
ミスミ
超ハイテン材用ネストガイド HRC55
0
ミスミ
ネストガイド取付板
2.5通常価格(税別):1,090円~

ミスミ
超ハイテン材用ネストガイド-上型ニガシタイプ- HRC55
0
ミスミ
ネストガイド(取付板形状指定)-強化タイプ
5