プレス金型部品技術窓口
ミスミ品のみ対象
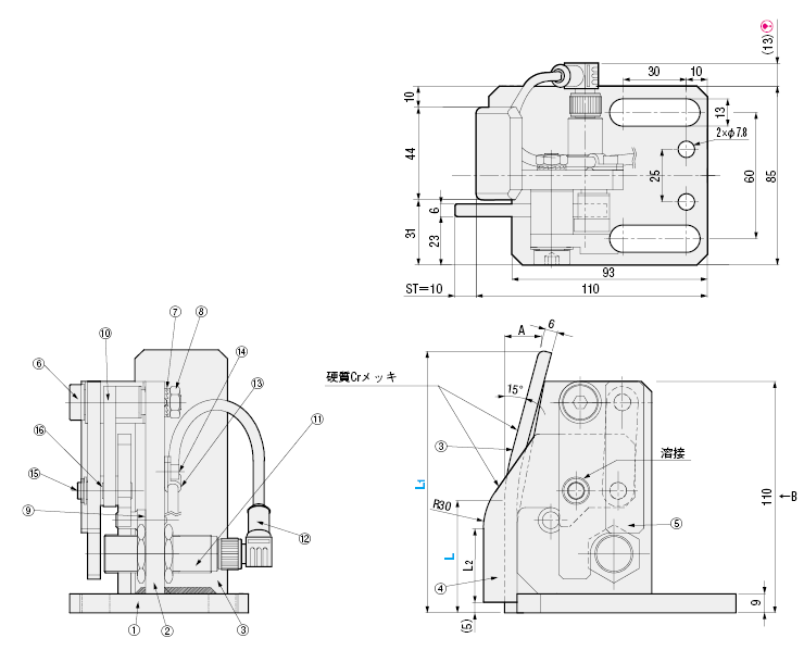
リンクタイプの投入検知近接スイッチです。ロングタイプとショートタイプの選択が可能です。
-スイッチロングタイプ-
PLGLC(L形)
PLGRC(R形)
-スイッチショートタイプ-
PLGLS(L形)
PLGRS(R形)
図:PLGLC(L形)
[ ! ]PLGLS・PLGRSは(3)
B視
■構成部品
| No. | 名称 | 数量 | 備考 |
|---|---|---|---|
| (1) | ゲージ本体(ベース) | 1 | [ M ]材質 SS400 |
| (2) | ゲージ本体(主柱) | 1 | [ M ]材質 SS400 |
| (3) | ゲージ本体(受け板) | 1 | [ M ]材質 SS400 硬質Crメッキ |
| (4) | 検知レバー | 1 | [ M ]材質 SS400 硬質Crメッキ |
| (5) | 検知プレート | 1 | [ M ]材質 SS400 |
| (6) | ショルダーボルト | 1 | |
| (7) | ゆるみ止めワッシャ | 1 | NLDP8 |
| (8) | 六角ナット | 1 | KNTR8 |
| A | L2 | 型式 | L | L1 |
|---|---|---|---|---|
| Type | ||||
| (16.1) | (35) | -スイッチロングタイプ- PLGLC(L形) PLGRC(R形) -スイッチショートタイプ- PLGLS(L形) PLGRS(R形) | 50 | 125 |
| (24.8) | 150 | |||
| (29.9) | 175 | |||
| (10.9) | (55) | 70 | 125 | |
| (17.4) | 150 | |||
| (24.1) | 175 | |||
| (31.6) | 200 | |||
| (5.0) | (75) | 90 | 125 | |
| (12.9) | 150 | |||
| (18.7) | 175 | |||
| (25.5) | 200 | |||
| (32.2) | 225 |
| 型式 | - | L | - | L1 |
| PLGLC | - | 50 | - | 125 |
| 10 | 日目出荷 |
| 型式 | - | L | - | L1 | - | (STC・LHC…etc.) |
| PLGLC | - | 50 | - | 125 | - | CLC |
| 追加工 | 記号 | 詳細 |
![]() | STC | 検知レバーのストローク長さST変更 ST=10→5mm |
![]() | LHC | ゲージの高さL1変更 115≦LHC<L1max 5mm単位 [ NG ]L90のみ115指定不可 |
| センサケーブル 長さ変更 | CLC | センサケーブル長さ5mを10mに変更 |
| 近接スイッチなし センサケーブルなし | SCN | 近接スイッチ、センサケーブルを付属しません (⑪、⑫、⑬、⑭) |
■特長
・検知レバーの平行移動により、パネル位置のバラツキに影響されず安定した検知を実現します。
・PLGLS・PLGRSは従来のPLGL・PLGRと取り付けの互換性があります。
・近接スイッチは、取り付け・取り外しが簡単でメンテナンスが容易なコネクタ式を採用しており、AC/DC両電源に対応しています。
| ■近接スイッチ・センサケーブルの仕様 | ■投入検知近接スイッチの形状と大きさ | ||
| ■PLGLC、PLGRC用 近接スイッチ:EFECTOR 型式:IG0348 電源:AC/DC20 ~ 250V 周囲温度:-25 ~+80℃ センサケーブル:EFECTOR 型式:E10200(5m)、E10261(10m) 電源:AC250V/DC300V | ■PLGLS、PLGRS用 近接スイッチ:EFECTOR 型式:IG0402 電源:AC/DC20 ~ 140V 周囲温度:-25 ~+70℃ センサケーブル:TURCK 型式:WWAKW4T-5(5m)、WWAKW4T-10(10m) 電源:AC/DC250V |
| |
![]() 近接スイッチ 結線図 センサケーブル 結線図
|
![]() 近接スイッチ 結線図 センサケーブル 結線図
| ||
| 名称 | 詳細 | 型式 |
|---|---|---|
| 近接スイッチ | PLGLC、PLGRC用 | PLG−IG0348 |
| PLGLS、PLGRS用 | PLG−IG0402 | |
| センサケーブル | PLGLC、PLGRC用(5m) | PLG−E10200 |
| PLGLC、PLGRC用(10m) | PLG−E10261 | |
| PLGLS、PLGRS用(5m) | PLG−WWAKW4T−5 | |
| PLGLS、PLGRS用(10m) | PLG−WWAKW4T−10 |
| 型番 |
|---|
通常単価(税別)
(税込単価) | 通常出荷日 |
|---|
4,900円 ( 5,390円 ) | 在庫品1日目当日出荷可能 |
6,480円 ( 7,128円 ) | 在庫品1日目当日出荷可能 |
8,840円 ( 9,724円 ) | 在庫品1日目当日出荷可能 |
8,840円 ( 9,724円 ) | 在庫品1日目当日出荷可能 |
33,850円 ( 37,235円 ) | 13日目 |
34,310円 ( 37,741円 ) | 13日目 |
34,930円 ( 38,423円 ) | 13日目 |
34,310円 ( 37,741円 ) | 13日目 |
34,010円 ( 37,411円 ) | 13日目 |
34,310円 ( 37,741円 ) | 13日目 |
36,180円 ( 39,798円 ) | 13日目 |
34,630円 ( 38,093円 ) | 13日目 |
35,250円 ( 38,775円 ) | 13日目 |
34,310円 ( 37,741円 ) | 13日目 |
34,930円 ( 38,423円 ) | 13日目 |
35,250円 ( 38,775円 ) | 13日目 |
34,660円 ( 38,126円 ) | 13日目 |
35,120円 ( 38,632円 ) | 13日目 |
35,740円 ( 39,314円 ) | 13日目 |
35,120円 ( 38,632円 ) | 13日目 |
34,820円 ( 38,302円 ) | 13日目 |
35,120円 ( 38,632円 ) | 13日目 |
36,980円 ( 40,678円 ) | 13日目 |
35,440円 ( 38,984円 ) | 13日目 |
36,060円 ( 39,666円 ) | 13日目 |
35,120円 ( 38,632円 ) | 13日目 |
35,740円 ( 39,314円 ) | 13日目 |
36,060円 ( 39,666円 ) | 13日目 |
33,850円 ( 37,235円 ) | 13日目 |
34,310円 ( 37,741円 ) | 13日目 |
34,930円 ( 38,423円 ) | 13日目 |
34,310円 ( 37,741円 ) | 13日目 |
34,010円 ( 37,411円 ) | 13日目 |
34,310円 ( 37,741円 ) | 13日目 |
36,180円 ( 39,798円 ) | 13日目 |
34,630円 ( 38,093円 ) | 13日目 |
35,250円 ( 38,775円 ) | 13日目 |
34,310円 ( 37,741円 ) | 13日目 |
34,930円 ( 38,423円 ) | 13日目 |
35,250円 ( 38,775円 ) | 13日目 |
34,660円 ( 38,126円 ) | 13日目 |
35,120円 ( 38,632円 ) | 13日目 |
35,740円 ( 39,314円 ) | 13日目 |
35,120円 ( 38,632円 ) | 13日目 |
34,820円 ( 38,302円 ) | 13日目 |
35,120円 ( 38,632円 ) | 13日目 |
36,980円 ( 40,678円 ) | 13日目 |
35,440円 ( 38,984円 ) | 13日目 |
36,060円 ( 39,666円 ) | 13日目 |
35,120円 ( 38,632円 ) | 13日目 |
35,740円 ( 39,314円 ) | 13日目 |
36,060円 ( 39,666円 ) | 13日目 |
通常価格、通常出荷日が表示と異なる場合がございます
通常価格、通常出荷日が表示と異なる場合がございます