プレス金型部品技術窓口
ミスミ品のみ対象
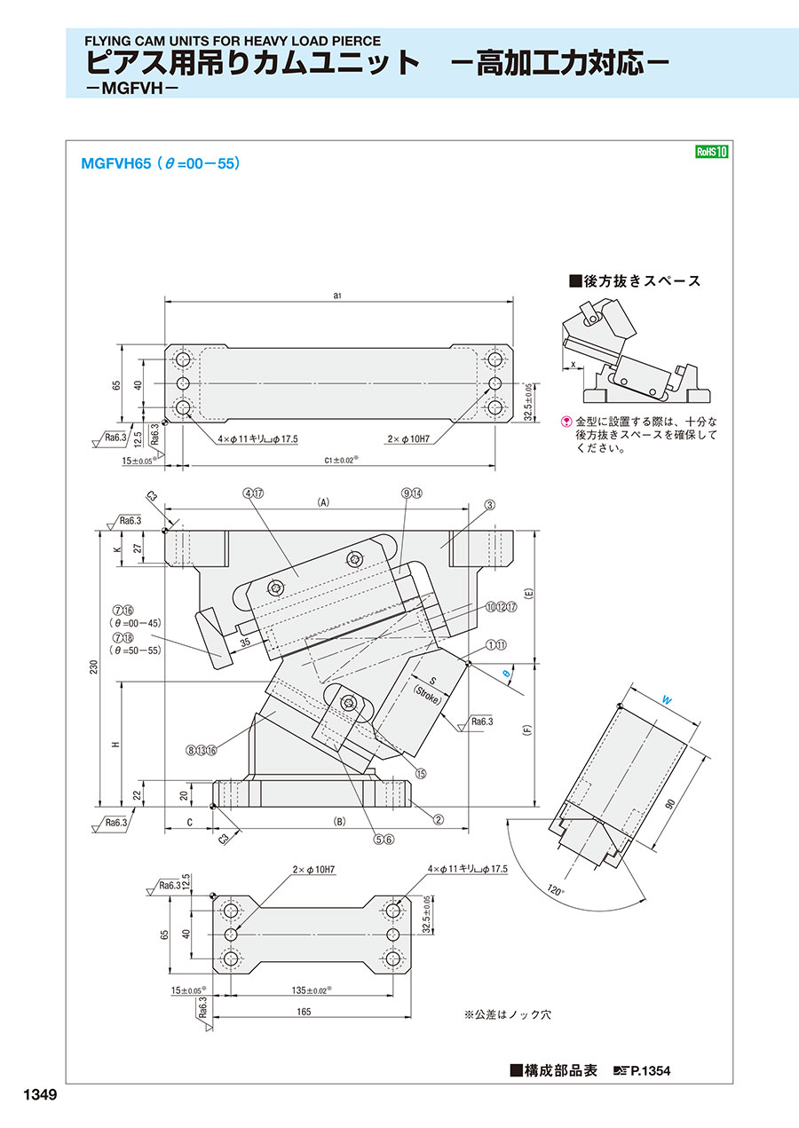
高加工力対応のピアス用コンパクト吊りカムユニットです。カム幅65、角度=00-55です。
関連ページ
カム線図 P.1353

■後方抜きスペース

金型に設置する際は、十分な後方抜きスペースを確保してください。
※公差はノック穴
■構成部品表 P.1354
| W | θ | A | B | C | E | F | H | K | a1 | c1 | x |
|---|---|---|---|---|---|---|---|---|---|---|---|
| 65 | 00 | 255 | 160 | 95 | 79.2 | 150.8 | 58.5 | 30 | 275 | 245 | 0 |
| 05 | 265.68 | 170.68 | 82.29 | 147.71 | 67.1 | ||||||
| 10 | 256.04 | 181.04 | 75 | 86.29 | 143.71 | 75.4 | 19 | ||||
| 15 | 266.02 | 191.02 | 91.18 | 138.82 | 83.3 | ||||||
| 20 | 255.53 | 195.53 | 60 | 96.93 | 133.07 | 90.8 | 36 | ||||
| 25 | 264.51 | 204.51 | 103.48 | 126.52 | 97.8 | ||||||
| 30 | 252.88 | 212.88 | 40 | 110.79 | 119.21 | 104.3 | 290 | 260 | 48 | ||
| 35 | 260.58 | 220.58 | 118.8 | 111.2 | 110.2 | 47 | |||||
| 40 | 242.56 | 222.56 | 20 | 122.45 | 107.55 | 120.4 | 66 | ||||
| 45 | 248.75 | 228.75 | 131.67 | 98.33 | 125 | 59 | |||||
| 50 | 236.28 | 236.28 | 0 | 125.98 | 104.02 | 148.1 | 39 | 71 | |||
| 55 | 240.78 | 240.78 | 136.14 | 93.86 | 153.1 | 63 |
| ストローク S | 加工力kN (tonf) | スプリング力N (kgf) | 全重量 kg | 型式 | W | θ | |||
|---|---|---|---|---|---|---|---|---|---|
| 標準加工力 (100万回) | 許容加工力 (30万回) | 初圧 | S-5mm時 | 終圧 | |||||
| 22.5 | 68.6 (7.0) | 137.3 (14.0) | 0 (0.0) | 4654 (474.6) | 5989 (610.7) | 18.4 | MGFVH | 65 | 00 |
| 22.6 | 4671 (476.3) | 18.6 | 05 | ||||||
| 27.2 | 4893 (499.0) | 17.4 | 10 | ||||||
| 27.8 | 4911 (500.7) | 17.5 | 15 | ||||||
| 32.3 | 5065 (516.4) | 16.6 | 20 | ||||||
| 33.4 | 5099 (519.9) | 16.8 | 25 | ||||||
| 38.0 | 5201 (530.4) | 16.9 | 30 | ||||||
| 40.2 | 5236 (533.9) | 17.0 | 35 | ||||||
| 45.0 | 5321 (542.6) | 16.4 | 40 | ||||||
| 48.7 | 5373 (547.8) | 16.6 | 45 | ||||||
| 54.5 | 5441 (554.8) | 15.9 | 50 | ||||||
| 61.0 | 5492 (560.1) | 16.1 | 55 | ||||||

型番確定後、右部に表示される「価格を確認」を押してお見積りください
| 型番 |
|---|
通常単価(税別)
(税込単価) | 通常出荷日 |
|---|
- ( - ) | お見積り |
- ( - ) | お見積り |
- ( - ) | お見積り |
- ( - ) | お見積り |
- ( - ) | お見積り |
- ( - ) | お見積り |
- ( - ) | お見積り |
- ( - ) | お見積り |
- ( - ) | お見積り |
- ( - ) | お見積り |
- ( - ) | お見積り |
- ( - ) | お見積り |
通常価格、通常出荷日が表示と異なる場合がございます
通常価格、通常出荷日が表示と異なる場合がございます

ミスミ
ピアス用スタンダード吊りカムユニット MGFV50(θ=00-55)
2通常価格(税別):57,900円~

ミスミ
ピアス用コンパクト吊りカムユニット-高加工力対応- MGFVB52(θ=00-20)
0通常価格(税別):94,050円~

ミスミ
CAMRiSEシリーズ ピアス・トリム・フランジ用コンパクト -ロングストローク- CB-L58
0通常価格(税別):118,470円

ミスミ
ピアス用スタンダード吊りカムユニット MGFV65(θ=00-45)
3通常価格(税別):74,400円~

ミスミ
CAMRiSEシリーズ ピアス・トリム・フランジ用コンパクト -ショートストローク- CB-S46
0通常価格(税別):64,130円

ミスミ
ピアス用コンパクト吊りカムユニットMGFVC52(θ=00-40)
3.5通常価格(税別):46,800円~

ミスミ
トリム・フランジ用吊りカムユニット MGFTT200
0通常価格(税別):139,000円

ミスミ
ピアス用コンパクト吊りカムユニットMGFVC52(θ=45-80)
0通常価格(税別):46,800円

ミスミ
ピアス用スタンダード吊りカムユニット MGFV80(θ=00-60)
0通常価格(税別):101,000円~