プレス金型部品技術窓口
ミスミ品のみ対象
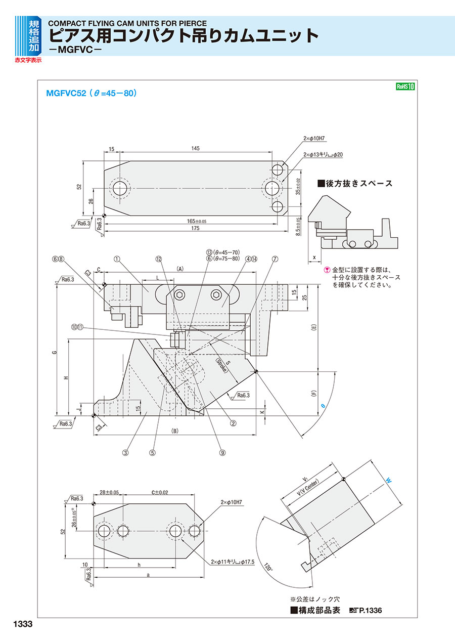
ピアス用コンパクト吊りカムユニットです。カム幅52、角度=45-80です。
関連ページ
カム線図 P.1335

■後方抜きスペース

金型に設置する際は、十分な後方抜きスペースを確保してください。
※公差はノック穴
■構成部品表 P.1336
| W | θ | A | B | C | E | F | G | H | J | K | L | V | V1 | a | c | h | x |
|---|---|---|---|---|---|---|---|---|---|---|---|---|---|---|---|---|---|
| 52 | 45 | 145.41 | 149.41 | 4 | 75.73 | 49.27 | 125 | 63 | 7 | 7 | 30 | 59 | 60 | 105 | 68 | 68 | 31 |
| 50 | 143.92 | 152.92 | 9 | 79.43 | 45.57 | 67 | 12 | 32 | |||||||||
| 55 | 144.67 | 154.67 | 10 | 82.97 | 42.03 | 73 | 33 | ||||||||||
| 60 | 150.69 | 159.69 | 9 | 90.28 | 34.72 | 74 | 26 | ||||||||||
| 65 | 130.16 | 175.16 | 45 | 99.54 | 25.46 | 73 | 15 | 20 | 43 | ||||||||
| 70 | 133.62 | 173.62 | 40 | 106.97 | 18.03 | 72.5 | 38 | ||||||||||
| 75 | 148.74 | 178.74 | 30 | 124.59 | 25.41 | 150 | 83 | 12 | 70 | 70 | 111 | 55 | 55 | 47 | |||
| 80 | 30 | 10 | 110 |
| ストローク S | 加工力kN (tonf) | スプリング力N (kgf) | 全重量 kg | 型式 | W | θ | |||
|---|---|---|---|---|---|---|---|---|---|
| 標準加工力 (100万回) | 許容加工力 (30万回) | 初圧 | S-5mm時 | 終圧 | |||||
| 42.3 | 14.7 (1.5) | 29.4 (3.0) | 245 (25.0) | 894 (91.2) | 980 (99.9) | 5.0 | MGFVC | 52 | 45 |
| 46.7 | 902 (91.9) | 5.0 | 50 | ||||||
| 52.3 | 909 (92.7) | 5.0 | 55 | ||||||
| 60.0 | 919 (93.7) | 5.2 | 60 | ||||||
| 47.3 | 327 (33.3) | 912 (93.0) | 981 (100.0) | 5.9 | 65 | ||||
| 58.5 | 925 (94.4) | 5.9 | 70 | ||||||
| 46.3 | 910 (92.8) | 7.8 | 75 | ||||||
| 57.5 | 436 (44.5) | 556 (56.7) | 7.7 | 80 | |||||

型番確定後、右部に表示される「価格を確認」を押してお見積りください

通常単価(税別)
(税込単価) | 通常出荷日 |
|---|
- ( - ) | お見積り |
- ( - ) | お見積り |
- ( - ) | お見積り |
- ( - ) | お見積り |
- ( - ) | お見積り |
- ( - ) | お見積り |
- ( - ) | お見積り |
- ( - ) | お見積り |
通常価格、通常出荷日が表示と異なる場合がございます
通常価格、通常出荷日が表示と異なる場合がございます

ミスミ
ピアス用スタンダード吊りカムユニット MGFV50(θ=00-55)
2通常価格(税別):57,900円~

ミスミ
高剛性吊りカムユニット MGFLL50(θ=55-65)
0通常価格(税別):69,800円

ミスミ
CAMRiSEシリーズ ピアス・トリム・フランジ用コンパクト -ショートストローク- CB-S58
0通常価格(税別):116,090円

ミスミ
CAMRiSEシリーズ ピアス・トリム・フランジ用コンパクト -ショートストローク- CB-S72
0通常価格(税別):135,570円

ミスミ
スタンダード下カムユニット-ノック 下穴/仕上穴-MGDC・MGDCA65(θ=05-20)
0通常価格(税別):57,800円~

ミスミ
スタンダード下カムユニット-ノック 下穴/仕上穴-MGDC・MGDCA100(θ=00)
3通常価格(税別):92,000円~

ミスミ
スタンダード下カムユニット-ノック 下穴/仕上穴-MGDC・MGDCA100(θ=05-20)
0通常価格(税別):92,000円~

ミスミ
スプールリテーナ
4.3通常価格(税別):284円~

ミスミ
無給油スライドプレート -銅合金10mmタイプ-
4.6通常価格(税別):1,450円~