プレス金型部品技術窓口
ミスミ品のみ対象
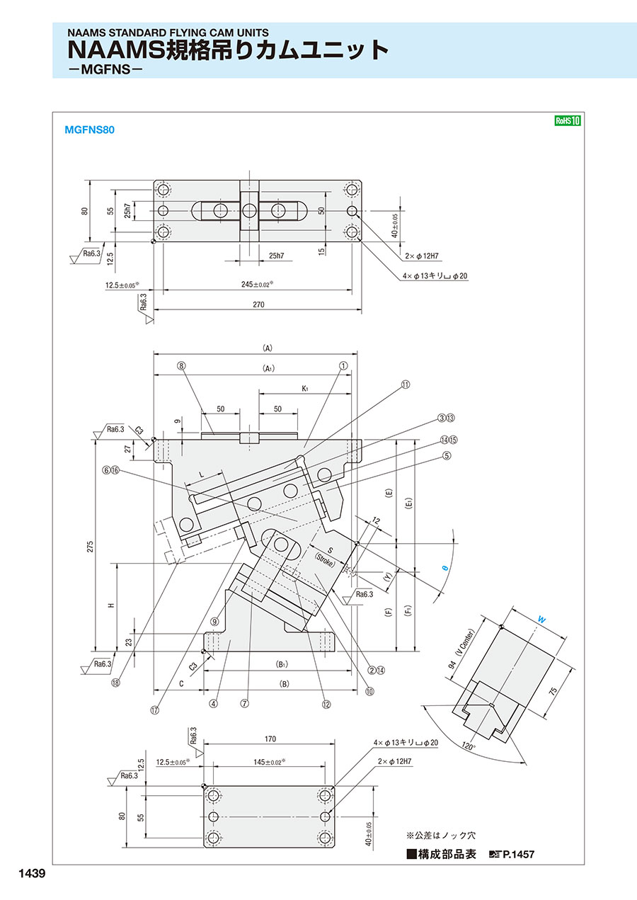
ピアス・トリム・フランジ用NAAMS規格吊りカムユニットです。カム幅80、角度=00-60です。
関連ページ
カム線図 P.1453

※公差はノック穴
■構成部品表 P.1457
| W | θ | A | A1 | B | B1 | C | E | E1 | F | F1 | H | L | K1 | Y |
|---|---|---|---|---|---|---|---|---|---|---|---|---|---|---|
| 80 | 00 | 280 | 292 | 145 | 157 | 135 | 110 | 155 | 165 | 120 | 69 | 50 | 180 | 45 |
| 05 | 281.31 | 289.5 | 156.31 | 164.5 | 125 | 115.93 | 160 | 159.07 | 115 | 73.5 | 160.5 | 43.19 | ||
| 10 | 277.5 | 281.37 | 167.5 | 171.37 | 110 | 117.84 | 165 | 157.16 | 110 | 82.6 | 153 | 45.77 | ||
| 15 | 280.48 | 279.7 | 175.48 | 174.7 | 105 | 120.72 | 170 | 154.28 | 105 | 91.3 | 144 | 47.8 | ||
| 20 | 276.16 | 270.57 | 181.16 | 175.57 | 95 | 124.55 | 175 | 150.45 | 100 | 99.6 | 136.5 | 49.32 | ||
| 25 | 271.47 | 261.07 | 191.47 | 181.07 | 80 | 129.29 | 180 | 145.71 | 95 | 107.3 | 127.5 | 50.35 | ||
| 30 | 264.33 | 249.27 | 199.33 | 184.27 | 65 | 134.92 | 185 | 140.08 | 90 | 114.5 | 120 | 50.9 | ||
| 35 | 260.66 | 241.26 | 205.66 | 186.26 | 55 | 141.38 | 190 | 133.62 | 85 | 120.9 | 112.5 | 50.95 | ||
| 40 | 252.32 | 228.34 | 217.32 | 193.34 | 35 | 147.76 | 195 | 127.24 | 80 | 126.8 | 105 | 51.6 | ||
| 45 | 247.46 | 221.04 | 217.46 | 191.04 | 30 | 156.61 | 200 | 118.39 | 75 | 131.8 | 99 | 49.36 | ||
| 50 | 237.8 | 209.12 | 222.8 | 194.12 | 15 | 165.27 | 205 | 109.73 | 70 | 136.1 | 93 | 47.51 | ||
| 55 | 231.36 | 201.62 | 231.36 | 201.62 | 0 | 174.53 | 210 | 100.47 | 65 | 139.6 | 45 | 72 | 44.7 | |
| 60 | 233.95 | 207.53 | 233.95 | 207.53 | 185.89 | 215 | 89.11 | 60 | 140.7 | 40 | 79 | 37.43 |
| ストローク S | 加工力kN (tonf) | スプリング力N (kgf) | 全重量 kg | 型式 | W | θ | スプリング タイプ | ||
|---|---|---|---|---|---|---|---|---|---|
| 初圧 | S-5mm時 | 終圧 | |||||||
| 32.1 | 166.7 (17.0) | 74 (7.5) | 1044(106.5) | 1224 (124.8) | 27.9 | MGFNS | 80 | 00 | GK ISO NGK NISO |
| 35.5 | 1063(108.4) | 27.5 | 05 | ||||||
| 38.9 | 1076(109.8) | 26.9 | 10 | ||||||
| 42.4 | 1088(110.9) | 26.5 | 15 | ||||||
| 46.1 | 1099(112.1) | 26.0 | 20 | ||||||
| 50.0 | 1109(113.0) | 25.9 | 25 | ||||||
| 54.3 | 1118(114.0) | 25.3 | 30 | ||||||
| 59.0 | 1127(114.9) | 25.0 | 35 | ||||||
| 64.3 | 1134(115.6) | 24.7 | 40 | ||||||
| 70.4 | 1143(116.6) | 24.7 | 45 | ||||||
| 77.8 | 1150(117.3) | 24.9 | 50 | ||||||
| 78.5 | 1042(106.2) | 1109(113.0) | 25.8 | 55 | |||||
| 80.0 | 936(95.5) | 994(101.3) | 26.2 | 60 | |||||
■スプリング仕様
| スプリングタイプ | スプリング型式 | スプリング力N (kgf) | 備考 | |
|---|---|---|---|---|
| 初圧 | 終圧 | |||
| GK | M150−50 | − | 2350 (240) | KALLER製ガススプリング |
| ISO | φ32×152 | 74 (7.5) | 1224(124.8)(θ=00−50) 1109(113.0)(θ=55) 994(101.3)(θ=60) | コイルスプリング(定数=23.0N/mm) |
| NGK | − | − | − | ガススプリングなし |
| NISO | − | − | − | コイルスプリングなし |

型番確定後、右部に表示される「価格を確認」を押してお見積りください

| 型番 |
|---|
通常単価(税別)
(税込単価) | 通常出荷日 |
|---|
- ( - ) | お見積り |
- ( - ) | お見積り |
- ( - ) | お見積り |
- ( - ) | お見積り |
- ( - ) | お見積り |
- ( - ) | お見積り |
- ( - ) | お見積り |
- ( - ) | お見積り |
- ( - ) | お見積り |
- ( - ) | お見積り |
- ( - ) | お見積り |
- ( - ) | お見積り |
- ( - ) | お見積り |
- ( - ) | お見積り |
- ( - ) | お見積り |
- ( - ) | お見積り |
- ( - ) | お見積り |
- ( - ) | お見積り |
- ( - ) | お見積り |
- ( - ) | お見積り |
- ( - ) | お見積り |
- ( - ) | お見積り |
- ( - ) | お見積り |
- ( - ) | お見積り |
- ( - ) | お見積り |
- ( - ) | お見積り |
- ( - ) | お見積り |
- ( - ) | お見積り |
- ( - ) | お見積り |
- ( - ) | お見積り |
- ( - ) | お見積り |
- ( - ) | お見積り |
- ( - ) | お見積り |
- ( - ) | お見積り |
- ( - ) | お見積り |
- ( - ) | お見積り |
- ( - ) | お見積り |
- ( - ) | お見積り |
- ( - ) | お見積り |
- ( - ) | お見積り |
- ( - ) | お見積り |
- ( - ) | お見積り |
- ( - ) | お見積り |
- ( - ) | お見積り |
- ( - ) | お見積り |
- ( - ) | お見積り |
- ( - ) | お見積り |
- ( - ) | お見積り |
- ( - ) | お見積り |
- ( - ) | お見積り |
- ( - ) | お見積り |
- ( - ) | お見積り |
通常価格、通常出荷日が表示と異なる場合がございます
通常価格、通常出荷日が表示と異なる場合がございます

ミスミ
ピアス用スタンダード吊りカムユニット MGFV50(θ=00-55)
2通常価格(税別):57,900円~

ミスミ
ピアス用コンパクト吊りカムユニット-高加工力対応- MGFVB52(θ=00-20)
0通常価格(税別):94,050円~

ミスミ
CAMRiSEシリーズ ピアス・トリム・フランジ用コンパクト -ロングストローク- CB-L58
0通常価格(税別):118,470円

ミスミ
ピアス用スタンダード吊りカムユニット MGFV65(θ=00-45)
3通常価格(税別):74,400円~

ミスミ
CAMRiSEシリーズ ピアス・トリム・フランジ用コンパクト -ショートストローク- CB-S46
0通常価格(税別):64,130円

ミスミ
ピアス用コンパクト吊りカムユニットMGFVC52(θ=00-40)
3.5通常価格(税別):46,800円~

ミスミ
トリム・フランジ用吊りカムユニット MGFTT200
0通常価格(税別):139,000円

ミスミ
ピアス用コンパクト吊りカムユニットMGFVC52(θ=45-80)
0通常価格(税別):46,800円

ミスミ
ピアス用スタンダード吊りカムユニット MGFV80(θ=00-60)
0通常価格(税別):101,000円~