プレス金型部品技術窓口
ミスミ品のみ対象
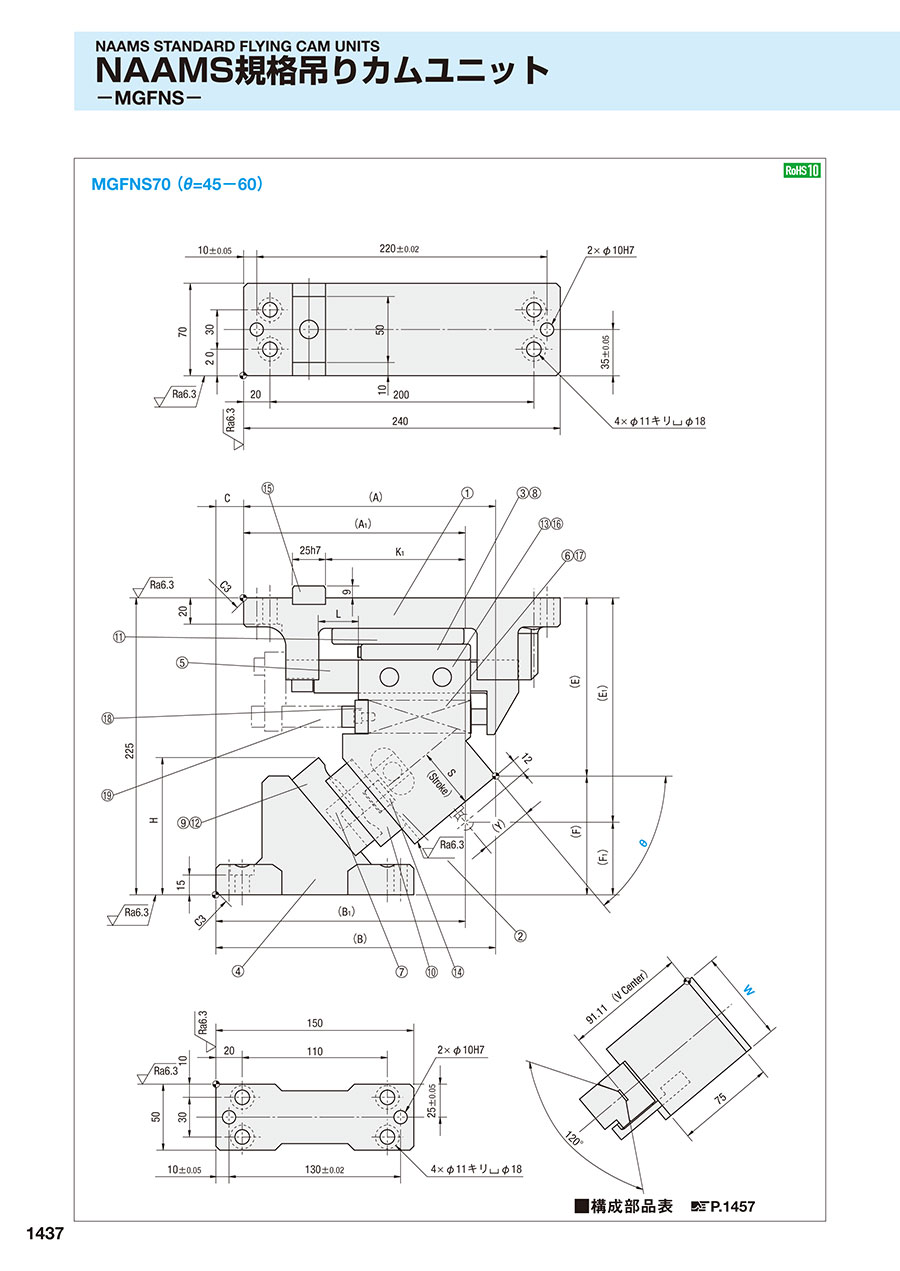
ピアス・トリム・フランジ用NAAMS規格吊りカムユニットです。カム幅70、角度=45-60です。
関連ページ
カム線図 P.1453

■構成部品表 P.1457
| W | θ | A | A1 | B | B1 | C | E | E1 | F | F1 | H | K1 | L | Y |
|---|---|---|---|---|---|---|---|---|---|---|---|---|---|---|
| 70 | 45 | 198.15 | 181.4 | 200.15 | 183.4 | 2 | 131.28 | 165 | 93.72 | 60 | 96.1 | 110.5 | 30 | 35.68 |
| 50 | 190.95 | 168.09 | 211.95 | 189.09 | 21 | 135.15 | 170 | 89.85 | 55 | 104 | 106 | 39.92 | ||
| 55 | 190.51 | 170.02 | 213.51 | 193.02 | 23 | 146 | 175 | 79 | 50 | 104.8 | 101.5 | 25 | 33.41 | |
| 60 | 185.81 | 167.99 | 220.81 | 202.99 | 35 | 155.86 | 180 | 69.14 | 45 | 106.3 | 98.5 | 27.5 |
| ストローク S | 加工力kN (tonf) | スプリング力N (kgf) | 全重量 kg | 型式 | W | θ | スプリング タイプ | ||
|---|---|---|---|---|---|---|---|---|---|
| 初圧 | S-5mm時 | 終圧 | |||||||
| 42.3 | 98.1 (10.0) | 69 (7.0) | 588 (60.0) | 657 (67.0) | 13.8 | MGFNS | 70 | 45 | GK ISO NGK NISO |
| 46.7 | 594 (60.6) | 13.9 | 50 | ||||||
| 43.6 | 88 (9.0) | 521 (53.2) | 578 (59.0) | 14.1 | 55 | ||||
| 50.0 | 529 (54.0) | 14.5 | 60 | ||||||
■スプリング仕様
| スプリングタイプ | スプリング型式 | スプリング力N (kgf) | 備考 | |
|---|---|---|---|---|
| 初圧 | 終圧 | |||
| GK | M150−38.1 | − | 2350 (240) | KALLER製ガススプリング |
| ISO | φ25×115 | 69(7.0)(θ=45−50) 88(9.0)(θ=55−60) | 657(67.0)(θ=45−50) 578(59.0)(θ=55−60) | コイルスプリング(定数=19.6N/mm) |
| NGK | − | − | − | ガススプリングなし |
| NISO | − | − | − | コイルスプリングなし |

型番確定後、右部に表示される「価格を確認」を押してお見積りください

| 型番 |
|---|
通常単価(税別)
(税込単価) | 通常出荷日 |
|---|
- ( - ) | お見積り |
- ( - ) | お見積り |
- ( - ) | お見積り |
- ( - ) | お見積り |
- ( - ) | お見積り |
- ( - ) | お見積り |
- ( - ) | お見積り |
- ( - ) | お見積り |
- ( - ) | お見積り |
- ( - ) | お見積り |
- ( - ) | お見積り |
- ( - ) | お見積り |
- ( - ) | お見積り |
- ( - ) | お見積り |
- ( - ) | お見積り |
- ( - ) | お見積り |
通常価格、通常出荷日が表示と異なる場合がございます
通常価格、通常出荷日が表示と異なる場合がございます

ミスミ
ピアス用コンパクト吊りカムユニットMGFVC52(θ=00-40)
3.5通常価格(税別):46,800円~

ミスミ
ピアス用スタンダード吊りカムユニット MGFV50(θ=00-55)
2通常価格(税別):57,900円~

ミスミ
高剛性吊りカムユニット MGFLL50(θ=55-65)
0通常価格(税別):69,800円

ミスミ
CAMRiSEシリーズ ピアス・トリム・フランジ用コンパクト -ショートストローク- CB-S46
0通常価格(税別):64,130円

ミスミ
ピアス用コンパクト吊りカムユニットMGFVC52(θ=45-80)
0通常価格(税別):46,800円

ミスミ
CAMRiSEシリーズ ピアス・トリム・フランジ用コンパクト -ショートストローク- CB-S58
0通常価格(税別):116,090円

ミスミ
CAMRiSEシリーズ ピアス・トリム・フランジ用コンパクト -ショートストローク- CB-S72
0通常価格(税別):135,570円

ミスミ
スタンダード下カムユニット-ノック 下穴/仕上穴-MGDC・MGDCA65(θ=05-20)
0通常価格(税別):57,800円~

ミスミ
スタンダード下カムユニット-ノック 下穴/仕上穴-MGDC・MGDCA100(θ=00)
3通常価格(税別):92,000円~