プレス金型部品技術窓口
ミスミ品のみ対象
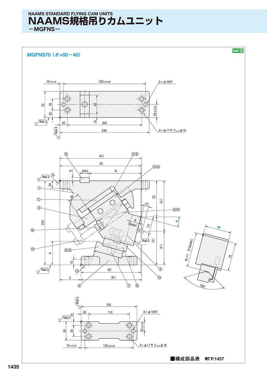
ピアス・トリム・フランジ用NAAMS規格吊りカムユニットです。カム幅70、角度=00-40です。
関連ページ
カム線図 P.1453

■構成部品表 P.1457
| W | θ | A | A1 | B | B1 | C | E | E1 | F | F1 | H | K1 | Y |
|---|---|---|---|---|---|---|---|---|---|---|---|---|---|
| 70 | 00 | 237.37 | 249.37 | 135.37 | 147.37 | 102 | 85 | 120 | 140 | 105 | 46.4 | 155.5 | 35 |
| 05 | 234.87 | 243.53 | 142.87 | 151.53 | 92 | 86.28 | 125 | 138.72 | 100 | 53.9 | 149.5 | 37.82 | |
| 10 | 232.82 | 237.74 | 151.82 | 156.74 | 81 | 88.76 | 130 | 136.24 | 95 | 60.9 | 145 | 39.76 | |
| 15 | 217.54 | 219.67 | 160.54 | 162.67 | 57 | 96.59 | 135 | 128.41 | 90 | 63.1 | 140.5 | 36.55 | |
| 20 | 224.52 | 222.62 | 172.52 | 170.62 | 52 | 99.67 | 140 | 125.33 | 85 | 70.5 | 134.5 | 38.55 | |
| 25 | 223.46 | 218.26 | 181.46 | 176.26 | 42 | 105.45 | 145 | 119.55 | 80 | 75.7 | 130 | 38.04 | |
| 30 | 211.54 | 204.03 | 181.54 | 174.03 | 30 | 112.99 | 150 | 112.01 | 75 | 79.4 | 125.5 | 35.81 | |
| 35 | 210.68 | 198.86 | 193.68 | 181.86 | 17 | 117.2 | 155 | 107.8 | 70 | 86.8 | 119.5 | 37.74 | |
| 40 | 204.84 | 191.19 | 200.84 | 187.19 | 4 | 125.07 | 160 | 99.93 | 65 | 90.6 | 115 | 35.53 |
| ストローク S | 加工力kN (tonf) | スプリング力N (kgf) | 全重量 kg | 型式 | W | θ | スプリング タイプ | ||
|---|---|---|---|---|---|---|---|---|---|
| 初圧 | S-5mm時 | 終圧 | |||||||
| 19.3 | 98.1 (10.0) | 69 (7.0) | 504 (51.4) | 657 (67.0) | 16.1 | MGFNS | 70 | 00 | GK ISO NGK NISO |
| 21.3 | 519 (53.0) | 15.4 | 05 | ||||||
| 23.3 | 531 (54.2) | 14.8 | 10 | ||||||
| 25.4 | 541 (55.2) | 14.1 | 15 | ||||||
| 27.6 | 551 (56.2) | 14.1 | 20 | ||||||
| 30.0 | 559 (57.0) | 14.0 | 25 | ||||||
| 32.6 | 566 (57.8) | 13.8 | 30 | ||||||
| 35.4 | 574 (58.6) | 13.7 | 35 | ||||||
| 38.6 | 580 (59.2) | 13.8 | 40 | ||||||
■スプリング仕様
| スプリングタイプ | スプリング型式 | スプリング力N (kgf) | 備考 | |
|---|---|---|---|---|
| 初圧 | 終圧 | |||
| GK | M150−38.1 | − | 2350 (240) | KALLER製ガススプリング |
| ISO | φ25×115 | 69 (7.0) | 657 (67.0) | コイルスプリング(定数=19.6N/mm) |
| NGK | − | − | − | ガススプリングなし |
| NISO | − | − | − | コイルスプリングなし |

型番確定後、右部に表示される「価格を確認」を押してお見積りください

| 型番 |
|---|
通常単価(税別)
(税込単価) | 通常出荷日 |
|---|
- ( - ) | お見積り |
- ( - ) | お見積り |
- ( - ) | お見積り |
- ( - ) | お見積り |
- ( - ) | お見積り |
- ( - ) | お見積り |
- ( - ) | お見積り |
- ( - ) | お見積り |
- ( - ) | お見積り |
- ( - ) | お見積り |
- ( - ) | お見積り |
- ( - ) | お見積り |
- ( - ) | お見積り |
- ( - ) | お見積り |
- ( - ) | お見積り |
- ( - ) | お見積り |
- ( - ) | お見積り |
- ( - ) | お見積り |
- ( - ) | お見積り |
- ( - ) | お見積り |
- ( - ) | お見積り |
- ( - ) | お見積り |
- ( - ) | お見積り |
- ( - ) | お見積り |
- ( - ) | お見積り |
- ( - ) | お見積り |
- ( - ) | お見積り |
- ( - ) | お見積り |
- ( - ) | お見積り |
- ( - ) | お見積り |
- ( - ) | お見積り |
- ( - ) | お見積り |
- ( - ) | お見積り |
- ( - ) | お見積り |
- ( - ) | お見積り |
- ( - ) | お見積り |
通常価格、通常出荷日が表示と異なる場合がございます
通常価格、通常出荷日が表示と異なる場合がございます

ミスミ
ピアス用スタンダード吊りカムユニット MGFV50(θ=00-55)
2通常価格(税別):57,900円~

ミスミ
CAMRiSEシリーズ ピアス・トリム・フランジ用コンパクト -ロングストローク- CB-L58
0通常価格(税別):118,470円

ミスミ
ピアス用コンパクト吊りカムユニットMGFVC52(θ=00-40)
3.5通常価格(税別):46,800円~

ミスミ
ピアス用スタンダード吊りカムユニット MGFV80(θ=00-60)
0通常価格(税別):101,000円~

ミスミ
CAMRiSEシリーズ ピアス・トリム・フランジ用 -ロングストローク- CB-L140
0通常価格(税別):215,180円

ミスミ
CAMRiSEシリーズ ピアス・トリム・フランジ用コンパクト -ショートストローク- CB-S46
0通常価格(税別):64,130円

ミスミ
トリム・フランジ用吊りカムユニット MGFTT200
0通常価格(税別):139,000円

ミスミ
ピアス用コンパクト吊りカムユニットMGFVC52(θ=45-80)
0通常価格(税別):46,800円

ミスミ
トリム・フランジ用吊りカムユニット -V形ガイド- MGFVT200
0通常価格(税別):152,000円