プレス金型部品技術窓口
ミスミ品のみ対象
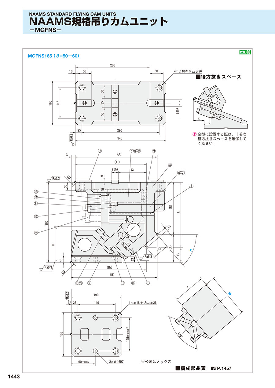
ピアス・トリム・フランジ用NAAMS規格吊りカムユニットです。カム幅165、角度=50-60です。
関連ページ
カム線図 P.1454

■後方抜きスペース

金型に設置する際は、十分な後方抜きスペースを確保してください。
※公差はノック穴
■構成部品表 P.1457
| W | θ | A | A1 | B | B1 | C | E | E1 | F | F1 | H | K1 | V | Y | x |
|---|---|---|---|---|---|---|---|---|---|---|---|---|---|---|---|
| 165 | 50 | 307.27 | 267.1 | 322.27 | 282.1 | 15 | 195.63 | 245 | 104.37 | 55 | 136.3 | 105.5 | 120 | 62.51 | 81 |
| 55 | 296.59 | 253.67 | 328.59 | 285.67 | 32 | 210.3 | 255 | 89.7 | 45 | 139.6 | 120 | 125 | 60.8 | 88 | |
| 60 | 288.56 | 238.54 | 333.56 | 283.54 | 45 | 222.26 | 265 | 77.74 | 35 | 143.2 | 113 | 64.69 | 95 |
| ストロークS | 加工力kN (tonf) | スプリング力N (kgf) | 全重量 kg | 型式 | W | θ | スプリング タイプ | ||
|---|---|---|---|---|---|---|---|---|---|
| 初圧 | S-5mm時 | 終圧 | |||||||
| 77.8 | 294.2 (30.0) | 449 (45.8) | 2550 (260.1) | 2694 (274.7) | 64.3 | MGFNS | 165 | 50 | GK ISO NGK NISO |
| 87.2 | 2564 (261.4) | 65.2 | 55 | ||||||
| 100.0 | 2582 (263.3) | 66.6 | 60 | ||||||
■スプリング仕様
| スプリングタイプ | スプリング型式 | スプリング力N (kgf) | 備考 | |
|---|---|---|---|---|
| 初圧 | 終圧 | |||
| GK | GSK250−63 | − | 3430 (350) | ガススプリング |
| ISO | φ40×178 | 449 (45.8) | 2694 (274.7) | コイルスプリング(定数=44.9N/mm) |
| NGK | − | − | − | ガススプリングなし |
| NISO | − | − | − | コイルスプリングなし |

型番確定後、右部に表示される「価格を確認」を押してお見積りください

| 型番 |
|---|
通常単価(税別)
(税込単価) | 通常出荷日 |
|---|
- ( - ) | お見積り |
- ( - ) | お見積り |
- ( - ) | お見積り |
- ( - ) | お見積り |
- ( - ) | お見積り |
- ( - ) | お見積り |
- ( - ) | お見積り |
- ( - ) | お見積り |
- ( - ) | お見積り |
- ( - ) | お見積り |
- ( - ) | お見積り |
- ( - ) | お見積り |
通常価格、通常出荷日が表示と異なる場合がございます
通常価格、通常出荷日が表示と異なる場合がございます

ミスミ
ピアス用スタンダード吊りカムユニット MGFV50(θ=00-55)
2通常価格(税別):57,900円~

ミスミ
ピアス用コンパクト吊りカムユニット-高加工力対応- MGFVB52(θ=00-20)
0通常価格(税別):94,050円~

ミスミ
CAMRiSEシリーズ ピアス・トリム・フランジ用コンパクト -ロングストローク- CB-L58
0通常価格(税別):118,470円

ミスミ
ピアス用スタンダード吊りカムユニット MGFV65(θ=00-45)
3通常価格(税別):74,400円~

ミスミ
CAMRiSEシリーズ ピアス・トリム・フランジ用コンパクト -ショートストローク- CB-S46
0通常価格(税別):64,130円

ミスミ
ピアス用コンパクト吊りカムユニットMGFVC52(θ=00-40)
3.5通常価格(税別):46,800円~

ミスミ
トリム・フランジ用吊りカムユニット MGFTT200
0通常価格(税別):139,000円

ミスミ
ピアス用コンパクト吊りカムユニットMGFVC52(θ=45-80)
0通常価格(税別):46,800円

ミスミ
ピアス用スタンダード吊りカムユニット MGFV80(θ=00-60)
0通常価格(税別):101,000円~