プレス金型部品技術窓口
SKH材の仕上げブロックとなります。材質は高速度合金鋼です。

| 精度基準 | |
| ・直角度 | 100mmに対して、0.02以下 |
| ・上下面平行度 | 100mmに対して、0.02以下 |
| ・上下面平面度 | 100mmに対して、0.04以下 |
| ・全周面取り | C0 (面取りなし) |
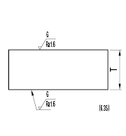
| ・表面粗さ | 6.3a以下 (フライス削り) |
| (25S) | |
| [ M ]材質 | 型式 | 指定1mm単位 | ||
|---|---|---|---|---|
| A | B | T | ||
| SKH51 (生材) | FB-SKH | 30~100 | 30~100 | 8~60 |
| 型式 | - | A-B-T |
| FB-SKH | - | 30-30-8 |
| 3 | 日目出荷 |
| 急 | ストークA |
| 型式 | - | A | - | B | - | T | - | (KAC・TAC・CAC) |
| FB-SKH | - | 30 | - | 59 | - | 16 | - | TAC |
| 3 | 日目出荷 |
| 追加工 | 基準面追加 | 上下面研磨 | 全周面取り変更 | ||||
![]() | ![]() | ![]() | |||||
| 記号 | KAC | TAC | CAC | ||||
| 詳細 | A・B寸法方向に基準面を加工します。 基準面直角度 100mmに対して 0.015以下 | 上下面を研磨仕上げします。 上下面平行度 100mmに対して 0.012以下 上下面平面度 | 全周にC0.5~1の面取りを加工します。 | ||||
| T | 25以下 | 26以上 | |||||
| 100mmに対して | 0.015 | 0.012 | |||||
通常価格、通常出荷日が表示と異なる場合がございます

ミスミ
仕上げブロック-SKD材-
4.3
ミスミ
仕上げブロック-SKS3材-
3
ミスミ
仕上げプレート-HPM材-
4.7通常価格(税別):1,328円~

ミスミ
仕上げプレート-SKS材-
4.3通常価格(税別):1,307円~

ミスミ
仕上げプレート-SKD材-
5通常価格(税別):1,374円~

ミスミ
仕上げプレート-SS材-
4.5通常価格(税別):1,016円~

ミスミ
仕上げプレート-SK材-
4.6通常価格(税別):1,074円~

ミスミ
仕上げプレート-SC材-
4.2通常価格(税別):1,067円~

ミスミ
仕上げプレート-DC材-
4通常価格(税別):1,414円~