プレス金型部品技術窓口
無給油タイプのプレーンガイドポストセットです。材質はねずみ鋳鉄、機械構造用炭素鋼です。

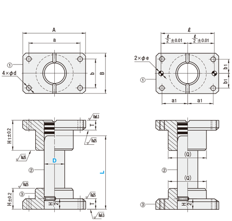
[ ! ]( )寸法は参考値です。
[ ! ]交換部品>> P.1130
| (1) | [ M ]材質 | FC250 |
| 特殊固体潤滑剤(埋設) | ||
| (2) | [ M ]材質 | S45C |
| [ H ]硬度 | 55HRC~(高周波焼入) | |
| (3) | [ M ]材質 | FC250 |
[ ! ]ガイドホルダ下面とガイドポストの直角度:100mmに対し0.02mm以下(>> P.1132をご参照ください)
[ ! ]重量物運搬安全基準によりD80のポスト先端にM12のタップがついており、アイボルト>> P.1655)による吊り上げ運搬が可能です。
[ ! ]ボス外径に鋳物肌が残る場合がありますが、機能上問題ありません。
[ ! ]在庫品型式にMWご指定の場合は在庫品の納期、MTO(受注製作品)にMWご指定の場合はMTO(受注製作品)の納期にて出荷(MYP・MYZP)いたします。
[ ! ]ガイドポストの止めネジは一度緩めると再締付時軸力が低下するため、基本的に緩めないでご使用ください。
止めネジを緩めて再度締結する場合はロックタイトの塗布を推奨します。
| D | A | B | a | b | d | H | H1 | T | (Q) | ℓ | a1 | b1 | eH7 | (4)付属ボルト | (5)付属ノックピン | |
|---|---|---|---|---|---|---|---|---|---|---|---|---|---|---|---|---|
| 20 | 74 | 44 | 56 | 30 | 6.6 | 30 | 40 | 15 | 42 | 56 | 28 | 15 | 6 | +0.012 0 | CB06-30 | MSTM6-20 |
| 25 | 84 | 48 | 66 | 9 | 45 | 20 | 46 | 66 | 33 | 8 | +0.015 0 | CB08-35 | MSTM8-30 | |||
| 32 | 100 | 58 | 76 | 36 | 11 | 40 | 50 | 56 | 76 | 38 | 18 | CB10-40 | ||||
| 38 | 130 | 75 | 100 | 44 | 50 | 60 | 25 | 73 | 100 | 50 | 22 | 10 | CB10-45 | MSTM10-40 | ||
| 50 | 155 | 90 | 125 | 60 | 14 | 65 | 85 | 87 | 125 | 62.5 | 30 | CB12-50 | ||||
| 60 | 190 | 120 | 150 | 80 | 18 | 75 | 100 | 30 | 116 | 150 | 75 | 40 | 13 | +0.018 0 | CB16-60 | MSTM13-50 |
| 80 | 230 | 150 | 180 | 110 | 22 | 100 | 130 | 35 | 145 | 190 | 90 | 55 | 16 | CB20-75 | MSTM16-60 | |
| 型式 | L | |||||||||||||||||||
|---|---|---|---|---|---|---|---|---|---|---|---|---|---|---|---|---|---|---|---|---|
| Type | D | |||||||||||||||||||
| MYZ MYZP | 20 | 80 | 90 | 100 | 110 | 120 | 130 | 140 | 150 | 160 | ||||||||||
| 25 | 80 | 90 | 100 | 110 | 120 | 130 | 140 | 150 | 160 | 170 | 180 | 200 | ||||||||
| 32 | 90 | 100 | 110 | 120 | 130 | 140 | 150 | 160 | 170 | 180 | 200 | 220 | 250 | |||||||
| 38 | 110 | 120 | 130 | 140 | 150 | 160 | 170 | 180 | 200 | 220 | 250 | 280 | 300 | |||||||
| 50 | 160 | 170 | 180 | 200 | 220 | 250 | 280 | 300 | 350 | |||||||||||
| 60 | 180 | 200 | 220 | 250 | 280 | 300 | 350 | 400 | ||||||||||||
| 80 | 250 | 280 | 300 | 350 | 400 | 450 | ||||||||||||||
[ ! ]型式の最後にMWをご指定いただいた場合、ノックピン落下防止用ワッシャ(>> P.1145)を付属し出荷いたします(MYPの在庫品・MTO(受注製作品)ともに適用)。
MWご指定による出荷日の変更はございません。該当するMWコードは追加工欄をご参照ください。
| 型式 | - | L | - | (MW) |
| MYZP 50 | - | 250 |
・MYZP
D20~60
| 在庫品 |
・MYZ
D20~60
| 3 | 日目出荷 |
| 急 | ストークT |
| ストークA |
・MYZ・MYZP
D80
| 5 | 日目出荷 |
| 型式 | - | L(LC) | - | (M・B・H・N・C…etc.) |
| MYZP 50 | - | LC240 | - | B-H |
| 3 | 日目出荷 |
| 急 | ストークT |
| 急 | ストークA |
| 追加工 | 記号 | 詳細 | |||||||||||||||
![]() | LC | ポスト長さ変更します。 指定1mm単位 LCmin≦LC<Lmax 追加工詳細>>こちら | |||||||||||||||
![]() | ブシュ W | ストロークエンドブロック取り付け用の タップ加工をします。 [ ! ]D20適用不可 追加工詳細>>こちら | |||||||||||||||
| ホルダ M | |||||||||||||||||
| ブシュ側 ホルダ側 ホルダ底面 ![]() | ブシュ B | ツバ面を加工します。 逆タイプで使用すると型高さを低くできます。 [ ! ]B・Hの併用はできます。 [ ! ]ポスト長はホルダ底面から | |||||||||||||||
| ホルダ H | |||||||||||||||||
![]() | MW | ノックピン落下 防止用ワッシャ MW(>>こちら)を付属します。 [ ! ]数量1につき1対(2枚組) [ ! ]MYP,MYZPの在庫品・MTO |
| ||||||||||||||
| 追加工 | 記号 | 詳細 | |||||||||||||||||||||||
![]() | BKC | ブシュ側H1寸法公差変更します。 H1±0.2 ⇒ ±0.1 [ NG ]D20適用不可 | |||||||||||||||||||||||
![]() | HKC | ホルダ側H寸法公差変更します。 H±0.2 ⇒ ±0.1 [ NG ]D20適用不可 | |||||||||||||||||||||||
![]() | N | ホルダに位置決め用の ノック穴2ケ所を加工 します。 |
| ||||||||||||||||||||||
| [ ! ]MY・MYZに適用 [ ! ]ノックピンは | |||||||||||||||||||||||||
![]() | C | ポストのセンターに位置決め用のノック穴を 1ケ所加工します。 [ ! ]ノックピンは付属しません。 | |||||||||||||||||||||||
>> P.1131
| 型番 |
|---|
通常単価(税別)
(税込単価) | 通常出荷日 |
|---|
- ( - ) | 3日目 |
- ( - ) | 3日目 |
- ( - ) | 3日目 |
- ( - ) | 3日目 |
- ( - ) | 3日目 |
- ( - ) | 3日目 |
- ( - ) | 3日目 |
- ( - ) | 3日目 |
- ( - ) | 3日目 |
- ( - ) | 3日目 |
- ( - ) | 3日目 |
- ( - ) | 3日目 |
- ( - ) | 5日目 |
- ( - ) | 5日目 |
2,741円 ( 3,015円 ) | 在庫品1日目当日出荷可能 |
2,884円 ( 3,172円 ) | 在庫品1日目当日出荷可能 |
2,741円 ( 3,015円 ) | 在庫品1日目当日出荷可能 |
2,884円 ( 3,172円 ) | 在庫品1日目当日出荷可能 |
2,741円 ( 3,015円 ) | 在庫品1日目当日出荷可能 |
2,884円 ( 3,172円 ) | 在庫品1日目当日出荷可能 |
2,741円 ( 3,015円 ) | 在庫品1日目当日出荷可能 |
2,884円 ( 3,172円 ) | 在庫品1日目当日出荷可能 |
2,741円 ( 3,015円 ) | 在庫品1日目当日出荷可能 |
2,884円 ( 3,172円 ) | 在庫品1日目当日出荷可能 |
3,150円 ( 3,465円 ) | 在庫品1日目当日出荷可能 |
3,293円 ( 3,622円 ) | 在庫品1日目当日出荷可能 |
3,150円 ( 3,465円 ) | 在庫品1日目当日出荷可能 |
3,293円 ( 3,622円 ) | 在庫品1日目当日出荷可能 |
3,150円 ( 3,465円 ) | 在庫品1日目当日出荷可能 |
3,293円 ( 3,622円 ) | 在庫品1日目当日出荷可能 |
3,150円 ( 3,465円 ) | 在庫品1日目当日出荷可能 |
3,293円 ( 3,622円 ) | 在庫品1日目当日出荷可能 |
- ( - ) | 3日目 |
- ( - ) | 3日目 |
2,846円 ( 3,131円 ) | 在庫品1日目当日出荷可能 |
2,989円 ( 3,288円 ) | 在庫品1日目当日出荷可能 |
2,846円 ( 3,131円 ) | 在庫品1日目当日出荷可能 |
2,989円 ( 3,288円 ) | 在庫品1日目当日出荷可能 |
2,846円 ( 3,131円 ) | 在庫品1日目当日出荷可能 |
2,989円 ( 3,288円 ) | 在庫品1日目当日出荷可能 |
2,846円 ( 3,131円 ) | 在庫品1日目当日出荷可能 |
2,989円 ( 3,288円 ) | 在庫品1日目当日出荷可能 |
2,846円 ( 3,131円 ) | 在庫品1日目当日出荷可能 |
2,989円 ( 3,288円 ) | 在庫品1日目当日出荷可能 |
3,255円 ( 3,581円 ) | 在庫品1日目当日出荷可能 |
3,398円 ( 3,738円 ) | 在庫品1日目当日出荷可能 |
3,255円 ( 3,581円 ) | 在庫品1日目当日出荷可能 |
3,398円 ( 3,738円 ) | 在庫品1日目当日出荷可能 |
3,255円 ( 3,581円 ) | 在庫品1日目当日出荷可能 |
3,398円 ( 3,738円 ) | 在庫品1日目当日出荷可能 |
3,255円 ( 3,581円 ) | 在庫品1日目当日出荷可能 |
3,398円 ( 3,738円 ) | 在庫品1日目当日出荷可能 |
3,255円 ( 3,581円 ) | 在庫品1日目当日出荷可能 |
3,398円 ( 3,738円 ) | 在庫品1日目当日出荷可能 |
3,255円 ( 3,581円 ) | 在庫品1日目当日出荷可能 |
3,398円 ( 3,738円 ) | 在庫品1日目当日出荷可能 |
3,255円 ( 3,581円 ) | 在庫品1日目当日出荷可能 |
3,398円 ( 3,738円 ) | 在庫品1日目当日出荷可能 |
- ( - ) | 3日目 |
- ( - ) | 3日目 |



通常価格、通常出荷日が表示と異なる場合がございます
通常価格、通常出荷日が表示と異なる場合がございます

ミスミ
プレーンガイドポストセット-無給油タイプ-
4.6通常価格(税別):2,741円~

ミスミ
プレーンガイドポストセット-給油タイプ-
4.6通常価格(税別):1,540円~

ミスミ
ボールガイドポストセット-可動ストッパ・樹脂製ボールリテーナ- スタンダードタイプ
4.7通常価格(税別):3,402円~

ミスミ
ボールガイドポストセット-可動ストッパ・アルミ製ボールリテーナ- スタンダードタイプ
4.4通常価格(税別):3,119円~

ミスミ
ストロークエンドブロック-フラットタイプ-
4.4
ミスミ
高剛性ダイセット用ボールリテーナ
4通常価格(税別):1,032円~

ミスミ
ボールガイドポストセット-固定ストッパ・アルミ製ボールリテーナ- スタンダードタイプ
4.6通常価格(税別):3,885円~

ミスミ
ホルダーガイドポストセット ブシュ用スペーサ-鋳物タイプ-
4.4通常価格(税別):1,444円~

ミスミ
ボールガイドポストセット-固定ストッパ・樹脂製ボールリテーナ- スタンダードタイプ
4