ツール用品技術窓口
あなたと同じ商品を見たお客様は
こちらの商品も見ています
|
長野計器 デジタル微差圧計 GC32 |
|
長野計器 高精度デジタル微差圧計 GC02 |
|
長野計器 デジタル微差圧計 GC62 |

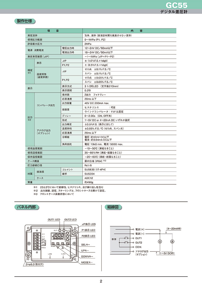
| 項目 | 内容 | ||
|---|---|---|---|
| 測定流体 | 気体、液体(接液部材質を腐食させない流体) | ||
| 使用圧力範囲 | 0~1MPa(P1、P2) | ||
| 許容最大圧力 | 2MPa | ||
| 電源 消費電流 | 電圧出力時 | 12~24V DC/60mA以下 | |
| 電流出力時 | 18~24V DC/80mA以下 | ||
| 測定差圧範囲(P) | -1~1MPa(P=P1-P2) | ||
| 精度※1 | 表示 | P | ±(1.0%F.S+1digit) |
| P1, P2 | ±(0.5%F.S+1digit) | ||
| 温度特性 (温度係数) | P | ゼロ点 0.1%F.S/℃ | |
| スパン 0.1%F.S/℃ | |||
| P1, P2 | ゼロ点 0.05%F.S/℃ | ||
| スパン 0.05%F.S/℃ | |||
| 表示 | 表示方式 | 3 1/2桁LED(文字高さ10mm) | |
| 表示周期 | 0.2秒 | ||
| 出力※2 | コンパレータ出力 | 接点数 | 2出カ フオトリしー |
| 応答速度 | 20ms 以下 | ||
| 出力容量 | 40V DC 200mA max. | ||
| 接断差 | ヒステリシス: 可変 | ||
| ウインドコンパレータ: 1%F.S.固定 | |||
| ディレー | 0~2.00s(ON, OFF共) | ||
| アナログ出力 (オプシヨン) | 形式 | 1~5V DC or 4~20mA DC いずれか選択 | |
| 出力精度 | ±0.5%F.S.(表示に対して) | ||
| 温度特性 | ±0.5%F.S./℃(ゼロ点、スパン共) | ||
| 応答速度 | 20ms 以下 | ||
| 分解能 | 電圧:約10mV DC以下 電流:約0.04mA DC以下 | ||
| 負荷抵抗 | 電圧:10kΩ min. 電流:500Ω max. | ||
| 使用温度範囲 | -10~50℃(凍結なきこと) | ||
| 使用湿度範囲 | 35~85%RH (凍結・結露なきこと) | ||
| 保存温度範囲 | -20~60℃ (凍結・結露なきこと) | ||
| ケース構造 | 屋内仕様(IP64)※3 | ||
| 圧力接続口径 | Rc1/8 | ||
| 材質 | 接液部 | エレメント | SUS630(17-4PH) |
| 継手 | SUS304 | ||
| ケース | ADC12 | ||
| 質量 | 約490g | ||
※1 23±2℃において直線性、ヒステリシス、及び繰り返し性含む
※2 出力調整、設定、スケーリングは、フロンドケースを開けて設定。
※3 フロントケース装着状態において




Q:使用温度範囲は何度ですか。
A:-10~50℃です。
【特長】
・高圧側、低圧側、差圧の3つのデータが採取できます。接点及びアナログ出力は、高圧側、低圧側、差圧のいずれかを選択できます
・明るく見やすい3 1/2桁LEDデジタル表示でスイッチ機能、アナログ出力を有します
・継手の材質にSUS304、センサの材質にSUS630を採用し、センサと継手は溶接方式のため耐久性、耐食性に優れています
・差圧計測時のバルブマニホールド(均圧弁操作)が不要であるため、余計な工事を必要としません
通常価格、通常出荷日が表示と異なる場合がございます
通常価格、通常出荷日が表示と異なる場合がございます

長野計器
JIS汎用形圧力計 シルバーM(A枠立形・Φ60・テーパーねじ)GS50-171
4.5通常価格(税別):2,180円~

長野計器
圧力計配管用継手
4.3通常価格(税別):1,300円~

右下精器製造
汎用グリセリン入圧力計
5通常価格(税別):5,397円~

長野計器
圧力計配管パッキン
4.1通常価格(税別):110円~

長野計器
普通形圧力計A□ (AA、AC、AE、AG、AJ)
4通常価格(税別):5,031円~

ASK
圧力テスター用グリセリン圧力計OPG
5通常価格(税別):6,363円~

長野計器
グリセリン入小形圧力計(35Φ,50Φ) GV95,GV97
4.6通常価格(税別):3,845円~

長野計器
グリセリン入圧力計 GV42、GV47、GV50、GV51、GV55、GV56
4.5通常価格(税別):7,400円~

アズワン
プレシート
4通常価格(税別):14,300円