ツール用品技術窓口
あなたと同じ商品を見たお客様は
こちらの商品も見ています
|
テクノプラン マグネットベース<スタンダードタイプ> |
|
新潟精機(SK) マグネットベース ロックタイプ SB-100G |
|
トラスコ中山 マグネットベース(太支柱タイプ) |
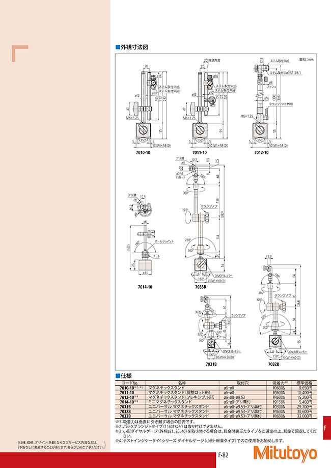
【特長】・高品質、高精度、信頼をお届けする比較測定器。・強力な磁力で工作機械や治具に固定できますので、...
詳細を確認
「測る」のその先へ。
ミツトヨの新しい挑戦が始まっています。
産業のマザーテクノロジーと呼ばれ、世界中のあらゆる製造シーンで必要とされ続けている、精密測定。
現代においては“インダストリー4.0”に象徴される目覚ましい技術革新の波の中で、
工場や製造業そのものの在り方はますます高度化し、精密測定に期待される役割も高まりを見せる一方です。
1934年に創業したミツトヨは、「精密測定で社会に貢献する」を理念としながら、
世界に市場を拡げ、精密測定機器の総合メーカーとしての歩みを重ねてきました。
けれどいま、私たちが挑戦するのは「測る」だけでは終わらない、お客様にとっての「その先」を創り出すソリューションです。
最適な検査環境の開発、自社技術を応用した現場の工程改善、測定データの活用による「止まらない工場」の実現まで。
製造の根幹に携わる存在だからこそ、可能性の広がりは無限です。
【特長】
・高品質、高精度、信頼をお届けする比較測定器。
・強力な磁力で工作機械や治具に固定できますので、テストインジケータ、ダイヤルゲージを取り付けての検査などに幅広くご利用いただけます。
・縦、横の取付け穴やブッシュにテストインジケータ、ダイヤルゲージが取り付けられます。

ノガ・ウォーターズ
デュアルアーム・ミニ
通常価格、通常出荷日が表示と異なる場合がございます
通常価格、通常出荷日が表示と異なる場合がございます

テクノプラン
マグネットベース<スタンダードタイプ>
4通常価格(税別):3,397円~

テクノプラン
マグネットベース<フレキシブルタイプ>
0通常価格(税別):3,549円~

トラスコ中山
マグネットベース(支柱タイプ・アームタイプ)用パーツ
3.6通常価格(税別):460円~

ミスミ
マグネットベース(ロック)
3通常価格(税別):6,545円

ノガ・ウォーターズ
ダイヤルゲージ・テストインジケータ取付け用マグネットホルダ アームタイプ
4.5通常価格(税別):14,116円~

新潟精機(SK)
マグネットベース 標準型 SB-6C、微動型 SB-6B用部品
0通常価格(税別):769円~

トラスコ中山
マグネットベース(アジャスター付)
5通常価格(税別):4,067円

ノガ・ウォーターズ
モジュラーアーム用アタッチメント,パーツ区分:アームタイプ用
0通常価格(税別):2,580円~

ノガ・ウォーターズ
アーム関節式ホルダー用アームのみ
0通常価格(税別):14,799円~