エレクトロニクス部品技術窓口
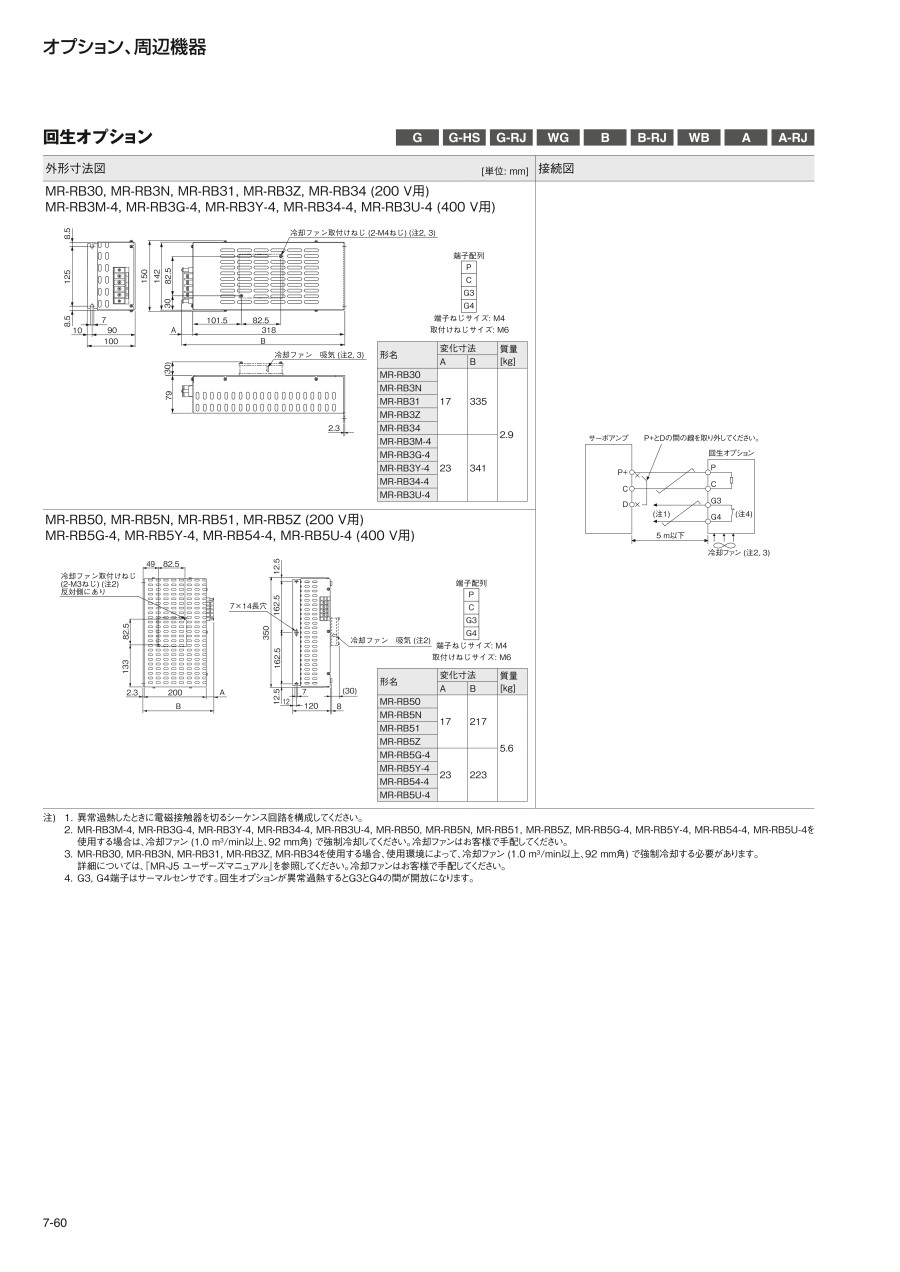
【特長】・ACサーボ MELSERVO J5用 回生オプション(200/400V用)です
通常価格、通常出荷日が表示と異なる場合がございます
通常価格、通常出荷日が表示と異なる場合がございます

三菱電機
MELSERVO-J4シリーズ用 バッテリ関連部品
5通常価格(税別):3,017円~

オリエンタルモーター
モーター取付金具
4.9通常価格(税別):1,089円~

三菱電機
モータ関連部品(バッテリ/ケーブル/アクセサリ)
4.4通常価格(税別):1,470円~

オリエンタルモーター
ACスピードコントロールモーター USシリーズ用接続ケーブル
4.7通常価格(税別):1,146円~

オリエンタルモーター
リレー接点保護部品 サージ電圧吸収用CR回路
5通常価格(税別):539円~

オリエンタルモーター
ケーブル
4通常価格(税別):745円~

オリエンタルモーター
サーボモーター NXシリーズ用ケーブルセット
0通常価格(税別):8,991円~

オリエンタルモーター
フロントカバー
0通常価格(税別):1,957円~

住友重機械
スピードコントローラ ユニットタイプCAUシリーズ
0通常価格(税別):8,131円~