エレクトロニクス部品技術窓口
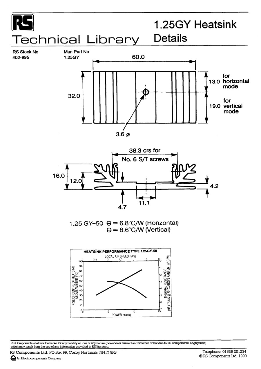
・併用 = TO-220・長さ = 60mm・幅 = 32mm・高さ = 16mm・寸法 = 60 x...
詳細を確認・併用 = TO-220
・長さ = 60mm
・幅 = 32mm
・高さ = 16mm
・寸法 = 60 x 32 x 16mm
・熱抵抗 = 6.8℃/W
・取り付け = ネジ
・カラー = 黒
通常価格、通常出荷日が表示と異なる場合がございます
通常価格、通常出荷日が表示と異なる場合がございます

LSIクーラー
表面実装デバイス用ヒートシンク SQシリーズ アルミ押出し/スリットフィンタイプ
5通常価格(税別):533円~

LSIクーラー
ピン実装デバイス用ヒートシンク Pシリーズ アルミ押出しタイプ
3通常価格(税別):130円~

LSIクーラー
ヒートシンク LSI F 多目的・汎用アルミ押出しタイプ(白アルマイト付)
5通常価格(税別):747円~

LSIクーラー
ヒートシンク LSIクーラー Sシリーズ
0通常価格(税別):3,454円~

ミスミ
鉄製 省スペース用ウレタン付ケーブルクランプ KSシリーズ
4.4通常価格(税別):1,978円~

ミスミ
鉄製 省スペースウレタン付きケーブルクランプ KMシリーズ
4.3通常価格(税別):1,978円~

篠原電機
アースバー EBAタイプ
4.6通常価格(税別):975円~

ミスミ
M4アースバー
4.5通常価格(税別):2,762円~

ミスミ
ゴム足 Kシリーズ(金属ワッシャー入)
4.5通常価格(税別):506円~