エレクトロニクス部品技術窓口
スタッド(勘合固定台)。 【特長】・フード付きコネクタ同士を接続する場合や、コネクタをパネルに固定する...
詳細を確認
17JE、半田付けタイプの実装方法

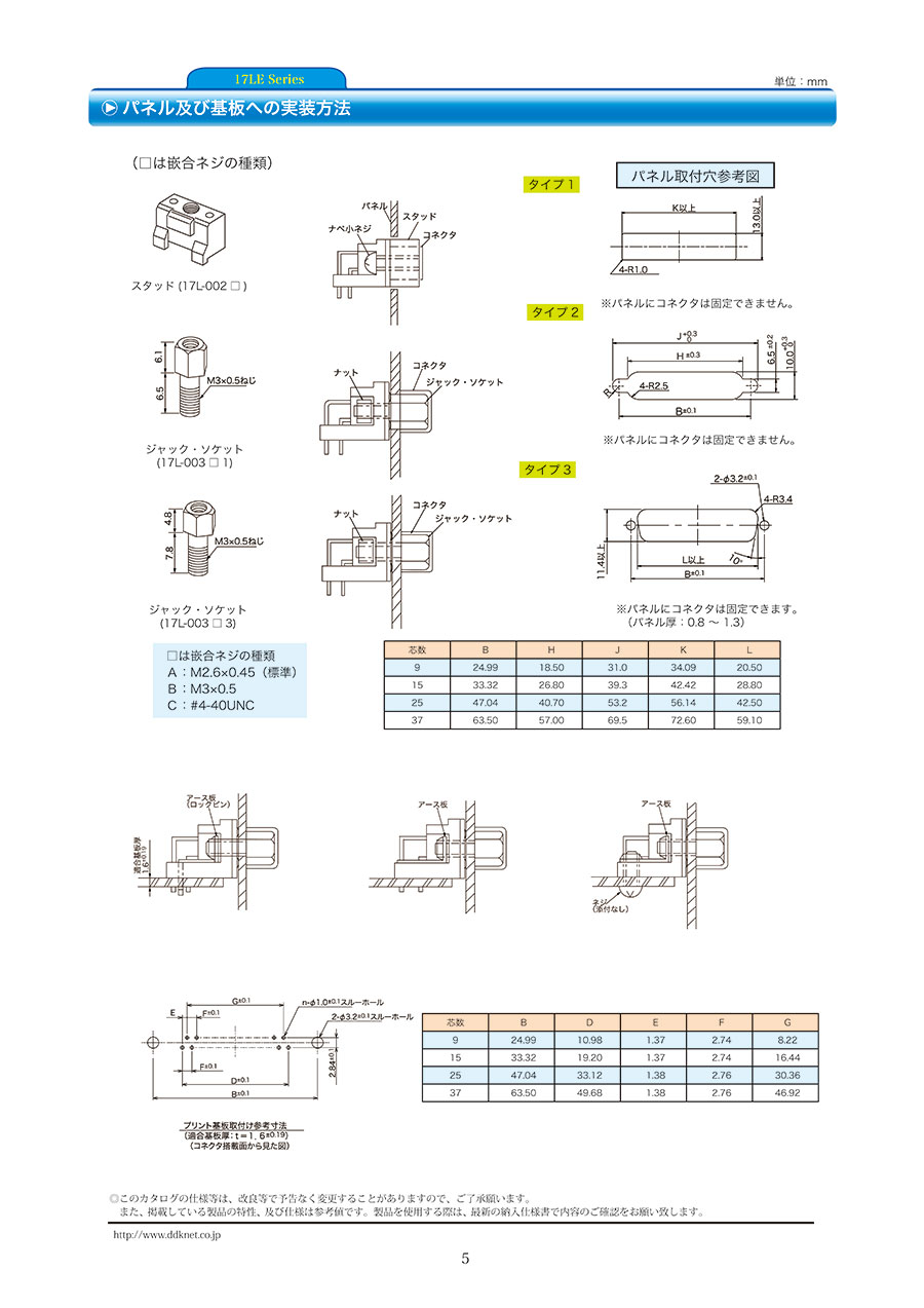
パネル取り付け穴参考図
| 芯数 | B | H | M | K |
|---|---|---|---|---|
| 9 | 24.99 | 20.5 | 22.2 | 34.09 |
| 15 | 33.32 | 28.8 | 30.5 | 42.42 |
| 25 | 47.04 | 42.5 | 44.3 | 56.14 |
| 37 | 63.50 | 59.1 | 60.7 | 72.60 |
通常価格、通常出荷日が表示と異なる場合がございます
通常価格、通常出荷日が表示と異なる場合がございます

日本航空電子工業
D sub シリーズ 付属品
4.3通常価格(税別):80円~

ミスミ
MSコネクタ用ケーブルクランプ
4.6通常価格(税別):299円~

日本航空電子工業
パネル対電線 電線中継接続用丸型コネクタ 半田付結線式 N/MSシリーズ 付属品
4.4通常価格(税別):116円~

ミスミ
Dsubコネクタ EMI プラスチックフード Dsubシリーズ
4.4通常価格(税別):364円~

HARTING
Hanシリーズ フード/ハウジング
4.3通常価格(税別):517円~

ミスミ
Dsubコネクタ 中継接続用ロック金具(フード対フード)
3.9通常価格(税別):178円

オムロン
Dサブコネクタ組立式フード 形XM2S
0通常価格(税別):544円~

フジクラ(旧:第一電子工業)
MSコネクタ防水ケーブルクランプ(R1) ゴムブッシング付
4.5通常価格(税別):1,506円~

ミスミ
【日本航空電子工業】製商品 Dsubコネクタ パネル取付ロック金具(フロント リアマウント兼用)
4.4通常価格(税別):100円~