エレクトロニクス部品技術窓口
2.54mmピッチの電線対基板・電線対電線用ナイロンコネクタ。【特長】・IDT/FFC/ディスクリート...
詳細を確認
音響システム、測定機器、患者モニター 等の民生機器に利用できる。

使用例

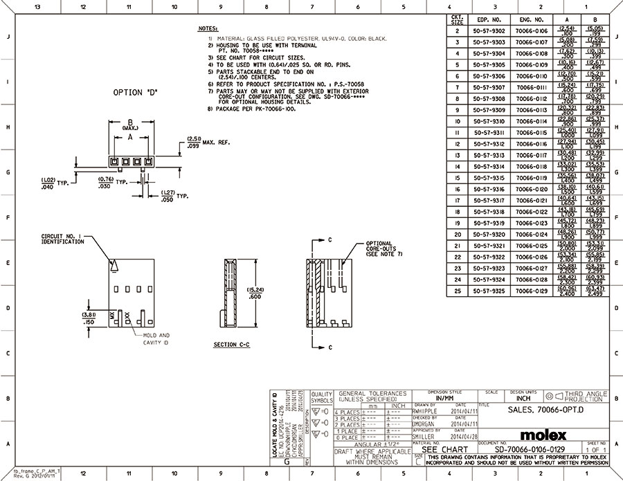
SL モジュラーハウジング(70066)の寸法図
| CKT. SIZE | EDP. NO. | ENG. NO. | A | B |
|---|---|---|---|---|
| 2 | 50-57-9302 | 70066-0106 | (2.54)/.100 | (5.05)/.199 |
| 3 | 50-57-9303 | 70066-0107 | (5.08)/.200 | (7.59)/.299 |
| 4 | 50-57-9304 | 70066-0108 | (7.62)/.300 | (10.13)/.399 |
| 5 | 50-57-9305 | 70066-0109 | (10.16)/.400 | (12.67)/.499 |
| 6 | 50-57-9306 | 70066-0110 | (12.70)/.500 | (15.21)/.599 |
| 7 | 50-57-9307 | 70066-0111 | (15.24)/.600 | (17.75)/.699 |
| 8 | 50-57-9308 | 70066-0112 | (17.78)/.700 | (20.29)/.799 |
| 9 | 50-57-9309 | 70066-0113 | (20.32)/.800 | (22.83)/.899 |
| 10 | 50-57-9310 | 70066-0114 | (22.86)/.900 | (25.37)/.999 |
| 11 | 50-57-9311 | 70066-0115 | (25.40)/1.000 | (27.91)/1.099 |
| 12 | 50-57-9312 | 70066-0116 | (27.94)/1.100 | (30.45)/1.199 |
| 13 | 50-57-9313 | 70066-0117 | (30.48)/1.200 | (32.99)/1.299 |
| 14 | 50-57-9314 | 70066-0118 | (33.02)/1.300 | (35.53)/1.399 |
| 15 | 50-57-9315 | 70066-0119 | (35.56)/1.400 | (38.07)/1.499 |
| 16 | 50-57-9316 | 70066-0120 | (38.10)/1.500 | (40.61)/1.599 |
| 17 | 50-57-9317 | 70066-0121 | (40.64)/1.600 | (43.15)/1.699 |
| 18 | 50-57-9318 | 70066-0122 | (43.18)/1.700 | (45.69)/1.799 |
| 19 | 50-57-9319 | 70066-0123 | (45.72)/1.800 | (48.23)/1.899 |
| 20 | 50-57-9320 | 70066-0124 | (48.26)/1.900 | (50.77)/1.999 |
| 21 | 50-57-9321 | 70066-0125 | (50.80)/2.000 | (53.31)/2.099 |
| 22 | 50-57-9322 | 70066-0126 | (53.34)/2.100 | (55.85)/2.199 |
| 23 | 50-57-9323 | 70066-0127 | (55.88)/2.200 | (58.39)/2.299 |
| 24 | 50-57-9324 | 70066-0128 | (58.42)/2.300 | (60.93)/2.399 |
| 25 | 50-57-9325 | 70066-0129 | (60.96)/2.400 | (63.47)/2.499 |
端子位置固定機構(TPA)ロック
高振動環境における端子バックアウトのリスクを軽減。
CPAロック
高振動環境での電線対電線用嵌合および電線対基板用嵌合面の外れを防止。
テープ&リールパッケージングはオプションのピック&プレース吸着キャップ付きで使用可能
さらに高度な自動化終端処理の使用が可能。出荷/取扱い時にSMTヘッダーを保護。PCB上での高速処理と正確な配置のために自動化吸着ピック&プレースマシンの使用が可能。
ポジティブロック嵌合インターフェース
振動が激しい環境でのリセプタクルで安全な保持を実現。
端子には2つの独立した接触点がある
長期的な電気的性能と信頼性のために、冗長性を持つ2次電流経路を提供。
ディスクリートワイヤー圧着、FFCとIDTの終端スタイルが利用可能
設計上の柔軟性を実現するためにいくつかのワイヤー接続のオプションを提供。
スプリットペグPCBヘッダーのオプション
半田付けプロセス時にPCB上でヘッダーの位置を維持。
2.54mmピッチ
業界で最多の構成を実現するために、C-GridおよびKK 2.54mmピッチ製品群で連動性を可能にする。
| 型番 |
|---|
通常単価(税別)
(税込単価) | 通常出荷日 |
|---|
34円 ( 37円 ) | 在庫品1日目当日出荷可能 |
41円 ( 45円 ) | 在庫品1日目当日出荷可能 |
48円 ( 53円 ) | 在庫品1日目当日出荷可能 |
30円 ( 33円 ) | 在庫品1日目当日出荷可能 |
32円 ( 35円 ) | 在庫品1日目当日出荷可能 |
49円 ( 54円 ) | 在庫品1日目当日出荷可能 |
34円 ( 37円 ) | 在庫品1日目当日出荷可能 |
48円 ( 53円 ) | 在庫品1日目当日出荷可能 |
37円 ( 41円 ) | 在庫品1日目当日出荷可能 |
35円 ( 39円 ) | 在庫品1日目当日出荷可能 |
57円 ( 63円 ) | 在庫品1日目当日出荷可能 |
37円 ( 41円 ) | 在庫品1日目当日出荷可能 |
41円 ( 45円 ) | 在庫品1日目当日出荷可能 |
39円 ( 43円 ) | 在庫品1日目当日出荷可能 |
24円 ( 26円 ) | 在庫品1日目当日出荷可能 |
43円 ( 47円 ) | 在庫品1日目当日出荷可能 |
34円 ( 37円 ) | 在庫品1日目当日出荷可能 |
46円 ( 51円 ) | 在庫品1日目当日出荷可能 |
45円 ( 50円 ) | 在庫品1日目当日出荷可能 |
66円 ( 73円 ) | 在庫品1日目当日出荷可能 |
81円 ( 89円 ) | 在庫品1日目当日出荷可能 |
49円 ( 54円 ) | 在庫品1日目当日出荷可能 |
66円 ( 73円 ) | 在庫品1日目当日出荷可能 |
47円 ( 52円 ) | 在庫品1日目当日出荷可能 |
69円 ( 76円 ) | 在庫品1日目当日出荷可能 |
97円 ( 107円 ) | 在庫品1日目当日出荷可能 |
65円 ( 72円 ) | 在庫品1日目当日出荷可能 |
64円 ( 70円 ) | 在庫品1日目当日出荷可能 |
2.54mmピッチの電線対基板・電線対電線用ナイロンコネクタ。
【特長】
・IDT/FFC/ディスクリートワイヤーの各種ケーブルの対応が可能なバリエーション有り。
【用途】
・エアバッグセンサー、屋内照明、音響システム、ステアリング等の民生機器に利用可能。
・低消費電力、シグナル用電線対基板、電線対電線向けの用途に最適。


