エレクトロニクス部品技術窓口
RMシリーズの防水丸型コネクタ。【特長】・プラグ・レセプタクルともに豊富なバリエーションを用意していま...
詳細を確認
ロック機構はネジカップリング方式で、優れた防水信頼性のRM-Wシリーズ

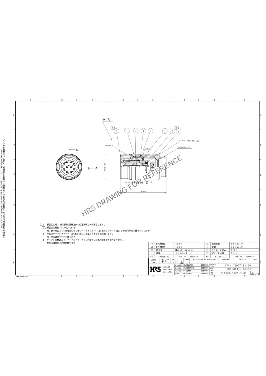
組立タイプ(ストレートプラグ/RM15W)

組立タイプ(ライトアングルプラグ/RM15W)
1.豊富なバリエーション
RM-Wシリーズは、用途に応じ最適な製品が使用できるようプラグ・レセプタクルともにバリエーションが豊富。
プラグ:ストレートプラグ、ストレート低背プラグ、ライトアングルプラグの3種。
レセプタクル:コネクタ単体で防水性能を発揮する単体防水タイプがある。
ナット締めタイプにはフロントマウントとバックマウントがある。
極数:2、3、4、8、10、12、20極がある。又端子は金めっきと銀めっきの2種類がある。
2.自由なケーブル引き出し方向
組立タイプのライトアングルプラグは、360°あらゆる方向へケーブルを引き出すことができる。
| 定格 | 定格電圧 | AC600V、DC840V(2極) AC500V、DC700V(3,4,8極) AC350V、DC490V(10極) AC350V、DC490V(12極) |
|---|---|---|
| 定格電流 | 10A(2、3、4極) 5A(8、10、12極) | |
| 使用温度範囲(注1) | -25℃~+85℃ | |
| 保存温度範囲(注2) | -10℃~+60℃ |
| 項目 | 規格 | 条件 | |
|---|---|---|---|
| 1.接触抵抗 | 2、3、4極:2mΩ以下/8、10、12極:4mΩ以下 | DC1Aで測定 | |
| 2.絶縁抵抗 | 1000MΩ以上 | DC500Vで測定 | |
| 3.耐電圧 | せん絡・絶縁破壊がないこと | 2極:AC1800V 3極:AC2000V 4、8極:AC1500V 10、12極:AC1000V | 1分間印加 |
| 4.耐振性 | 10μs以上の電気的瞬断がないこと | 周波数10~55~10Hz、1サイクルとし10サイクルを 片振幅0.75mmで3方向試験する | |
| 5.衝撃 | 10μs以上の電気的瞬断がないこと | 加速度490m/s2、持続時間 11ms 正弦半波、6方向、各3回試験する | |
| 6.繰り返し動作 | 2、3、4極:4mΩ以下/8、10、12極:8mΩ以下 | 2000回の動作後、接触抵抗を測定 | |
| 7.温度サイクル | 100MΩ以上 | 温度:-55℃→常温 →+85℃→常温 時間:30分→2~3分→30分→2~3分 計5サイクル試験する。 | |
| 8.耐湿性 (定常状態) | 100MΩ以上(乾燥時) | 温度40℃、湿度90~95%に96時間放置後 絶縁抵抗を測定 | |
| 9.防水性 | コネクタ内部に浸水がないこと | コネクタ嵌合状態で水深1.8mに48時間放置する。 | |
(注1)使用温度範囲は、通電時の温度上昇を含みます。
(注2)保存温度範囲は、結線前の未使用品に対する長期保管状態を表します。結線後の無通電状態は、使用温度範囲が適用されます。
| 定格 | 定格電圧 | AC350V、DC490V(20極) |
|---|---|---|
| 定格電流 | 5A | |
| 使用温度範囲(注1) | -25℃~+85℃ | |
| 保存温度範囲(注2) | -10℃~+60℃ |
| 項目 | 規格 | 条件 | |
|---|---|---|---|
| 1.接触抵抗 | 4mΩ以下 | DC1Aで測定 | |
| 2.絶縁抵抗 | 1000MΩ以上 | DC500Vで測定 | |
| 3.耐電圧 | せん絡・絶縁破壊がないこと | 20極:AC1000V | 1分間印加 |
| 4.耐振性 | 10μs以上の電気的瞬断がないこと | 周波数10~55~10Hz、1サイクルとし10サイクルを 片振幅0.75mmで3方向試験する | |
| 5.衝撃 | 10μs以上の電気的瞬断がないこと | 加速度490m/s2、持続時間 11ms 正弦半波、6方向、各3回試験する | |
| 6.繰り返し動作 | 8mΩ以下 | 2000回の動作後、接触抵抗を測定 | |
| 7.温度サイクル | 100MΩ以上 | 温度:-55℃→常温 →+85℃→常温 時間:30分→2~3分→30分→2~3分 計5サイクル試験する。 | |
| 8.耐湿性 (定常状態) | 100MΩ以上(乾燥時) | 温度40℃、湿度90~95%に96時間放置後 絶縁抵抗を測定 | |
| 9.防水性 | コネクタ内部に浸水がないこと | コネクタ嵌合状態で水深1.8mに48時間放置する。 | |
(注1)使用温度範囲は、通電時の温度上昇を含みます。
(注2)保存温度範囲は、結線前の未使用品に対する長期保管状態を表します。結線後の無通電状態は、使用温度範囲が適用されます。
| 項目 | 材質 | 処理 | 備考 |
|---|---|---|---|
| 外装 | 亜鉛合金、黄銅 | クロムめっき又はニッケルめっき | - |
| 絶縁物 | ジアリルフタレート樹脂 | - | UL94V-0、(黒色) |
| 端子 | 黄銅、りん青銅又は銅合金 | 銀めっき又は金めっき | - |
| パッキン | SIR(黒色又は赤色)又はNBR(灰色) | - | - |
材質・処理
(注)端子めっきの混在使用(金めっきと銀めっきの組み合わせ)は行わないでください。
| 項目 | 材質 | 処理 | 備考 |
|---|---|---|---|
| 外装 | 黄銅 | クロムめっき又はニッケルめっき | - |
| 絶縁物 | ジアリルフタレート樹脂 | - | UL94V-0、(黒色) |
| 端子 | 黄銅又は銅合金 | 銀めっき | - |
| パッキン | クロロプレンゴム又はSIR | - | (黒色) |
材質・処理
(注)端子めっきの混在使用(金めっきと銀めっきの組み合わせ)は行わないでください。
| 型番 |
|---|
| 注文停止中 |
| 注文停止中 |
| 注文停止中 |
| 注文停止中 |
| 注文停止中 |
| 注文停止中 |
| 注文停止中 |
| 注文停止中 |
通常単価(税別)
(税込単価) | 通常出荷日 |
|---|
1,295円 ( 1,425円 ) | 在庫品1日目当日出荷可能 |
583円 ( 641円 ) | 在庫品1日目当日出荷可能 |
388円 ( 427円 ) | 在庫品1日目当日出荷可能 |
408円 ( 449円 ) | 在庫品1日目当日出荷可能 |
408円 ( 449円 ) | 在庫品1日目当日出荷可能 |
2,752円 ( 3,027円 ) | 在庫品1日目当日出荷可能 |
3,298円 ( 3,628円 ) | 在庫品1日目当日出荷可能 |
2,853円 ( 3,138円 ) | 在庫品1日目当日出荷可能 |
2,873円 ( 3,160円 ) | 在庫品1日目当日出荷可能 |
3,003円 ( 3,303円 ) | 在庫品1日目当日出荷可能 |
5,275円 ( 5,803円 ) | 在庫品1日目当日出荷可能 |
1,851円 ( 2,036円 ) | 在庫品1日目当日出荷可能 |
2,096円 ( 2,306円 ) | 在庫品1日目当日出荷可能 |
1,806円 ( 1,987円 ) | 在庫品1日目当日出荷可能 |
1,979円 ( 2,177円 ) | 在庫品1日目当日出荷可能 |
1,816円 ( 1,998円 ) | 在庫品1日目当日出荷可能 |
2,195円 ( 2,415円 ) | 在庫品1日目当日出荷可能 |
1,867円 ( 2,054円 ) | 在庫品1日目当日出荷可能 |
2,074円 ( 2,281円 ) | 在庫品1日目当日出荷可能 |
2,033円 ( 2,236円 ) | 在庫品1日目当日出荷可能 |
2,334円 ( 2,567円 ) | 在庫品1日目当日出荷可能 |
1,889円 ( 2,078円 ) | 在庫品1日目当日出荷可能 |
2,157円 ( 2,373円 ) | 在庫品1日目当日出荷可能 |
1,960円 ( 2,156円 ) | 在庫品1日目当日出荷可能 |
2,333円 ( 2,566円 ) | 在庫品1日目当日出荷可能 |
1,867円 ( 2,054円 ) | 在庫品1日目当日出荷可能 |
2,270円 ( 2,497円 ) | 在庫品1日目当日出荷可能 |
2,013円 ( 2,214円 ) | 在庫品1日目当日出荷可能 |
2,549円 ( 2,804円 ) | 在庫品1日目当日出荷可能 |
1,873円 ( 2,060円 ) | 在庫品1日目当日出荷可能 |
1,825円 ( 2,008円 ) | 在庫品1日目当日出荷可能 |
2,013円 ( 2,214円 ) | 在庫品1日目当日出荷可能 |
1,904円 ( 2,094円 ) | 在庫品1日目当日出荷可能 |
2,217円 ( 2,439円 ) | 在庫品1日目当日出荷可能 |
1,959円 ( 2,155円 ) | 在庫品1日目当日出荷可能 |
2,174円 ( 2,391円 ) | 在庫品1日目当日出荷可能 |
1,981円 ( 2,179円 ) | 在庫品1日目当日出荷可能 |
2,356円 ( 2,592円 ) | 在庫品1日目当日出荷可能 |
1,979円 ( 2,177円 ) | 在庫品1日目当日出荷可能 |
2,260円 ( 2,486円 ) | 在庫品1日目当日出荷可能 |
2,066円 ( 2,273円 ) | 在庫品1日目当日出荷可能 |
2,444円 ( 2,688円 ) | 在庫品1日目当日出荷可能 |
1,959円 ( 2,155円 ) | 在庫品1日目当日出荷可能 |
2,291円 ( 2,520円 ) | 在庫品1日目当日出荷可能 |
2,033円 ( 2,236円 ) | 在庫品1日目当日出荷可能 |
2,573円 ( 2,830円 ) | 在庫品1日目当日出荷可能 |
904円 ( 994円 ) | 在庫品1日目当日出荷可能 |
1,203円 ( 1,323円 ) | 在庫品1日目当日出荷可能 |
913円 ( 1,004円 ) | 在庫品1日目当日出荷可能 |
1,067円 ( 1,174円 ) | 在庫品1日目当日出荷可能 |
978円 ( 1,076円 ) | 在庫品1日目当日出荷可能 |
954円 ( 1,049円 ) | 在庫品1日目当日出荷可能 |
1,289円 ( 1,418円 ) | 在庫品1日目当日出荷可能 |
996円 ( 1,096円 ) | 在庫品1日目当日出荷可能 |
1,248円 ( 1,373円 ) | 在庫品1日目当日出荷可能 |
1,201円 ( 1,321円 ) | 在庫品1日目当日出荷可能 |
1,432円 ( 1,575円 ) | 在庫品1日目当日出荷可能 |
1,017円 ( 1,119円 ) | 在庫品1日目当日出荷可能 |
1,285円 ( 1,414円 ) | 在庫品1日目当日出荷可能 |
1,355円 ( 1,491円 ) | 在庫品1日目当日出荷可能 |
RMシリーズの防水丸型コネクタ。
【特長】
・プラグ・レセプタクルともに豊富なバリエーションを用意しています
・プラグ:ストレートプラグ、ストレート低背プラグ、ライトアングルプラグの3種があります
・レセプタクル:コネクタ単体で防水性能を発揮する単体防水タイプがあります
・固定方法は、ナット締めタイプと角フランジのついたネジ止めタイプがあります
・ナット締めタイプにはフロントマウントとバックマウントがあります
・極数:2、3、4、8、10、12、20極があります
・端子は金めっきと銀めっきの2種を用意しています
・組立タイプのライトアングルプラグは、360°あらゆる方向へのケーブルを引き出すことができます
【用途】
・各種配線に便利



通常価格、通常出荷日が表示と異なる場合がございます

日本航空電子工業
丸型コネクタ 半田付け結線式丸型コネクタ N/MSシリーズ
4.1通常価格(税別):798円~

七星科学研究所
非防水メタルコネクタ プラグ、レセプタクル、アダプタ NCSシリーズ
4.5通常価格(税別):490円~

七星科学研究所
丸型コネクタ 非防水メタルコネクタ NJCシリーズ
4.5通常価格(税別):383円~

七星科学研究所
丸型コネクタ 非防水メタルコネクタ NRシリーズ
4.7通常価格(税別):712円~

多治見無線電機
PRC03シリーズ ワンタッチロック式丸形コネクタ
4.2通常価格(税別):468円~

ヒロセ電機
I-O,Power 高性能 小型丸形コネクタ HR10 シリーズ
4.3通常価格(税別):10円~

日本航空電子工業
丸型コネクタ 半田付け結線式丸型コネクタ ケーブル中継用レセプタクルコネクタ SRCNシリーズ
4.6通常価格(税別):448円~

七星科学研究所
丸型コネクタ 防水樹脂コネクタ NRWシリーズ
4.1通常価格(税別):539円~

ミスミ
非防水メタルコネクタ パネル取付レセプタクル(ネジ式)NCSシリーズ
4.6通常価格(税別):490円~