メカニカル部品技術窓口
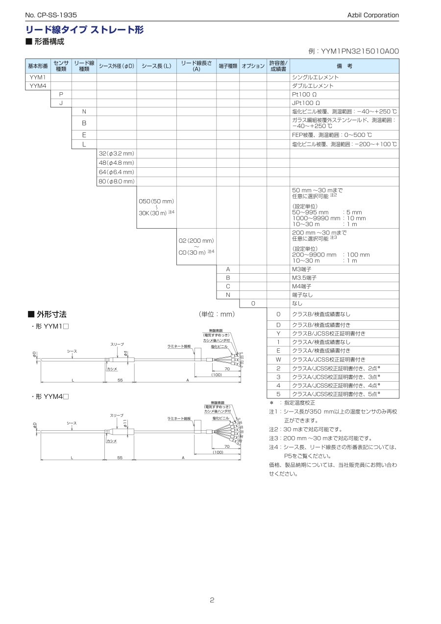
アズビルの一般形リード線タイプ、ストレート形のシース測温抵抗体です。
閲覧中の商品と併せてご検討ください
通常価格、通常出荷日が表示と異なる場合がございます
通常価格、通常出荷日が表示と異なる場合がございます

ミスミ
温度センサ スタンダードタイプ
4.6通常価格(税別):3,320円~

ミスミ
温度センサ取付部品
4.6通常価格(税別):920円~

ミスミ
K熱電対用コネクタ
4.3通常価格(税別):1,610円~

ミスミ
温度センサ シリコン被覆タイプ(K熱電対/測温抵抗体)
4.6通常価格(税別):2,440円~

ミスミ
温度センサ ねじ取付タイプ
4.3通常価格(税別):2,050円~

ミスミ
温度センサ シース・リード線長さ指定タイプ
4
ミスミ
【エコノミーシリーズ】 K熱電対用コネクタ(プラグ・ジャックセット)
5通常価格(税別):2,860円~

ミスミ
温度センサ L型タイプ
4.3
スリーハイ
温度センサー(熱電対Kタイプ)デュープレックス(先端溶接)
4.5通常価格(税別):3,989円~