メカニカル部品技術窓口
【特長】・耐偏角仕様リニアオリフィスショックアブソーバ・偏角アダプタ不要で使用可能・ストッパナット不要
詳細を確認
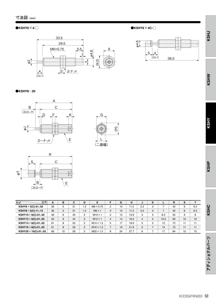
KSHY6×4-□

KSHY6×4C-□

KSHY8~20□
| 項目 | 形式 | |||
|---|---|---|---|---|
| KSHY6×4-01 | KSHY6×4-02 | KSHY8×5-01、-11 | KSHY8×5-02、-12 | |
| 最大吸収能力 J | 0.5 | 0.3 | 1 | 0.8 |
| ストローク mm | 4 | 5 | ||
| 衝突速度範囲 m/s | 0.1~1.0 | |||
| 許容推力 | 27.5N以下 | 60.3N以下 | ||
| 最高使用頻度 cycle/min | 60 | |||
| 単位時間当たりの最大吸収能力 J/min | 18 | 36 | ||
| スプリング戻り力注1 N | 3.5 | 6.5 | ||
| 偏角度 | 10°以下 | |||
| 使用温度範囲注2 ℃ | 0~+60 | |||
| 項目 | 形式 | |||
|---|---|---|---|---|
| KSHY10×6-01 | KSHY10×6-02 | KSHY12×6-01 | KSHY12×6-02 | |
| 最大吸収能力 J | 1.5 | 1 | 3 | 2 |
| ストローク mm | 6 | |||
| 衝突速度範囲 m/s | 0.1~1.0 | |||
| 許容推力 | 100N以下 | 157N以下 | ||
| 最高使用頻度 cycle/min | 60 | |||
| 単位時間当たりの最大吸収能力 J/min | 45 | 80 | ||
| スプリング戻り力注1 N | 8.5 | 15.5 | ||
| 偏角度 | 10°以下 | |||
| 使用温度範囲注2 ℃ | 0~+60 | |||
| 項目 | 形式 | |||||
|---|---|---|---|---|---|---|
| KSHY14×8-01 | KSHY14×8-02 | KSHY16×8-01 | KSHY16×8-02 | KSHY20×10-01 | KSHY20×10-02 | |
| 最大吸収能力 J | 5 | 4 | 8 | 5 | 12 | 8 |
| ストローク mm | 8 | 8 | 10 | |||
| 衝突速度範囲 m/s | 0.1~1.0 | |||||
| 許容推力 | 245N以下 | 402N以下 | 628N以下 | |||
| 最高使用頻度 cycle/min | 60 | 40 | ||||
| 単位時間当たりの最大吸収能力 J/min | 100 | 130 | 200 | |||
| スプリング戻り力注1 N | 14.5 | 14.5 | 21.5 | |||
| 偏角度 | 10°以下 | |||||
| 使用温度範囲注2 ℃ | 0~+60 | |||||
内部構造と各部名称

| No. | 名称 | 材質 |
|---|---|---|
| (1) | 本体注1 | 銅合金(ニッケルめっき) |
| (2) | ピストンロッド注2 | ステンレス鋼 |
| (3) | スリーブ | 銅合金 |
| (4) | プラグ | ステンレス鋼 |
| (5) | アキュームレータ | 合成ゴム |
| (6) | スプリング | ばね鋼 |
| (7) | ロッドパッキン | 合成ゴム |
| (8) | オイル | 特殊オイル |
| (9) | ピストンリング | ステンレス綱 |
| (10) | キャップ | 樹脂(POM) |
| (11) | カラー注3 | ステンレス銅 |
| (12) | Oリング | 合成ゴム |
| (13) | 小ねじ注4 | 軟鋼(亜鉛めっき) |
| (14) | 取付ナット | 軟鋼(ニッケルめっき) |
| 型番 | 記号 | |||||||||||||
|---|---|---|---|---|---|---|---|---|---|---|---|---|---|---|
| A | B | C | D | E | F | G | H | J | K | L | R | S | T | |
| KSHY8×5(C)-01、-02 | 36 | 5 | 31 | 1.2 | M8×0.75 | 2 | 10 | 11.5 | 2.5 | 3 | 7 | 42 | 6 | 6.5 |
| KSHY8×5(C)-11、-12 | 36 | 5 | 31 | 1.2 | M8×1 | 3 | 10 | 11.5 | 2.5 | 3 | 7 | 42 | 6 | 6.5 |
| KSHY10×G(C)-01、-02 | 46 | 6 | 40 | 2 | M10×1 | 3 | 12 | 13.9 | 3 | 5 | 8.5 | 55 | 9 | 8 |
| KSHY12×6(C)-01、-02 | 50 | 6 | 44 | 2 | M12×1 | 4 | 14 | 16.2 | 4 | 5 | 10.5 | 60 | 10 | 10 |
| KSHY14×8(C)-01、-02 | 61 | 8 | 53 | 2 | M14×1.5 | 5 | 17 | 196 | 5 | 5 | 12 | 72 | 11 | 11 |
| KSHY16×8(C)-01、-02 | 61 | 8 | 53 | 3 | M16×1.5 | 7 | 19 | 21.9 | 5 | 7 | 13 | 72 | 11 | 11 |
| KSHY20×10(C)-01、-02 | 69 | 10 | 59 | 3 | M20×1.5 | 8 | 24 | 27.7 | 6 | 7 | 17 | 84 | 15 | 15 |
| 型番 |
|---|
通常単価(税別)
(税込単価) | 通常出荷日 |
|---|
9,406円 ( 10,347円 ) | 8日目 |
10,559円 ( 11,615円 ) | 8日目 |
9,860円 ( 10,846円 ) | 8日目 |
10,900円 ( 11,990円 ) | 8日目 |
11,082円 ( 12,190円 ) | 8日目 |
11,645円 ( 12,810円 ) | 8日目 |
10,946円 ( 12,041円 ) | 8日目 |
11,992円 ( 13,191円 ) | 8日目 |
9,935円 ( 10,929円 ) | 23日目 |
10,559円 ( 11,615円 ) | 8日目 |
10,304円 ( 11,334円 ) | 8日目 |
10,899円 ( 11,989円 ) | 8日目 |
11,082円 ( 12,190円 ) | 23日目 |
11,645円 ( 12,810円 ) | 8日目 |
10,686円 ( 11,755円 ) | 8日目 |
11,994円 ( 13,193円 ) | 8日目 |
9,935円 ( 10,929円 ) | 8日目 |
10,559円 ( 11,615円 ) | 8日目 |
9,860円 ( 10,846円 ) | 8日目 |
10,554円 ( 11,609円 ) | 8日目 |
10,604円 ( 11,664円 ) | 8日目 |
11,760円 ( 12,936円 ) | 8日目 |
11,168円 ( 12,285円 ) | 8日目 |
11,138円 ( 12,252円 ) | 8日目 |
9,935円 ( 10,929円 ) | 8日目 |
10,190円 ( 11,209円 ) | 8日目 |
10,307円 ( 11,338円 ) | 8日目 |
11,437円 ( 12,581円 ) | 8日目 |
10,605円 ( 11,666円 ) | 8日目 |
12,959円 ( 14,255円 ) | 8日目 |
10,593円 ( 11,652円 ) | 8日目 |
11,276円 ( 12,404円 ) | 8日目 |
9,508円 ( 10,459円 ) | 8日目 |
9,728円 ( 10,701円 ) | 8日目 |
10,378円 ( 11,416円 ) | 8日目 |
11,444円 ( 12,588円 ) | 8日目 |
10,605円 ( 11,666円 ) | 8日目 |
10,986円 ( 12,085円 ) | 8日目 |
11,434円 ( 12,577円 ) | 8日目 |
15,037円 ( 16,541円 ) | 8日目 |
11,347円 ( 12,482円 ) | 8日目 |
10,986円 ( 12,085円 ) | 8日目 |
10,175円 ( 11,193円 ) | 8日目 |
10,923円 ( 12,015円 ) | 8日目 |
9,935円 ( 10,929円 ) | 8日目 |
10,588円 ( 11,647円 ) | 8日目 |
10,985円 ( 12,084円 ) | 8日目 |
10,930円 ( 12,023円 ) | 8日目 |
10,733円 ( 11,806円 ) | 8日目 |
11,786円 ( 12,965円 ) | 8日目 |
10,980円 ( 12,078円 ) | 8日目 |
12,030円 ( 13,233円 ) | 8日目 |
11,228円 ( 12,351円 ) | 8日目 |
11,885円 ( 13,074円 ) | 8日目 |
10,993円 ( 12,092円 ) | 8日目 |
12,214円 ( 13,435円 ) | 8日目 |
9,960円 ( 10,956円 ) | 8日目 |
11,036円 ( 12,140円 ) | 8日目 |
10,424円 ( 11,466円 ) | 8日目 |
11,400円 ( 12,540円 ) | 8日目 |
通常価格、通常出荷日が表示と異なる場合がございます
通常価格、通常出荷日が表示と異なる場合がございます

ミスミ
ショックアブソーバ 固定タイプ
4.5通常価格(税別):2,040円~

ミスミ
ショックアブソーバ 調整タイプ
4.4通常価格(税別):3,197円~

ミスミ
ショックアブソーバ 固定タイプ
5通常価格(税別):1,020円~

ミスミ
ショックアブソーバ 固定タイプ(スチール)
4.4通常価格(税別):1,480円~

SMC
ショックアブソーバ RBシリーズ
4.2通常価格(税別):2,992円~

コガネイ
補助機器ショックアブソーバ KSHJシリーズ
4.5通常価格(税別):4,475円~

不二ラテックス
外径M10の調整式ソフトアブソーバー FA/FWMシリーズ
0通常価格(税別):3,097円~

不二ラテックス
固定式ショックアブソーバー FAシリーズ
4.8通常価格(税別):1,997円~

ミスミ
【エコノミーシリーズ】 ショックアブソーバ 二段タイプ
0通常価格(税別):1,650円~