メカニカル部品技術窓口
【特長】・中容量、中慣性・分解能26ビットバッテリレス絶対位置エンコーダ搭載・定格回転速度2000r/...
詳細を確認
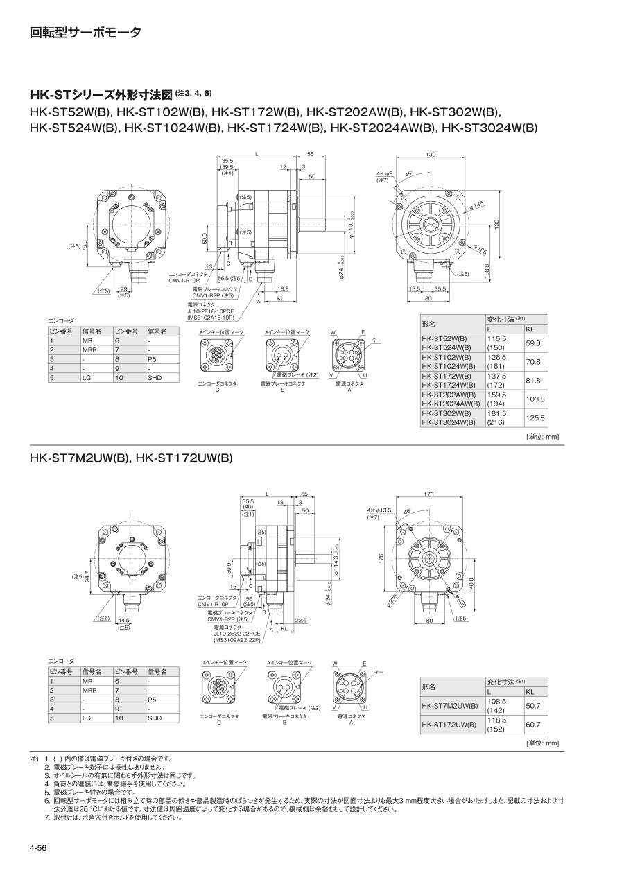
注)1.( )内の値は電磁ブレーキ付きの場合です。
2.電磁ブレーキ端子には極性はありません。
3.オイルシールの有無に関わらず外形寸法は同じです。
4.負荷との連結には、摩擦継手を使用してください。
5.電磁ブレーキ付きの場合です。
6.回転型サーボモータには組み立て時の部品の傾きや部品製造時のばらつきが発生するため、実際の寸法が図面寸法よりも最大3mm程度大きい場合があります。また、記載の寸法および寸法公差は20℃における値です。寸法値は周囲温度によって変化する場合があるので、機械側は余裕をもって設計してください。
7.取付けは、六角穴付きボルトを使用してください。


注)1.( )内の値は電磁ブレーキ付きの場合です。
2.電磁ブレーキ端子には極性はありません。
3.オイルシールの有無に関わらず外形寸法は同じです。
4.負荷との連結には、摩擦継手を使用してください。
5.電磁ブレーキ付きの場合です。
6. HK-ST352W(B)、HK-ST3524W(B)、HK-ST502W(B)、HK-ST5024W(B)、HK-ST702W(B)およびHK-ST7024W(B)には、吊りボルト用ねじ穴(M8)があります。
7.回転型サーボモータには組み立て時の部品の傾きや部品製造時のばらつきが発生するため、実際の寸法が図面寸法よりも最大3mm程度大きい場合があります。また、記載の寸法および寸法公差は20℃における値です。寸法値は周囲温度によって変化する場合があるので、機械側は余裕をもって設計してください。
8.取付けは、六角穴付きボルトを使用してください。

注) 1. サーボモータの慣性モーメントに対する負荷慣性モーメントの比率です。
2. 軸貫通部を除きます。
3. ( ) は組み合わせるサーボアンプを変更して、トルクを増大させた場合の値です。
4. 電源電圧降下時には連続特性および回転速度は保証できません。
5. 昇降軸のようにアンバランストルクが発生する機械では、アンバランストルクは定格トルクの70%以下で使用してください。
6. 回転速度が3000r/min以下の場合、推奨負荷慣性モーメント比は19倍以下です。

注) 1. サーボモータの慣性モーメントに対する負荷慣性モーメントの比率です。
2. 軸貫通部を除きます。
3. ( ) は組み合わせるサーボアンプを変更して、トルクを増大させた場合の値です。
4. 電源電圧降下時には連続特性および回転速度は保証できません。
5. 昇降軸のようにアンバランストルクが発生する機械では、アンバランストルクは定格トルクの70%以下で使用してください。
6. 回転速度が3000r/min以下の場合、推奨負荷慣性モーメント比は20倍以下です。
7.回転速度が3000r/min以下の場合、推奨負荷慣性モーメント比は22倍以下です。
8.回転速度が2000r/min以下の場合、推奨負荷慣性モーメント比は22倍以下です。

注) 1. サーボモータの慣性モーメントに対する負荷慣性モーメントの比率です。
2. 軸貫通部を除きます。
3. ( ) は組み合わせるサーボアンプを変更して、トルクを増大させた場合の値です。
4. 電源電圧降下時には連続特性および回転速度は保証できません。
5. 昇降軸のようにアンバランストルクが発生する機械では、アンバランストルクは定格トルクの70%以下で使用してください。

注) 1. サーボモータの慣性モーメントに対する負荷慣性モーメントの比率です。
2. 軸貫通部を除きます。
3. ( ) は組み合わせるサーボアンプを変更して、トルクを増大させた場合の値です。
4. 電源電圧降下時には連続特性および回転速度は保証できません。
5. 昇降軸のようにアンバランストルクが発生する機械では、アンバランストルクは定格トルクの70 %以下で使用してください。

注) 1. サーボモータの慣性モーメントに対する負荷慣性モーメントの比率です。
2. 軸貫通部を除きます。
3. ( ) は組み合わせるサーボアンプを変更して、トルクを増大させた場合の値です。
4. 電源電圧降下時には連続特性および回転速度は保証できません。
5. 昇降軸のようにアンバランストルクが発生する機械では、アンバランストルクは定格トルクの70 %以下で使用してください。

注) 1. サーボモータの慣性モーメントに対する負荷慣性モーメントの比率です。
2. 軸貫通部を除きます。
3. ( ) は組み合わせるサーボアンプを変更して、トルクを増大させた場合の値です。
4. 電源電圧降下時には連続特性および回転速度は保証できません。
5. 昇降軸のようにアンバランストルクが発生する機械では、アンバランストルクは定格トルクの70 %以下で使用してください。
6.回転速度が2000r/min以下の場合、推奨負荷慣性モーメント比は19倍以下です。
7.回転速度が2000r/min以下の場合、推奨負荷慣性モーメント比は23倍以下です。
8.回転速度が2000r/min以下の場合、推奨負荷慣性モーメント比は24倍以下です。

注) 1. サーボモータの慣性モーメントに対する負荷慣性モーメントの比率です。
2. 軸貫通部を除きます。
3. ( ) は組み合わせるサーボアンプを変更して、トルクを増大させた場合の値です。
4. 電源電圧降下時には連続特性および回転速度は保証できません。
5. 昇降軸のようにアンバランストルクが発生する機械では、アンバランストルクは定格トルクの70 %以下で使用してください。
6.回転速度が2000r/min以下の場合、推奨負荷慣性モーメント比は20倍以下です。
7.回転速度が2000r/min以下の場合、推奨負荷慣性モーメント比は22倍以下です。
8.回転速度が2000r/min以下の場合、推奨負荷慣性モーメント比は12倍以下です。
9.回転速度が2000r/min以下の場合、推奨負荷慣性モーメント比は14倍以下です。
10.回転速度が2000r/min以下の場合、推奨負荷慣性モーメント比は10倍以下です。
11.回転速度が2000r/min以下の場合、推奨負荷慣性モーメント比は7倍以下です。

注) 1. サーボモータの慣性モーメントに対する負荷慣性モーメントの比率です。
2. 軸貫通部を除きます。
3. ( ) は組み合わせるサーボアンプを変更して、トルクを増大させた場合の値です。
4. 電源電圧降下時には連続特性および回転速度は保証できません。
5. 昇降軸のようにアンバランストルクが発生する機械では、アンバランストルクは定格トルクの70%以下で使用してください。
6.回転速度が3000r/min以下の場合、推奨負荷慣性モーメント比は20倍以下です。
7.回転速度が3000r/min以下の場合、推奨負荷慣性モーメント比は12倍以下です。

注)1. 電磁ブレーキは保持用です。制動用途には使用できません。
2. 制動によるブレーキライニングの摩耗でブレーキギャップが大きくなりますが、ギャップの調整はできません。したがって調整が必要になるまでの期間をブレーキ寿命としています。
3.手動解除機構はありません。DC24V電源を供給して電気的に電磁ブレーキを解除してください。
4.電磁ブレーキ専用の電源を用意してください。
5.ブレーキ静摩擦トルクは初期状態、20℃における下限値です。
| 型番 |
|---|
通常単価(税別)
(税込単価) | 通常出荷日 |
|---|
66,825円 ( 73,508円 ) | 15日目 |
95,638円 ( 105,202円 ) | 15日目 |
114,557円 ( 126,013円 ) | 4日目 |
109,713円 ( 120,684円 ) | 15日目 |
109,195円 ( 120,115円 ) | 4日目 |
83,502円 ( 91,852円 ) | 4日目 |
78,694円 ( 86,563円 ) | 15日目 |
78,187円 ( 86,006円 ) | 4日目 |
80,335円 ( 88,369円 ) | 4日目 |
111,320円 ( 122,452円 ) | 4日目 |
135,000円 ( 148,500円 ) | 5日目 |
120,403円 ( 132,443円 ) | 4日目 |
119,873円 ( 131,860円 ) | 4日目 |
94,192円 ( 103,611円 ) | 4日目 |
89,418円 ( 98,360円 ) | 4日目 |
88,878円 ( 97,766円 ) | 4日目 |
80,335円 ( 88,369円 ) | 15日目 |
111,320円 ( 122,452円 ) | 15日目 |
125,287円 ( 137,816円 ) | 4日目 |
120,403円 ( 132,443円 ) | 15日目 |
119,873円 ( 131,860円 ) | 4日目 |
94,192円 ( 103,611円 ) | 4日目 |
89,418円 ( 98,360円 ) | 15日目 |
88,878円 ( 97,766円 ) | 4日目 |
99,010円 ( 108,911円 ) | 4日目 |
130,068円 ( 143,075円 ) | 4日目 |
143,963円 ( 158,359円 ) | 4日目 |
139,150円 ( 153,065円 ) | 4日目 |
138,631円 ( 152,494円 ) | 4日目 |
112,939円 ( 124,233円 ) | 4日目 |
108,168円 ( 118,985円 ) | 4日目 |
107,564円 ( 118,320円 ) | 4日目 |
99,010円 ( 108,911円 ) | 4日目 |
130,068円 ( 143,075円 ) | 4日目 |
143,963円 ( 158,359円 ) | 4日目 |
139,150円 ( 153,065円 ) | 4日目 |
138,631円 ( 152,494円 ) | 4日目 |
112,939円 ( 124,233円 ) | 4日目 |
108,168円 ( 118,985円 ) | 4日目 |
107,564円 ( 118,320円 ) | 4日目 |
102,745円 ( 113,020円 ) | 4日目 |
133,851円 ( 147,236円 ) | 4日目 |
147,714円 ( 162,485円 ) | 4日目 |
142,935円 ( 157,229円 ) | 4日目 |
142,428円 ( 156,671円 ) | 4日目 |
116,733円 ( 128,406円 ) | 4日目 |
111,828円 ( 123,011円 ) | 4日目 |
111,320円 ( 122,452円 ) | 4日目 |
113,458円 ( 124,804円 ) | 4日目 |
147,184円 ( 161,902円 ) | 4日目 |
156,267円 ( 171,894円 ) | 4日目 |
155,759円 ( 171,335円 ) | 4日目 |
127,436円 ( 140,180円 ) | 4日目 |
122,542円 ( 134,796円 ) | 4日目 |
122,023円 ( 134,225円 ) | 4日目 |
97,636円 ( 107,400円 ) | 4日目 |
133,851円 ( 147,236円 ) | 4日目 |
142,935円 ( 157,229円 ) | 4日目 |
142,428円 ( 156,671円 ) | 4日目 |
116,733円 ( 128,406円 ) | 4日目 |
【特長】
・中容量、中慣性
・分解能26ビットバッテリレス絶対位置エンコーダ搭載
・定格回転速度2000r/minと3000r/minの2種類がある
・エンコーダケーブル/電磁ブレーキケーブルに加え、電源ケーブルもワンタッチロックに対応
通常価格、通常出荷日が表示と異なる場合がございます
通常価格、通常出荷日が表示と異なる場合がございます

オムロン
G5シリーズ関連機器・接続ケーブル
0通常価格(税別):1,005円~

三菱電機
サーボアンプ MELSERVO-J5シリーズ(ドライブユニット/コンバータユニット)
0通常価格(税別):22,000円~

オリエンタルモーター
インダクションモーター Kシリーズ用 平行軸ギヤヘッド
4.4通常価格(税別):6,003円~

三菱電機
MELSERVO-J4シリーズ用 バッテリ関連部品
5通常価格(税別):3,017円~

オリエンタルモーター
ユニットタイプスピードコントロールモーター USシリーズ
5通常価格(税別):9,026円~

三菱電機
ギヤードモータ GM-Sシリーズ
4.8通常価格(税別):19,153円~

三菱電機
モータ関連部品(バッテリ/ケーブル/アクセサリ)
4.4通常価格(税別):1,470円~

オリエンタルモーター
インダクションモーター ワールドKシリーズ
4.8通常価格(税別):6,913円~

オリエンタルモーター
モーター取付金具
4.9通常価格(税別):1,089円~