メカニカル部品技術窓口







| シリンダ内径(mm) | 10 | 16 | 20 | 25 | 32 | 40 |
|---|---|---|---|---|---|---|
| 使用流体 | 空気 | |||||
| 作動方式 | 複動 | |||||
| 使用圧力 MPa | 0.15~0.6 | 0.1~0.6 | ||||
| 周囲温度および使用流体温度 | -10~60℃ | |||||
| 繰返し精度 | ±0.1 | |||||
| 給油 | 無給油 | |||||
| (注) 実効把持力 N 圧力0.5MPa時 | 14 | 45 | 74 | 131 | 228 | 396 |
| 使用グリース | 11-:フッ素系グリース 22-:リチウム石けん基系グリース | |||||
| 清浄度クラス(ISOクラス) | 11-/22-:クラス4 | |||||
注) 把持位置は、シリンダ内径10,16,20,25は40mm、シリンダ内径32,40は80mmです。
※各把持点での把持力は、デジタルカタログのデータをご参照ください。
| 接点 | オートスイッチ品番 | 負荷電圧 | 負荷電流範囲 | 表示ランプ | 適用用途 | |
|---|---|---|---|---|---|---|
| 無接点 | 2線式 | D-M9B(V) | DC24V(DC10V~28V) | 5~40mA | ○ | DC24Vリレー, PLC |
| 3線式 | D-M9N(V) | DC28V以下 | 40mA以下 | ○ | ||
PLC:シーケンスコントローラ
※D-M9□タイプのオートスイッチ付で手配された場合、オートスイッチ取付金具が同梱になります。
※D-M9□タイプのオートスイッチを別途手配される場合には、オートスイッチ取付金具(BMG2-012)が必要となります。
仕様詳細および上記以外のオートスイッチはデジタルカタログをご参照ください。
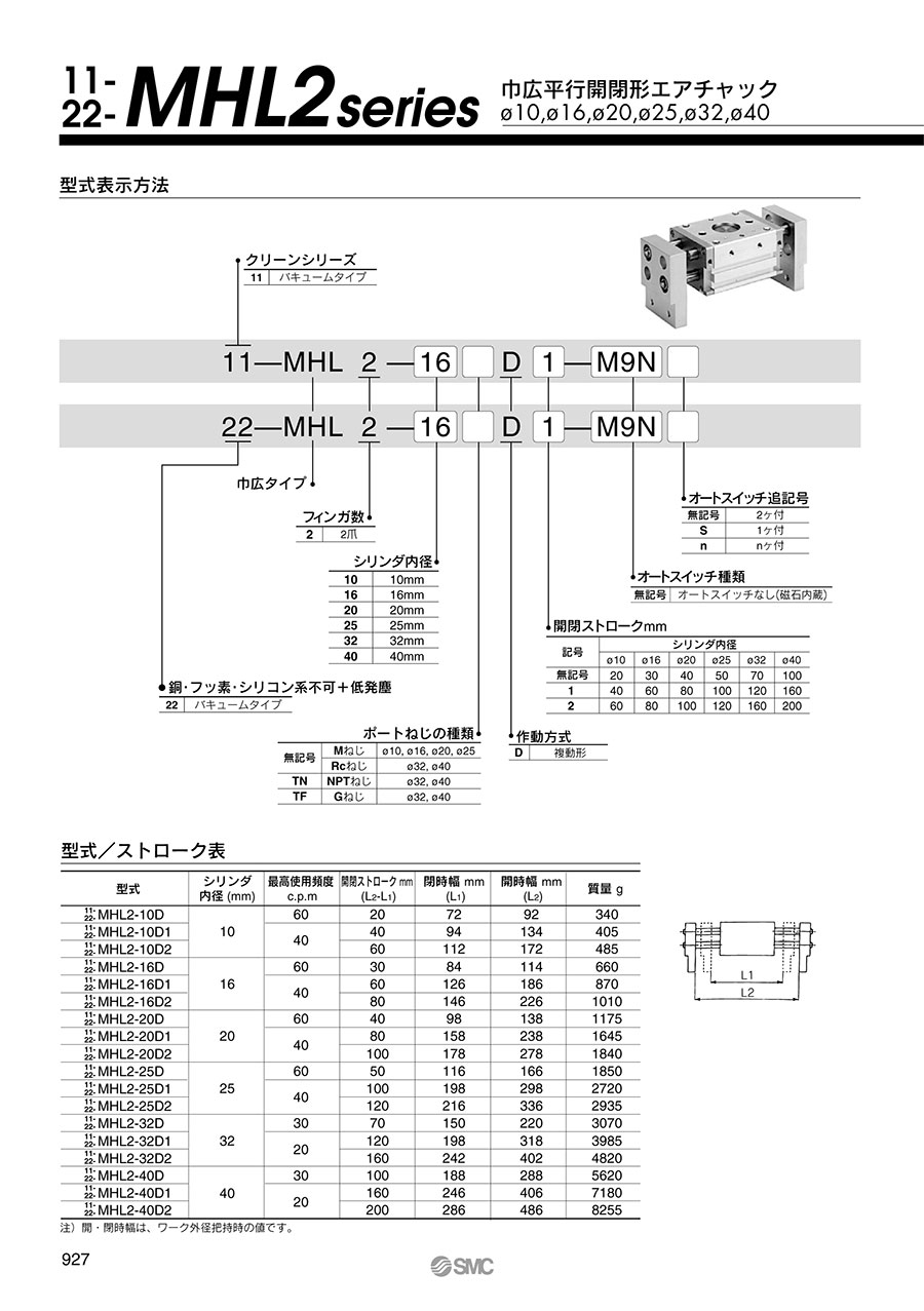
| 型式 | シリンダ内径(mm) | 最高使用頻度 c.p.m | 開閉ストローク mm (L2-L1) | 閉時幅 mm (L1) | 開時幅 mm (L2) | 質量 g | |
|---|---|---|---|---|---|---|---|
| 11- 22- | MHL2-10D | 10 | 60 | 20 | 72 | 92 | 340 |
| 11- 22- | MHL2-10D1 | 40 | 40 | 94 | 134 | 405 | |
| 11- 22- | MHL2-10D2 | 60 | 112 | 172 | 485 | ||
| 11- 22- | MHL2-16D | 16 | 60 | 30 | 84 | 114 | 660 |
| 11- 22- | MHL2-16D1 | 40 | 60 | 126 | 186 | 870 | |
| 11- 22- | MHL2-16D2 | 80 | 146 | 226 | 1,010 | ||
| 11- 22- | MHL2-20D | 20 | 60 | 40 | 98 | 138 | 1,175 |
| 11- 22- | MHL2-20D1 | 40 | 80 | 158 | 238 | 1,645 | |
| 11- 22- | MHL2-20D2 | 100 | 178 | 278 | 1,840 | ||
| 11- 22- | MHL2-25D | 25 | 60 | 50 | 116 | 166 | 1,850 |
| 11- 22- | MHL2-25D1 | 40 | 100 | 198 | 298 | 2,720 | |
| 11- 22- | MHL2-25D2 | 120 | 216 | 336 | 2,935 | ||
| 11- 22- | MHL2-32D | 32 | 30 | 70 | 150 | 220 | 3,070 |
| 11- 22- | MHL2-32D1 | 20 | 120 | 198 | 318 | 3,985 | |
| 11- 22- | MHL2-32D2 | 160 | 242 | 402 | 4,820 | ||
| 11- 22- | MHL2-40D | 40 | 30 | 100 | 188 | 288 | 5,620 |
| 11- 22- | MHL2-40D1 | 20 | 160 | 246 | 406 | 7,180 | |
| 11- 22- | MHL2-40D2 | 200 | 286 | 486 | 8,255 | ||
注) 開・閉時幅は、ワーク外径把持時の値です。







| 型番 |
|---|
通常単価(税別)
(税込単価) | 通常出荷日 |
|---|
43,065円 ( 47,372円 ) | 19日目 |
45,253円 ( 49,778円 ) | 19日目 |
49,805円 ( 54,786円 ) | 19日目 |
54,264円 ( 59,690円 ) | 19日目 |
47,448円 ( 52,193円 ) | 19日目 |
50,518円 ( 55,570円 ) | 19日目 |
50,250円 ( 55,275円 ) | 19日目 |
50,787円 ( 55,866円 ) | 19日目 |
49,925円 ( 54,918円 ) | 19日目 |
49,984円 ( 54,982円 ) | 19日目 |
47,619円 ( 52,381円 ) | 19日目 |
47,751円 ( 52,526円 ) | 19日目 |
50,787円 ( 55,866円 ) | 19日目 |
53,821円 ( 59,203円 ) | 19日目 |
54,413円 ( 59,854円 ) | 19日目 |
49,118円 ( 54,030円 ) | 19日目 |
50,607円 ( 55,668円 ) | 19日目 |
51,143円 ( 56,257円 ) | 19日目 |
47,927円 ( 52,720円 ) | 19日目 |
50,518円 ( 55,570円 ) | 19日目 |
51,053円 ( 56,158円 ) | 19日目 |
47,885円 ( 52,674円 ) | 19日目 |
51,589円 ( 56,748円 ) | 19日目 |
47,927円 ( 52,720円 ) | 19日目 |
50,518円 ( 55,570円 ) | 19日目 |
45,655円 ( 50,221円 ) | 19日目 |
50,206円 ( 55,227円 ) | 19日目 |
50,919円 ( 56,011円 ) | 19日目 |
51,188円 ( 56,307円 ) | 19日目 |
50,384円 ( 55,422円 ) | 19日目 |
51,009円 ( 56,110円 ) | 19日目 |
51,545円 ( 56,700円 ) | 19日目 |
50,919円 ( 56,011円 ) | 19日目 |
53,552円 ( 58,907円 ) | 19日目 |
51,455円 ( 56,601円 ) | 19日目 |
50,919円 ( 56,011円 ) | 19日目 |
47,618円 ( 52,380円 ) | 19日目 |
48,154円 ( 52,969円 ) | 19日目 |
45,606円 ( 50,167円 ) | 19日目 |
48,332円 ( 53,165円 ) | 19日目 |
48,868円 ( 53,755円 ) | 19日目 |
49,403円 ( 54,343円 ) | 19日目 |
48,063円 ( 52,869円 ) | 19日目 |
48,599円 ( 53,459円 ) | 19日目 |
49,134円 ( 54,047円 ) | 19日目 |
52,488円 ( 57,737円 ) | 19日目 |
47,796円 ( 52,576円 ) | 19日目 |
48,333円 ( 53,166円 ) | 19日目 |
48,063円 ( 52,869円 ) | 19日目 |
48,599円 ( 53,459円 ) | 19日目 |
45,833円 ( 50,416円 ) | 19日目 |
48,599円 ( 53,459円 ) | 19日目 |
47,797円 ( 52,577円 ) | 19日目 |
52,341円 ( 57,575円 ) | 19日目 |
48,479円 ( 53,327円 ) | 19日目 |
52,168円 ( 57,385円 ) | 19日目 |
49,848円 ( 54,833円 ) | 19日目 |
48,420円 ( 53,262円 ) | 19日目 |
48,956円 ( 53,852円 ) | 19日目 |
46,009円 ( 50,610円 ) | 19日目 |
【11-シリーズ クリーンシリーズ】
・クリーン環境に対応
・クリーンルーム内への発塵を防止
【20-シリーズ 銅系・フッ素系不可仕様】
・銅材質、フッ素材質を嫌う環境での使用に対応
・外形寸法は標準品と同一
【22-シリーズ 銅・フッ素・シリコン系不可+低発塵】
・銅系、フッ素系、シリコン系材質の規制のある環境に対応
・構造はクリーンシリーズと同等(グリース、包装形態はクリーンシリーズと異なります)
通常価格、通常出荷日が表示と異なる場合がございます
通常価格、通常出荷日が表示と異なる場合がございます

SMC
平行開閉形エアチャック 標準タイプ MHZ2シリーズ
4.5通常価格(税別):381円~

SMC
薄形エアチャック MHF2シリーズ
4.7通常価格(税別):77円~

SMC
平行開閉形エアチャック 2爪 ロングストローク 薄型・軽量 MHZL2シリーズ
4通常価格(税別):381円~

SMC
180°開閉形カム式エアチャック MHY2シリーズ
5通常価格(税別):369円~

AirTAC(エアタック)
エアハンド(Y形) HFYリーズ
5通常価格(税別):4,629円~

SMC
平行開閉形エアチャック 2爪 ダストカバー付 MHZJ2シリーズ
5通常価格(税別):381円~

SMC
平行開閉形エアチャック 3爪 MHS3シリーズ
5通常価格(税別):29,506円~

マシンエンジニアリング
MEPAC 平行開閉チャック エコマルチタイプ
4.5通常価格(税別):13,343円~

CKD
平行ハンドリニアガイド LHAシリーズ
0通常価格(税別):22,133円~