メカニカル部品技術窓口
閲覧中の商品と併せてご検討ください

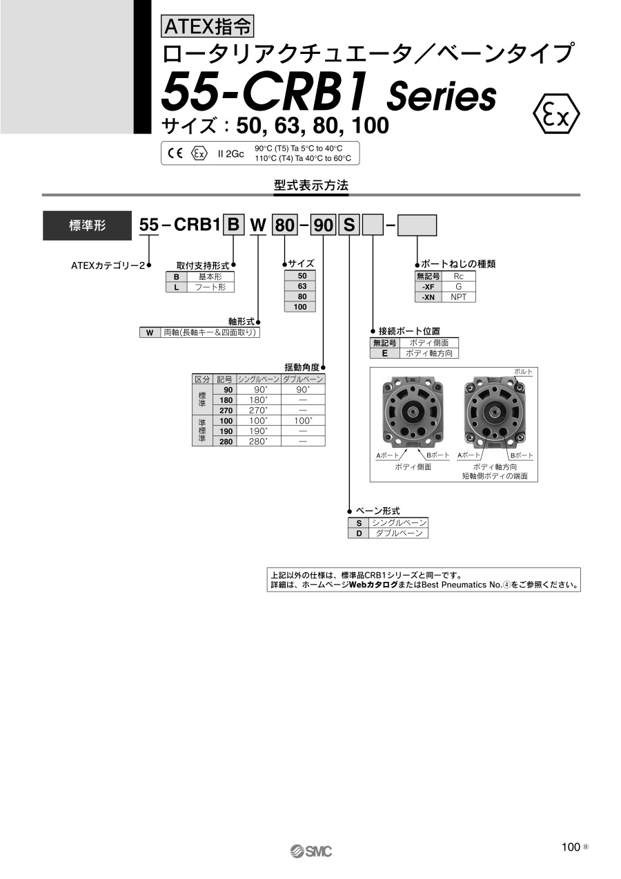
※上記以外の仕様は、標準品CRB1シリーズと同一です。
【ATEX指令とは】
2003年7月1日から、爆発の危険性のある雰囲気で使用される機器について、ATEX指令に準拠することがEU内で義務付けられました。
■CEマークとATEX
ATEX指令はCEマークの対象の一部分となり、従来のヨーロッパ防爆規格がこの中に組み込まれています。
■ATEX指令の目的
ATEXの主な目的は次のとおりです。
・静電荷の防止
・摩擦、衝撃、磨耗により発生する火花の点火防止
・同上による温度上昇による点火防止
・責任は製造メーカにある
・ゾーン/カテゴリー別に認証
■ゾーン/カテゴリー区分
ATEXでは、危険個所(ゾーン)の区分毎に適用する対象をカテゴリー区分しています。
・ゾーン0:カテゴリー1
爆発性雰囲気が存在する可能性(ゾーン):継続的あるいは長時間>1000時間/年
・ゾーン1:カテゴリー2
爆発性雰囲気が存在する可能性(ゾーン):時折 10~1000時間/年
・ゾーン2:カテゴリー3
爆発性雰囲気が存在する可能性(ゾーン):可能性は少ない、短時間<10時間/年
通常価格、通常出荷日が表示と異なる場合がございます
通常価格、通常出荷日が表示と異なる場合がございます

SMC
ロータリテーブル ラックピニオンタイプ MSQシリーズ サイズ:10~200
4通常価格(税別):1,280円~

SMC
ロータリアクチュエータ ベーンタイプ CRB2シリーズ
5通常価格(税別):9,685円~

SMC
薄形ロータリアクチュエータ ラックピニオンタイプ CRQ2シリーズ
4.2通常価格(税別):11,421円~

SMC
ロータリテーブル ベーンタイプ 基本形 MSUBシリーズ
5通常価格(税別):25,692円~

クロダニューマティクス
小形ハイロータ/標準形 PRNAシリーズ(シングルベーン/ダブルベーン)
4通常価格(税別):26,119円~

クロダニューマティクス
ハイロータ/標準形 PRNシリーズ
4通常価格(税別):34,924円~

SMC
ロータリテーブル ラックピニオンタイプ MSQシリーズ サイズ:1・2・3・7
4通常価格(税別):23,484円~

CKD
大形セレックスロータリベーンタイプ・標準形
0通常価格(税別):18,076円~

SMC
フリーマウント形ロータリアクチュエータ ベーンタイプ CRBU2シリーズ
0通常価格(税別):9,910円~