メカニカル部品技術窓口
閲覧中の商品と併せてご検討ください
■オートスイッチ用磁石なし

■オートスイッチ用磁石内蔵

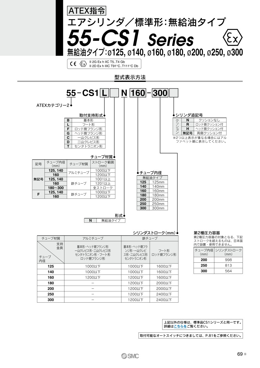
※第2種圧力容器の対象となる、下記ストロークを超えるものは、日本国内で設置・使用できません。
■オートスイッチ用磁石なし
| チューブ内径(mm) | シリンダストローク(mm) |
|---|---|
| 200 | 998 |
| 250 | 813 |
| 300 | 564 |
■オートスイッチ用磁石内蔵
| チューブ内径(mm) | シリンダストローク(mm) |
|---|---|
| 200 | 998 |
【ATEX指令とは】
2003年7月1日から、爆発の危険性のある雰囲気で使用される機器について、ATEX指令に準拠することがEU内で義務付けられました
■CEマークとATEX
ATEX指令はCEマークの対象の一部分となり、従来のヨーロッパ防爆規格がこの中に組み込まれています
■ATEX指令の目的
ATEXの主な目的は次のとおりです
・静電荷の防止
・摩擦、衝撃、磨耗により発生する火花の点火防止
・同上による温度上昇による点火防止
・責任は製造メーカにある
・ゾーン/カテゴリー別に認証
■ゾーン/カテゴリー区分
ATEXでは、危険個所(ゾーン)の区分毎に適用する対象をカテゴリー区分しています
・ゾーン0:カテゴリー1
爆発性雰囲気が存在する可能性(ゾーン):継続的あるいは長時間>1000時間/年
・ゾーン1:カテゴリー2
爆発性雰囲気が存在する可能性(ゾーン):時折 10~1000時間/年
・ゾーン2:カテゴリー3
爆発性雰囲気が存在する可能性(ゾーン):可能性は少ない、短時間<10時間/年
通常価格、通常出荷日が表示と異なる場合がございます
通常価格、通常出荷日が表示と異なる場合がございます

SMC
ガイド付薄形シリンダ MGPシリーズ
4.6通常価格(税別):13,126円~

SMC
【在庫品多数】薄形シリンダ 標準形 複動・片ロッド CQ2シリーズ
4.5通常価格(税別):2,420円~

ミスミ
ガイド付シリンダ
4.2通常価格(税別):12,230円~

コガネイ
薄型シリンダ Cシリーズ
4.5通常価格(税別):2,772円~

SMC
薄形シリンダ コンパクトタイプ 標準形 複動 片ロッド CQSシリーズ
4.9通常価格(税別):2,420円~

ミスミ
薄型シリンダ
4.2通常価格(税別):3,110円~

SMC
ミニフリーマウントシリンダ/CUJシリーズφ4、φ6、φ8、φ10
0通常価格(税別):2,284円~

SMC
デュアルロッドシリンダ 基本タイプ CXSシリーズ
4.7通常価格(税別):8,719円~

SMC
エアシリンダ標準形:複動・片ロッド/CJ2シリーズ
5通常価格(税別):1,923円~