メカニカル部品技術窓口

おねじタイプ

めねじタイプ
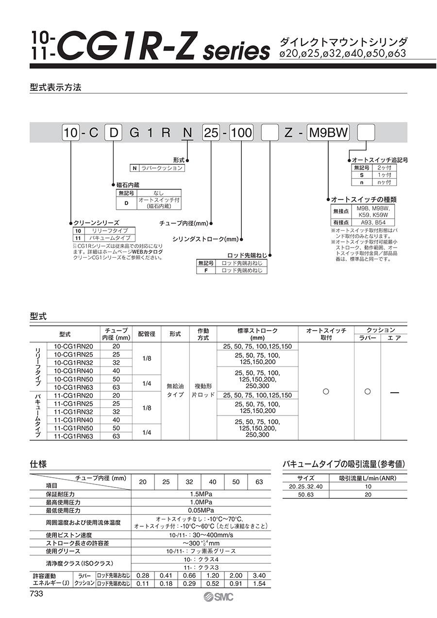
| 型番 | チューブ内径(mm) | 配管径 | 形式 | 作動方式 | 標準ストローク(mm) | オートスイッチ取付 | クッション | ||
|---|---|---|---|---|---|---|---|---|---|
| ラバー | エア | ||||||||
| リリーフタイプ | 10-CG1RN20 | 20 | 1/8 | 無給油タイプ | 複動形片ロッド | 25,50,75,100,125,150 | ◯ | ◯ | - |
| 10-CG1RN25 | 25 | 25,50,75,100, 125,150,200 | |||||||
| 10-CG1RN32 | 32 | ||||||||
| 10-CG1RN40 | 40 | 25,50,75,100, 125,150,200, 250,300 | |||||||
| 10-CG1RN50 | 50 | 1/4 | |||||||
| 10-CG1RN63 | 63 | ||||||||
| バキュームタイプ | 11-CG1RN20 | 20 | 1/8 | 25,50,75,100,125,150 | |||||
| 11-CG1RN25 | 25 | 25,50,75,100, 125,150,200 | |||||||
| 11-CG1RN32 | 32 | ||||||||
| 11-CG1RN40 | 40 | 25,50,75,100, 125,150,200, 250,300 | |||||||
| 11-CG1RN50 | 50 | 1/4 | |||||||
| 11-CG1RN63 | 63 | ||||||||
| 項目 | チューブ内径(mm) | |||||||
|---|---|---|---|---|---|---|---|---|
| 20 | 25 | 32 | 40 | 50 | 63 | |||
| 保証耐圧力 | 1.5MPa | |||||||
| 最高使用圧力 | 1.0MPa | |||||||
| 最低使用圧力 | 0.05MPa | |||||||
| 周囲温度および使用流体温度 | オートスイッチなし:-10~+70℃ オートスイッチ付:-10~+60℃(ただし凍結なきこと) | |||||||
| 使用ピストン速度 | 10-/11-:30~400mm/s | |||||||
| ストローク長さの許容差 | ~300(0~+1.4)mm | |||||||
| 使用グリース | 10-/11-:ふっ素系グリース | |||||||
| 清浄度クラス(ISOクラス) | 10-:クラス4 | |||||||
| 11-:クラス3 | ||||||||
| 許容運動エネルギー(J) | ラバークッション | ロッド先端おねじ | 0.28 | 0.41 | 0.66 | 1.20 | 2.00 | 3.40 |
| ロッド先端めねじ | 0.11 | 0.18 | 0.29 | 0.52 | 0.91 | 1.54 | ||
| サイズ | 吸引流量L/min(ANR) |
|---|---|
| 20.25.32.40 | 10 |
| 50.63 | 20 |

| チューブ内径 | ストローク範囲 | A | AL | B1 | D | E | F | GA | GB | H | H1 | I | K | KA |
|---|---|---|---|---|---|---|---|---|---|---|---|---|---|---|
| 20 | ~150 | 18 | 15.5 | 13 | 8 | 12 | 2 | 20 | 10 | 27 | 5 | 26 | 5 | 6 |
| 25 | ~200 | 22 | 19.5 | 17 | 10 | 14 | 2 | 22 | 10 | 32 | 6 | 31 | 5.5 | 8 |
| 32 | ~200 | 22 | 19.5 | 17 | 12 | 18 | 2 | 26 | 10 | 32 | 6 | 38 | 5.5 | 10 |
| 40 | ~300 | 30 | 27 | 19 | 16 | 25 | 2 | 30 | 10 | 39 | 8 | 47 | 6 | 14 |
| 50 | ~300 | 35 | 32 | 27 | 20 | 30 | 2 | 33 | 12 | 45 | 11 | 58 | 7 | 18 |
| 63 | ~300 | 35 | 32 | 27 | 20 | 32 | 2 | 39 | 12 | 45 | 11 | 72 | 7 | 18 |
| チューブ内径 | L | LD | LH | LX | MM | N | P | RA | S | X | Y | ZZ |
|---|---|---|---|---|---|---|---|---|---|---|---|---|
| 20 | 30.4 | φ5.5,φ9.5座ぐり深さ6 | 15 | 18 | M8×1.25 | 27 | 1/8 | 8 | 75 | 38 | 11 | 104 |
| 25 | 36.4 | φ6.6,φ11座ぐり深さ7 | 18 | 22 | M10×1.25 | 29 | 1/8 | 9 | 77 | 44 | 12 | 111 |
| 32 | 42.4 | φ9,φ14座ぐり深さ9 | 21 | 24 | M10×1.25 | 33 | 1/8 | 9 | 83 | 45 | 13 | 117 |
| 40 | 52.4 | φ11,φ17.5座ぐり深さ12 | 26 | 32 | M14×1.5 | 37 | 1/8 | 11 | 94 | 55 | 16 | 135 |
| 50 | 64.5 | φ14,φ20座ぐり深さ14 | 32 | 41 | M18×1.5 | 44 | 1/4 | 12 | 108 | 62 | 17 | 155 |
| 63 | 76.6 | φ18,φ26座ぐり深さ18 | 38 | 46 | M18×1.5 | 50 | 1/4 | 12 | 114 | 64 | 19 | 161 |
| チューブ内径 | A1 | H | MM | X | ZZ |
|---|---|---|---|---|---|
| 20 | 8 | 13 | M4×0.7 | 24 | 90 |
| 25 | 8 | 14 | M5×0.8 | 26 | 93 |
| 32 | 12 | 14 | M6×1.0 | 27 | 99 |
| 40 | 13 | 15 | M8×1.25 | 31 | 111 |
| 50 | 18 | 16 | M10×1.5 | 33 | 126 |
| 63 | 18 | 16 | M10×1.5 | 35 | 132 |
| 型番 |
|---|
通常単価(税別)
(税込単価) | 通常出荷日 |
|---|
8,291円 ( 9,120円 ) | 19日目 |
14,214円 ( 15,635円 ) | 19日目 |
8,839円 ( 9,723円 ) | 19日目 |
9,180円 ( 10,098円 ) | 19日目 |
15,460円 ( 17,006円 ) | 19日目 |
15,934円 ( 17,527円 ) | 19日目 |
15,251円 ( 16,776円 ) | 19日目 |
17,371円 ( 19,108円 ) | 19日目 |
17,890円 ( 19,679円 ) | 19日目 |
12,071円 ( 13,278円 ) | 19日目 |
14,506円 ( 15,957円 ) | 19日目 |
15,042円 ( 16,546円 ) | 19日目 |
18,651円 ( 20,516円 ) | 19日目 |
20,906円 ( 22,997円 ) | 19日目 |
19,247円 ( 21,172円 ) | 19日目 |
14,292円 ( 15,721円 ) | 19日目 |
20,510円 ( 22,561円 ) | 19日目 |
20,593円 ( 22,652円 ) | 19日目 |
15,032円 ( 16,535円 ) | 19日目 |
19,595円 ( 21,555円 ) | 19日目 |
19,246円 ( 21,171円 ) | 19日目 |
25,714円 ( 28,285円 ) | 19日目 |
24,856円 ( 27,342円 ) | 19日目 |
23,392円 ( 25,731円 ) | 19日目 |
27,355円 ( 30,091円 ) | 19日目 |
28,575円 ( 31,433円 ) | 19日目 |
24,925円 ( 27,418円 ) | 19日目 |
13,166円 ( 14,483円 ) | 19日目 |
9,286円 ( 10,215円 ) | 19日目 |
15,976円 ( 17,574円 ) | 19日目 |
9,729円 ( 10,702円 ) | 19日目 |
12,366円 ( 13,603円 ) | 19日目 |
9,528円 ( 10,481円 ) | 19日目 |
7,289円 ( 8,018円 ) | 19日目 |
11,562円 ( 12,718円 ) | 19日目 |
10,936円 ( 12,030円 ) | 19日目 |
7,403円 ( 8,143円 ) | 19日目 |
7,363円 ( 8,099円 ) | 19日目 |
11,112円 ( 12,223円 ) | 19日目 |
15,920円 ( 17,512円 ) | 19日目 |
9,461円 ( 10,407円 ) | 19日目 |
【10-/11-シリーズ クリーンシリーズ】
・クリーン環境に対応
・クリーンルーム内への発塵を防止
【20-シリーズ 銅系・フッ素系不可仕様】
・銅材質、フッ素材質を嫌う環境での使用に対応
・外形寸法は標準品と同一
通常価格、通常出荷日が表示と異なる場合がございます
通常価格、通常出荷日が表示と異なる場合がございます

SMC
ガイド付薄形シリンダ MGPシリーズ
4.6通常価格(税別):13,126円~

SMC
【在庫品多数】薄形シリンダ 標準形 複動・片ロッド CQ2シリーズ
4.5通常価格(税別):2,420円~

SMC
薄形シリンダ コンパクトタイプ 標準形 複動 片ロッド CQSシリーズ
4.9通常価格(税別):2,420円~

ミスミ
薄型シリンダ
4.2通常価格(税別):3,110円~

ミスミ
ガイド付シリンダ
4.2通常価格(税別):12,230円~

SMC
デュアルロッドシリンダ 基本タイプ CXSシリーズ
4.7通常価格(税別):8,719円~

SMC
薄形シリンダ ガイドロッド形 CQMシリーズ
5通常価格(税別):5,364円~

SMC
エアシリンダ標準形:複動・片ロッド/CJ2シリーズ
5通常価格(税別):1,923円~

コガネイ
薄型シリンダ Cシリーズ
4.5通常価格(税別):2,772円~