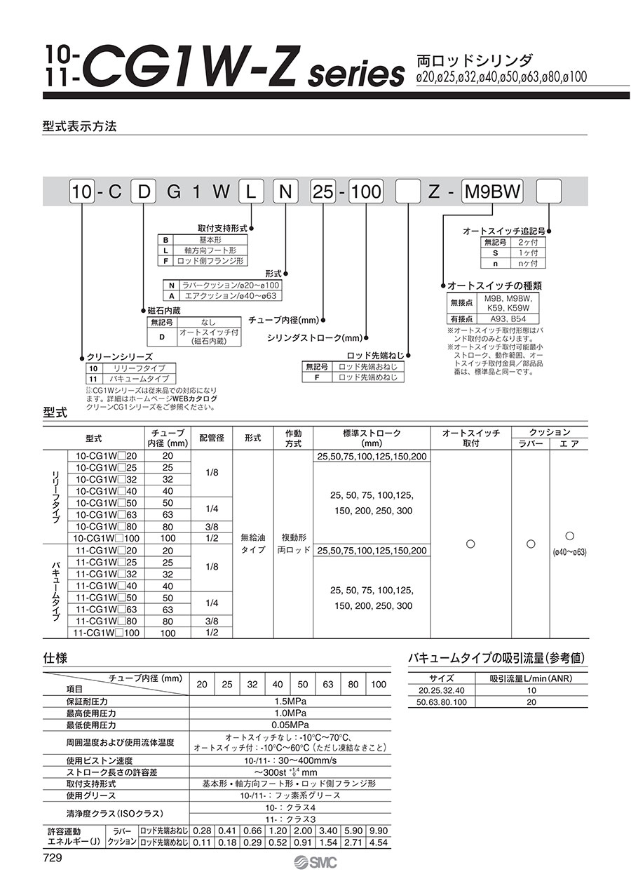
メカニカル部品技術窓口

ラバークッション付

ラバークッション付

エアクッション付

ラバークッション付

エアクッション付

| 項目 | チューブ内径(mm) | |||||||
|---|---|---|---|---|---|---|---|---|
| 20 | 25 | 32 | 40 | 63 | 80 | |||
| 保証耐圧力 | 1.5MPa | |||||||
| 最高使用圧力 | 1.0MPa | |||||||
| 最低使用圧力 | 0.05MPa | |||||||
| 周囲温度および使用流体温度 | オートスイッチなし:-10~+70℃ オートスイッチ付:-10~+60℃ (ただし凍結なきこと) | |||||||
| 使用ピストン速度 | 10-/11-:30~400mm/s | |||||||
| ストローク長さの許容差 | ~300st(0~+1.4)mm | |||||||
| 取付支持形式 | 基本形・軸方向フート形・ロッド側フランジ形 | |||||||
| 使用グリース | 10-/11-:ふっ素系グリース | |||||||
| 清浄度クラス(ISOクラス) | 10-:クラス4 | |||||||
| 11-:クラス3 | ||||||||
| 許容運動エネルギー(J) | ラバークッション | ロッド先端おねじ | 0.28 | 0.41 | 0.66 | 1.20 | 3.40 | 5.90 |
■ラバークッション付

■ラバークッション付
| チューブ内径 | B | LC | LD | LH | LS | LT | LX | LZ | M | W | X | Y | Z | ZZ |
|---|---|---|---|---|---|---|---|---|---|---|---|---|---|---|
| 25 | 38.5 | 4 | 6 | 22 | 69 | 3 | 36 | 49 | 3.5 | 10 | 15 | 7 | 52 | 173 |
※他の寸法は、基本形と同一です。
■エアクッション付
| チューブ内径 | B | LC | LD | LH | LS | LT | LX | LZ | M | W | X | Y | Z | ZZ |
|---|---|---|---|---|---|---|---|---|---|---|---|---|---|---|
| 63 | 82.5 | 5 | 12 | 45 | 91 | 4.5 | 82 | 106 | 5 | 17.5 | 22 | 13 | 75.5 | 242 |
※他の寸法は、基本形と同一です。
■ラバークッション付
| チューブ内径 | B | E | F | FX | FD | FT |
|---|---|---|---|---|---|---|
| 20 | 40 | 12 | 2 | 28 | 5.5 | 6 |
| 40 | 61 | 25 | 2 | 46 | 6.6 | 8 |
| 63 | 92 | 32 | 2 | 70 | 11 | 9 |
注)φEのインローはフランジに加工されています。
※他の寸法は、基本形と同一です。
■エアクッション付
※20、25の寸法は、基本形と同一です。
| 型番 |
|---|
通常単価(税別)
(税込単価) | 通常出荷日 |
|---|
17,005円 ( 18,706円 ) | 19日目 |
20,727円 ( 22,800円 ) | 19日目 |
21,173円 ( 23,290円 ) | 19日目 |
38,317円 ( 42,149円 ) | 19日目 |
31,952円 ( 35,147円 ) | 19日目 |
31,238円 ( 34,362円 ) | 19日目 |
43,609円 ( 47,970円 ) | 19日目 |
16,610円 ( 18,271円 ) | 19日目 |
6,249円 ( 6,874円 ) | 19日目 |
8,300円 ( 9,130円 ) | 19日目 |
10,179円 ( 11,197円 ) | 19日目 |
10,217円 ( 11,239円 ) | 19日目 |
16,731円 ( 18,404円 ) | 19日目 |
【10-/11-シリーズ クリーンシリーズ】
・クリーン環境に対応
・クリーンルーム内への発塵を防止
【20-シリーズ 銅系・フッ素系不可仕様】
・銅材質、フッ素材質を嫌う環境での使用に対応
・外形寸法は標準品と同一
通常価格、通常出荷日が表示と異なる場合がございます
通常価格、通常出荷日が表示と異なる場合がございます

SMC
ガイド付薄形シリンダ MGPシリーズ
4.6通常価格(税別):13,126円~

SMC
【在庫品多数】薄形シリンダ 標準形 複動・片ロッド CQ2シリーズ
4.5通常価格(税別):2,420円~

SMC
薄形シリンダ コンパクトタイプ 標準形 複動 片ロッド CQSシリーズ
4.9通常価格(税別):2,420円~

ミスミ
薄型シリンダ
4.2通常価格(税別):3,110円~

ミスミ
ガイド付シリンダ
4.2通常価格(税別):12,230円~

SMC
デュアルロッドシリンダ 基本タイプ CXSシリーズ
4.7通常価格(税別):8,719円~

SMC
薄形シリンダ ガイドロッド形 CQMシリーズ
5通常価格(税別):5,364円~

SMC
エアシリンダ標準形:複動・片ロッド/CJ2シリーズ
5通常価格(税別):1,923円~

コガネイ
薄型シリンダ Cシリーズ
4.5通常価格(税別):2,772円~