メカニカル部品技術窓口
【10-/11-シリーズ クリーンシリーズ】・クリーン環境に対応。・クリーンルーム内への発塵を防止。

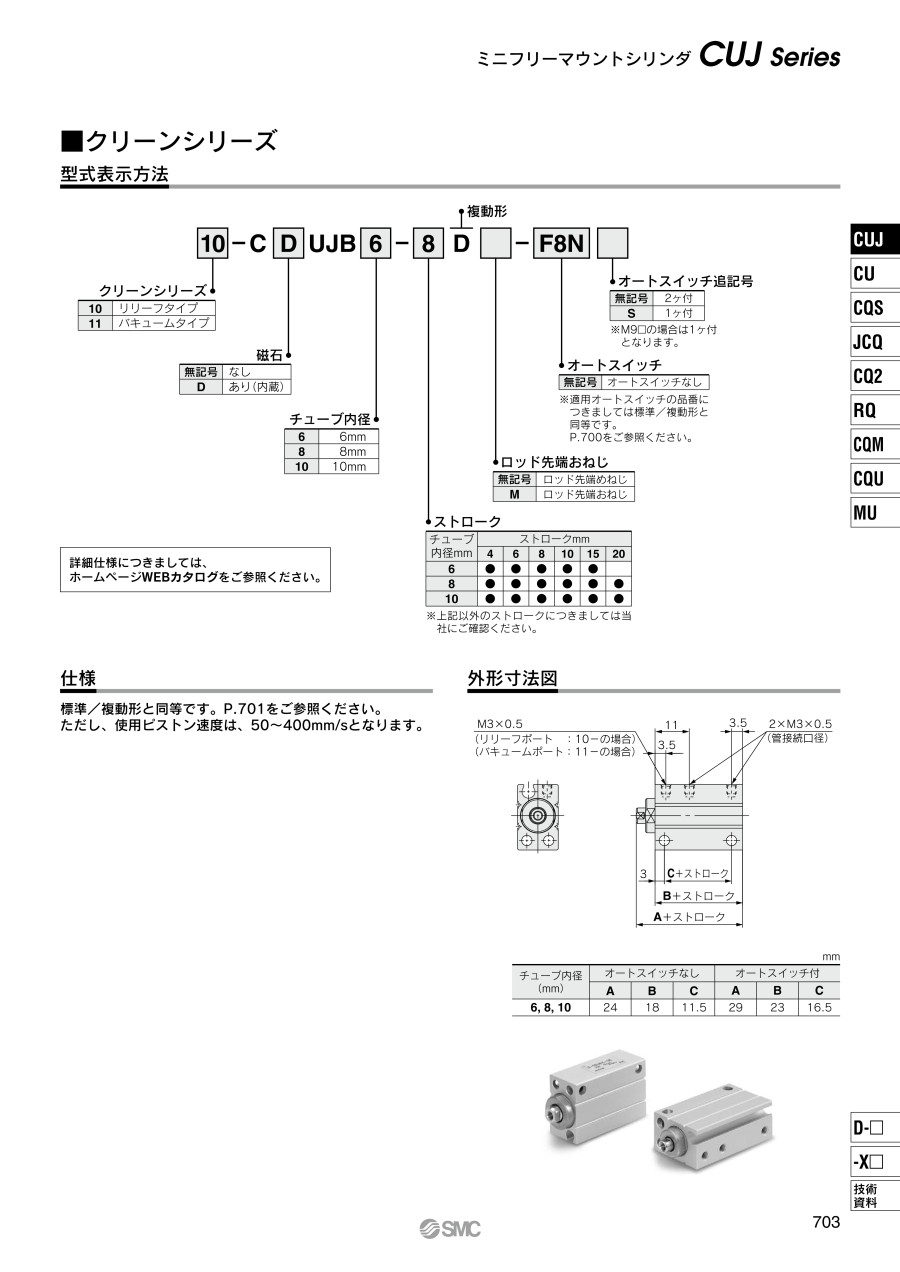
注1:二面幅の角度位置はチューブに対して一定ではありません。
ロッド先端おねじ

横方向取付

軸方向取付

ロッド先端おねじの場合

| 型式 | チューブ 内径(mm) | 配管径 | 形式 | 作動 方式 | 標準ストローク (mm) | オートスイッチ 取付 | クッション | |
|---|---|---|---|---|---|---|---|---|
| タイプ リリーフ | 10-CUJ□6 | 6 | M3×0.5 | 無給油 タイプ | 複動形 片ロッド | 4,6,8,10,15 | ○ | なし |
| 10-CUJ□8 | 8 | M3×0.5 | 4,6,8,10,15,20 | |||||
| 10-CUJ□10 | 10 | M3×0.5 | 4,6,8,10,15,20 | |||||
| 10-CUJ□12 | 12 | M3×0.5 | 5,10,15,20,25,30 | ラバークッション | ||||
| 10-CUJ□16 | 16 | M3×0.5 | 5,10,15,20,25,30 | |||||
| 10-CUJ□20 | 20 | M5×0.8 | 5,10,15,20,25,30,35,40,45,50 | |||||
| タイプ バキューム | 11-CUJ□6 | 6 | M3×0.5 | 4,6,8,10,15 | なし | |||
| 11-CUJ□8 | 8 | M3×0.5 | 4,6,8,10,15,20 | |||||
| 11-CUJ□10 | 10 | M3×0.5 | 4,6,8,10,15,20 | |||||
| 11-CUJ□12 | 12 | M3×0.5 | 5,10,15,20,25,30 | ラバークッション | ||||
| 11-CUJ□16 | 16 | M3×0.5 | 5,10,15,20,25,30 | |||||
| 11-CUJ□20 | 20 | M5×0.8 | 5,10,15,20,25,30,35,40,45,50 | |||||
| チューブ内径mm | 6・8 | 10 | 12・16 | 20 | |
|---|---|---|---|---|---|
| 作動方式 | 複動形 | ||||
| 使用流体 | 空気 | ||||
| 保証耐圧力 | 1.05MPa | ||||
| 最低使用圧力 | 複動形 | 0.15MPa | 0.1MPa | 0.07MPa | 0.05MPa |
| 最高使用圧力 | 0.7MPa | ||||
| 周囲温度および 使用流体温度 | オートスイッチなし:-10℃~70℃(ただし、凍結なきこと) オートスイッチ付:-10℃~60℃(ただし、凍結なきこと) | ||||
| クッション | なし | ラバークッション | |||
| 給油 | 無給油 | ||||
| 使用ピストン速度 | 50~400mm/s | ||||
| ストローク長さの許容差 | 0~+0.5 | 0~+1.0 | |||
| 取付 | 通し穴 | CUJB:通し穴(横方向、軸方向 各2ヶ所) CUJS:通し穴(軸方向、2ヶ所) | |||
| 使用グリース | フッ素グリース | ||||
| 清浄度クラス(ISOクラス) | 10-:クラス4、11-:クラス3 | ||||

ロッド先端おねじの場合


| 型番 |
|---|
通常単価(税別)
(税込単価) | 通常出荷日 |
|---|
3,320円 ( 3,652円 ) | 9日目 |
3,589円 ( 3,948円 ) | 6日目 |
7,627円 ( 8,390円 ) | 6日目 |
8,187円 ( 9,006円 ) | 6日目 |
5,797円 ( 6,377円 ) | 6日目 |
7,719円 ( 8,491円 ) | 6日目 |
8,376円 ( 9,214円 ) | 6日目 |
5,569円 ( 6,126円 ) | 6日目 |
8,937円 ( 9,831円 ) | 1日目 |
3,628円 ( 3,991円 ) | 9日目 |
8,415円 ( 9,257円 ) | 9日目 |
3,459円 ( 3,805円 ) | 9日目 |
7,760円 ( 8,536円 ) | 9日目 |
7,760円 ( 8,536円 ) | 9日目 |
3,559円 ( 3,915円 ) | 5日目 |
3,459円 ( 3,805円 ) | 6日目 |
7,667円 ( 8,434円 ) | 6日目 |
8,227円 ( 9,050円 ) | 6日目 |
5,569円 ( 6,126円 ) | 6日目 |
7,760円 ( 8,536円 ) | 6日目 |
5,610円 ( 6,171円 ) | 6日目 |
5,848円 ( 6,433円 ) | 6日目 |
6,864円 ( 7,550円 ) | 6日目 |
3,632円 ( 3,995円 ) | 6日目 |
7,667円 ( 8,434円 ) | 6日目 |
8,227円 ( 9,050円 ) | 6日目 |
5,848円 ( 6,433円 ) | 6日目 |
5,569円 ( 6,126円 ) | 6日目 |
7,760円 ( 8,536円 ) | 6日目 |
8,415円 ( 9,257円 ) | 6日目 |
5,936円 ( 6,530円 ) | 6日目 |
5,610円 ( 6,171円 ) | 6日目 |
5,848円 ( 6,433円 ) | 1日目 |
5,936円 ( 6,530円 ) | 6日目 |
4,869円 ( 5,356円 ) | 9日目 |
9,071円 ( 9,978円 ) | 9日目 |
8,532円 ( 9,385円 ) | 9日目 |
5,119円 ( 5,631円 ) | 9日目 |
3,186円 ( 3,505円 ) | 6日目 |
3,336円 ( 3,670円 ) | 6日目 |
4,488円 ( 4,937円 ) | 9日目 |
3,320円 ( 3,652円 ) | 6日目 |
7,525円 ( 8,278円 ) | 1日目 |
8,088円 ( 8,897円 ) | 1日目 |
5,710円 ( 6,281円 ) | 6日目 |
5,429円 ( 5,972円 ) | 1日目 |
7,991円 ( 8,790円 ) | 6日目 |
8,273円 ( 9,100円 ) | 6日目 |
5,468円 ( 6,015円 ) | 6日目 |
5,937円 ( 6,531円 ) | 6日目 |
6,078円 ( 6,686円 ) | 1日目 |
5,797円 ( 6,377円 ) | 6日目 |
6,360円 ( 6,996円 ) | 1日目 |
3,418円 ( 3,760円 ) | 6日目 |
7,627円 ( 8,390円 ) | 6日目 |
8,187円 ( 9,006円 ) | 6日目 |
5,798円 ( 6,378円 ) | 6日目 |
5,516円 ( 6,068円 ) | 6日目 |
7,719円 ( 8,491円 ) | 6日目 |
8,376円 ( 9,214円 ) | 1日目 |
通常価格、通常出荷日が表示と異なる場合がございます
通常価格、通常出荷日が表示と異なる場合がございます

SMC
ガイド付薄形シリンダ MGPシリーズ
4.6通常価格(税別):13,126円~

ミスミ
ガイド付シリンダ
4.2通常価格(税別):12,230円~

SMC
デュアルロッドシリンダ 基本タイプ CXSシリーズ
4.7通常価格(税別):8,719円~

SMC
【在庫品多数】薄形シリンダ 標準形 複動・片ロッド CQ2シリーズ
4.5通常価格(税別):2,420円~

SMC
ピンシリンダ 複動・片ロッド CJP2シリーズ
4.3通常価格(税別):2,198円~

SMC
エアシリンダ標準形:複動・片ロッド/CJ2シリーズ
5通常価格(税別):1,923円~

SMC
薄形シリンダ コンパクトタイプ 標準形 複動 片ロッド CQSシリーズ
4.9通常価格(税別):2,420円~

コガネイ
薄型シリンダ Cシリーズ
4.5通常価格(税別):2,772円~

ミスミ
薄型シリンダ
4.2通常価格(税別):3,110円~